
EPF10K30AFC484-1 he raupapa kuaha ka taea te whakahoahoa hei whakatinana i te arorau matihiko ka taea te whirihora i roto i nga punaha hiko whakauru.Kei roto i te taputapu nga huānga arorau ka taea te papatono, poraka mahara o roto, me nga rauemi ararere e taea ai te hanga i nga mahi matihiko i roto i te waahanga kotahi.Ko tana hanganga o roto e tautoko ana i te arorau whakahaere, te whakahaere raraunga, me te whakahaere atanga puta noa i te tini o nga taputapu hiko.Ka mahi te taputapu mai i te awhe tuku 4.75 V ki te 5.25 V me te whakarato ki te 246 nga hononga whakauru me te whakaputanga ka taea te whakarite.Ka whakamahia e te kete te whakatakotoranga BGA 484 poi pai mo nga papa taiawhio e mau ana i roto i nga hoahoa punaha kiato.
Kei te rapu EPF10K30AFC484-1?Whakapaa mai ki a maatau ki te tirotiro i nga taonga o naianei, te wa arahi, me te utu.

Ko te whakatakotoranga o te kete e whakaatu ana me pehea te tiritiri o nga taputapu o te whanau FLEX 10K i te hanganga matiti poi e rite ana ki nga rahi o nga kete rereke.He tapuwae papa porowhita kua taia mo te kete 484 pine FineLine BGA e tautoko ana i nga taputapu he rereke nga tatau I/O ma te pupuri i nga tuunga poroporo o waho.Ka whakataurite te hoahoa i tetahi taputapu FineLine BGA 256 pine me tetahi taputapu FineLine BGA 484 titi, kei reira te kohinga iti e whakamahi ana i te iti o nga hononga hohe i te wa e mau tonu ana ki te whakatakotoranga papa.Ma tenei whakaritenga ka taea e nga papa taiawhio i hangaia mo te kete nui ake te whakauru i nga waahanga iti ake o te taputapu ka iti ake nga tohu whakauru, tohu whakaputa, rauemi arorau ranei e hiahiatia ana.
Ka whakauruhia e te taputapu tetahi hanganga arorau ka taea te whakarite kia taea ai te whirihora iahiko mamati i muri i te whakaurunga.Ka taea e nga Kaihoahoa te whakatinana i te arorau mana, te ararere tohu, me nga mahi tukatuka i roto i te maramara ma te tautuhi hononga i waenga i nga huānga arorau o roto.
He 1728 nga huānga arorau kua whakaritea ki roto i nga poraka raupapa arorau maha e hanga ana i te hanganga tukatuka o roto.Ka taea e ia huānga arorau te mahi tatau, arorau whakakotahi, mahi rokiroki ranei, ka taea e te taputapu te tautoko i te whānuitanga o nga hoahoa ara iahiko matihiko.
Kei roto i te taputapu nga moka 12288 o te mahara o roto kua whakaritea i roto i nga poraka huinga kua whakatapua.Ka whakaratohia e enei poraka i runga i te rokiroki raraunga maramara ka taea te whirihora mo te aukati rangitahi, nga ripanga rapu, me nga mahi mahara iti e whakamahia ana e nga punaha mamati.
Tae atu ki te 246 nga hononga whakaurunga me nga hononga whakaputa ka taea e te taputapu te korero ki nga waahanga o waho.Ko enei hononga e tautoko ana i nga huarahi tohu tohu rua ka taea te whirihora mo nga whakaritenga atanga mamati rereke.
Ka neke nga tohu i roto i te taputapu ma te whakamahi i te hanganga ararere i hangaia e nga rarangi hono me te pourangi.Ko tenei whatunga o roto ka tohatoha raraunga i waenga i nga poraka arorau, nga waahi mahara, me nga titi whakaputa whakauru puta noa i te raupapa ka taea te whakarite.
Ka mahi te taputapu mai i te awhe tuku 4.75 V ki te 5.25 V e hono ana ki te maha o nga punaha hiko mamati.Ka tautokohia e tenei awhe ngaohiko te whanonga tohu pono i te wa e mahi tonu ana te punaha.
I hoahoatia mo nga taiao pāmahana arumoni, ka mahi te taputapu puta noa i te awhe pāmahana o te 0°C ki te 70°C.Ko tenei matapihi whakahaere e tautoko ana i nga taputapu hiko o roto me nga taiao punaha whakahaere.
Ko te waahanga kei roto i te kete 484 poipoi pai te pura BGA te ine tata ki te 23 ki te 23 mitamano.E tautoko ana tenei whakatakotoranga i nga whakatakotoranga ara iahiko mato i te wa e mau tonu ana nga hononga hiko i runga i nga papaa iahiko kua taia maha.
| Huanga Hua | Uara Huanga |
| Kaihanga | Altera (Intel) |
| Ngaohiko - Tuku | 4.75V ~ 5.25V |
| Moka RAM Tapeke | 12288 |
| Mōkī Pūrere Kaiwhakarato | 484-FBGA (23x23) |
| Rangatū | FLEX-10KA® |
| Mōkī / Take | 484-BBGA |
| Mōkī | Te nuinga |
| Te Waahi Mahi | 0°C ~ 70°C (TA) |
| Te maha o nga huānga arorau/nga pūtau | 1728 |
| Te maha o nga LAB/CLB | 216 |
| Tau o I/O | 246 |
| Te maha o nga keeti | 69000 |
| Momo Whakaeke | Maunga Mata |
| Tūnga RoHS | RoHS kore-ture |
| Taumata Makuku (MSL) | 3 (168 haora) |
| Tūnga REACH | REACH Kaore i pa |
| ECCN | 3A991D |
| HTSUS | 8542.39.0001 |

Ko te whakatakotoranga o-roto ka whakarite i te arorau ka taea te papatono puta noa i te matiti o nga Poraka Aratau Ararau kei roto nga huānga arorau maha hei hanga iahiko matihiko.Ka puta nga Poraka Huanga Whakamau ki roto i te huinga me te whakarato rauemi mahara kua whakatapua hei penapena raraunga i te wa e mahi ana te taputapu.Ko nga hongere ararere whakapae me te poutū kua tapaina he hononga haupae me te poupou i roto i te whatunga tohu o roto e hono ana i nga poraka arorau me nga rohe mahara.Ko nga huānga whakauru me te whakaputa ka tuu ki nga taha o waho o te taputapu, ka hangaia te atanga hiko i waenga i te arorau o roto me nga titi o waho.Ko nga ara honohono-a-rohe i roto i ia poraka raupapa arorau ka taea e nga huānga arorau tata ki te whakawhiti tohu tere, i te mea ko te hanganga ararere nui ka tohatoha tohu puta noa i te huinga katoa ka taea te papatono.

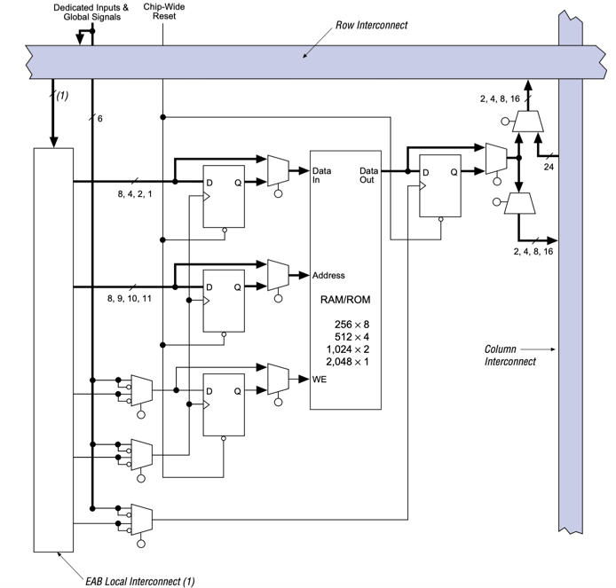
Ko te hanganga mahara kei roto i te raupapa ka taea te whakahoahoa he Poraka Huanga Whakauru e whakarato ana i te rokiroki i roto i te papanga FPGA.Ka tautokohia e te poraka nga rahi o te mahara ka taea te whirihora tae atu ki te 256 × 8, 512 × 4, 1,024 × 2, me te 2,048 × 1, ka taea te whakarite i te whanui me te hohonu o te raraunga i runga i te hoahoa.Ko te whakauru raraunga, te whakaputanga raraunga, te kowhiringa wahitau, me te tuhi ka taea e nga ara te hono i te pūtau mahara ki te arorau huri noa i roto i nga rehita o roto me te mana whakahaere maha.Ko nga raina honohono-a-rohe e arai ana i nga tohu mai i nga poraka raupapa arorau tata ki te atanga mahara, ko nga hongere honohono rarangi me te pou e hono ana i te poraka ki te whatunga ararere whanui puta noa i te taputapu.Ko nga huarahi whakauru motuhake me nga tohu mana whakahaere o te ao e whakahaere ana i te waa me te tukutahi kia taea ai te uru atu nga raraunga rongoa e nga huānga arorau ka taea te whakarite i roto i te FPGA.
Ka taea e te taputapu te whakahaere i nga mahi whakahaere mamati i roto i nga taputapu aunoa.Ma te arorau ka taea e nga kaihoahoa punaha te whakatinana i te mana o te waa, te tukatuka puoro, me te ruruku a te kaiwhakatere i roto i nga miihini ahumahi me nga punaha whakaputa.
Ko nga rauemi arorau whakauru me te mahara o roto ka taea e te taputapu te tautoko i te raweke tohu me nga mahi tātari.Ka taea te whakamahi i roto i nga punaha e tukatuka ana i nga roma raraunga kua whakatauirahia, me puta nga mahi matihiko i roto i nga waahanga wa matapae.
He maha nga wa e hiahia ana nga taputapu korero ki te arorau whirihora hei whakahaere i te whakahaere kawa me te ararere tohu.Ka taea e te taputapu te ruruku i nga huarahi raraunga i waenga i nga hongere korero me nga waahanga tukatuka mamati i roto i nga taputapu whatunga.
Ka kohia e nga punaha ine hiko nga tohu mai i nga pukoro maha ka huri ki nga awa raraunga mamati.Ka taea e te taputapu te whakahaere i te wa tohu, te aukati, me te mana atanga i roto i nga punaha e whakamahia ana mo te aro turuki me te ine.
Ko nga taputapu atanga whatunga e whakamahi ana i te arorau ka taea te whakarite hei whakahaere i nga paatete me te ruruku tohu o roto.Ka taea e te taputapu te whakarite i nga huarahi raraunga i waenga i nga waahanga tukatuka me nga atanga korero o waho.
He maha nga wa ka whakamahia e nga punaha whanaketanga nga taputapu arorau ka taea te mahi ki te whakamatautau me te arotake i nga hoahoa ara iahiko mamati.Ma te taputapu ka taea e nga miihini me nga kaiwhakawhanake te manatoko i te whanonga o te punaha i mua i te mahi hoahoa ki te whakatinana i nga taputapu.
• Ko te tatau titi I/O teitei ka taea te hono ki te maha o nga waahanga o waho i roto i nga punaha uaua
• Te maha o nga huānga arorau ka taea te whakatinana i nga iahiko arorau matihiko
• Ka tautokohia e te RAM kua whakauruhia te whakamarumaru raraunga o roto me nga mahi mahara
• Ko te hoahoanga ka taea te whakarereke i te hoahoa me te kore e whakarereke i te tahora taputapu
• Kei te tautoko te mokete FBGA o te maunga ki te whakaurunga o te poari ara iahiko kiato
• He pai mo te whakatere taputapu ritenga me te tukatuka arorau whakarara
• Me hiahia taputapu whanaketanga FPGA motuhake me te mohiotanga hoahoa taputapu
• He nui ake te kohi hiko ka whakatauritea ki nga taputapu arorau iti ka taea te whakarite
• Ko te whanau FPGA tawhito he iti ake te kaha ki te whakarite ki nga hoahoanga FPGA hou
• He uaua te whakawhanaketanga me te mahi patuiro mo te hunga timata
| Nama Wahi | Kaihanga | Nga waahanga matua | Whakamahia te Take/Tuhipoka |
| EPF10K30AFC484-2 | Intel | He mema o te whanau FLEX-10KA FPGA me te tata ki te 1,728 huānga arorau me te 12,288 moka o te RAM whakauru.Ka whakarato ki te 246 I/O titi me te tautoko i te awhe tuku 5 V.Ma te taputapu ka taea e nga kaihoahoa te whakatinana i nga mahi arorau matihiko ka taea ki roto i te iahiko whakauru kotahi. | Ka whakamahia i roto i nga punaha whakahaere ahumahi, taputapu waea, me nga papaaho rorohiko kua whakauruhia ki reira ka hiahiatia te arorau whirihora mo te tukatuka mamati ritenga. |
| EPF10K30AFC484-3 | Intel | Ko te taputapu FPGA i runga i te hoahoanga FLEX-10KA me nga poraka arorau ka taea te whakarite, nga rauemi RAM o roto, me te atanga tatau-titi teitei.Ka taea e nga kaihoahoa te whirihora iahiko mamati me te kore e whakaputa i te ASIC ritenga. | He maha nga wa e whakamahia ana i roto i nga taputapu whakawhitiwhiti korero, nga papa tukatuka tohu, me nga punaha mamati tauira e hiahiatia ana te ngawari o nga taputapu i te wa o te whanaketanga. |
| EPF10K30AFC484-3 | Altera | Ko te taputapu arorau ka taea te whakarite kiato teitei mai i te raupapa FLEX-10KA e whakakotahi ana i nga pūtau arorau ka taea te whirihora, paraka mahara kua whakauruhia, me nga rauemi ararere ngawari.Ka tautoko te hoahoanga i nga hoahoa matihiko uaua me te kaha o te keeti nui. | E tika ana mo nga punaha waea, nga taputapu tukatuka whakauru, me nga papa whakahaere mamati ritenga ka whakakapihia e te arorau ka taea te whakahotaka nga iahiko taputapu. |
Ko Altera he kamupene semiconductor e mohiotia ana mo te hoahoa i nga taputapu arorau ka taea te whakamahi i roto i nga punaha hiko mamati.I whakawhanakehia e te kamupene te whānuitanga o nga huinga kuaha ka taea te whakamahere me nga waahanga arorau ka taea te whakamahi i roto i nga whakawhitiwhiti korero, rorohiko, taputapu ahumahi, me nga papaa whakauru.Ko ona hua ka taea e nga kaihoahoa te hanga iahiko mamati ritenga ka taea te whirihora ano i muri i te hanga.He maha nga whanau arorau ka taea e Altera te whakauru mai, tae atu ki nga taputapu MAX, FLEX, me Stratix i whakamahia nuitia ki te hoahoa hiko.I muri mai ka uru te kamupene ki te Intel, kei reira tonu te whakawhanaketanga o tana hangarau arorau ka taea te hanga mo te tukatuka raraunga, nga punaha whatunga, me nga papaa mamati kua whakauruhia.
Ma te mohio ki te EPF10K30AFC484-1 ka awhina koe ki te kite me pehea e taea ai e te arorau papatono te whakangawari i nga punaha matihiko uaua.Ka whakakotahihia e tenei taputapu nga huānga arorau ka taea te whirihora, te mahara o roto, me te ararere ngawari kia taea ai e koe te hanga i nga mahi arorau ritenga ki roto i te waahanga kotahi.I kite ano koe me pehea tana hanganga kete, hoahoanga taputapu, me nga poraka mahara kua whakauruhia ki te tautoko i nga nekehanga raraunga pono puta noa i tetahi ara iahiko.Ko ana tono ka horahia te mana ahumahi, te tukatuka tohu, nga taputapu korero, me te tauira tauira.Ma te arotake i ona ahuatanga me te hanganga hoahoa, ka marama ake to whakaaro me pehea e taea ai e tenei FPGA te tautoko i te whanaketanga o te punaha hiko.
Tena koa tukuna mai he uiui, ka whakautu wawe taatau.
Ko te EPF10K30AFC484-1 he rarangi kuaha ka taea e te mara ka taea iahiko arorau matihiko hei whirihora i muri i te whakaurunga o te taputapu he punaha.
Ka tautokohia e te taputapu ki te 246 te whakaurunga me te whakaputanga ka taea nga hononga e taea ai te whakawhitiwhiti korero me nga waahanga o waho i roto i a taiawhio.
Ka mahi te taputapu i roto i te awhe ngaohiko tuku mai i te 4.75 V ki te 5.25 V, e hono ana ki te maha o nga punaha hiko mamati.
Kei roto i te taputapu nga poraka mahara kua whakauruhia e whakarato ana i nga moka 12,288 o te rokiroki mo te whakamaarama raraunga me te tautoko i nga mahi arorau o roto.
He maha nga wa e whakamahia ana i roto i nga punaha whakahaere ahumahi, korero nga taputapu, nga taputapu tango raraunga, me te tauira o te punaha mamati tüäpapa.
i te 2026/03/13
i te 2026/03/13
i te 8000/04/18 147757
i te 2000/04/18 111934
i te 1600/04/18 111349
i te 0400/04/18 83719
i te 1970/01/1 79508
i te 1970/01/1 66900
i te 1970/01/1 63017
i te 1970/01/1 63010
i te 1970/01/1 54081
i te 1970/01/1 52120