
Ko te S29GL256N11FFI020 he taputapu mahara flash 256 Mbit NOR e whakamahia ana mo te waehere me te rokiroki raraunga i roto i nga punaha hiko whakauru.Ka mahi mai i te awhe tuku 2.7 V ki te 3.6 V me te whakawhitiwhiti korero ma te atanga whakarara e tautoko ana i te uru raraunga moka 8, moka 16 ranei.Kua whakaritea te mahara ki te 32M x 8, 16M x 16 ranei, ka taea te hono ngawari ki nga kaiwhakahaere me nga tukatuka.Ko te wa uru 110 ns e tautoko ana i nga mahi panui pono i roto i te rokiroki firmware me nga mahi mahara whawhai.Ka whakamahia e te taputapu he putea FBGA 64 paoro kiato i hangaia mo nga papa taiawhio o te mata me te mahi pumau puta noa i nga tikanga pāmahana ahumahi.
Kei te rapu mo S29GL256N11FFI020?Whakapaa mai ki a maatau ki te tirotiro i nga taonga o naianei, te wa arahi, me te utu.

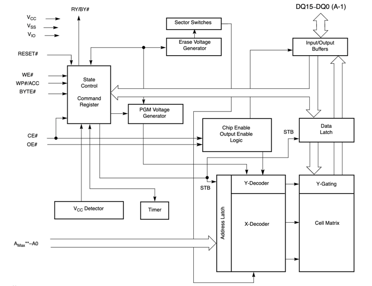
Ko te whakatakotoranga poi momo matiti e whakarite ono tekau ma wha nga poi whakarewa i roto i te waru ki te waru matrix kua tapaina mai i te A ki te H me te 1 ki te 8, e tautuhi ana i nga tohu hononga hiko kei te taha o raro o te kete ka mau ki te papa iahiko.Ko nga rarangi wahitau kua tapaina A0 ki te A23 ka puta puta noa i nga waahi maha hei tautoko i te whakatika mahara mo te raupapa kohiko o roto.Ko nga titi Raraunga DQ0 ki DQ15 e whakarato ana i te atanga raraunga whakarara hei whakawhiti korero i waenga i te taputapu me te kaiwhakahaere o waho.Ko nga tohu whakahaere tae atu ki te CE#, OE#, WE#, RESET#, BYTE#, me te WP#/ACC te whakahaere i te uru mahara, te kowhiringa taputapu, te tuhi mahi, me nga momo whirihoranga.Ko nga hononga hiko VCC, VIO, me te VSS te tuku ngaohiko whakahaere me te tohutoro whenua mo te taputapu.He maha nga tuunga kua tohua ki te NC e tohu ana i nga poi kore whakamahia e noho kore hiko ana i roto i te whakatakotoranga kete.



Ka whakaratohia e te taputapu te 256 Mbit o te NOR flash rokiroki e pupuri ana i nga raraunga ina tangohia te hiko.Ma tenei kaha ka taea e te firmware, te waehere whirihoranga, me nga raraunga punaha te pupuri tonu ahakoa ka weto te taputapu.He pai mo nga punaha whakauru e hiahia ana ki te rokiroki i nga papatono i roto i nga huringa hiko.
Ka whakawhitiwhiti te mahara ma te pahi raraunga whakarara e tautoko ana i te 16 bit, 8 bit ranei te whakawhiti raraunga.Ma tenei whakaritenga ka taea e nga kaitoro me nga kaiwhakahaere te uru tere me te tika ki nga raraunga rongoa.Ko te hanganga whakarara e tautoko ana i te wa rite me te whakawhitiwhiti korero me te arorau o waho.
Ka taea te uru ki te mahara 32M ki te 8, ki te 16M ki te 16 ranei i runga i te whirihoranga o te punaha.Ma tenei ngawari ka taea e nga kaihoahoa te whakataurite i te taputapu me nga whanui raraunga tukatuka rereke.Ko te tohu mana BYTE ka taea te huri i waenga i nga momo raraunga hei tautoko i nga momo papaa whakauru.
Ko te wa whakauru mo te 110 ns ka taea e te taputapu te whakautu tere ki te panui i nga tono.Ko tenei tere whakautu e tautoko ana i te mahi firmware me nga mahi whawhai punaha e hiahiatia ana te wa mahara.
Ka mahi te taputapu puta noa i te awhe pāmahana mai i te kino 40 nga nekehanga Celsius ki te 105 nga nekehanga Celsius.Ma tenei awhe ka taea e te mahara te mahi i roto i nga taiao e wheako ana i te rereketanga o te waiariki penei i nga taputapu ahumahi me nga punaha hiko o waho.
Ka taea te ūkui takitahi ngā rāngai pūmahara Flash, kaua ki te whakawātea i te huinga pūmahara katoa.Ma tenei hoahoa ka taea e nga whakahou firmware te whakarereke i nga waahi kua tohua anake i te wa e tiakina ana te toenga o nga raraunga kua penapena.
Ko te arorau mana o roto e whakahaere ana i nga kaupapa me te whakakore i nga raupapa.Ka whakatauhia e te taputapu te waa me nga ngaohiko o roto e hiahiatia ana mo enei mahi na reira me tuku noa e te kaiwhakahaere o waho nga tohutohu whakahau.
Ko te mahara kei roto i te tahora BGA kiato 64 poi whakakaha te ine tata ki te 13 mm ki te 11 mm.Ka tautokohia e tenei kete te whakahiato o te mata, ka taea te whakamahi pai i nga waahi papa i roto i nga hoahoa ara iahiko.
| Huanga Hua | Uara Huanga |
| Kaihanga | Roa (Cypress Semiconductor) |
| Tuhia te Wā Porohita - Kupu, Whārangi | 110 ns |
| Ngaohiko - Tuku | 2.7V ~ 3.6V |
| Hangarau | Kohiko - KORE |
| Mōkī Pūrere Kaiwhakarato | 64-FBGA (13x11) |
| Rangatū | GL-N |
| Mōkī / Take | 64-LBGA |
| Mōkī | Te nuinga |
| Te Waahi Mahi | -40°C ~ 105°C (TA) |
| Momo Whakaeke | Maunga Mata |
| Momo Mahara | Kore-Kore |
| Rahi Mahara | 256 Mbit |
| Whakahaere Mahara | 32M x 8, 16M x 16 |
| Atanga Mahara | Whakarara |
| Hōputu Mahara | Kohiko |
| Tau Hua turanga | S29GL256 |
| Wā Uru | 110 ns |
| Tūnga RoHS | ROHS3 Whakariterite |
| Taumata Makuku (MSL) | 3 (168 haora) |
| Tūnga REACH | Kaihoko Kaore i Tautuhia |
| ECCN | 3A991B1A |
| HTSUS | 8542.32.0071 |

Ko te hoahoanga mahara o roto he whakarite i te taputapu huri noa i te matrix pūtau uira e hono ana ki te haupae me te pourangi wetewaehere arorau e kowhiri ai i nga waahi mahara motuhake i te wa e panui ana, e hotaka ana, e ūkui ana ranei.Ko nga tohu Wāhitau Amax ki te A0 ka mauhia e te raka wahitau ka anga atu ki te X-decoder me te Y-decoder, e whakahaere ana i te uru ki roto i te huinga mahara.Ka neke nga raraunga i waenga i te rarangi me nga raina DQ15-DQ0 o waho ma roto i nga ara iahiko Y-gating, he raka raraunga, me te whakaurunga me te whakaputanga parepare e whakahaere ana i te rerenga raraunga ararua.Ko nga whakaurunga whakahaere tae atu ki te CE#, OE#, WE#, RESET#, WP#/ACC, me te BYTE# ka whakamaoritia e te rehita whakahau me te poraka mana whenua hei whakarite i nga mahi taputapu.Ka whakaratohia e nga kaihanga ngaohiko ngaohiko ngaohiko a-roto e hiahiatia ana mo te tuhi me te whakakore i nga pūtau kohiko, i te wa e huri ana te rangai i enei ngaohiko ki nga rohe mahara kua tohua.Ko etahi atu poraka tautoko penei i te kaitahuri VCC me te ara iahiko taima ka aro turuki i nga tikanga hiko me te whakarite i te waa mahi kia mau tonu te uru mahara.

Ko te tohu taputapu tapawhā e whakarite ana i nga hononga atanga o waho e whakamahia ana e te mahara flash i te wa e mahi ana te punaha.Ko nga whakaurunga wahitau kua tapaina A23 ki te A0 e whakarato ana i nga rarangi wahitau e rua tekau ma wha ka kowhiri i nga waahi mahara ki roto i te taputapu.Ko nga titi raraunga ararua kua tapaina DQ15 ki DQ0 te paahi raraunga whakarara, e tautoko ana i te tekau ma ono bit, waru bit ranei te whakawhiti raraunga i runga i te whirihoranga BYTE#.Ko nga tohu whakahaere tae atu ki te CE #, OE #, me te WE # te whakahaere i te kowhiringa taputapu, te whakaputa ka taea, me te tuhi mahi.Ko etahi atu whakaurunga mana penei i te RESET#, WP#/ACC, me te BYTE# te whakahaere i te tautuhi taputapu, te whakamaru tuhi, me te whirihoranga whanui raraunga.Ka tukuna e Vio te ngaohiko atanga whakauru me te whakaputanga, ko te tohu RY/BY# he whakaputa mana e tohu ana i te wa e kaha ana te hotaka o roto, te whakakore ranei i nga mahi.
He maha nga wa e rapua ana e nga kaitukatuka whakauru he waahi pono ki te penapena i te waehere whawhai me te miihini whakahaere.Ka whakaratohia e tenei taputapu he putunga putunga kore e taea e te punaha te uta i ana tohutohu i muri tonu i te tono hiko.
Ka whakamahia e nga kaiwhakahaere ahumahi te mahara flash o waho ki te penapena i nga kaupapa whakahaere me nga raraunga whirihoranga.Ka tautoko te taputapu i enei punaha ma te whakarato i te pupuri raraunga pumau me te uru mahara matapae puta noa i te whānuitanga o te pāmahana.
Ko nga pouara, nga whakawhiti, me nga waahanga korero e hiahia ana ki te pupuri i te waehere whawhai me te whirihoranga punaha.Ka whakaratohia e te taputapu te kaha rokiroki e hiahiatia ana hei pupuri i te firmware me nga tawhā whakahaere e waatea ana i te wa e whakaoho ana te taputapu.
He maha nga wa e whakawhirinaki ana nga waahanga hiko o te waka ki te mahara kohiko ki te penapena i te punaha rorohiko me nga raraunga whakatika.Ka tautokohia e te taputapu tenei whakamahinga ma te whakarato i nga mahi pumau puta noa i nga ahuatanga o te pāmahana roa i roto i nga taiao waka.
Ko nga taputapu mamati penei i nga taputapu pāpāho me te hikohiko o te kaainga ka whakamahi i te mahara kohiko o waho hei pupuri i nga rorohiko whakahaere me nga raraunga whirihoranga.Ma te mahara ka taea e enei punaha te uta tere i nga punaha i te wa e whakaoho ana.
He maha nga punaha microcontroller e whakawhirinaki ana ki waho NOR flash mo nga mahi whawhai ina he iti te kaha o te mahara o roto.Ka whakaratohia e te taputapu te taima panui ka taea e nga kaiwhakahaere te uta i nga tohutohu hotaka i te wa e arawhiti ana te punaha.


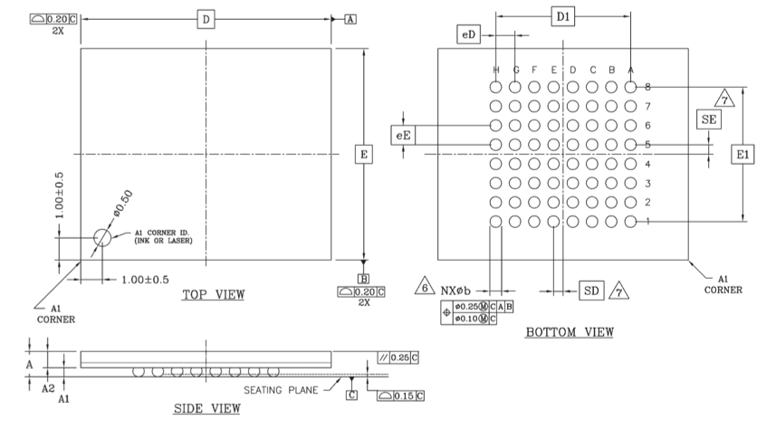
Ka tautuhia e te whakatakotoranga o te kete te hanganga tinana me te hangahanga whakapuru o te kete BGA 64-poi whakakaha e whakamahia ana e te taputapu.Ko te tirohanga o runga e whakaatu ana i te whakahuahua tinana tapawha te ine tata ki te 13.00 mm ki te 11.00 mm me te tohu kokonga A1 hei tohu i te takotoranga o te kete i te wa e huihui ana te poari.Ko te tirohanga o raro e whakaatu ana i te whakaritenga matiti poroporo e ono tekau ma wha nga poi konuhono kua whakaritea i roto i te waru ki te waru matrix, kua tapaina puta noa i nga rarangi me nga pou hei arahi i te tuunga ki runga i te papa taiawhio.Ko te papa o te poi i roto i nga ahunga whakapae me te poutū kua tohua kia tata ki te 1.00 mm, i te mea ko te porowhita takitahi he diameter mai i te 0.50 mm ki te 0.70 mm.Ko te tirohanga taha e whakaatu ana i te hanganga poutū o te kete tae atu ki te matotoru o te tinana, te teitei o te poi whakakorikori, me te rererangi nohoanga e whakamahia ana hei pupuri i te mokowhiti tika i waenga i te taputapu me te mata PCB i te wa o te whakapiri.Ko te ripanga rahinga e whai ake nei e whakarato ana i nga whakaahuru tau me nga inenga tohutoro e whakaatu ana i te rahi o te tinana, te mokowhiti poi, me te teitei o te kete e whakamahia ana mo te hoahoa tapuwae tika me te whakauru miihini.
• Te kaha rokiroki 256-Mbit nui e tika ana mo te firmware me te rokiroki waehere
• Hangarau NOR flash pono e tuku ana i nga mahi waehere tika
• Te wa uru tere e tautoko ana i nga tukanga whawhai punaha
• Te awhe pāmahana whakahaere whanui e tika ana mo nga taiao ahumahi
• Ka taea e te atanga whakarara te whakawhitiwhiti mahara mau tonu me te matapae
• Ko te mahara kore-kore e pupuri i nga raraunga ahakoa ka tangohia te mana
• Ko te putea FBGA kiato e tautoko ana i nga hoahoa PCB mokowhiti
• Ko te atanga mahara whakarara e hiahia ana kia nui ake nga titi me te ararere poari ka whakaritea ki te flash rangatū
• He nui ake te kohi hiko ina whakaritea ki etahi otinga kohiko rangatū hou
• He nui ake te rahi o te kete i nga taputapu mahara flash SPI iti
• He puhoi ake nga mahi whakahoahoa me te whakakore ki te mahara ki te RAM
| Nama Wahi | Kaihanga | Nga waahanga matua | Whakamahia te Take/Tuhipoka |
| S29GL256N11FFA020 | Whakanuia | 256 Mbit parallel NOR flash memory mai i te whanau GL-N i hangaia mo te rokiroki raraunga pono-kore.E tautoko ana i te urunga panui matapōkere tere me te mahi i roto i te awhe tuku 2.7 V ki te 3.6 V.Ka whakamahia e te taputapu he putea FBGA 196-porooro e tika ana mo nga papa taiawhio kiato. | E whakamahia nuitia ana i roto i nga taputapu whatunga, nga pūtukatuka whakauru, me nga kaiwhakahaere ahumahi e tika ana kia penapenahia, kia tere te uru atu. |
| S29GL256N11FFA020 | Hangarau Infineon | Ko te mahara kohiko NOR kiato teitei i hangaia mo nga punaha e hiahia ana ki te uru raraunga whakarara.Ka pupuri i te waehere hotaka me nga raraunga whirihoranga kaore he hiko me te whakarato i nga mahi panui pumau mo te miihini whakauru. | Ka whakamahia i roto i nga taputapu whakawhitiwhiti korero, nga papa automation ahumahi, me nga taputapu whakahaere whakauru e hiahia ana ki te rokiroki pono. |
| S29GL256N11FFIS40 | Hangarau Infineon | Ko te mahara flash Parallel NOR i hangaia mo te rokiroki firmware kua whakauruhia me te kete VQFN 64-titi kiato me te papa e kitea ana mo te pai ake o te mahi waiariki.Ka tautokohia te mahi pāmahana ahumahi me te pupuri raraunga pono. | E tika ana mo nga hoahoa whakauru nui penei i te hikohiko ahumahi, nga waahanga korero, me nga punaha whakahaere e hiahia ana ki te mahara kore-kore. |
Ko te Spansion he kamupene semiconductor e mohiotia ana mo te whakawhanake i nga hua mahara rama e whakamahia ana i roto i nga punaha whakauru me nga taputapu hiko.I arotahi te kamupene ki nga hangarau hiko NOR me te NAND i hangaia mo te rokiroki waehere me te pupuri raraunga i roto i nga taputapu ahumahi, motuka, me te whakawhitiwhiti korero.Kei roto i tana kopaki hua nga taputapu mahara flash whakarara me te rangatū e whakamahia ana mo te rokiroki firmware, te waehere whawhai punaha, me nga raraunga whirihoranga.I muri mai ka uru a Spansion ki te Cypress Semiconductor, i whakawhänuihia ana hangarau mahara rama ki roto i te kopaki whanui o nga microcontrollers, hua mahara, me nga waahanga honohono e whakamahia ana i roto i nga punaha hiko whakauru.
Ko te S29GL256N11FFI020 e tuku ana i tetahi huarahi whaihua ki te penapena i te maru me nga raraunga punaha i roto i te hikohiko kua whakauruhia.Ka whiwhi koe i te 256 Mbit o te mahara flash NOR e pupuri ana i nga korero kia noho haumaru ahakoa ka tangohia te hiko.Ko tana atanga whakarara e taea ai e nga kaiwhakahaere te uru atu ki nga raraunga rongoa me te wa e matapae ana, e awhina ana i nga punaha kia tiimata tika.E tautoko ana te kete FBGA kiato i nga whakatakotoranga mokowhiti mokowhiti.Ma te kaha ki te whakakore i te waahanga me te mahi pumau puta noa i te whānuitanga o te pāmahana, ka uru te taputapu ki te maha o nga whakamahinga ahumahi me te whakauru.Mena ka hiahia koe ki te rokiroki tuuturu, ka whakaratohia e tenei taputapu mahara he otinga rite.
Tena koa tukuna mai he uiui, ka whakautu wawe taatau.
He taputapu mahara NOR flash e pupuri ana i nga raraunga kaore he hiko ka taea te uru ki te panui tika mo te firmware me te waehere whawhai.
Ka tukuna e te taputapu te 256 Mbit o te kaha mahara, ka taea te whakarite hei 32M ma te 8, 16M ranei ma te 16 i runga i te whirihoranga pahi raraunga.
Ka whakamahia he atanga whakarara me DQ0 ma DQ15 raina raraunga, ka taea te 8 bit ranei 16 bit te whakawhitiwhiti korero me nga tukatuka o waho.
Ko te maramara kei roto i te whakatakotoranga FBGA 64 paoro e tautoko ana i te huihuinga o te mata o runga i nga papa iahiko kua taia.
Kei te whakamahia nuitia mo te rokiroki firmware, te mahara whawhai punaha, taputapu whakahaere ahumahi, taputapu whatunga, me te whakauru nga punaha hiko.
i te 2026/03/13
i te 2026/03/10
i te 8000/04/18 147758
i te 2000/04/18 111954
i te 1600/04/18 111349
i te 0400/04/18 83725
i te 1970/01/1 79508
i te 1970/01/1 66921
i te 1970/01/1 63078
i te 1970/01/1 63017
i te 1970/01/1 54083
i te 1970/01/1 52147