Ko te CD4050 IC he maramara Hex kua whakamahia e Hex e whakaatu ana i te ono nga pepeke kore-aukati.He mea tino tika mo nga tono penei i te tohu tohu me te hurihanga o te taumata.E kapi ana tenei tuhinga i ona ahuatanga, nga tikanga mahi, te whirihoranga PIN, me nga tono i roto i te ara ngawari, panui.

Te CD4050 Ko te IC hex hex hex hex hex me te ono nga pepeke kore-aukati e hurihuri, e pai ana mo te hurihanga ngaohiko me te whakahoutanga tohu.Ka taea e ia te taraiwa ki te rua ttl, dtl ranei nga taputapu DTL i te wa kotahi, e tuku ana i nga mahi pono me te kohi mana iti.Ko ona kaha o te kaha o te waa e whakarite ana i te maha o nga kawenga, na te mea he pai te whiriwhiri mo nga huringa mamati.
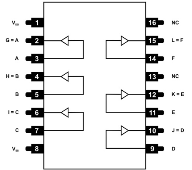
Ko tenei waahanga e whakaatu ana i nga tohu matua me nga tohu o te CD4050 iC, tae atu ki tana huringa whakahaere, te kai o naianei, me nga tohu mahi.
| Parapara | Tautanga |
| Ngaohiko whakahaere | 3V - 15v DC |
| Te kai o naianei (Max) | 50Ma |
| Whakapaa te kaha o naianei | Te totohu o te waa mo te taraiwa 2 ttl uta |
| Taha Taumata-Taumata Taumata-Rawa | 0.5V i te 5V VCC |
| Iti rawa te huringa putanga teitei | 4.95V i te 5V VCC |

| PIN nama | Momo Pin | Whakaahuatanga / aronga |
| 1 | Mūno | Te toha whakauru tika |
| 2 | Pē | Putanga kore-aukati 1 |
| 3 | He | Input 1 |
| 4 | H | Putanga kore-aukati 2 |
| 5 | Pē | Whakauru 2 |
| 6 | Ahau | Putanga kore-aukati 3 |
| 7 | C | Whakauru 3 |
| 8 | Vss | Te toha kino |
| 9 | Pāt | Input 4 |
| 10 | J | Putanga kore-aukati 4 |
| 11 | E | Input 5 |
| 12 | K | Putanga kore-aukati 5 |
| 13 | Nc | Kaore he hononga |
| Rongo 14 | F | Input 6 |
| 15 | L | Putanga kore-aukati 6 |
| 16 | Nc | Kaore he hononga |
Ko te CD4050 IC i hangaia me nga pepeke kore-aukati e mau tonu ana i te tohu whakauru na te mea kaore i te whakarereke i tana ahuatanga arorau.Kaore i rite ki te kaikiri, e tarai ana i te tohu, ka whakatauhia e te kaikorero kore-aukati te putanga ki te putanga.Ko tana kaupapa matua ko te whakapakari i te tohu, te whakaputa i te tino tiketike, iti ranei i te putanga.

Kei ia kaiutu i roto i te IC he whakauru kotahi me te putanga kotahi.Ko te putanga he rite tonu ki te whakauru, ko te whakarite kia pai te tono i te mea e tika ana kia tiakina te pono.Ka taea hoki e enei kaieke te whakauru i te waa taapiri paku, ka taea te whai hua ki nga hoahoa aratohu motuhake.
Ko te hanganga o roto o te CD4050 IC kei roto e ono nga kaiutu kore-aukati, ka hono ki nga whakauru whakauru me nga titi.Ko te whakapakoko i raro nei e whakaatu ana me pehea e whakarite ai enei kaarai i roto i te iC ka whakaatu i o raatau hononga ki nga titi e tika ana.Hei tauira, ka tono te tohu ki te whakauru i te (Pin 3), ka rite te putanga ki G (Pin 2).Waihoki, whakauru b e pa ana ki te putanga h, Input C ki te whakaputa i a au, me era atu.

Ko te whanonga tonu tenei e whakarite ana ko nga tohu tohu a te Mini-a-nui i runga i ona putanga kaore he whakarereketanga ki o raatau whakaaro.
Ko te teepu i raro nei e whakaatu ana i te tepu pono mo te ic, te whakaū i te putanga tonu o te putanga ki te whakauru.Ahakoa he tiketike, he iti, he iti ranei te whakaputanga e whakaatu ana i te ahua kotahi, kia pai ai te noho pono.
| Tohu Whakauru (A, B, c, d, e, f) | Tohu Putanga (g, h, I, J, K, l) |
| Teitei | Teitei |
| Pāpaku | Pāpaku |
• Whakaoranga
• pdip
• CDIP
Ko te CD4050 iC ka whakamahia hei whakatikatika i nga tohu mai i te teitei ake ki te whakaheke i nga taumata ngaohiko, kia taea ai te whakariterite i waenga i nga waahanga e whakahaere ana i nga waahanga rereke.
Ko tenei mahi hex hei kaiwhakahuri hex, te tuku i te hononga maeneene i waenga i nga whanau DTL me te TTL arorau, te whakahaere i nga tohu maha me te ngawari.
Ka taea e te CD4050 te mahi hei putunga o naianei, he puna ranei, hei whakarite i te rere o naianei ki te pei i nga kawenga maha i roto i nga punaha CMOS.
Ko te tauira 2D o te IC kore-aukati, e whakaatuhia ana i raro nei, kei roto i ona rahinga i roto i nga millimeter e rua me nga inihi.He awhina tenei korero mo te hanga i nga tapuwae ritenga me te pai mo te whakamahi i roto i te hoahoa PCB me te whakatauira a CAD.

Tena koa tukuna mai he uiui, ka whakautu wawe taatau.
i te 2024/12/20
i te 2024/12/20
i te 8000/04/18 147757
i te 2000/04/18 111931
i te 1600/04/18 111349
i te 0400/04/18 83719
i te 1970/01/1 79508
i te 1970/01/1 66886
i te 1970/01/1 63010
i te 1970/01/1 62984
i te 1970/01/1 54081
i te 1970/01/1 52108