
Ko te EPF8282AVTC100-4 he taputapu arorau ka taea te whakamahi hei whakatinana i nga iahiko matihiko i roto i nga punaha hiko.No te whanau arorau ngawari e taea ai e nga kaihoahoa te whirihora i nga poraka arorau o roto me nga huarahi ararere ki te whakataurite i nga mahi whakahaere, mahi tukatuka ranei.He maha nga huānga arorau kei roto i te taputapu kua whakaritea i roto i nga poraka raupapa arorau me te tautoko ki te 78 nga hononga whakauru me te whakaputanga mo te whakawhitiwhiti korero me nga iahiko huri noa.Ko tana hanganga ararere o roto ka taea e nga tohu te neke i waenga i nga poraka arorau ma nga huarahi ka taea te whakarite.Ka mahi te taputapu mai i te toha 5 ngaohiko paerewa, ka kohia ki roto i te puka TQFP 100 titi kiato mo nga papa taiawhio kua mau ki runga.
Kei te rapu EPF8282AVTC100-4?Whakapaa mai ki a maatau ki te tirotiro i nga taonga o naianei, te wa arahi, me te utu.
Ka whakamahia e te taputapu he hanganga arorau ka taea te whakarite e taea ai te tautuhi iahiko mamati ma te raraunga whirihoranga.Ko nga huānga arorau kei roto i te maramara ka taea te whakarite ki te whakahaere i nga mahi whakahaere, nga mahi wa, me nga mahi tukatuka raraunga i roto i te iahiko whakauru kotahi.
Kua whakarōpūhia nga huānga arorau ki roto i nga poraka raupapa arorau e hanga ana i te hanganga taketake o te taputapu.Ka tohatohahia e ia poraka nga rauemi ararere rohe e tohatoha ana i nga tohu i waenga i nga huānga, ka taea te whakarite i nga mahi arorau i roto i te poraka.
He whatunga ararere kua hangai e hono ana i nga poraka arorau puta noa i te taputapu.Ko nga huarahi tohu whakapae me te poutū ka taea e nga huānga arorau o nga rohe rereke te whakawhiti raraunga ma nga hononga ka taea te whakarite.
Ka tautokohia e te taputapu ki te 78 nga titi whakauru me nga titi whakaputa e hono ana i nga tohu arorau o roto ki nga iahiko o waho.Ko enei hononga ka taea e te hanganga arorau ka taea te whakawhitiwhiti korero me nga pūoko, pūtukatuka, me nga iahiko mana mamati.
Ko te kawe hononga i waenga i nga huānga arorau ka taea te whakahaere tika i nga mahi tatau penei i te taapiri me te tatau.Ka awhina enei huarahi kawe ki te pupuri i te rere tohu matapae ina whakatinanahia te arorau tatau.
Ko te hanganga o roto e tautoko ana i te 2500 nga keeti arorau rite.Ma tenei kaha ka taea e te taputapu te whakauru i te arorau mana, nga iahiko whakahaere raraunga, me te arorau atanga i roto i nga punaha hiko kiato.
Ka mahi te taputapu i roto i te awhe ngaohiko tuku mai i te 4.75 volts ki te 5.25 volts.Ma tenei awhe ka taea e ia te mahi me nga punaha mamati noa e whakamahi ana i nga reera hiko 5 volt.
Ko te maramara kua whakaemihia ki te whakatakotoranga TQFP 100 titi i hangaia mo te whakairinga mata ki runga i nga papa iahiko kua taia.Ka tautokohia e tenei kete nga whakatakotoranga papa kiato i te wa e tuku uru ana ki nga hononga whakaurunga me nga hononga whakaputa maha.
| Huanga Hua | Uara Huanga |
| Kaihanga | Intel |
| Ngaohiko - Tuku | 4.75V ~ 5.25V |
| Mōkī Pūrere Kaiwhakarato | 100-TQFP (14x14) |
| Rangatū | FLEX 8000 |
| Mōkī / Take | 100-TQFP |
| Mōkī | Paepae |
| Te Waahi Mahi | 0°C ~ 70°C (TA) |
| Te maha o nga huānga arorau/nga pūtau | 208 |
| Te maha o nga LAB/CLB | 26 |
| Tau o I/O | 78 |
| Te maha o nga keeti | 2500 |
| Momo Whakaeke | Maunga Mata |
| Tau Hua turanga | EPF8282 |
| Taumata Makuku (MSL) | 3 (168 haora) |
| ECCN | 3A001A2A |
| HTSUS | 8542.39.0001 |

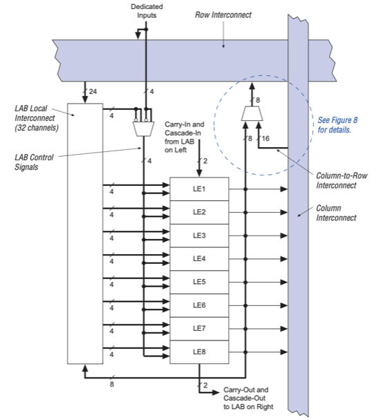
He mea hanga huri noa i te matiti o nga poraka raupapa arorau e honoa ana e nga hongere ararere whakapae me te poutū, ka whakarite te hoahoanga FLEX 8000 i nga rauemi arorau ka taea te whakarite puta noa i te taputapu.He maha nga huānga arorau kei ia poraka raupapa arorau e whakatinana ana i nga mahi matihiko ka taea te whirihora me te penapena tohu takawaenga.Ko nga raina honohono FastTrack ka rere puta noa i te hanganga, ka hanga i te whatunga ararere matua e hono ana i nga poraka arorau puta noa i te maramara.Ka puta nga huānga whakauru me te putanga ki nga taha o waho, e whakarato ana i te atanga i waenga i nga tohu arorau o roto me nga titi taputapu o waho.Ma tenei whakaritenga ka taea e nga tohu te haere i waenga i nga poraka arorau me nga hononga I/O na roto i nga huarahi ararere ka taea te horahia puta noa i te whakatakotoranga o roto.

Ko te hanganga o roto kei runga i te poraka hurangi arorau e whakarōpū ana i nga huānga arorau e waru kua tapaina ko LE1 ki te LE8, he mea whakarite poutū ki te hanga i tetahi wae arorau ka taea.Ka uru nga tohu ma roto i te whatunga honohono rohe kei roto nga hongere ararere maha e tohatoha ana i nga raraunga whakauru me nga tohu whakahaere ki ia huānga arorau.Ko nga whakaurunga i whakatapua ka whangai tika mai i te hono haupae, ka taea nga tohu kua tohua ki te hipa i te whatunga ararere rohe.Ka rere nga ara kawe i roto i nga huānga arorau mai i runga ki raro, e tautoko ana i nga mahi tatau me te hono i nga poraka e tata ana ma nga hononga kawe-mai me te kawe-waho.Ko nga raina honohono haupae me te pou e hono ana i te poraka ki te whatunga ararere whanui ake, e taea ai nga tohu ki te neke i waenga i nga poraka huinga arorau tata puta noa i te taputapu.

Ko te tahora ara iahiko whakamatautau e whakaatu ana i te tatūnga hiko e whakamahia ana hei ine i nga ahuatanga taima AC o nga putanga taputapu.Ko te whatunga parenga e hono ana i te pona whakaputa taputapu ki te tuku me te whenua i roto i te 464 ohm toia ake parenga me te 250 ohm pull down parenga, ka hanga i te ahua o te kawenga.Ko te tohu inenga e hono ana ki tetahi punaha whakamatautau, ko te punga kua tapaina ki te C1 e tohu ana i te katoa o te kaha o te kawenga tae atu ki te puritanga whakauru.Ko nga huringa tohu mai i te taputapu ka haere ma tenei whatunga i te wa e kite ana nga taputapu whakamatautau i nga huringa ngaohiko me te whanonga taima.Ko nga wa piki me te takahanga whakaurunga ka pupurihia i raro i te toru nanohekona hei whakarite i nga ahuatanga whakawhiti i te waa ine.
• Ka taea e te arorau reprogrammable te whakarereke i te hoahoa taputapu me te kore e whakakapi i te taputapu
• Ka tautoko te hoahoanga ngawari ki te whakatinana arorau mamati
• Ko nga rauemi arorau whakakotahi ka whakaiti i te hiahia mo nga waahanga arorau maha
• E tika ana mo te tauira tauira me te whanaketanga punaha matihiko
• Ka tautokohia e te Paerewa mokihi Maunga papaa te huihuinga PCB aunoa
• He iti te kaha arorau ka whakaritea ki nga taputapu FPGA kiato teitei hou
• Ka mahi i runga i te tuku 5 ngaohiko kaore pea e rite ki nga punaha ngaohiko iti hou ake
• Kare pea te awhe pāmahana arumoni e pai ki nga taiao ahumahi
• Ko te mana o te hua tawhito ka whakawhäitihia te wa roa
Ka taea e te kaupapa arorau i roto i te taputapu te ruruku i nga whakaurunga pukoro, nga tohu whakahaere, me nga mahi wa i roto i nga punaha whakahaere ahumahi.Ka taea e nga kaihoahoa te whakakotahi i nga mahi arorau maha ki te taputapu whirihora kotahi.
He maha nga wa e hiahia ana nga taputapu korero ki te arorau mamati e whakahaere ana i te waa tohu me te ararere raraunga.Ka taea e te taputapu te whakamahi i te arorau mana atanga e hono ana i nga kaitoro me nga iahiko korero o waho.
I etahi wa ka hiahiatia e nga punaha whanaketanga he taputapu ngawari hei whakamatautau i nga huringa tukatuka mamati.Ko te hanganga ka taea e nga miihini ki te whakatinana i te arorau tukatuka tohu i te wa e arotake ana i te whanonga ara iahiko.
Ko nga hua hiko kua mau ki te whakamahi i te arorau ka taea te whakarite hei whakahaere i nga mahi mana mamati.Ka taea e te taputapu te whakarite i te wa o te punaha, nga huarahi raraunga, me nga tohu whakahaere taputapu i roto i nga papaapapa taapiri.
He maha nga wa ka hiahiatia e nga hua kaihoko mamati te arorau mana e hono ana i nga punaha iti maha.Ka taea e te taputapu te whakakotahi i te waa, te mana atanga, me nga mahi tukatuka mamati i roto i te waahanga kotahi ka taea te whakarite.
| Nama Wahi | Kaihanga | Nga waahanga matua | Whakamahia te Take/Tuhipoka |
| EPF8282ATC100-4 | Intel | He taputapu arorau ka taea e te whanau FLEX 8000 e whakarato ana i te 2,500 nga keeti arorau ka taea te whakamahi me nga poraka hurangi arorau ka taea te whirihora.Ka mahi me te tuku 5 V me te tuku i te maha o nga titi I/O ka taea te whakarite mo te whakaurunga punaha mamati. | E whakamahia nuitia ana i roto i nga punaha whakahaere whakauru me te arorau atanga me whakakotahi te maha o nga mahi matihiko ki tetahi taputapu ka taea te papatono. |
| EPF8282ATC100-4N | Intel | Ko te taputapu i ahu mai i te hoahoanga FLEX 8000 me nga pūtau arorau ka taea te papatono me nga rauemi ararere whirihora.Ma te hoahoa ka taea e nga miihini ki te whakatinana i nga mahi matihiko maha i roto i te iahiko whakauru kotahi. | He pai mo te arorau kapia, iahiko mana mamati, me nga atanga korero e hiahia ana ki nga taputapu pono ka taea te whakarite. |
| EPF8282AVTC100-3 | Intel | Ko te putanga tere ake o te taputapu arorau EPF8282 e tuku ana i te kaha arorau rite me te pai ake o te waa.Kei roto ko nga poraka arorau ka taea te papatono me nga hononga I/O ngawari mo te hoahoa ara iahiko mamati. | E tika ana mo nga punaha e hiahia ana kia tere ake te tukatuka arorau mamati, tae atu ki nga taputapu korero me nga tono mana kua whakauruhia. |
He kamupene hangarau a Intel e mohiotia ana mo te whakawhanake i nga taputapu semiconductor me nga papaaho rorohiko e whakamahia ana i roto i nga rorohiko whaiaro, nga kaitoro, me nga punaha whakauru.I whakaturia i te tau 1968, ka aro te kamupene ki te hoahoa ara iahiko whakauru, nga miihini miihini, nga taputapu arorau ka taea te whakarite, me nga hangarau tukatuka raraunga.Kei roto i tana kopaki hua ko nga tukatuka, nga waahanga whatunga, nga hangarau mahara, me nga otinga arorau ka taea te whakamahi i roto i te ahumahi, te whakawhitiwhiti korero, me nga taputapu rorohiko.Kua whai waahi a Intel ki te whakawhanaketanga o nga hoahoanga rorohiko matihiko me te tautoko tonu i te whānuitanga o nga hangarau hikohiko e whakamahia ana i roto i nga punaha hiko hou.
Ma te mahi tahi me tetahi taputapu arorau ka taea te mahi pera i te EPF8282AVTC100-4 ka taea e koe te hanga iahiko mamati tika ki roto i te waahanga kotahi.Ka taea e koe te whirihora i ona huānga arorau o roto ki te whakahaere mana, tohu ararere, mahi atanga ranei i roto i nga punaha whakauru.Ko tana hoahoanga FLEX 8000 he whakarite poraka arorau me nga huarahi ararere kia neke nga tohu puta noa i te taputapu i roto i te huarahi hanganga.He maha nga titi whakauru me nga titi whakaputa, ka hono ngawari te taputapu ki nga taputapu huri noa.Kia mohio koe ki tona hanganga me ona ahuatanga, ka kite koe me pehea te tautoko i te mana mamati ngawari i roto i nga momo taputapu hiko.
Tena koa tukuna mai he uiui, ka whakautu wawe taatau.
Ko te EPF8282AVTC100-4 he rarangi kuaha ka taea te whakamaarama iahiko matihiko ki te whirihora i roto i te arorau programmable i roto i te maramara.
No te whanau FLEX 8000 FPGA, e whakarite ana i te kaupapa arorau ki nga poraka hurangi arorau e honoa ana e te whatunga ararere o roto.
Ka tautokohia e te taputapu nga hononga whakauru me te putanga 78, ka taea te whakawhitiwhiti i waenga i nga iahiko arorau o roto me te hikohiko o waho nga waahanga.
Ka tae mai i roto i te kete TQFP 100-pin i hangaia mo te whakairinga mata ki runga i nga papa taiawhio kua taia.
Ka taea te whakamahi i roto i nga punaha whakauru, iahiko mana mamati, atanga korero, me etahi atu hikohiko e hiahia ana arorau matihiko ka taea te whirihora.
i te 2026/03/10
i te 2026/03/10
i te 8000/04/18 147758
i te 2000/04/18 111960
i te 1600/04/18 111349
i te 0400/04/18 83726
i te 1970/01/1 79510
i te 1970/01/1 66929
i te 1970/01/1 63078
i te 1970/01/1 63019
i te 1970/01/1 54086
i te 1970/01/1 52156