
LFSC3GA25E-7F900C he taputapu arorau ka taea te hanga hei tautoko i nga mahi matihiko ka taea te whirihora i roto i nga punaha hiko whakauru.Kei roto i te taputapu he hanganga arorau e pa ana ki te matiti me nga mano o nga huānga ka taea te papatono, nga rauemi mahara o roto, me te maha o nga hononga whakauru me te whakaputanga mo te whakawhitiwhiti korero o waho.Ko tana hoahoanga ka taea te whakatinana i nga iahiko mamati, nga huarahi whakahaere, me nga mahi tukatuka tohu ki roto i te maramara kotahi.Ko nga whatunga ararere whakauru e hono ana i nga poraka arorau me nga waahanga mahara kia taea ai e nga raraunga te neke i roto i te taputapu i roto i te huarahi hanganga.E tautokohia ana te mahi e te awhe tohatanga matua iti me te kohinga tatau titi teitei e tika ana mo nga whakatakotoranga papa matotoru.
Kei te rapu mo te LFSC3GA25E-7F900C.Whakapaa mai ki a maatau ki te tirotiro i nga taonga o naianei, te wa arahi, me te utu.

Ko te whakatakotoranga peeke whakauru me te whakaputanga i whakamahia i roto i te LFSC3GA25E-7F900C FPGA e whakaatu ana me pehea te whakarite a te taputapu i ana rauemi I O ka taea te papatono ki nga rohe ngaohiko maha.E waru nga peeke kua tohatohahia huri noa i te paenga taputapu, kei ia peeke nga hononga kua whakarōpūhia mo te tuku VCCIO, nga whakaurunga ngaohiko tohutoro kua tapaina he VREF, nga titi ngaohiko whakamutu kua tapaina he VTT, me te whenua.Ma tenei hanganga ka taea e ia peeke te whakahaere me nga tikanga hiko motuhake kia taea ai te tautoko i nga paerewa tohu rereke i nga taha motuhake o te taputapu.Ka puta nga poraka atanga SERDES tata ki nga tahataha o runga hei tautoko i nga hongere korero rangatū tere e hono ana ki nga rohe I O tata.Ko te tahora hoki e whakaatu ana i nga titi tohutoro tiritahi me nga hononga hiko e whakaatu ana me pehea te taunekeneke o nga tohu o waho me te arorau o roto ka taea te whakamahere ma roto i te hanganga I O kua putea.



Ka whakauru te taputapu ki te rua tekau ma rima mano nga huānga arorau ka taea te whakarite i roto i te matiti kua whakaritea.Ka taea te whirihora i enei pūtau arorau ki te whakatinana i nga ara mana mamati, te arorau paheko, me nga mahi tatau i roto i nga punaha whakauru.
Ko nga rauemi mahara o roto ka nui ake i te kotahi megabit o te kaha rokiroki mo te aukati raraunga me te tautoko i nga mahi arorau.Ka tohatohahia enei poraka mahara puta noa i te taputapu kia taea ai e nga iahiko arorau te uru ki nga raraunga o te rohe kaore he huarahi ararere roa.
Tae atu ki te toru rau whitu tekau ma waru nga hononga whakauru me nga hononga whakaputa ka taea e te taputapu te taunekeneke me nga puoro, nga atanga korero, me etahi atu waahanga mamati.Ko te hanganga titi e tautoko ana i nga paerewa hiko maha puta noa i nga peeke I O motuhake.
Ka awhina nga poraka whakahaere karaka a-roto ki te tohatoha i nga tohu wa puta noa i te hanganga arorau ka taea te whakarite.Ko enei rauemi ka pupuri i te wa tohu tukutahi kia puta ai nga mahi matihiko i roto i te raupapa raupapa me te matapae.
Ko nga poraka atanga rangatū motuhake e tautoko ana i nga waahana whakawhitiwhiti tere mo te whakawhiti raraunga i waenga i nga waahanga punaha.Ka hono enei poraka ki nga peeke I O tata, ka awhina ki te pupuri i te tuku tohu i roto i nga hoahoa kaha raraunga.
Ko nga poraka tukatuka o roto motuhake ka whakawhānui ake i te papanga arorau me te tuku i nga kaihoahoa ki te whakatinana i nga hanganga mamati tukurua ake.Ka tautokohia e tenei whakaritenga nga mahi penei i te whakahaere paatete, te raupapa whakahaere, me nga mahinga raraunga whakarara.
Ko te whatunga ararere kua hangai e hono ana i nga pūtau arorau, paraka mahara, me nga titi atanga.Ka taea e nga tohu te haere i roto i te whatunga ma nga huarahi maha, ka taea e nga kaihoahoa te whakarite i nga mahi matihiko i roto i nga huarahi e rite ana ki te hoahoanga o te punaha.
Kei roto te taputapu i roto i te kete nui o te raupapa matiti poroporo e tautoko ana i te whakaurunga o te papa.Ko tenei hanganga kete ka taea te maha o nga hononga hiko ki te whakarite i roto i te tapuwae kiato mo nga huihuinga hiko matatau.
| Huanga Hua | Uara Huanga |
| Kaihanga | Whakawhitiwhiti Whakawhitiwhiti |
| Ngaohiko - Tuku | 0.95V ~ 1.26V |
| Moka RAM Tapeke | 1966080 |
| Mōkī Pūrere Kaiwhakarato | 900-FPBGA (31x31) |
| Rangatū | SC |
| Mōkī / Take | 900-BBGA |
| Mōkī | Paepae |
| Te Waahi Mahi | 0°C ~ 85°C (TJ) |
| Te maha o nga huānga arorau/nga pūtau | 25000 |
| Te maha o nga LAB/CLB | 6250 |
| Tau o I/O | 378 |
| Momo Whakaeke | Maunga Mata |
| Tau Hua turanga | LFSC3GA25 |
| Tūnga RoHS | RoHS kore-ture |
| Taumata Makuku (MSL) | 3 (168 haora) |
| Tūnga REACH | REACH Kaore i pa |
| ECCN | 3A991D |
| HTSUS | 8542.39.0001 |

Ko te whakatakotoranga o roto i runga i te matiti o te LFSC3GA25E-7F900C FPGA e whakaatu ana i te whakaritenga o te arorau ka taea te whakarite, te poraka mahara, nga rauemi karaka, me nga hanganga atanga tere.Ko nga waahanga mahi ka taea te hanga i te papanga arorau matua kei reira ka whakatinanahia nga iahiko matihiko whirihora.Ko nga waahanga RAM paraka whakauru sysMEM kua tohatohahia e whakarato ana i te rokiroki raraunga o roto me te aukati i roto i te raupapa arorau.Ko nga pūtau I O ka taea te whakatakoto ki te taha o nga taha o te taputapu e hono ana i te arorau o roto ki nga titi o waho, me ia kahui I O ka taea te papatono kei roto nga hononga I O maha.Ko nga poraka Quad SERDES me nga atanga taapiri-a-tinana ka puta tata ki nga rohe o runga hei tautoko i nga korero rangatū tere.Ko nga poraka ASIC kua whakaingoatia ko MACO kua whakauruhia ki roto i te papanga arorau hei tautoko i nga hanganga tukatuka motuhake.Ko nga rauemi whakahaere karaka kua tapaina ko nga PLL tairitenga sysCLOCK me nga DLL sysCLOCK ka tuu ki nga tapa o te tahora hei whakaputa me te tohatoha tohu wa puta noa i te hoahoanga ka taea te mahi.

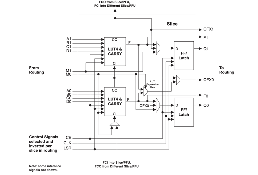
Hanganga o roto o te poro arorau i whakamahia i roto i te wae mahi ka taea te mahi o te LFSC3GA25E-7F900C FPGA.E rua nga poraka LUT4 e mahi ana i nga mahi arorau whakakotahi ma te whakamahi i nga tohu whakauru e wha kua tapaina he A, B, C, me D. Ko te arorau kawe whakauru e tautoko ana i nga mahi tatau ma te hono i te whakauru kawe me te kawe tohu whakaputa i waenga i nga poro tata.Ko nga huānga Flip flop or latch huānga rokiroki raraunga putanga mai i te atamira arorau, ka whakaputa i nga putanga rehita kua tapaina ko Q0 me Q1.Ko nga whakaurunga whakahaere penei i te karaka, ka taea te karaka, me te tautuhi, te tautuhi ranei i nga tohu hei whakarite i nga mahi raupapa o nga huānga rokiroki.Ko nga hononga ararere i te taha maui me te taha matau e hono ana i te poro ki te whatunga honohono ka taea te hotaka huri noa, ka taea e nga tohu te kuhu mai i nga rauemi ararere me te whakahoki i nga whakaputanga kua tukatukahia ki te papanga ararere.
Ko nga rauemi arorau ka taea e te taputapu te whakahaere i nga raupapa o te waa, te ararere tohu, me nga mahi whakahaere mamati i roto i nga taputapu aunoa.Ka taea e ia te ruruku i nga pukoro maha me nga kaitahuri i te wa e mau tonu ana te tukatuka mamati i roto i te punaha whakahaere.
He maha nga wa e hiahia ana nga taputapu whakawhitiwhiti ki te tukatuka mamati ngawari mo te whakahaere raraunga me te whakahaere atanga.Ka taea e te taputapu te tukatuka i nga awa raraunga taumai, te whakarite i te arorau ararere, me te tautoko i nga hononga whakawhitiwhiti i roto i nga taputapu whatunga.
Ko nga punaha whakauru e whakamahi ana i te arorau ka taea te whakarite hei whakahaere i te rerenga raraunga i waenga i nga kaitukatuka, te mahara, me nga taputapu atanga.Ka taea e te taputapu te whakamahi i nga huarahi mamati ritenga e urutau ai te whanonga punaha ki nga whakaritenga tono motuhake.
He maha nga wa ka kohia e nga punaha ine nga tohu mai i nga puna maha i te wa kotahi.Ka taea e te hanganga arorau ka taea te whakarite i nga tohu mamati taumai, te whakarite i te waa, me te whakarite i nga raraunga mo te tukatuka atu, whakawhiti ranei.
Ka taea e te taputapu te whakamahi i nga mahi tatau me nga mahi arorau e tautoko ana i nga mahi tukatuka tohu.Ka taea te whakatinana i nga whiriwhiringa matihiko, nga kopae mana, me nga mahi whakarereke raraunga i roto i te hanganga arorau ka taea te whakarite.
• Ka tautoko te kaha arorau nui e taea ana te whakahoahoa i nga mahi matihiko uaua
• He nui te maha o nga hononga whakauru me nga hononga whakaputa ka taea te whakauru punaha ngawari
• Ka whakaratohia e nga poraka mahara kua whakauruhia he rokiroki raraunga o roto me te aukati
• Ko te hanganga arorau ka taea te whirihora ka taea te whakahou i nga mahi taputapu ma nga huringa hoahoa
• He maha nga peeke I O ka whakaaetia nga paerewa tohu rereke i roto i te taputapu kotahi
• Ko te tukanga hoahoa me whai taputapu whanaketanga motuhake me nga rerengamahi whirihoranga
• Ka nui ake pea te uaua o te taputapu i te wa hoahoa punaha i te wa e whanake ana
• Ko te rahi o te kete nui me ata whakatakoto te tahora poari ara iahiko
• Me whai whakaaro te whakahaere hiko ina he maha nga rauemi arorau e kaha ana
| Nama Wahi | Kaihanga | Nga waahanga matua | Whakamahia te Take/Tuhipoka |
| LFSC3GA25E-7FFN1020C | Lattice Semiconductor Corporation | Ko te taputapu FPGA mai i te whanau SC e tuku ana mo te 25,000 nga huānga arorau, nga rauemi mahara kua whakauruhia, me te maha o nga titi I/O ka taea te papatono.Ka whakamahia e ia he kete BGA pai e tautoko ana i nga whakatakotoranga ara iahiko mato me nga hoahoa matihiko uaua. | Ka whakamahia i roto i nga punaha whakahaere whakauru, nga hononga whakawhitiwhitinga korero, me nga hikohiko ahumahi e hiahiatia ana nga taputapu rorohiko me te hononga I/O teitei. |
| LFSC3GA25E-7FFA1020C | Lattice Semiconductor Corporation | Ko te FPGA ka taea te whakarite me nga rauemi arorau rite ki te raupapa LFSC3GA25E.Ka whakarato i nga poraka arorau ka taea te whirihora, te mahara whakauru, me te ararere matihiko ngawari e taea ai e nga kaihoahoa te whakatinana i nga iahiko mamati ritenga. | He pai mo te tukatuka tohu tohu mamati, te honohono atanga, me te whakahaere taputapu rorohiko i roto i te hikohiko whakauru me nga punaha korero. |
| LFSC3GA25E-6FN900C | Lattice Semiconductor Corporation | Ko te taputapu FPGA me te 25K huānga arorau me nga poraka mahara whakauru i hangaia mo nga taputapu mamati ka taea te whakarite.He maha nga hononga I/O e tautoko ana i te whakaurunga punaha uaua. | He maha nga wa e whakamahia ana i roto i nga punaha whakahaere ahumahi, papaa rorohiko whakauru, me nga taputapu whatunga e hiahia ana ki te whirihoranga taputapu ngawari. |
Ko Lattice Semiconductor he kamupene semiconductor i hangaia i te tau 1983 me te tari matua i Hillsboro Oregon i te United States.Ka whakawhanakehia e te kamupene nga taputapu arorau ka taea te whakarite me nga hangarau e pa ana ki te rorohiko, te whakawhitiwhiti korero, nga punaha ahumahi, me te hikohiko kaihoko.Kei roto i ona rarangi hua ko nga rarangi kuaha ka taea te whakamatataka, nga taputapu arorau ka taea te whakarite, me nga otinga atanga i hangaia hei tautoko i te hoahoa punaha mamati ngawari.Kei te whakamahia nuitia nga taputapu lattice i roto i nga punaha whakauru ka awhina nga mahi taputapu ka taea te whakahaere ki te whakahaere i te tukatuka raraunga, te arorau whakahaere, me te ararere tohu i roto i nga papaahiko hiko.
Ko te LFSC3GA25E-7F900C FPGA e hono ana i te arorau ka taea te papatono, te mahara kua whakauruhia, me nga hononga whakaputa urunga ngawari ki roto i te taputapu kotahi.Ma te mohio ki tona hoahoanga, ka kite koe me pehea te whakarite i nga mahi arorau matihiko me te haere o nga tohu puta noa i te papanga ka taea te mahi.Ko nga ahuatanga penei i nga huānga arorau ka taea te whirihora, nga whatunga ararere, me nga poraka whakahaere karaka ka taea e te taputapu te tautoko i nga hoahoa punaha maha.Ko tana hanganga e pai ana mo te tukatuka raraunga, te arorau whakahaere, me te taputapu korero.Ina tuhura koe i nga hoahoa me nga whakaritenga, ka maarama ake te ahua o te tautoko o nga taputapu rorohiko ki nga punaha hiko urutau.
Katoa Dev Pkg Mark Chg 12/Nov/2018.pdf
Tena koa tukuna mai he uiui, ka whakautu wawe taatau.
Ko te LFSC3GA25E-7F900C he rarangi kuaha ka taea te whakarite mara, FPGA ranei, e ka taea te whirihora iahiko arorau mamati ma te taputapu hōtaka.Kei roto i nga poraka arorau ka taea te whakarite, nga rauemi ararere, me nga huānga mahara i roto i te maramara kotahi.
Ko nga huānga arorau he waeine iti e taea ana e te FPGA mahi i nga mahi matihiko penei i te whakataurite arorau, te tatau mahi, me te tukatuka tohu.Ka mahi tahi te mano o enei huānga ki te hanga i nga mahi taputapu ritenga.
Ko nga peeke putanga whakauru he roopu titi e tiritiri ana i te mana me te tohutoro ngaohiko.Ka taea e ia peeke te tautoko i nga paerewa hiko rereke, e ka taea e nga tohu mai i nga atanga maha te hono ki te taputapu kotahi.
Ko nga paraka mahara kua mau ki te penapena raraunga ki roto i te FPGA na reira ka huri haere te arorau ka taea te uru tere ki nga korero.Ka whakamahia enei poraka mo te buffering raraunga, rokiroki rangitahi, me te tautoko i nga mahi tukatuka tohu.
Ko tenei FPGA e whakamahia ana i roto i nga punaha korero, ahumahi taputapu whakahaere, taputapu tukatuka tohu mamati, me te whakauru tüäpapa hiko e hiahiatia ana te arorau matihiko e taea ana te whakarite.
i te 2026/03/10
i te 2026/03/10
i te 8000/04/19 147784
i te 2000/04/19 112076
i te 1600/04/19 111352
i te 0400/04/19 83835
i te 1970/01/1 79647
i te 1970/01/1 67017
i te 1970/01/1 63137
i te 1970/01/1 63069
i te 1970/01/1 54099
i te 1970/01/1 52229