

|
PIN tau |
Ingoa pin |
Whakaaturanga |
|
1, 13 |
Ruke |
Whakatuwhera Putanga Kaipupuri e tuku ana i tetahi kaitapu
i waenga i nga waa (i roto i te waahanga me te putanga).Ka raru te putanga mai i te teitei ki te
iti ka tae ana te ngaohiko 2/3 o te ngaohiko tuku. |
|
2, 12 |
Paepae |
Whakataurite i te huringa i tono ki te tauranga me te
Ko te huringa tohutoro o te 2/3 vcc.Te kaha o te ngaohiko i tono ki tenei
Ko te mutunga te kawenga mo te ahua o te flrip-flop. |
|
3, 11 |
Ngaohiko whakahaere |
Ko te whakahaere i te paepae me nga taumata kaha.Ka whakatau
Ko te whanui o te whiu whakaputa.He huringa o waho e pa ana ki tenei
Ka taea hoki te whakamahi i te PIN ki te whakarereke i te whiu whakaputa. |
|
4, 10 |
Tautuhi anō |
Ko te Pulse kino e tono ana ki tenei PIN hei whakakore, hei tautuhi ranei
Ko te Timer.Ki te kore e whakamahia mo te tautuhi ano i nga kaupapa, me hono ki a VCC ki
A ape i te tinihanga teka. |
|
5, 9 |
Haere kē |
Ko te titi tenei e hono ana ki te uta i te mea koinei anake
PIN me te ngaru-pana. |
|
6, 8 |
Keu |
Haepapa mo te whakawhiti i te flip-flop mai i te huinga ki
Tautuhi.Ko te whakaputanga o te tima ka whakawhirinaki ki te kaha o te waho
I tono a Trigger Pulse ki tenei PIN. |
|
7 |
Whenua |
Ngaohiko tohutoro whenua (0v). |
|
Rongo 14 |
Mūno |
Whakaoto (angamaheni = 5V, teitei = 18V). |
|
Tohu / Tohu |
Taipitopito |
|
Time Preser |
Kia rua nga wahanga i roto i te kete kotahi |
|
Ngaohiko whakahaere noa |
+ 5V |
|
Ngaohiko whakahaere nui |
+ 18V |
|
Source / totohu o naianei (PIN putanga) |
150MA |
|
Ngaohiko paepae iti |
2.4v @ vcc = 5V |
|
Pāmahana whakahaere |
Tae atu ki te 70 ° C |
|
Kei te waatea nga paanui |
14-Pin Pdip, Sonic, VSSOP |
• Lm556
|
Āhuatanga |
Ne555 Timer IC |
Ne556 Timer IC |
|
Whakaaturanga |
Time Time ACIC |
Kai-riiwhi ki te ne555 me nga time e rua i roto i tetahi kete |
|
Tuari |
Ko te wahanga kotahi |
Time Time |
|
Pūhera |
Takoto |
Ka whakaitihia te kaupapa hanga me te uaua o te punaha |
|
Mahi |
Ōrite ki te ne556 |
Ōrite ki te ne555 |
|
Whakaahuatanga Pin |
Ōrite ki te ne556 |
Ōrite ki te ne555 |
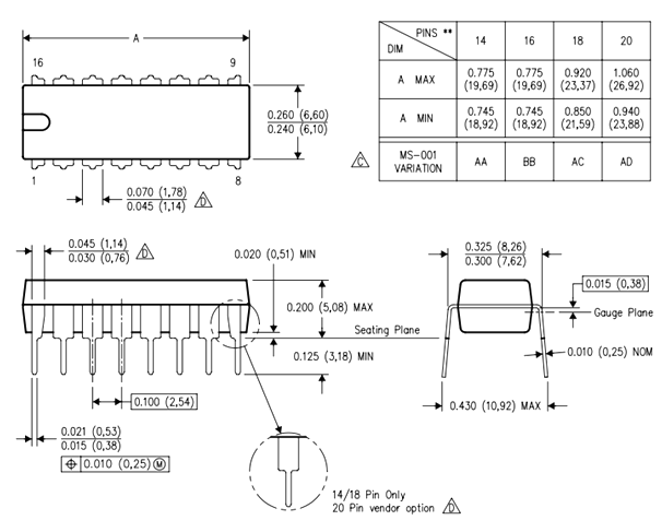
Te Ne556 Ko te IC i whakaatu he otinga ngawari engari mo nga tono mo nga tono, e mahara ana ki te Ne555 rongonui.Ko tenei waahanga tuuturu e whakaatu ana i te whirihoranga takirua 14-pin, e rua nga huinga motuhake o nga titi titi.Ma tenei hoahoa i whakaarohia ai nga hononga mo te vcc me te whenua, te whakanoho i nga waahanga hurihuri i te wa e pai ana te mahi i nga mahi.
Ko nga ICS o te Timer, tae atu ki te Ne556, ko te mea nui ki te whānuitanga o nga tono hikohiko, whakawhetai ki a raatau mohio.Ka taea e raatau te mahi i roto i te maha o nga momo, ia taatai mo nga mahi motuhake:
• Aratau AST: Hangaia nga ngaru tapawha, he tino pai mo nga karaka karaka.
• Aratau Momo: Ka whakaputa i te PO PO PRese e pa ana ki tetahi tohu o waho.
• Aratau Bistable: Ko nga mahi hei piripiri-flop, te pupuri i te kawanatanga whakaputa pumau tae noa ki te whakahohe.
I roto i nga tono whaitake, ka whakamahia te NE556 mo nga mea katoa mai i nga wa o nga waa taketake ki nga punaha whakatipuranga a Pulse.Hei tauira, ka whakariterite pea koe i te NE556 i roto i te aratau me te waihanga i te ara e pupuhi ana, e whakaatu ana i te ahuatanga me te taiao.Ko te ako i nga wheako kaore anake e mohio ki nga waahanga wahanga engari ka whakaatu hoki i te kaha o te N556 ki te whakahaere i nga waa o te waa.

Te tirotiro i te hoahoanga o roto o te Ne556 e whakaatu ana i te hoahoa pakari e toru nga kaiwhakamaori e toru, nga kaiwhakarite rua, me te flrip-flop.Ko tenei whirihoranga kaore anake e tautoko i tana mahi whai kiko engari ka taea e ia te whakahaere i te mana o te waa.Ko nga kaiwhakataetae rua e whai kiko ana ki te whakatairite i nga puia whakauru, he waahanga nui o nga mahi e whakawhirinaki ana.Ko te maarama me enei waahanga e whakaatu ana i a koe me te mohiotanga ki te raru me te whakarei ake i nga mahi a tawhio noa.
Ko te rohe o te NE556 kua whakauruhia (ic) e tu ana hei waahanga tino pai, ka kitea tana waahi i roto i te tini o nga tono.Kei roto i enei ko te whakatipuranga mo te waa, te whakarereke, te whakatipuranga a Pulse, te whakatipuranga o te waa, me nga waahanga taima.Ko tana mohiotanga e taea ai te mahi hei kaupapa mutunga hei whakapau kaha, hei tono mo te hunga e maioha ana ki te whakakotahitanga o te auaha me te pukenga hangarau.
I roto i te wa whakaroa i nga wa, ka taea te whirihora o te Ne556 ki te whakaputa i nga whiu tika.Ko tenei waahanga te tino pai ki nga ahuatanga kei te tino whakahirahira te waa, penei i nga punaha aunoa, i nga miihini haumaru ranei.Na roto i te kaiwhakamahara pai-pening me nga uara o te Kaitautoko, ka whakamanahia koe ki te whakarite i te roanga o te whakaroa ki o raatau hiahia motuhake.Ko tenei ringa-i runga i te huarahi kua kitea e ia ki nga momo ahumahi, mai i nga hiko o te kaihoko, kei hea nga waahanga o te waa e whai waahi ana ki te whakarite mahi me te haumaru.
Ko te whakarereke a Pulse Whanui e tohu ana i tetahi atu tono rongonui o te Ne556.He nui te whakamahinga o tenei tikanga i roto i te mana o te motuka, he ngoikore, he tohu taapiri oro.Ma te whakatikatika i te huringa o te tohu whakaputa, ka taea e koe te whakarereke i te mana i tukuna ki te kawenga, ki te whakarato i te mana motuhake o te mana.Ko tenei whakaraerae ehara i te kaha anake te whakatairanga engari ka taea hoki te whakahaere i nga taputapu.Ko te whakauru me te PWM i roto i nga kaupapa tuuturu i te nuinga o te wa e pa ana te rereketanga o nga ahuatanga o te tohu tohu.
Ko te ne556 e kaha ana ki te whakaputa i nga purongo, ka taea te whakamahi i roto i te whānuitanga o nga tono, tae atu ki nga whakatipuranga karaka i roto i nga waahanga mamati me te huihuinga i roto i te arorau raupaparorohiko.Ko tana kaha ki te whakaputa totika me te tukurua i te kaha mo nga punaha e whakawhirinaki ana ki te waa.Ka taea e koe te kite i te whakamatautau me nga momo whirihoranga e arahi ana ki nga mohiotanga nui ki te whanonga o nga waahanga hiko, te poipoi i te maarama ki te hoahoa tohu.
Ko nga waahanga wahanga o te waa e tino whai hua ana mai i nga ahuatanga o Ne556.Ma te mea iti o te jitter me te whakaputa pumau, he pai rawa atu mo nga tono e tono tika ana.He tino pukumahi tenei ki te whakawhitiwhiti korero me nga punaha hoko raraunga, kei hea nga rereketanga iti rawa nga rereketanga o nga rereketanga.Ma te whakauru i te Ne556 i roto i enei horopaki, ka taea e koe te whakarei ake i te tuuturu me te mahi, te whakaatu i te hiranga o te waa miihini i roto i nga punaha hiko.
Ko nga waahanga wahanga o te waa, e hiahiatia ana he maha o nga huihuinga, e tohu ana i tetahi atu waahanga e whiti ana te NE556.Na roto i te Cascading maha Ne556 ics, ka taea e koe te hanga i nga waahanga wa, whai hua mo nga tono penei i nga raina huihuinga aunoa, i nga punaha whakahaere-a-kaupapa ranei.Ko te mohiotanga i riro mai i te hanga i enei waahanga kaore i te waatea i te whakawhitinga matatini i waenga i te waa, te whakahaere, me te whanonga o te punaha.

Tena koa tukuna mai he uiui, ka whakautu wawe taatau.
i te 2024/12/26
i te 2024/12/26
i te 8000/04/18 147757
i te 2000/04/18 111931
i te 1600/04/18 111349
i te 0400/04/18 83719
i te 1970/01/1 79508
i te 1970/01/1 66886
i te 1970/01/1 63010
i te 1970/01/1 62984
i te 1970/01/1 54081
i te 1970/01/1 52108