
Te MPC8245LZU300D Mai i te NXP USA Inc. he tukatuka whakauru-a-roto i runga i te PowerPC 603e i hangaia mo nga tono whakauru e hiahiatia ana te utu, te waahi, me te whakahaere mana.Ko tenei momo rereke e whakahaere ana i te tere matua o te 300 mhz me te tautoko ki te 2 GB o SDRAM, e pai ana ki nga tono tono.Kei roto i te atanga PCI 32-bit e kaha ana ki te 66 mhz, kia whakarei ake i tana hototahi ki te maha o nga penipherals PCI.Ko nga mahi whakauru whakauru ko nga kaiwhakaari o te ao-a-katoa (Duarts), he kaiwhakahaere DMA Kaiwhakahaere, me etahi atu e rua, kei roto i tana mohio ki te whakahaere i nga mahi tukatuka uaua.I runga i te tau 352-pōro poti whroy Brid (TBGA) Whirihoranga, te MPC8245LZU300 ka whakarite i te tapuwae totika me te tipu o te pāmahana mai i te 0 ° C ki te 105 ° C.
Mena kei te rapu koe i te ota nui mo te MPC8245LZUMBU300D, whakaarohia te hoko mai ia matou.Ka whakapumautia e maatau te pai ki a koe ka taea te whakamahi i tenei punaha kaha mo o kaupapa e haere ake nei.
Hoa hoa superscalar:Ka taea e te kaiwhakawai te whakahaere i nga tohutohu maha mo ia huringa karaka, ka whakanui i te kaha me te tere o te matua.
Kaka whakauru:Nga waahanga 16 kb o te ahotea tohutohu me te 16 kb o te keteroki raraunga, ka taea te wehe, ka tutakina ranei.Ka awhina tenei i te whakaiti i te waa i uru ki te whakauru i nga raraunga i whakamahia tonu, ka tere te tukatuka.
Te whakahaere mana hihiri:Kei roto i nga tikanga whakahaere mana penei i te taera, Doze, me te moe, he awhina ki te whakaheke kaha i runga i nga tono whakahaere a te kaitukatuka.
Tautoko SDRAM:Ka taea te whakahaere ki te 2 GB o SDRAM puta noa i te pahi 32-, 64-bit ranei.Ka tautokohia e ia nga whirihoranga maha, te whakauru i nga rahi me nga momo taha o nga peeke mahara.
Te Haparamatanga Hapa:Ko nga tikanga e rite ana ki te tuhi i te tohetohe mo te PCI me te Kaituku, me te tautoko mo nga raraunga pono penei i te ira tangata, panui-tuhi, te waehere-kore ranei.
ROM Verg me I / O nga hononga:Ka tautokohia nga momo momo o ROM me te Flash me te tuku i nga tauranga me nga tauranga hou, me te whakarite ki nga hoahoanga rereke.
32-bu pahi PCI:Ka whakahaerehia i te tere tae atu ki te 66 MHz a he rite ki nga paerewa PCI 2.2.Ka taea hoki te hono atu ki te whānuitanga o te pciipsrals whakawhetai ki tana tau 5.0-v.
Tautoko-rua Taha:Kei roto i tetahi kaiwhakahaere DMM Chamelle e rua e tautoko ana i nga waahanga tika me te hono, ka taea te tango me te hono i nga whakawhitinga raraunga mo te whakahaere raraunga pai ake.
Raru-kohikohi kaha:Ka whakahaere i nga whakaritenga e pa ana ki te panui mai i nga waahanga mahara kore ranei, ki te waa whakawhiti me te maha o nga whiringa taapiri hei whakahaere tika i nga whakawhitinga raraunga.
Atanga Whakawhitiwhiti:Kei roto i nga urupa e rua mo te whakawhitiwhiti korero rangatū me te kaiwhakahaere i²c e tautoko ana i nga rangatira me nga pononga tane, e tuku ana i nga hiahia whakawhitiwhiti korero.
Ko te Kaihauturu Whakawhitinga:Ka whakarato i te whakahaeretanga o te taputapu taputapu me te rangatū, ki te whakapai ake i te aro o te punaha me te whakahaere.
Timers me te whakatipuranga karaka:Whakauruhia nga tohu whaihua e wha me nga taputapu hanga mo te whakaputa karaka mo te PCI Bus me SDRAM, me whakarite te waa tika me nga waahanga rereke.

Te MPC8245LZU300D Whakaahua poraka E whakaatu ana me pehea te taunekeneke a te kaitukatuka me nga peripherals.E rua nga waahanga matua: Te Pātehoko Poraka me te Poraka arorau peripheral.Ko te Poraka Core Poraka te pupuri i nga whakaurunga.Kei roto i te Wahanga tukatuka peka (BPU)Kāore, Wahanga integer (iu)Kāore, Waeine-ira-ira (FPU), me Te Utu / Waa Toa (LSU).Ko nga tohutohu ka tito, ka tukatukahia, ka mahia ma te awhina o 16-kbyte raraunga me nga whare tohutohu.Te Ko nga waahanga whakahaere mo te mahara (MMUS) Whakahaerehia te whakauru mahara.Te Poraka arorau peripheral honohono i te kaiwhakawai ki nga taputapu o waho.Kei roto i te Dma rangatira Mo nga whakawhitinga mahara tere, an Kaiwhakarato I²c mo te whakawhitiwhiti korero, me te Wahanga Karere Mo nga mahi whakauru / putanga.Te Atanga pahi PCI PCI Ka tautokohia te hononga 32-bit mo te whakarahi.He Rangatira mahara Te maumahara o te punaha, tae atu ki Papamahi karaka tukutahi.Mo te mana whakahaere, kei a ia Kaitono PIC Ko te whakahaere i te haukoti mai i nga puna rereke.Te Raraunga Ara ECC Cropler whakarite i te pono o te raraunga, te tautoko i te 32-bit, nga pahi ranei o te raraunga 64-bit me te parei ranei ECC (te waehere whakatikatika-whakatika).Nga tohu o te karaka Osc_in me Pci_sync_in Kia mau tonu nga mea katoa mo te mahi maeneene.

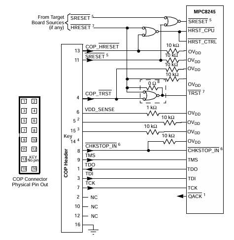
Te Hoahoa cop Mo te MPC8245LZULZU300D e whakaatu ana i te whakahekenga me te tautuhi ano i te atanga mo te whakamatautau me te raru i te kaiwhakatuma.Te 16-pip topeder honohono te kaiwhakaari ki waho JTAG / Cop Utauta.Ko nga tohu matua kei roto PapakiKāore, Horetia, me Cop_hreset, ko tehea te punaha whakahaere.Te Hstr_ctrl Ka awhina te Input ki te whakariterite i te whakamahi i nga tatau arorau.Te Cop_trst Ka whakahou i te Tutau Whakamatau Whakauru.Nga tohu JTG: TmsKāore, MateKāore, Tdi, me Tc Kei te whakamahia mo te rohe karapa me te tuku i roto-porowhita.Te Chkstop_in Ko te mana whakahaere tohu e mau ana i te karaka i te wa e piko ana, i te waa VDD_Sense Te aro turuki i te punaha punaha.Ko te toenga-ake me te aukati-aukati (10 kω, 1 kω) awhina i nga tohu tohu.Te Qauck Ka awhina te tohu ki te whakarangatira i te debuging.Te Hono Hono E whai ana i te jtag jTAG paerewa, he ngawari te hono atu ki nga taputapu taapiri.
|
Tuhinga |
Parapara |
|
Kaimahitaonga |
NXP USA Inc. |
|
Rārangitanga |
Mpc82xx |
|
Whiu |
Heri |
|
Wahanga Mana |
Neha kē |
|
Kaituku matua |
Powerpc 603e |
|
Te maha o nga cores / whanui pahi |
1 Core, 32-bit |
|
Tere |
300mHz |
|
Nga Kaituku RAM |
Papamahi |
|
Whakahoahoa whakairoiro |
Kāo |
|
Ngaohiko - i / o |
3.3v |
|
Pāmahana whakahaere |
0 ° C ~ 105 ° C (ta) |
|
Momo Momo |
Maunga Matapihi |
|
Paati / Take |
352-LBGA |
|
Ko te kete taputapu taputapu |
352-TBGA (35x35) |
|
Taapiri atu |
I2C, i²o, PCI, Uart |
|
Tau hua hua |
Mpc82 |
Nga taputapu whatunga
Ko te MPC8245LZU300D e tino pai ana mo nga taputapu whatunga penei i nga ara, ka huri, me nga kaari Atanga whatunga.Ko te atanga PCI pakari me nga whakawhitiwhiti korero honohono honohono ka taea e nga whakawhitinga raraunga tere-tere me te whakahaere tika i nga kawa whakawhitiwhiti korero.Ko tenei kaha ka whakarei ake i te mahinga me te pono o nga mahi whatunga.
Te Ahurangi Ahumahi
I roto i te automation ahumahi, ka whai waahi tenei kaiwhakaari ki nga punaha hiko penei i nga kaiwhakahaere arorau e whai ana (PLC), nga miihini miihini (HMI), me etahi atu miihini miihini.Ko te kaha o te kaitukatuka ki te whakahaere i te mana whakahaere me te aro turuki i te mea nui i roto i nga waahanga ahumahi, me te whakarite i te whakahaere tukanga.
Rongoā rokiroki
Ko te atanga mahara whakamua me nga kaha o te DMA o te MPC8245LZULZUDURE mo nga tono rokiroki, tae atu ki nga kaiwhakarato RACES me nga whatunga rokiroki (SANS).He mea nui ki te whakahaere i te uru raraunga tere-tere me te whakahaere rokiroki rokiroki, he nui nga taiao kei reira nga kaupapa pono me te huarahi tere.
Torotoro waea
He pai te whakamahi a tenei miiharo hei whakamahi i nga taputapu whakawhitiwhiti korero, penei i nga teihana turanga me nga arawhata.Ko tona kaha ki te whakahaere i nga waahanga raraunga maha me te tautoko i nga kawa whakawhitiwhiti korero e awhina ana ki te whakapai ake i te tino mahi me te pono o te whakawhiti korero.
Nga punaha whakauru
Ko te kaha o te whakaurunga o te whakauru MPC8245LZU300D e whakatau ana i tetahi kaitono mo nga punaha whakauru kua kitea i roto i nga hiko-a-rorohiko, hiko, me nga taputapu rongoa.Ko te whānuitanga o nga tohu whakauru me nga atanga ka taea e te hoahoa o nga rongoā motuhake, tino nui ki te whakatutuki i nga hiahia motuhake o enei umanga.
Hoahoa punaha-i-runga (SoC)
Ko te MPC8245LZUMBU300D te whakakotahi i te kaitukatuka matua, nga kaiwhakahaere mahara, me nga peripherals ki te maramara kotahi.Ko tenei huarahi SoC e tuhi ana i te hoahoanga o te punaha, ka whakaiti i te hiahia mo nga waahanga o waho, ka taea e te whakaheke utu i roto i nga waahanga whanaketanga me nga waahanga whakaputa.
Te tukatuka-mahi nui
Ka whakahaerehia e te kaiwhakawai i te tau o te 300 MHz me te whakamahi i tetahi hoahoanga Superscalar, e taea ai e ia te whakamahi i nga tohutohu maha mo ia huringa karaka.Ko tenei kaha tukatuka mahi nui e whakarite ana i te mahinga pai, he pai ake te kaituku kaore e tautoko i te penei, kia pai ai te tono tono.
Tautoko Mahara Whakamaumahara
E tautoko ana tenei kaiwhakaari ki te 2 GB o SDRAM me te whakaatu i te atanga maharatanga matatau ka whakauru i te whakatikatika i te hapa me te mohio a ROM me te / o Atanga.Ko tenei taumata o te tautoko mo te mahara e whakarato ana i te punaha ki te whakarite i te whirihoranga mahara ki te whakatutuki i nga hiahia tono motuhake, he painga ki nga punaha taapiri.
Te whakauru mai o te peripheral whanui
Kei roto i te MPC8245LZU300 nga hononga whakawhitiwhiti korero ki nga UARS me te kaiwhakahaere I²c, me nga tohu whaihua me nga kaihaero honohono.Ko te whakaurunga a te peripheral whanui ka whakaiti i te hiahia mo nga waahanga o waho, te ngawari ki te hoahoa whanui me te whakapai ake i nga punaha o te punaha ma te whakaiti i nga paanga o te kore.
Te kohi kaha iti
Ko te whakaatu i te whakahaere mana hihiri me nga tikanga penei i te taana, doze, me te moe, ka taea e te kaiwhakaari te whakahou i tona whakamahinga mana i runga i nga tono a-mana.Ka whakamahia tenei kaha ki nga tono e hiahiatia ana te kaha o te mana, te whakarato i te taha o etahi atu tukatuka kaore i te kaha o te mana whakahaere.
|
Parapara |
Rahi (MM) |
|
Whakaputuhia te Panui |
35 mm × 35 mm |
|
Interjeconnects |
352 |
|
Whakanekerite |
1.27 mm |
|
Pōro kaihoko |
ZU (Paati TBGA) -62 SN / 36 PB / 2 AG;VV (putanga koreutu-kore
o te kete) -95.5 sn / 4.0 ag / 0.5 cu |
|
Diameter pōro |
0.75 mm |
|
Te teitei o te kōwae teitei |
1.65 mm |
|
Whakatakotoranga C-Mahere |
0.15 mm |
|
Kaha kaha |
6.0 lbs.Tapeke, ka tohatohahia te taapiri mo te kete (8
karamu / pōro) |

Ko te microprocessor MPC8245LZU300D he hua o NXP USA Inc., he kaihauturu o nga semiconductors nxp.Ko nga tohu a NXP Siconductors, i puta mai i a Philips Scoconductors, kua whakauruhia e ia nga mahi a U.S. i a ATXAS.Ko tenei kaitukatuka, ko te waahanga o to raatau papaaho whanui, e whakaatu ana i nga hangarau kua arotau ki te mahinga kaha me te iti o te kaha o te kaha, e tika ana mo te maha o nga tono whakauru.Ahakoa ko te MPC8245LZU300D kua tohua he tawhito, NXP USA Inc. kei te tautoko tonu i ona taonga tuku iho i a ia e pana ana i nga rohe o nga waahi, ahumahi, me te itoma hou.
Ko te MPC8245LZU300D he kaikiri kaha, pono hoki i hangaia mo nga tono tono.Ma te tere o te tukatuka, i hangaia i roto i nga waahanga whakawhitiwhiti korero, me nga momo whakaoranga kaha-kaha, ka awhina i nga punaha me te pai.Ahakoa kua kuarehia inaianei, he whai hua tonu i roto i te maha o nga hononga, ahumahi, me nga kaupapa Telecom.Ko tona kaha ki te hapai i nga mahi maha i te wa e pai ana te penapena i te mana tiaki e rapu ana i te kaiwhakaari e whakawhirinaki ana.
Tena koa tukuna mai he uiui, ka whakautu wawe taatau.
Ae, kua hangaia te MPC8245LZU30000 me te hoahoanga superscalar, ka taea e ia te mahi i nga tohutohu maha mo ia huringa karaka.Kei roto i te Kaiwhakahaere DMA-rua-Chanller e taea ai te whakahaere i nga whakawhitinga raraunga takitahi o te PTU, hei whakapiki i nga kaha maha.Koinei te mea he pai te whiriwhiri mo nga tono me nga punaha whakauru e hiahia ana kia tere te tukatuka raraunga.
Ka tautokohia e te kaiwhakaari ki te 2 GB o SDRAM ma te whakamahi i te pahi raraunga 32-, 64-bit ranei.Kei roto ano hoki i nga waahanga whakatikatika mo te mahi tirotiro me te waehere ECC (te whakarite i te pono-whakatika), ko te whakarite i te pono ki nga tono penei i nga rongoā rokiroki, nga taputapu waea rokiroki.
Ae, ko te MPC8245lzu300D e whakaatu ana i te mana whakahaere hihiri me nga momo taapiri maha (Ap, Dooze, me te moe) e whakatika ana i te kohi mana i runga i te mahi pūnaha.Ma tenei ka whai kiko te kaha me te tika mo nga punaha whakauru-a-hiko ranei.
Ko te MPC8245LZUMBU3D e whakahaere ana i roto i te pāmahana pāmahana o te 05 ° C, e tika ana mo nga taiao ahumahi me nga waahi pakari i raro i nga tikanga waiariki.
Ae, ko te MPC8245lzu300D he pai mo nga tono whatunga penei i nga ara, nga kaata, me nga kaari Atanga whatunga (Nics).Ko tana atanga tere tere-tere, me te Kaiwhakahaere DMA Crartler, me te tautoko mo nga kawa whakawhitiwhiti korero e pai ana mo te whakahaere i nga mahi-a-rorohiko-tau te pai.
i te 2025/03/14
i te 2025/03/13
i te 8000/04/18 147757
i te 2000/04/18 111934
i te 1600/04/18 111349
i te 0400/04/18 83719
i te 1970/01/1 79508
i te 1970/01/1 66899
i te 1970/01/1 63010
i te 1970/01/1 63009
i te 1970/01/1 54081
i te 1970/01/1 52120