
Te XCV600E-7FG680C He mahinga FPGA-a-mahi mai i te whanau vieex-e i hangaia, i hangaia mo nga tono e tono ana i nga otinga arorau pai.He tauira tenei tauira mo te 985,882 nga tatau o te punaha me te 15,552 pūtau arorau, e whakarato ana i nga kaha o te kaha mo nga tatauranga mamati matatini.Kua oti i te 3,456 poraka arorau whaimana (clbs) me te 294,912 nga waahanga o te 294,912 e pa ana ki te rokiroki raraunga me te kohanga raraunga.I hangaia i te 680-Pin Pai Pouaka Pouaka-Poika-Poika Whakatakotoranga (FBGA) Poraka, Ko te XCV600e-7FG688C he tapuwae 40x40 mm e tika ana, e tika ana mo nga tono kua oti te aukati.Ka whakahaerehia i runga i te ngaohiko matua o te 1.8V ka hangaia ma te whakamahi i te mahinga 0.18 μ.Ka tautoko te FPGA i nga paerewa 16-mahi nui, kia mohio ai koe mo nga momo whakaurunga.Kei roto i te FPGA e wha nga waahanga whakaroa-kati (DLL) mo te whakahaere tino pai me te whakauru i nga mahi a-mahi e tika ana kia pai te tukatuka me te mahi marau.
Ka whakatenatena koe ki a koe ki te tuku i nga ota nui mo te XCV600E-7FG680C me te tango i nga painga o te pono me te whiu.

XCV600E-7FG680C tohu

XCV600E-7FG680C tapuwae

XCV600E-7FG680C 3D tauira 3D
Poraka arorau e hono ana (clbs): Kei roto i te FPGA e toru rau nga koikoi, ka tukuna he 15,552 pūtau arorau.Ko tenei tatauranga nui o nga pūtau arorau e whakahaere ana i nga whakaurunga mamati matatini me te whakatinana miihini a te kawanatanga, e tika ana mo nga tono mamati matatau.
Nga tatau o te punaha: Ko te taputapu e whakarato ana ki te 985,882 nga tatau o te punaha, te whakahohe i te hanganga o nga waahanga-rahi-rahi me te mahinga arorau.
Tapeke RAM: Kua rite ki te 294,912 nga waahanga o te katoa o te RAM, ka taea e tenei FPGA te penapena raraunga me te taatai i roto i te taputapu mo te tono raraunga, ki te pupuri i nga mahi tukatuka raraunga.
Kaiwhakamahi i / o pine: Ka tautokohia ki te 512 kaiwhakamahi i / o nga titi, kia kaha te hono atu me te whānuitanga o nga peripherals me etahi atu punaha mamati.
Te Hangarau Actiotoito + ™ Hangarau: Ka tautokohia e tenei hangarau nga paerewa Atanga 20 mo te mahi-nui, tae atu ki nga LVD, Blvds, me LVPECL.Ka taea e ia te hainatanga kotahi me te rereketanga, te whakarato ngawari me te whakakii me nga momo paerewa whakawhitiwhiti korero.
Ngaro-Katia-Maukati (DLLs): Kei roto i te waru o nga dlls mamati e tuku ana i nga waahanga whakahaere o te karaka tere penei i te whakakaha o te karaka, wehenga, me te aukati i te koretake.Ko tenei kaha he pai ake mo te whakahaere i te waa ki nga rohe karaka maha i roto i nga hoahoa uaua.
Te mahinga o roto: Ka taea e te FPGA te whakatutuki i nga tere o roto tae atu ki te 130 mhz me nga taumata e wha o nga punaha arorau (LUT e tere ana te tere tukatuka tere mo nga tono mamati-tere.
Tīpakohia + ™ Hierarchy : E whakaatu ana i tetahi punaha mahara hierarchical tae atu ki te 1 MB o te RAM kua tohatohahia me te 832 kb o te RAM poraka Tinana.Ko tenei huarahi mahara ki te whakarei ake i nga tere o te raraunga me te whai hua.
Hoahoanga ngawari: Whakauru i te arorau i whakatapua mo te mahi nui, te tautoko mo nga mahi whakatipu, me nga rehitatanga / latches me nga huinga o te karaka, me te tautuhi.Ko enei tohu ka whai wāhi ki te hoahoa hoahoanga me te pai.

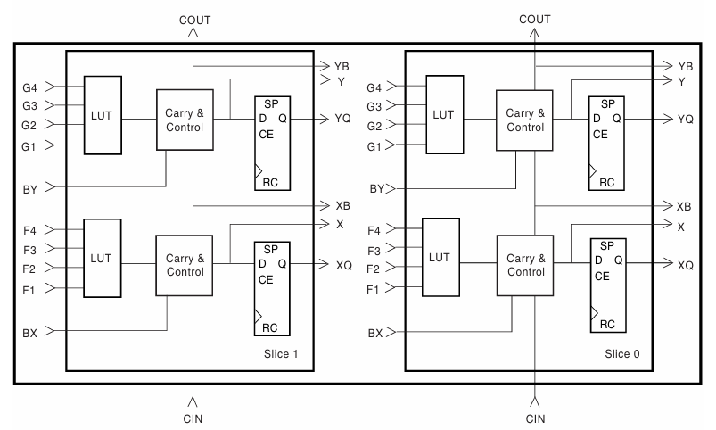
Te poraka poraka o te xcv600e-7fg680c FPGA e whakaatu ana i te hanganga o te waahanga arorau.Kei ia wahanga nga waahanga Titiro-ake nga tepu (luts), kawe i te arorau, me te hurihuri-flops, he mea nui ki te hanga i nga porowhita mamati.E rua nga waahanga Luts, ka uru ki te whakauru (G1-G4 me te F1-F4) ka whakaputa i nga putanga arorau.Ka taea te whakamahi tika i enei putanga, ka penapena ranei i roto i te flip-flops (He rēhita D-momo) mo nga mahi whakahirahira.Ka awhina te arorau ki te mahi i nga mahi mahi rite ki te taapiri.Ko nga raraunga toa-flip-flops me te horoi i te karaka (Ake) me te tautuhi (Rc) mahi.Te mekameka kawe (Cin ki te cout) Hono hono i nga poro maha, te whakapai ake i te tere i roto i nga mahi arithmetic.Putanga (Whakaahua x me Kupu ranga) Ka awhina i te hono i nga waahanga arorau rereke.Ma tenei hanganga e pai ai te mahi a te FPGA, he ngawari, he kaha ki te whakahaere i nga hoahoa mamati matatini.

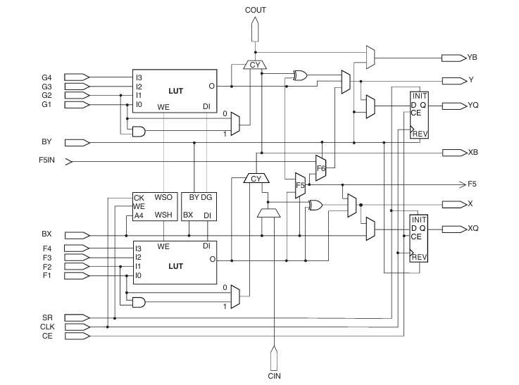
Ko te raarangi tuarua e whakaatu ana i te tirohanga roa o te hoahoanga tapahi arorau i roto i te XCV600E-7FG680C FPGA, e whakaatu ana i te hononga o roto Luts, kawe i te arorau, me te hurihuri-flops.E rua nga waahanga o ia waahanga Titiro-ake nga tepu (luts), e whiwhi whakauru ana (he maha nga whakauru (G1-G4 me te F1-F4) Hei whakaputa i nga putanga arorau.Ko enei putanga ka taea te whakamahi tika i roto i te arorau whakakotahi, i te penapena ranei i nga flip-flops (He rēhita D-momo) mo nga mahi whakahirahira.Ko nga flip-flops he karaka (Wpek), whakamana (Ake), Tautuhi anō (Hai), a tīmatanga (Wā) Whakauru, tuku mo te rokiroki raraunga whakahaere.Te kawe i te arorau (Cihi) Ko te kawenga mo nga mahi arithmetic, ka takahi i te tohu kawe i waenga i nga poro tata i roto i te Kiripaka me Kiri Nga hononga.Ko nga tini o nga tohu me te mana whakahaere te kowhiri i nga tohu rereke, te arotau i nga mahi mo nga mahi atawhai me te arorau.Ma tenei hanganga e taea ai te tātai i nga tatauranga tino pai, te whakahaere i te raupaparorohiko raupaparorohiko, me te whakarite i te fpga mo te maha o nga tono mamati.
|
Tuhinga |
Parapara |
|
Kaimahitaonga |
AMD XILINX |
|
Ngaohiko - toha |
1.71v ~ 1.89v |
|
Tapeke RAM e pa ana |
294912 |
|
Ko te kete taputapu taputapu |
680-Ftebga (40x40) |
|
Rārangitanga |
Virtex®-e |
|
Paati / Take |
680-LBGA-mua Pad |
|
Pūhera |
Heri |
|
Pāmahana whakahaere |
0 ° C ~ 85 ° C (TJ) |
|
Te maha o nga huanga / cauns |
15552 |
|
Te maha o nga tapanga / clbs |
3456 |
|
Tuhinga o mua |
512 |
|
Tuhinga o mua |
985882 |
|
Momo Momo |
Maunga Matapihi |
|
Tau hua hua |
XCV600E |
Nga punaha whakauru me nga tono iot
Ko te whakahoahoa a te FPGA me te kaha o te kaha tukatuka pakari e tino pai ana mo nga punaha whakauru me nga taputapu ion.Ka taea e ia te whakatutuki i nga otinga taputapu mo te whakahaere tika ki te whakahaere i nga mahi me nga mahi e hiahiatia ana i roto i nga taputapu mohio me nga hangarau hono.
Te tukatuka whakaahua me te ako miihini
Ma te rauemi arorau me te mahara nui, ka taea e tenei FPGA te whakahaere i nga mahi tukatuka whakaahua me te whakamahi i nga mahi ako miihini.Ma tenei kaha e taea ai e ia te mahi tātari raraunga me te whakatau kaupapa mo nga tono penei i te tirotiro tirotiro me nga punaha taraiwa taraiwa (Adas).
Whakawhitiwhiti Raraunga Tere-Tere
Ko te Tautoko mo te Tautoko Paerewa Atanga-Mahi Nui, penei i te LVD me LVPECL, he pai te FPGA mo nga punaha whakawhitiwhiti korero-tere.Kei roto i tenei ko nga tono e hiahiatia ana e te whakawhiti raraunga tere me te pono, penei i te angaanga whakawhiti me te hononga tere.
Nga punaha whakahaere ahumahi
Ko te hoahoanga o te FPGA e whai kiko ana me nga whiringa ka pai te whakamahi i nga punaha whakahaere ahumahi.Ka taea te whakauruhia ki te aro turuki me te whakahaere i nga miihini me nga tukanga ahumahi, whakarei ake i te kaha me te haumaru.
Nga taputapu whakaata hauora
Ko te kaha o te taputapu ki te tukatuka i nga tini raraunga mo nga tono whakaaro rongoa.Ka tautokohia e ia nga mahi whakahiatotanga matatini e hiahiatia ana i roto i nga punaha penei i te ultrasound me te MRI e hiahia ana ki te tukatuka tere tere me te whakatau.
Te hanganga whakawhiti ahokore ahokore
Ka taea te whakamahi i te FPGA i te tuara o nga punaha whakawhitiwhiti ahokore, tae atu ki nga hangarau ka puta mai i te 5G.Ka whakahaerehia e ia nga mahi tukatuka tohu matatini mo te tautoko i te whakauru raraunga o te raraunga me nga whakaritenga hihiri o nga whatunga whakawhitiwhiti korero hou.
Hipanga Kaihoko
Ko te whakariterite me te kaha o te mahi nui e pai ai te FPGA mo te hikohiko kaihoko.Ka whakaratohia e ia te tukatuka raraunga e whai kiko ana, e tika ana mo nga taputapu penei i nga tikanga petipeti, Smart TV, me nga punaha miihini.
Te mahi nui
Ka taea e te FPGA te whakahaere tere ki te 130 mhz puta noa i nga taumata e wha.Ma tenei kaha tere-tere e taea ai e ia te tukatuka raraunga me nga mahi tatauranga tere mo nga tono e tono ana i nga waa whakautu tere me te whakauru raraunga nui.
Te kaha arorau nui
Ka tae atu ki te 985,882 nga tatau o te punaha me te 15,552 pūtau arorau, ka tautokohia e tenei FPGA nga hoahoa mamati matatini i roto i te maramara kotahi.Ka taea e tenei mahi arorau nui te whakauru i nga mahi maha me nga tukanga, te whakaiti i te hiahia mo etahi atu waahanga me te tuhi i nga punaha punaha.
Versitile I / O Te Tautoko
Kei roto i te taputapu 512 te kaiwhakamahi i / o nga titi me te tautoko i nga paerewa 20-nui rawa atu i te LVD me te lvpecl.Ko te mana o tenei / o / O te whakarite me te whanui o nga whakauru mamati me te whakauru me nga putanga, te whakahaere i nga whakaurunga punaha ngawari me nga whakahiatotanga.
Whakahaere Air Arā
Ko te mea e waru nga wa roa o te roa o te waa-aukati (DLL), ko te FPGA e whakarato ana i nga waahanga whakahaere o te karaka tae atu ki te whakareatanga o te karaka, te wehenga kore-roa.Ko enei waahanga te whakarei ake i te tika me te ngawari o te whakahaere i roto i nga punaha matatini mo te pupuri i te tukutanga me te mahi.
Hierarchy maumahara
Ko te Hierarchy Stylem + ™ kei roto i te 1 MB o te RAM kua tohatohahia me te 832 kb o te RAM poraka-a-roto.Ko tenei punaha mahara me te waatea e kaha ana te tautoko i te rokiroki raraunga teitei me te tango i nga tono-a-tinana e hiahia ana ki te tukatuka-kaha penei i te tukatuka ataata me nga mahi papaa.
Te kohi kaha iti
Te whakahaere me te ngaohiko matua o te 1.8V, kua hangaia te FPGA mo te kaha o te kaha, hei painga mo nga tono whai mana-kaha.Ko tenei kohi mana iti e awhina ana ki te whakaiti i te utu o te kaha o te kaha me te turpring waial, hei whakapiki i te paanga o te taputapu mo nga tono kawe me te mamao.
Hura anō
Ko te whirihoranga o te punaha-a-rorohiko a FPGA e taea ai mo te whakariterite ano-te-papatono.Ma tenei ahuatanga e taea ai e nga whakahoutanga o te-rere me nga aroranga o te tinana, ki te whakarato i te otinga ngawari me te utu mo nga whakaritenga whanaketanga.
Te XCV600E-7FG680C, a xilinx virtex-e fpga, ka haere mai i roto i te Mōkihi FG680, ko ia te Poraka Pouaka Poraka (FBGA) me 680 pōro.Kei raro nei nga waahanga whakauru:
|
Parapara |
Tohu |
Min (mm) |
Tohu (mm) |
Max (MM) |
|
Te rahi o te tinana |
He |
31 |
31 |
31 |
|
Poikita Pouaka |
Pē |
1.27 |
1.27 |
1.27 |
|
Diameter pōro |
C |
0.5 |
0.6 |
0.7 |
|
Te teitei o te kete |
Pāt |
2.7 |
3.2 |
3.7 |
|
Te rahinga pereti |
E |
26 × 26 |
26 × 26 |
26 × 26 |
Ko te XCV600E-7FG680C he Kohinga Kaupapa Whakawaa (FPGA) i hangaia e Xilinx, he kaiwhakarato rangatira mo nga taputapu arorau prograpmpable.I whakawhanake a Xilinx i te raupapa Virtex-e, tae atu ki tenei tauira, ki te tuku i nga otinga arorau nui mo te whakauru me te tono tukatuka tohu.I te 2022, Ami I whiwhi Xilinx, te mahi i te kaiwhakanao me te rangatira o te raina hua Xilinx FPGA.Ahakoa i mohiotia a Xilinx mo tana whakahoutanga i FPGAS, kua kaha tonu a AMD ki te whakauru i enei hangarau ki roto i tana raarangi, me te aro ki nga mahi whakahiato me te whakariterite i te mahi.Heoi, ko te XCV600E-7FG680C kua ngaro, ko te tikanga kaore ano kia kaha te whakaputa, ki te tautoko ranei i tenei tauira FPGA motuhake.
Ko te XCV600E-7FG680C he tere, he tere tere, he pai te fpga, he tino pai mo te maha o nga kaupapa mamati matatau.Ahakoa kua kore i hangaia, he uara tonu ki nga punaha kei te hiahia mahi pono.Ko tona kaha ki te whakahou kia whai hua ai mo nga tono mo te wa roa.Kei roto i tenei aratohu nga korero nui mo tenei FPGA, hei awhina i a koe ki te whakatau mehemea ko te mea tika, ka kitea ranei etahi atu whiringa mo a raatau hoahoa.
Tena koa tukuna mai he uiui, ka whakautu wawe taatau.
Ka taea e koe te whakarite i te XCV600E-7FG680C ma te whakamahi i te Xilinx ISE (taiao rorohiko whakauru).Ma tenei rorohiko ka taea te whanaketanga HDL ma te whakamahi i te vHDL, te verilog ranei, te whakahiato, me te whakatipuranga bitstream.Mai i te mea kua ngaro te ISE, ka hiahia pea koe ki nga taputapu taputapu tuku me nga waea papatono mo te hototahi.
Ko te tere o te mahinga o roto o te XCV600E-7FG680C ko te 130 mhz puta noa i nga taumata e wha o te arorau (luts).Ahakoa e ranea ana mo te maha o nga tono, neke atu i te 500 mhz, he pai ake hoki mo nga hoahoa tere-teitei.
Mai i te mea ko te XCV600e-7FG680C e whakahaerehia ana i te 1.8V, ka hangaia i runga i te waahanga 0.18μm, ka nui ake te kaha ki te FPGAS hou, e whakamahi ana i te hangarau matua.Mena he awangawanga te kohi mana, whakaarohia a Xilinx Kintex Ultrascale + FPGAS.
Ko te rereketanga matua kei roto i te momo kete me te tatau PIN.Ko te XCV600e-7FG680C ka tae mai i roto i te 680-Pin Bar Blid Blid Brid Brid Brid Array (FBGA) kete, e tika ana mo nga hoahoa PCB.Ko te XCV600E-7BG432C kei te whare i te 432-pika poikiri Poihau Brid (BGA), kia kaha ake ai engari me te iti ake o nga whiringa i / O.
Ae, ko te XCV600E-7FG680C ka taea te whakahaere i nga mahi Ai me nga mahi ako miihini, ina koa i roto i te tukatuka o te whakaahua me nga tono tohu tohu.Heoi, ko nga FPGAS hou ano he Xynq Ultrasx Zynq Ultrascale +, AI nui ranei he pai ake mo nga mahi AI-a-mahi.
i te 2025/03/14
i te 2025/03/13
i te 8000/04/19 147784
i te 2000/04/19 112077
i te 1600/04/19 111352
i te 0400/04/19 83844
i te 1970/01/1 79648
i te 1970/01/1 67019
i te 1970/01/1 63140
i te 1970/01/1 63071
i te 1970/01/1 54099
i te 1970/01/1 52233