
Te NCP3066 Ko te taputapu monolithic ngawari i hangaia ki te tuku i nga kakahu o te waa mo te kanapa-kanapa.He mea whakapohehe i te huringa urupare iti rawa o te 235 MV, ka whakahaere i te whakahaeretanga tika o nga waa noa.He kaha ki te whakahaere i nga whakaurunga whakauru tae atu ki te 40 v, ka uru atu ki nga punaha whakahaere i waenga i te 12 v ki te 36 v, he maha nga waahanga hiko.Ko taua ahuatanga e whakaatu ana i tona huringa i roto i nga whirihoranga maha penei i te Buck, te whakatairanga, te whakaputa i nga waahanga iti noa iho o nga waahanga o waho.Ko enei whiringa ka tukuna e enei waahanga te whakauru me te whakauru pai ki te whānuitanga o nga ahuatanga, ka taea e koe te tuku i o raatau auaha me te whakatutuki i nga hiahia tono kanorau.
Whakanuia me te PWM DIMIMILY CHART me tetahi waahanga tutakina-kaha-kaha, ko te NCP3066 te nuinga o te waa mo te miihini, te moana, me nga rongoā rama.Ko enei tono ka whai kiko ki te tuku ki te 1.5 AMPS o naianei, e hanga ana i te NCP3066 tetahi tohu NCP3066 e rapu ana i te whaikorero me te whai huatanga.Hei tauira, i roto i nga punaha rama automotive e tu ana te univation me te tiaki kaha, ko te hanga kaha o te Regagulator, ko te hanga kaha o te Regalulator, he pai te painga o te mahi.

|
PIN nama |
Ingoa pin |
Whakaaturanga |
|
Pin 1 |
Ka huri te kaikopere |
PIN COW CWEF COW. |
|
Pin 2 |
Hurihuri imitter |
Crulington Whakawhiti Whakawhiti i te PIN. |
|
Pin 3 |
Te wa kati |
Ko te wahanga o te waa mo te timi oscillator. |
|
Pin 4 |
Tūtiro |
PIN ST mo nga waahanga katoa o roto. |
|
Pin 5 |
Tuhinga o mua |
Te whakaputa i te pine whakauru o te kaiwhakariterite. |
|
Pin 6 |
Mūno |
Ngaohiko whakauru mo te kaiwhakahaere. |
|
Pin 7 |
Tikanga ipk |
PIN Senting mo te tihi o naianei. |
|
Pin 8 |
I runga / atu |
I runga / Off mana mana. |
|
Tohu / Tohu |
Taipitopito |
|
Tuhinga |
Monolithic EveryAr Of regulator Inaianei |
|
Ngaohiko whakauru (VIN) |
3v - 40v |
|
Whakawhiti Whakawhiti |
1.5 amps |
|
Taputapu Up Upback iti |
235mv |
|
Te nui o te waa mahi |
Tae atu ki te 150 khz |
|
Te kaha o te aukati |
Te aukati-taumata |
|
Kōwhiringa Driming |
Aneilog me te pwm pwmable |
|
Nga momo paatete |
Sosic, dfn, me 8-pine |
|
Pwm pwming kaha |
Aneilog me te mamati |
|
ROHS KAUPAPA |
PB-FREE |
|
Katia te Thermal |
Ko te kati o te waiariki o roto me te hysterresis |
|
Te Whakatuturutanga O Te Utu |
E kore e hiahiatia |
|
Te mahi auau |
Tae atu ki te 250 khz |
|
Te whakawhāiti i nāianei |
Huringa-porowhita |
• LM5008
• xl6009
• Lm3407
• A6211
• Ncp3065
Ko nga huinga rokiroki a Scooter i te nuinga o te wa e ngoikore ana te rama, he uaua ki te whakamahi i nga haora po i te wa e awangawanga ana te whakakitenga.Ko te otinga whakaaro i whakatinanahia e uru ana ki te whakamahi i te NCP3066 te whakahaere i te Whakahohe i te Whakahohe i te Maamaa i te wa e tuwhera ana te kohinga rokiroki.Ko tenei tono o te rama aunoa ka tino piki ake to waatea me te whakawhirinaki ki o raatau haerenga ahiahi.
Kei roto i te whakaritenga a tawhio noa te maha o nga waahanga matua:
• Te whakahaere NCP3066
• schottky diode
• Zener Diode
• White i arahi
• nga ātete
• Kaitatau
• Inductor
• Whakawhiti Whakawhiti
• Pūkenga DC
Ko te mahi tahi, ko enei waahanga ka whai hua ki te whai hua me te tiimata o te punaha.Ko te huringa o te rohe, hei tauira, e tuku ana i te otinga huatau ma te whakahaere i te whanonga o te maama e noho ana i runga i te waahanga tuwhera o te huinga, ka taapiri i tetahi apa o te mana whakahaere.

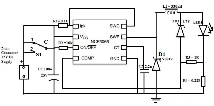
I roto i te Topology Buck, ka whakahaerehia te kaiwhakahaere NCP3066 hei taraiwa o naianei.Ko tenei huinga kaore i te whakahaere i te mana whakahaere me te whakatika me te whakarite i nga putanga marama, kia kaha ki te pupuri i te kite.Ko te kowhiringa o nga waahanga, ina koa ko te kaha o te taraiwa ki te whakarato i nga huarahi tuuturu, e whakaatu ana i tetahi huarahi tikanga e whakanui ana i te kaha o te kaha ki te pupuri i nga paerewa whakamarama.Waihoki, ko te whakaurunga o te Zener Diode e whakaatu ana i te tiakitanga ki te aukati i te aukati i te aukati i te waahi ki te whakatakoto i nga ahuatanga e kii ana i nga tikanga.
Ko te NCP3066 e whakaatu ana i tetahi taranata tino ki te whakahaere i naianei, e kaha ana ki te mahi i nga wahanga tae atu ki te 250 khz me te tuku i te waatea o nga whiringa kati.Ko tana whakaritenga o te ture o naianei me te hanganga ngawari ka kaha ake i nga hua whakahaere.Hei taapiri, ko nga mea raima kua hangaia hei whakanui i te haumaru, te whakarite i te mana i raro iho nei i te 100 μA, tetahi waahanga e awhina ana i nga aitua o te whakahaere.
Ko te whakakotahitanga o te mahinga whai hua NCP3066, ko te rahi o te NCP3066, ko te rahi te rahi, me te hanga utu-utu e pa ana ki te whanaketanga o nga hikohiko hou.Ko te whakaurunga o nga kaiwhaiwhai iti me te iti ka whai waahi nui, ka taea e te maramara te whakarite ki nga whakaritenga rereke.Ka taea e koe te whakamahi i enei rawa ki nga ahuatanga tino pai ki te rahi o te huringa me te tahua i te wa e pupuri ana i nga mahi pakari.
I roto i nga tautuhinga whaihua, ko te hiranga o enei ahuatanga kaore e taea te whakakotahi.Ka taea e koe te whiu pinepine me nga here mo te waahi waahi me te whakahaere waiariki.Ko te pai o te NCP3066 i honoa me te iti o te tapuwae iti e whakarato ana i te painga motuhake.Ano, ko tona whakapau kaha i te waa o te waa mahi he mea nui mo nga taputapu whakahaere-i whakahaerehia, ka tuku i a raatau mahi ratonga me te pono.Mai i te wheako-a-ringa, ko te Synergy o tona hoahoa net me te tiaki i te tiaki i te whakauru maeneene ki nga punaha matatini.
Ko te NCP3066 e kaha ana ki te pupuri tonu i nga rerenga o naianei i roto i nga Lords, e aro ana ki te whakapakaritanga o naianei, kaua ki te whakahaere ngaohiko.Ko tenei waahanga e whakanui ana i tona huringa puta noa i nga momo tono.
• Te rama automotive: Ko nga whakamarama o te whakamarama he rite ki nga paerewa haumaru me nga tono aesthetic.
• Ko te rama o waho me te hainatanga: Ko te pono me te pumau ki te aro ki nga wero taiao kua whakaritea.
• Miihini Ahumahi: Ka whakawhirinaki ki tana tohatoha o naianei, ko te whakarite i te mahi maeneene me te whakaiti i te heke, te whakanui i nga hua me te tapahi i nga whakapaunga moni.
• Te hikohiko a te Kaihoko: e whakamanahia ana a Afilianados ki te mahi i nga otinga rama rama kua oti te whakarite.Ka tukuna e ia te whakahaeretanga o naianei.Ko tana tono rereke e pa ana ki nga hoahoa o te mana me nga punaha tohatoha hiko, te whakaū i te ora me te whai hua.
• te rama me te kaimoana me te whakatipuranga: tuku i te putanga tonu, te poipoi i te tipu me te koiora ma te kaha o te kaha.
He maha nga wa e tohua ana nga kaiwhaiwhai mo o raatau ngawari me te whaihua-whai hua i te wa e haere mai ana ki te whakahaere i nga waahanga o te kaupapa.Heoi, kaore i te tino ngoikore noa te whakatikatika me te whakatikatika ngawari e tukuna ana e nga taputapu penei i te NCP3066.He pai te whakahaere i nga kaiwhakawa i raro i nga tikanga pumau engari he uaua ki te whakatika i te waatea ki te neke i te ngaohiko, ki nga ahuatanga taiao ranei.Ka taea e tenei mahinga te puta mai i nga rereketanga o naianei, e pa ana ki nga mahi me te oranga o te arahi.
Ko te NCP3066 te whakaoranga motuhake mo te ture o naianei.Ko tona kaha ki te whakautu ki nga huringa o te ngaohiko ka taea e te rere tonu te rere o naianei, e awhina ana i te kaha me te rite tonu o te waa.He tino painga tenei ahuatanga i roto i nga ahuatanga ka rite tonu te hiahia o te mahi me te pumau.I te wa e whakahaere ana i nga waahanga hiko, ka tino nui te tuku i te waa ki te aukati i nga ngoikoretanga o te kore mahi.
I roto i te maha o nga keehi, ka taea pea e nga kaiwhaiwhai te whakaputa i te wera nui, e arahi ana ki te koretake i roto i te waahi.Ko taua mahinga wera ka taea te kino atu i nga huringa huringa, nga koretake i roto i te hangahanga, me nga rereketanga o te pāmahana.Ko enei waahanga ka whai waahi ki te hunga kaore i te kaha te mahi me te huri i te kanapa.I tetahi atu taha, ko te whakamahi i te NCP3066 te whakaiti i nga wero whakaipoipo ma te tuku i te pai me te tino whakahaere o naianei, na reira e pai ai te kaha me te pono o nga Arduays.
Tena koa tukuna mai he uiui, ka whakautu wawe taatau.
i te 2024/12/11
i te 2024/12/11
i te 8000/04/18 147770
i te 2000/04/18 111999
i te 1600/04/18 111351
i te 0400/04/18 83767
i te 1970/01/1 79558
i te 1970/01/1 66957
i te 1970/01/1 63098
i te 1970/01/1 63039
i te 1970/01/1 54095
i te 1970/01/1 52179