
Te 2N2219 Ko te Trans Transitor he kaiwhakaari-tohu pono me te whai kiko i whakamahia mo te whakarangatira me te huri i nga tono.E mohiotia ana mo tana hoahoa whakairo maitai roa, ka pai ake te whakapai ake i nga whiringa wera ki nga waahi kirihou, kia taea ai te whakahaere i te huringa teitei me te taumata kaha.Na tenei ka pai ake te whiriwhiri i nga waahanga e hiahia ana kia whai huakore me te pakari.I roto i te mahi, ko te kaikohi a te kaiwhakaari me te kaiwhakawhitiwhiti ka hurihuri-i te wa ka whakamahia te iti o te huringa iti ki tana turanga.Ka hurihia e tenei te taputapu ki tetahi whenua whakamua, ka tuku i te rere o waenga i te kaikohi me te mahi.By carefully regulating the base current, ideally below 5mA, the 2N2219 can amplify signals effectively or handle switching tasks with a current capacity of up to 800mA in its saturated state.Ka tangohia te turanga o te turanga, ka hoki mai te kaiwhiwhi ki tana ahua tapahi, kia pai ai te mahi mo nga huringa e hiahia ana kia tere te whakawhiti.Ko te whakarewa o te 2n2219 e kore e whakarei ake i tona pumau engari ka whakapiki ano i te waahanga hei whakahaere i te mana teitei me te kore e tino kaha.Mo etahi atu tono tono, ko te taapiri i nga totohu wera, te piki haere ranei o te hau e aukati ana i te whakaurutanga me te whakarite kia rite tonu te mahi.Ko enei ahuatanga e hanga ana i te 2n2219 he whiringa pono mo te hurihuri me te hoahoa whai mana.

|
Pin No. |
Ingoa pin |
Whakaaturanga |
|
Pin 1 |
Whakamāori |
Ko te rere o te waipuke o naianei kei roto i tenei waahanga me te
e hono ana ki te GND. |
|
Pin 2 |
Tūranga |
Ko te whakahaere i te Biasistor Transistor, ka huri i te kaiwhiwhi
I runga i te atu ranei. |
|
Pin 3 |
Kaitakāni |
Ka taea e te rere o te waa o naianei me te hono atu ki te
utaina. |
|
Tohu / Tohu |
Taipitopito |
|
Tuhinga |
Ko te Kaituku NPN iti |
|
Paati / Take |
Ki-39 |
|
Rangi o te pāmahana |
-65 ° C ki te 150 ° C |
|
Tuhinga o mua |
3 |
|
Mokemoketanga |
NPN |
|
Kohinga Raupaparorohiko (IC) |
800 MA |
|
Te whakawhitinga whakawhiti (FT) |
250 mhz |
|
Te tikanga o te kaupapa-ki-turanga (VEB) |
5 v |
|
Te iti o te moni o te DC (HFE) |
30 |
|
Momo Momo Momo |
Na roto i te kohao |
|
Te wehenga kaha nui |
800 mw |
|
Kohikohi-ki-te-emmitter pakaru pakaru |
30 v |
|
Kohikohi-ki-te-emmitter sapation |
1.6 V |
|
Kohikohi-ki-turanga ngaohiko |
60 v |
|
Tahuri-i te wa |
40 NS |
|
Te wa poto |
250 NS |
• 2n5551
• Nte123
• 2N2218
• 2n3109
• 2N4440
• 2n3107
• BC636
• BC549
• BC639
• 2N2369
• BC547
• 2n3055
• 2n3906
• 2n3904
• 2n5551
• 2sc5200
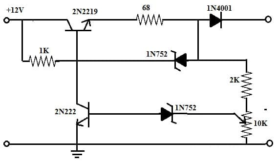
Ko te whaainga matua o te hoahoa porowhita ko te whakaora i te pākahiko Nicd 12V ma te tuku i te waa pumau o te 74Ma.Ma tenei waa e whakarite ai te utu o te pākahiko me te kore e tohu, i te wa e hangaia ana te huringa kia tutuki ai te pākahiko.Ka whakatauhia e te hoahoa tetahi whakaeke o roto, e whakaiti ana i te whakatipu wera me te taapiri i te koiora o te pākahiko i runga i te ahotea o roto.Ko nga waahanga matua a te huringa ko te 2n2219 Trantistor, he 5.6v Zener Diode, me te pākahiko Nicus 12V.Ko te Kaituku te mahi takirua hei whakawhiti me te whakakaha i te taputapu, te whakahaere i te waa ki te pupuri i te 74Ma tonu.I te wa ano, ko te Zener Diode te whakatau i te ngaohiko puta noa i te kaupapa o te Kaituku, ma te whakarite kia iti ake te heke o te ngao i te wa e tohatohahia ana.Ko enei mahi ka whakarei ake i te pono o te tukanga utu i te wa e tiaki ana i te pākahiko mai i te kino.

Huringa pākahiko pākahiko Nicd
Ko te Ripoata 2N2219 he mea nui ki te whakatutuki i te pumau i roto i te waahi.Ka mahi hei kaitiakiwa, whakarite kia tika te rere o nga rerenga o naianei ki te pākahiko.Ki te kore he ture tika, ka kaha te nui o te waa ki te mate, he ahuatanga e mohiotia ana ko te rere wera.Ka taea e tenei mate te kino tino kino i te huringa me te pākahiko.Ma te ata whiriwhiri i te 2n2219, ka whakatauhia e te huringa enei tupono, te whakarite kia pai te whakahaere.Ko te whakaurunga o te 5.6V Zide Ziond GoDe atu ka whakakii i tenei hoahoa.Ko tenei diode e whakaatu ana i te huringa e whangai ana ki te kaiwhakaari, e aukati i te heke o te riihi iti mai i te paanga o te utu.Ma tenei whakariterite ka taea ai te riipene hei whakanoho i nga rereketanga o te hoahoa hiko, te whakanui i te kaha me te whakawhānui i te hauora o te pākahiko.Ko etahi atu waahanga penei i nga whakaeke me nga kaiwawao ka uru ki roto i te waahi.Ka whakamahia nga arai hei aukati i te nui o te waa, te tiaki i te huringa mai i te taumaha.I taua wa, ka awhina te Kaiwhakaako ki te whakahaere i nga peka ngaohiko whakawhiti, ka taea e te puta i te wahanga o te mana, i nga huringa ohorere ranei i te uta.Ko te whakakao i enei waahanga kaore anake e whakarato noa i te apa paruru mo te pākahiko engari ka whakarei ake ano hoki i te kaha o te kaera.
Ko te Ripoata 2N2219 e tino aro nui ana ki tana mahi ki te whakakaha i nga waahanga hiko, ki te whakauru i nga waahanga hurihuri me nga waahanga whakanui.Ko ona mahinga mahi i runga i te mahi base-emitter basesed i mua, i te waahi me tino whakawakia te turanga ki te hunga emitter.Ko tenei whirihoranga ka hangaia he huarahi whakahaere mo te rere o naianei, e taea ai te whakanui ake.Ma te whakamahi i te turanga o naianei, ka taea e koe te whakatutuki tika i te whakaputanga i runga i te Amplificad, kia pai ai te kaiwhakaari mo te whānuitanga o te Audio ki te tukatuka.
Ko tetahi waahanga o te tuuma o te 2n2219 ko tona whakaurunga nui, e whakaiti ana i te nui o nga waa o mua mai i te waa o mua i te waahi.Ko tenei tohu e whakarite ana ko te tohu taketake e mau tonu ana, e pupuri ana i tona kounga i te waa whakapaunga.Ma tenei ka whai hua te 2n2211 i roto i nga waahanga taapiri, penei i nga punaha oro, taputapu inenga ranei.Ko te kaha o te kaitoro ki te pauna hiko me te maara tohu te take nui mo tona whakamahinga whanui i roto i nga hoahoa hiko me te whakamatau.
He rite ano te 2N2219 ki te whakawhiti i nga tono, kei reira te mahi hei tere i runga i te / ki te whakautu ki nga huringa o nga tikanga whakauru.Ko tana waa whakautu tere ka taea e te whakawhiti i waenga i nga whenua tata tonu, kia pai ai te whakaputa i nga waahanga, penei i te whakatipuranga puhoi, nga punaha arorau.Hei taapiri, ko te kaha ki te whakawhiti i nga awhina me te whakaheke i te huringa wera, e hiahiatia ana i nga punaha hikohiko-mana.Ko tenei whakahoahoa o te tere me te whai hua ka waiho i te 2n2219 he whiringa pono mo te hoahoa hangarau tapahi-tapahi.
Ko te ahuatanga whakaihiihi o te 2n2219 ko tona kaha ki te whakaputa i te putanga kua hurihia ka whakahohehia.Koinei te tikanga o te huringa i te kaikohi (putanga) he rereke i te turanga (whakauru), e tuku ana mo nga whirihoranga huringa auaha.Ka taea e tenei rawa inversion te whakamahi i nga tono arorau e kii ana i nga keehi arorau, penei i nga keti i roto i nga waahanga mamati, i te whakakotahi ranei me etahi atu waahanga.
Ko te Kaituku 2n2219 e mahi ana hei huringa i roto i nga tono Microcontroller, ka whakahaere i te whakahaeretanga o nga taputapu mana teitei ma te whakamahi i nga tohu mamati-iti.Ko te kaikopere e hono ana ki te mana ma te uta, i te whenua e tae atu ana te emitter ki te whenua.Ko te PIN Microcontroller e hono ana ki te turanga na roto i te arai mo te whakahaere i naianei me te tiaki i te kaiwhiwhi mai i nga take o te kaha.Ko te tātai i te kaiwawao tika e hiahia ana kia maarama ki te ngaohiko whakaputanga o te Microcontroller, te maturuturu-puta noa i te paparanga.Ko tenei huinga e whai ake nei i nga ahuatanga e whakahaere ana i nga waahanga hiko e rite ana ki nga riihi, ki nga motuka ranei, e whakaatu ana i tetahi mahi mo te whaihua me te tiimata.
Ko te whiriwhiri i nga uara whakakeke whakaawe i te mahinga mahi a te Transsitor.Timata ma te tiro i te ngaohiko whakaputanga a Microcontroller me te whakaiti i te maturuturu-isTTATE-ISTTATE-ISTTIMATE, te nuinga o te wa mo te 0.7 Volts mo te 2n2219.Wehea e te turanga turanga kua whaaia ki te whakatau i te uara o te aukati.Ka taea e koe te whakamahi i te tauira e whai ake nei mo te turanga o naianei (IB):
![]()
Ko nga tohu waehere mai i nga kaupapa microcontroller e whakaatu ana i te maarama whai hua ki te whakahaere i te 2N2219.Hei tauira, i Avr Microcontroller, he maha tonu nga pine kua tohua.Ko te whakatakoto i te PIN teitei ka tiimata i te waa na roto i te turanga, te whakahohe i te Kaituku, i te wa e tarai ana i te waa e aukati ana i nga turanga o naianei, na reira ka whakakorehia te kaiwhiwhi.Ma tenei tino mahi o nga taputapu kaha-kaha na roto i te waehere kua oti te hangairohia e whakaatu ana i te ngawari me te kaha o te huringa o nga tono-peia.

Tauira waehere
Ko tetahi o nga kounga tuuturu o te 2n2219 Transistor he rereketanga hiko motuhake, e taea ai te whakawhiti tere ki nga kaiwhakaari o te PNP.He mea nui tenei ahuatanga i roto i nga tono nui-kore, penei i te whakakaha tohu me nga waahanga hurihuri hihiri.Hei tauira, i roto i nga punaha whakawhitiwhiti, ka taea e te tukatuka tohu tere te whakarei ake i te kounga me te kaha o te tuku raraunga.Waihoki, i roto i te AUTOHU AUTOHU, nga kaiwhakaari tere tere penei i te 2n2219 e awhina ana i te whakatika me te tere e hiahiatia ana mo te miihini mahi nui.
Ko te hanganga o te NPN o te 2n2219 i hangaia kia pai ai te mahi ki nga punaha kino-kino, e kitea ana i te nuinga o nga taputapu hiko.Ko tenei hoahoa whakahoahoa noa iho, na te mea ka whakaitihia te hiahia mo nga waahanga taapiri, te taapiri ranei hei whakarite kia pai te mahi maeneene.Ko te whakaurunga ngawari kaore noa e tere noa te tukanga hoahoa engari ka whakapai ake ano hoki i te pono o te punaha.Ma te whakaiti i nga hua o te korenga, te 2N2219 ka whai waahi ki nga tono hiko me te roa ki nga hikohiko hiko ki nga taputapu e whai kiko ana, ko te manawanui.
Ko tetahi atu painga o te 2n2219 tona kaha ki te whakahaere i nga waahanga teitei ake.Na tenei ka tino whiriwhiri ana mo nga tono mana-nui, kei te kaha te ahua o te kino o te rongoa, te mate kino ranei.I hangaia te 2n2219 ki te whakahaere tika ahakoa i raro i te tono tikanga, ki te whakarato i nga mahi kaore i te kino o te waka tupeka, te kore ranei.Ko te kai iti o tenei wa e tautoko ana i te penapena pūngao, he pai ki te hoahoa hiko-kaha.I roto i nga tono penei i nga punaha pūngao whakahoutanga, taputapu-hiko ranei, kei reira te kaha o te kaha me te whakatutukitanga o te 2 $119 he pai rawa te whakahaere i te mana whakahaere me te iti o te whakamahi.
Ko te 2n2219 e tino pai ana mo nga mahi whakarei marama, he maha nga kaiwhakaari rongonui o te NPN e rite ana ki te 2n2222 mo nga ahuatanga o te kaha me te tohu pono.Ko tana hoahoa e whakarite kia ma, kia rite tonu te whakamohitanga pera i nga taputapu oro, nga kaiwhakaari irirangi, me nga taputapu whakawhitiwhiti korero.Hei tauira, i roto i nga punaha oro, ko te pupuri i te pono o te tohu ki te tuku i te tangi-kounga nui kaore he wehewehe.Waihoki, i roto i nga hangarau whakawhitiwhiti, e hiahiatia ana te whakamoketanga tohu pono mo te tuku i te raraunga maamaa me te aukati.
I whakanuihia mo ana kaha hurihuri me te hainatanga o te hainatanga, ko te Transistor a 2n2219 ka kitea he waahi i roto i nga waahanga hiko e kii ana i te tika me te whai huatanga.I roto i te whakahaeretanga mana, ka taea e ia te taraiwa i nga kaupapa me te whakahaere i nga hononga, te whakaatu i tona huringa.He maha nga mihi ki tana mahinga puta noa i te whānuitanga o nga tikanga whakahaere.
I whakamahia i roto i nga huinga takirua Darlington, ka whakanuia e te 2n2219 i naianei, e whakaatu ana i tana mahi ki te whakatutuki i nga painga nui i roto i nga waahanga porowhita.He pai tenei ahuatanga ki te tiaki i te waahi kaore he mahi tapu, he mea nui ki te hoahoa hiko o te ao.
I roto i te waahi o te oro me te kaha Whakanui, kei te nui te marama me te kaha, he pai te 2n2219.Ko te kaha ki te whakahaere i nga mahi whakawhiti tere-tere ka whakarei ake i nga ahuatanga e tono ana i nga waa whakautu tere, ka taea te wehe i waenga i te toharite me te mahi whakamiharo.
I roto i te DC me VHF / VHF / UHF Scenariios, ko te pakari o tenei kaiwhakawhiti ka taea e ia te mahi tika, ahakoa i roto i nga tikanga pakari.He waahanga noa i roto i nga Kits DIY me nga kaupapa hiko na te mea he pai te kaha ki te whakahaere tika i nga mahi iti me te nuinga.
Tena koa tukuna mai he uiui, ka whakautu wawe taatau.
i te 2024/12/11
i te 2024/12/11
i te 8000/04/19 147782
i te 2000/04/19 112070
i te 1600/04/19 111352
i te 0400/04/19 83829
i te 1970/01/1 79641
i te 1970/01/1 67006
i te 1970/01/1 63131
i te 1970/01/1 63067
i te 1970/01/1 54097
i te 1970/01/1 52225