
He Abstifier Abstifier he matua waahanga o nga punaha pūnaha maha.Ko tana mahi matua ko te whakanui i te rereketanga o te rereketanga i waenga i nga tohu whakauru e rua i te wa e kore e warewarehia tetahi ngaohiko e rua.Ko tenei whakarei whiriwhiri ko te mea e whai hua ana ki nga taiao ngaru.I te wa e pokanoa ana kia rite ki te haruru me te raina hiko hiko ranei e pa ana ki nga whakaurunga e rua, ka taea e te kaiwhakamaori te whakakore i te reira.
Ko tenei kaha e kiia ana ko te aukati i te aratau-kore.Ko te heke o te riri-kore-aratau (CMRR) e whakanui ana i te tohunga mohio anake i runga i te rereketanga tohu tika, hei awhina i te tika.Hei tauira, i roto i nga taputapu rongoa penei i nga miihini ECG, he iti noa nga tohu hiko o te ngakau, he maha tonu te tanu i te haruru.He rerekee rerekee i enei tohu ma te maeneene, te tuku i nga panui pono.Ko te taua tonu te kaupapa e pa ana ki nga punaha Ahumahi, ororongo ranei, kei reira te tino rangatiratanga me te ātete ki te tutu.
Ina haere ana nga tohu mo te tawhiti roa, penei i nga taura takirua i roto i nga punaha hoko raraunga, ka mau tonu nga waea e rua.Ka whakakorea e te Amplifier Amplifier tenei haruru me te whakakaha noa i te rereketanga tohu.Na tenei, he waahanga nui i roto i nga hikohiko i whakamahia i roto i nga mea katoa mai i nga hononga sensor ki nga oro pono.
He ap-amp, poto mo te Amprifier whakahaere, he waahanga hiko ka taea te tohu nui o te tohu.E rua nga titi whakauru: ka kiia tetahi ko te whakauru kore-aukati (tohu me te "+"), ko tetahi atu ko te whakaurunga (tohu me te "-").Ko te OP-amp Whakatauhia te Voltages i enei whakauru e rua ka whakaputa i te putanga i runga i te rereketanga i waenga i a raatau.Na ia ano, he nui rawa te hua o te op-amp, ara, ara he rereketanga o te huringa iti i waenga i nga whakauru e rua ka taea te pana i te putanga ki tona taumata teitei, iti rawa ranei.Ma tenei ka tino aro ki te nuinga o nga whakamahinga.Hei whakatika i tenei, ka tapirihia e matou tetahi mea e kiia ana he urupare kino, koinei te wa i tukuna ai tetahi waahanga o te putanga ki roto i te urunga mai i nga kaimono.Ka awhina tenei i te OP-AMP kia mau tonu te putanga ki te taumata pumau me te whai hua.Ko nga kaiwhaiwhai e whakahaere ana he aha te nui o te rahi o te op-amp ka whakanui i te rereketanga i waenga i nga whakauru e rua.

Whakaahua 2. Opp-AMPS i roto i te whakarangatira rereke
Ko te whika e whakaatu ana i tetahi huinga motuhake e kiia ana ko te Amprifier Abstifier, i etahi wa ka kiia ko te amp Amp Amp he poto.Ka whakamahia e ia nga kaiwhaiwhai e wha (R₁, R₂, R₃) me R₄) me nga tohu whakauru e rua: v₁ me V₂.Ko te ahua o te OP-amp i te ahua o te rereke o te v₁ me te V₂ kei te tuku i tetahi huringa whakaputa v₀ e pa ana ki taua rereketanga.He pai tenei momo waahanga ki te kato i te rereketanga i waenga i nga tohu e rua i te wa e kore e warewarehia i tetahi haruru, i nga tohu e hiahiatia ana ranei e rite ana ki nga whakauru e rua.Koinei te take e whakamahia ana i roto i nga mea penei i nga waahanga sensor, nga punaha oro, me nga taputapu inenga e hiahiatia ana e koe nga tohu marama me te tika.
Ki te hanga i tetahi Amplifier rereke e mahi ana i te maarama marama me te pono, whakamahia he whakatakotoranga taurite me nga kaima e wha.E whakaatu ana te hoahoa me pehea te mahi ma te whakamahi i tetahi mahi op-AMP (Ruarua Whakauru (V₁ me V₂), me te wha o nga kairangi: R1, R3, R3, R3.

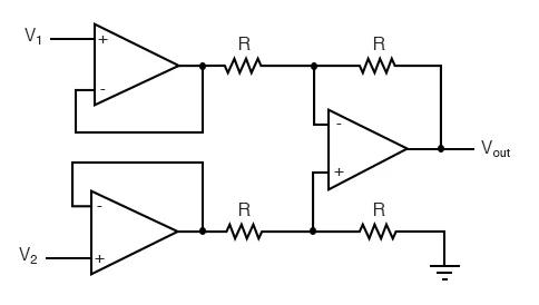
WHAKAAHUA 3. Ngaanuitanga Amplifier Abstifier me te whatunga arai
I tenei huringa, ko te huringa whakauru tuatahi, ka tukuna mai i te Ope Taua R1 ki te whakaurunga o te OP-AMP (tohu me te tohu tohu).Ko te huringa whakauru tuarua, ka haere i roto i te arai R3 ki te whakauru kore-aukati (tohu me te tohu taapiri).Na, ka hono atu te Open R2 i te whakauru ki te whenua, a ka hono atu te R4 ki te whakaputa i te putanga o Op-AMP ki te whakauru.Ko tenei urupare urupare e awhina ana i te mana whakahaere o te OPP i te putanga me te pupuri i te rereketanga i waenga i nga whakauru e rua.
Ko te kaupapa matua o tenei Amplifier ko te ine i te rereketanga o te V₂ me te V₁ me te rereketanga o tera rereketanga, ka kiia tenei ko te hua.Ko te hua ka whakaritea ma te whiriwhiri i nga uara o te hunga pupuri tika.Mena he nui te uara o te R1 me te R3, a ko R2 me R4 tonu te uara, ka pai te mahi a te huringa, ka hoatu he putanga ma, e whai kiko ana.Ko te rite he tino nui te hunga whakaeke.I te wa e tauhia ana nga kaiwhaiwhai, kaore e taea e te huringa te wareware i tetahi haruru, i te pokanoa ranei e rite ana ki nga raina whakauru.Ka kiia tenei ko te whakakahore i te aratau-ara, a ka awhina i te pupuri i te tohu whakaputa ma.Mena kaore i te pai te hunga whakaeke, ka taea pea e te huringa nga tohu e hiahiatia ana, ka taea e te whakaputa i te putanga.
Hei karo i tenei, ka whakamahi i nga whakaeke tino nui e tino tata ana ki te uara, i te nuinga o te 0.1% o tetahi.I roto i nga hoahoa nui ake, penei i nga mea e kitea ana i roto i nga microchips, ka ata whakatikatika nga uara o nga kaiwhakamaori ma te whakamahi i te riihi laser kia pai ai nga mea katoa.I etahi atu keehi, whakaaro ano hoki ki te pāmahana, na te mea ka taea e te wera te whakarereke he pehea te whanonga o nga hoariri.Na, ka ngana ratou ki te whiriwhiri i nga kaiwero kaore i te pai ki te pāmahana, te whakarite ranei i a raatau ki te pupuri i nga mea e mau ana.Ko tenei momo ngawari o te Amplifier rereketanga e whakamahia ana hei timatanga mo nga punaha matatini, penei i nga kaiwhakamaori whakanui.Ko enei waahanga e whakamahi ana i etahi waahanga hei whakapai ake i nga mahi ka nui ake, ina koa ka mahi tahi me nga tohu iti i roto i nga taiao ngaru.
Ko te hua o te kaiwhakaputa rereke he mehua o te rahi o te huringa o te huringa i waenga i nga waahanga whakauru e rua, v₁ me te V₂.Ko te tikanga, ka kii mai ki a maatau te nui o te putanga ka whakataurite ki te rereketanga i waenga i nga tohu whakauru.Ko tenei hua ka whakaritea e nga kaihopu i roto i te ara, ma te whakataurite i nga uara o nga kaiwhaiwhai whakauru me nga kaikorero urupare.Mena ka tautuhia e matou nga kaiwhaiwhai i roto i te ara tika, ko te tātai i te hua ka tino ngawari.Me kii atu ko te R1 te rite ki te R3, a R2 te rite ki te R4.Ko tenei momo tatūnga e kiia ana ko te hangairo, a ka awhina i te mahi huri noa i te tika.I tenei keehi, ko te tikanga mo te painga o te kaiwhakamaori penei:

Ko te tikanga o tenei tātai ko te Amplifier te rereketanga i waenga i te V₂ me te V₁ me te whakanui i te tau e whiwhi ana koe i te wa e wehe ana koe i te R2 na R1.Na, ki te mea he rua te rahi o te R2 i te R1, ka rua nga wa ka puta te putanga i waenga i te V₂ me V₁.
Anei tetahi tauira:
Ki te v₂ = 3 Volts me V₁ = 1 volt, he rereke te 2 volts.
Mena ko te R2 ko te 10kω me te R1 te 5kω, ka riro te painga ko te 10k / 5k = 2.
Na ko te huringa putanga ka 2 × 2 = 4 Volts.
Mena ka hanga e koe nga tuururu e wha (R1 = R2 = R3 = R4), kaore e taea e te hua te whakarereke i te rahi o te rereketanga, ka puta noa te rereketanga o te putanga mai.He whai hua tenei ina hiahia noa koe ki te ine, ki te haere ranei i te tohu me te kore e kaha ake.I etahi wa, ka hiahia koe ki te whakaputa kia kaha ake, ina koa he iti noa nga tohu whakauru.Ki te mahi i tenei, ka taea e koe te mahi R2 me te R4 Nui atu i te R1 me R3.Ka piki ake te hua, ka nui ake te tohu putanga nui.Hei tauira, ki te mea ko R2 te tekau nga wa nui atu i te R1, ko te hua ko te 10, ko te putanga ko te tekau nga wa ka rereke te whakauru.
Engari te piki haere o te hua.Ka taea hoki e te hua te hanga tohu e hiahiatia ana, ano he haruru, he pokanoa ranei, he kaha ake.Ka taea pea e ia te ahua o nga hapa ngaohiko iti te ahua nui.Ka taea e tenei te hanga i te putanga o te Amplifier, kaore ranei e tika.Na he mea nui ki te whiriwhiri i nga uara o te hunga whakaohooho, na reira he tiketike te painga ki te kite i te tohu, engari kaore i te teitei ka raru te raru.Ano hoki, kaore i te tino tika nga amp-amp.Ka taea e raatau te hapa iti i hangaia i roto i te whakarereke me pehea te mahi o te waahi.Hei tauira, ko te op-amp ka puta he putanga iti ahakoa te mea he rite tonu te whakauru.Ka kiia tenei ko te ngaohiko o waho.Ko tetahi atu take he tino take, ko te mea iti nei e rere ana ki roto i nga titi whakauru ka taea te whakarereke i nga momo miihini.Hei whakatika, whakaiti ranei i enei raru, whakatika i te huringa i muri i te hanga (e kiia ana ko nga waahanga taapiri kia whakakorea, ka whakamahi ranei i nga waahanga-amp..
Ko te Amplifier rerekee he mea ngawari me te whai hua.Ka piki ake (ka whakatenatena) te rereketanga i waenga i nga waahanga whakauru e rua me te wareware i nga mea katoa e rite ana ki nga mea e rua.Engari ko tenei hoahoa ngawari he raru i te wa e hono ana ki te ngoikore, ki te tino tohu ranei (penei i etahi tohu).Ko te take i puta mai i te whakaurunga o te Amplifier.Na te mea e mahi ana te huringa, ko tenei whakaurunga he mahi i te whenua mariko, ko te tikanga ka taea te toia mai i te puna tohu.
Mena kaore e taea e te puna tohu te hoatu i nga mea tino ataahua, me etahi waahanga maamaa ranei, ka taea e tenei te whakarereke i te tohu.Ko te tohu ka iti ake te ahua (ngoikore), he rereke ranei, ko te tikanga o te kaiwhakamaori he hua he.Hei whakatika i tenei, whakamahi i nga akonga Mokotahi, e kiia ana hoki ko Buffer Absfiers, i ia urunga.Ko enei nga waahanga whakahiato motuhake kaore e nui ake te huringa, engari he nui te whakauru ki te whakauru me te iti o te whakaputa.Ko te tikanga kaore e nui ake te utu mai i te puna tohu, na reira ka rite te tohu.Ka paahitia e te poaka te tohu me te kore e huri.Ka tapiritia e koe enei whaikorero ki te Ampvietanga rereketanga, ka whiwhi koe i tetahi waahanga pai e kiia ana he kaiwhakamahara e toru-amp-amp.Ko tenei putanga hou he tino whakaurunga nui, na reira he pai te mahi me nga tohu ngoikore.
Ka taea hoki e koe te whakarite i te hua (pehea te nui o te tohu) ma te whakamahi i nga turoro o waho.Ka raru ano hoki te haruru me te tuku i tetahi tohu ma, tika hoki.Ko enei maarama pai ake ka whakamahia i roto i nga mahi tika, penei i te paanui i nga tohu iti mai i nga kaitakaro, riihi, nga tohu rongoa ranei.Ko enei tohu he iti rawa te mea iti (penei i nga microvolts) me whakanuia, ahakoa i roto i nga waahi ruuri.Hei whakarite kia pai te mahi a te Amplifier, ko te hoahoa tinana o te huringa he mea nui hoki.He maha nga mea e whakamahi ana i nga tohu tahora motuhake, ano he whakangungu rakau o te huringa ki te aukati i nga tohu kaore e hiahiatia me te pupuri i nga waea hei karo i nga raru o te kaha kore.Ka awhina tenei i te mahi whakatipu ahakoa he iti noa nga tohu tere, tere ranei.

Whakaahua 4. E toru-OP-AMP Instrump Instrument Amplifier me nga kaiutu whakauru
Ko te ahua e whakaatu ana i te whakanuinga whakatipu-em-amp-amp.Ko te mahi tuatahi e rua o te amp-apps hei kaikiri, e whiwhi ana i nga tohu whakauru v1 me te v2 me te tuku i a raatau me te kore e tuhi mai i nga puna.Ko enei tohu kua paahitia ka haere ma te hunga whakaeke me te hono ki te tuatoru op-amp, e mahi ana hei kaiwhakamaori rereke.Ko tenei waahanga whakamutunga e tarai ana i te whakauru kotahi mai i tetahi atu ki te whakaputa i te Vout Taonga Whakaputa.Ko tenei whirihoranga ka whakarei ake i te pono o te tohu me te pai ki te whakahaere i nga tohu ngoikore, he maamaa ranei.
I etahi waahanga, ka whakamahia e matou tetahi momo amplifier e kiia ana he kaiwhakawhanake rereke kaore he urupare.Ka mahia e tatou tenei, ka waiho hei kaiwhakapae.He taputapu he taputapu he taputapu tirotiro tere mo te rua o nga puia e nui ana.Ina oti te whakataurite, ka hurihia e ia tana putanga ki tetahi huringa teitei, iti ranei, kia rite ki te huringa ngawari.Ko tenei momo o te whanonga-kore-aukati he tino whai hua ki nga punaha mamati me nga waahanga whakahaere aunoa.Ko tetahi tauira ko te kaihoroi kore-whakawhiti.Ka tirohia e ia tetahi AC (ka huri i te tohu o naianei) ka huri i tana putanga i nga wa katoa e haere ana te tohu ki nga Volts Zero.He awhina tenei ki te wa e noho ana me te whakahaere i nga mea e whakawhirinaki ana ki te waahanga o te tohu.
He mea nui hoki nga kaiwhakataetae i roto i nga whakaaro e kiia nei ko te hunga whakapae-ki-mamati (adcs).Ko enei kaitahuri e huri ana i nga tohu (penei i te tangi, te pāmahana ranei) ki nga nama mamati e maarama ana i nga rorohiko.Ka awhina te kaiwhakarite ma te whakataurite i te tohu hurihuri ki te huringa tohutoro kua whakaritea.Ahakoa ko nga AMP-amps (Amp Amprifers) ka taea te mahi hei kaiwhakatika i nga waahanga ngawari, kei reira nga maramara whakapae motuhake mo tenei mahi.Ko enei maramara motuhake he tere ake, he tika hoki.Ka taea pea e ratou te whakauru atu i nga waahanga taapiri, penei i a Hysteresis (e awhina ana i te hurihuri i te nuinga o te waa, me te whakaputa-tuwhera (he ngawari ake te hono atu ki nga waahanga mamati).

Whakaahua 5. Ko te papatohu e whakamahi ana i te whirihoranga Bridge StatStone
Ko te ahua e whakaatu ana i tetahi waahanga hurihuri me te whirihoranga Bridge Striked SnallStone.E wha nga whakaeke R Hangaia te whatunga piriti, te waihanga i te ahua taurite i te wa e hangahia ana nga waahanga katoa me te whakauru i te 0 Volts.Ko nga puia mai i nga ringa piriti, tapaina V1 me te V2, ka whangai ki nga whakaurunga kore-kore-aukati i te aukati.I raro i nga tikanga taurite, ko te V1 me te V2 he rite, he hua i roto i te putanga Zero.Ko tetahi taupatupatu i roto i te piriti penei i te huringa i te taha o te pāmahana, he rereke ranei, ka whakaputa i te rereketanga o te V1 me te V2, ka huri i tana whakaputa.
Ko nga huringa-maamaa te tono mo nga kaiwhakamaori rereketanga e taea ai te whakahaere aunoa i nga taputapu hiko hei whakautu mo nga reanga marama rereke.Ko enei waahanga e whakamahi ana i te kaiwhakamahara marama (LDR), he waahanga e pa ana ki te kaha o te marama e hinga ana i runga.Ma te whakauru i te LDR ki roto i te whatunga wehewehe hiko, ka taea te huri i te kaha ngawari ki te tohu tohu tika.Ko te mahinga matua o taua huringa e mau ana ki te Amprifier Abstifer, e rua nga whakauru: kotahi mai i te Toa Rorohiko kei te LDR me etahi atu mai i tetahi huringa tohutoro.Ka taea te whakarereke i nga waahanga tohutoro ma te whakamahi i tetahi kaiwhakamahara rereke (vr1) me te ponontiometer ranei.Ma tenei whirihoranga ka taea te whakarite i te paepae kaha o te kaha ka whakahohehia te huringa, te whakakore ranei i te kawenga hono.
Ka rite ki nga huringa marama e pa ana, ka rereke te aukati o te LDR, te whakarereke i te ngaohiko i te whakauru kotahi o te Amprifier Averaal.Ina, ka taka tenei whakaurunga whakaurunga, ka taka ranei i raro i te ngaohiko tohutoro, te putanga o nga Topgles Amplifier.Whakamahia ai tenei putanga ki te taraiwa i te whakawhiti whakawhiti, e whakahohe ana i tetahi taputapu honohono penei i te rama, hei taapiri, hei whakakapi ranei.Ko te whakaurunga o te kai urupare urupare (RF) ka pai ake te pumau me te whakautu o te aranui amplifier.I taua wa, ko te waahanga transcatie, he maha nga wa e takirua ana me te huringa o te waa e tika ana me te tiaki i nga pihi ngaohiko ina whakamahia nga taumahatanga penei i nga toenga.

Whakaata 6. Huringa Maama-maamaa ma te whakamahi i tetahi Amplifier rereke me te LDR
Ko te ahua e whakaatu ana i tetahi waahanga whakawhiti-maamaa-maamaa e pa ana ki te Amplifier rereke.Ko te kaiwhakamaori o te marama (LDR) me tetahi kaiwhakamaori pumau (R1) e hanga ana i te kaiwehe ahotea e whakarato ana i tetahi whakaurunga hiko rereke (v1) ki te aukati i te kaiwhakawhanake whakahaere.Ko te whakaurunga kore-aukati e whiwhi ana i tetahi ngaohiko tohutoro (v2), ka tautuhia te whakamahi i te arai rereke (VR1) i roto i te raupapa me te aukati R2.Ko te Amplifier Amplifier e whakataurite ana i enei whakauru, me tana putanga e hono ana ki te turanga o te kaiwhakaari na roto i te kaiwhakaari (R3).Ki te huri te kaha o te marama ki te taura o V1 i te taha o V2, ka huri te huringa putanga whakatipu, ka huri i te kaiwhiwhi ki runga ranei.Ko tenei, ka huri, ka whakahaere i tetahi hononga taapiri hono, kua tohua ki te hoahoa me te hononga whakaputa.Ko te diode (D1) ka whakanohohia ki te rite ki te kaakaa hei tiaki i nga punga ngao ngao.Ko te Orchor R4 e mahi ana hei putunga mo te turanga o te kaiwhiwhi.Ko te huringa whanui e taea ai te huri aunoa i runga i nga tikanga marama.
• Te Whakatutukitanga Pai Pai: Ko nga kaiwhakamaori rereke i hangaia hei rereke i waenga i nga tohu whakauru e rua i te wa e kore e warewarehia tetahi huringa e rua.Ma tenei ka tino whai hua ratou ki te whakakahore i te wawaotanga o te electmagnetic me te haruru e pa ana ki nga waahanga whakauru me te nui o nga haruru hiko.
• Te tika o te tika: Ko enei Maamaa e tuku ana i te rahinga tino pai, ko te tikanga he rite tonu te putanga ki te rereketanga o te rereketanga o te whakaurunga me te iti rawa o te rereketanga.Na tenei ka pai ake ai mo nga punaha e hiahiatia ana e te punaha te teitei, ano he punaha penapena, nga punaha hoko raraunga, nga taonga hangaiao ranei, kei hea te ngoikoretanga iti.
• Hoahoa Whakahoahoa: Ma nga whakarereketanga ngawari ki ta raatau whirihoranga ara, ka taea te whakamahi i nga mahi rereke i roto i nga tini mahi, nga tohu tohu-a-ringa, he poraka hangai ranei i roto i nga punaha taputapu nui ake.Ma tenei ngawari e pai ai te whiriwhiri i roto i nga hoahoa katoa maha.
• Ka whakapai wawe i te kounga tohu: Ma te whakanui i te tohu e hiahiatia ana me te paopao i te haruru i te tiihi tohu, ka awhina nga rereketanga o nga mahi rereke ki te whakatau i tetahi tohu ma.Ma tenei ka whakaiti i te hiahia mo te tātari tātari matatini, te whakatikatika mamati ranei, te whakaora i te mana tukatuka me te whakapai ake i nga tikanga o te punaha.
• Pono i roto i nga whakataunga kino: Na te tangi o te tangi me te tino tika, ka whakamahia nga rereketanga rereketanga i roto i nga kaupapa aerospace penei i nga punaha aerospace, nga taputapu rongoa, me nga taputapu rongoa.I roto i enei mara, he tika, he pumau hoki nga mea nui, me nga kaiwhakamaori rereke e mau tonu ana ki te pupuri i te pono o te tohu, i raro i nga ahuatanga wero.
Ko nga kaiwhakamaori rereke he taputapu nui i roto i te hikohiko na te mea ka awhina ratou ki te whakanui i te tohu tika ka whakakorea te haruru.Ka mahi ratou ma te whakanui i te rereketanga i waenga i nga waahanga whakauru e rua me te kore e warewarehia ki nga mea e rua.I ako koe me pehea te whakamahi i nga amp-Amp ki te hanga i enei kaiwhakamaori me te pehea te whai kiko o nga uara o te hunga whakaohooho kia tika ai te whakatika.I whakamarama ano matou me pehea te whakapiki i te ātete o te whakaurunga a te Amplifier ma te whakamahi i nga poaka, e awhina ana i te wa e mahi ana koe me nga tohu iti ranei.Ka taea hoki te whakamahi i enei kaiwhakamaatanga hei kaiwhakariterite me nga huringa marama marama, e whakaatu ana i te whai hua me te ngawari.Te mohio ki te awhina i a raatau ki te hanga i nga waahanga pai me te tino pono.
Tena koa tukuna mai he uiui, ka whakautu wawe taatau.
He kaiwhakawhanake rereke he ap-amp amp me nga kaima e wha.Ko tetahi urunga ka haere ki te tauranga hurihuri ma te arai, me era atu whakauru ka uru ki te kore-aukati i tetahi atu kaiwhakaora.E rua ano nga kaiwhakamaori e tuku urupare me te paparanga.Ko te huringa whakanui i te rereketanga o te huringa i waenga i nga whakauru e rua i te wa e warewarehia te huringa noa.
Ko te pono e whakawhirinaki ana ki te pai o te hunga whakahē.Mena kua mutu nga uara whakakeke, ka taea e te makutu te tangi.He uaua ano hoki ki nga punawai teitei, ka taea e te mate he tohu tohu, he wehewehe ranei.I te nui o te hua, ara nga hapa o roto penei i te ngaohiko o te raru, te ingoa ranei ka pa ki te putanga.Ko nga tahora matatini me nga toenga taapiri kia hiahiatia kia tika.
Ko te nuinga o nga kaiwhakamaori rereke e whai hua ana e whakaatu ana i te rereketanga o te whakanui i waenga i nga whakauru e rua.Ko etahi waahanga matatau, penei i nga kaiwhakamaori rereke, kia rua nga putanga.Ko enei putanga he rite ki te kaha engari i te taha o te waahanga, ka whai hua ki roto i nga punaha e hiahia ana kia pai ake te mate.
Ka whakanuihia te rereketanga o te ngaohiko i waenga i nga whakauru e rua me te whakahē i nga huringa noa o te rua.He nui te whakakahore i te aratau, he pai te huihuinga, me te pai o te hua ma roto i nga uara o te hunga whakakeke.Ki nga kohungahunga, ka taea e ia te whakauru i te whakaurunga nui.He pono ki nga taiao ngaru, ka pai te mahi me nga tohu iti mai i nga sensors, i nga puna ororongo ranei.
Whakanuia e koe te hua ma te whakatika i nga uara o te hunga whakakeke.Ko te painga e rite ana ki te ōwehenga o te kai urupare ki te kaiwhakamahara whakauru, ka riro i te tikanga = R2 / R1.Ma te whakamahi i nga urupare urupare nui ake, he iti ake ranei nga kaiwhaiwhai whakauru ka ara ake i te hua.Heoi, ka taea hoki e te hua te whakanui i te haruru, i nga hapa o roto ranei, kia pai ai te whakatau i nga uara ki waenga i te kaha tohu me te tika.
i te 2025/05/2
i te 2025/05/2
i te 8000/04/18 147757
i te 2000/04/18 111931
i te 1600/04/18 111349
i te 0400/04/18 83719
i te 1970/01/1 79508
i te 1970/01/1 66886
i te 1970/01/1 63010
i te 1970/01/1 62983
i te 1970/01/1 54081
i te 1970/01/1 52108