
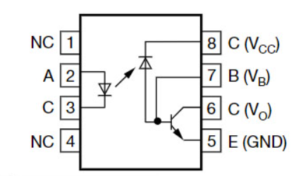
Te 6n136, Ka hangaia i roto i te kete kirihou rep-8, he kaiwhakaputa whaikorero e whakauru ana i te gaaidos i whakahekehia e te Diode i honoa me te kaitango whakakotahi.Kei roto i tenei whakaahua te whakaahua me te kaiwhakaari tere-tere.Ko tenei hoahoa matapaki e tuku ana i te tuku tohu tae noa ki te 2 mhz i waenga i nga waahanga motuhake e tika ana, ko te whakarite kia kore e neke atu nga rereketanga o nga waahanga tohutoro kua tohua.Ko te rahi o te rahi, te pakari, te kaha o te wawaotanga anti-wawaotanga, tere, me te TTL arorau te whakatau i te 6n136 he waahanga hihiri i roto i te tini o nga tono.
Na te kaha o tana tuku tere tere, ko te 6n136 te whakarite i te pono o nga tohu ahakoa ka karapotia e te haruru hiko.Ko tenei tohu e whakaatu ana i te mea nui i roto i nga waahanga ahumahi kei hea te pokatau hiko (emi) he wero noa.Whakaarohia tetahi ahuatanga o te wheketere o te wheketere i te wa e tika ana te tuku i waenga i nga kaiwhakahaere me nga kaiwhakaari e kaha ana te whakahaere me te haumaru.Koinei te tiaho nei ko te 6n136, te pupuri i te kotahitanga o nga punaha matatini.Ko te hanga mo te mau tonu, ko te 6n136 he waahanga pono mo nga tono kei te iti noa te uru o te tiaki.Hei tauira, ko nga tono maataki mamao e tono ana i nga waahanga ka taea te mahi tika mo nga waa roa me te kore wawaotanga.
Ko te huringa nui o te 6n136 kaore he papaa tuuturu i nga pihi ngaohiko nui engari ka whakarite hoki i te taputapu ka taea te tuku-tere.I roto i nga punaha hoko raraunga, i te wa e kore te tika o te tuku raraunga e kore e pa ki te kounga o nga raraunga kua kohia, ka tino whai hua tenei kaupapa.Ko te Taumata Taumata TTL o te 6n136 e whakawhiwhia ki a raatau, e taea ai te whakauru i te taapiri me te maha o nga porowhita mamati.I te wa o nga tukanga o te panui-ki-tapaina me te whakariterite, te pupuri tonu i te pono me te whakakotahi i nga taumata arorau rereke.Ko te 6n136 nga hononga kore me etahi atu waahanga kei roto i enei ahuatanga, ko te whakarite kia pai te hurihanga raraunga me nga mahi.




|
Āhuatanga |
Whakaaturanga |
|
Te huringa whakamātautau tunutunu |
5300 vrms |
|
Hōmua |
TTL Pūrangi |
|
Reiti iti |
1.0 MBit / s |
|
Te mate ohorere-kore |
Teitei |
|
Hōupū |
2.0 mhz |
|
Momo Putanga |
Putanga-tuwhera |
|
Kei te waatea te paparanga o waho |
Āhei |
|
Ko nga ihirangi (PB) |
Ko te waahanga kore-arahi |
|
Tukukunga |
RHS 2002/95 / EC, Weee 2002/96 / EC |
|
Tuhinga |
Parapara |
|
Te wa nui o te wheketere |
6 wiki |
|
Maunga |
Na roto i te kohao |
|
Momo Momo |
Na roto i te kohao |
|
Paati / Take |
8-dip (0.300, 7.62mm) |
|
Tuhinga o mua |
8 |
|
Te wehenga whakawhiti o naianei - min |
19% @ 16Ma |
|
Te maha o nga waahanga |
1 |
|
Pāmahana whakahaere |
-55 ° C ki te 100 ° C |
|
Whiu |
Ngongo |
|
Whakaputaina |
2012 |
|
Wahanga Mana |
Kakama
|
|
Taumata Maha Kore (MSL) |
1 (mutunga kore) |
|
He taapiri taapiri |
TTL Pūrangi |
|
Te wehenga mana Max |
100mw |
|
Tau waahanga |
6n136 |
|
Ngaohiko - wehenga |
5300vrms |
|
Taha Huinga |
400mv |
|
Momo Putanga |
Kaituku me te turanga |
|
Whiringa |
Kotahi |
|
Tuhinga o mua |
1 |
|
Te wehenga mana |
100mw |
|
Ngaohiko - whakamua (vf) (typ) |
1.33v |
|
Momo whakauru |
Dc |
|
Momo taputapu taputapu optoelectronic |
Moko IC Putanga OptocoPler |
|
Whakamua |
25MEME |
|
Ngaohiko whakauru |
15v |
|
Te reiti raraunga |
1 MBPS |
|
Putanga o naianei ia ia hongere |
8MA |
|
Whakatika Wa |
800NS |
|
Te wa hinga (TYP) |
800NS |
|
Ko te Kaipupuri Max |
8MA |
|
Haere whakamuri pakaru |
5v |
|
Tuhinga o mua |
25MEME |
|
Hurihuri / huri i te waa (typ) |
200ns / 200ns |
|
Te wehenga whakawhiti o naianei |
35% |
|
Whakapiki te radiation |
Kāo |
|
Te mana o te rohs |
RoHS3 |
|
Tau waahanga |
Kaimahitaonga |
Paati / Take |
Tuhinga o mua |
Tuhinga o mua |
Ngaohiko - wehenga |
Te wehenga whakawhiti o naianei |
Te wehenga whakawhiti o naianei (min) |
Whakatika Wa |
Ngaohiko whakauru |
Taha Huinga |
Tirohia whakataurite |
|
6n136-X001 |
Wehenga siconductor opto opto |
8-dip (0.300, 7.62mm) |
8 |
1 |
5300vrms |
35% |
19% @ 16Ma |
800 ns |
15 v |
400 mv |
6n136-X001 vs sfh6136-X016 |
|
SFH6136-X016 |
Wehenga siconductor opto opto |
8-dip (0.300, 7.62mm) |
6 |
1 |
500vrms |
30% |
10% @ 10Ma |
- |
30 v |
- |
|
|
6n136-X016 |
Wehenga siconductor opto opto |
8-dip (0.400, 10.16mm) |
8 |
1 |
5300vrms |
35% |
19% @ 16Ma |
800 ns |
15 v |
400 mv |
6n136-X001 vs 6n136-X016 |
|
4N28 |
Lie-On Inc. |
8-dip (0.400, 10.16mm) |
8 |
1 |
5300vrms |
35% |
19% @ 16Ma |
- |
25 v |
- |
6n136-X001 vs 4n28 |
|
SFH6345-X016 |
Wehenga siconductor opto opto |
8-dip (0.400, 10.16mm) |
8 |
1 |
5300vrms |
30% |
19% @ 16Ma |
- |
25 v |
- |
6n136-X001 vs sfh6345-X016 |

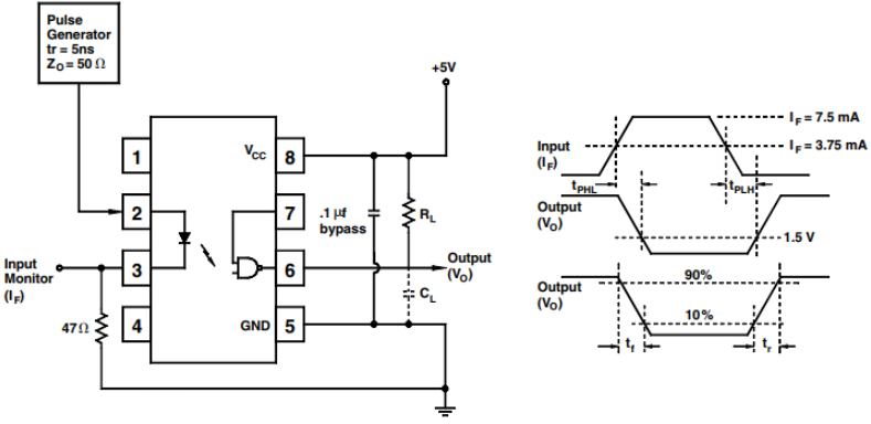
Ko te whakauru i te arai totoka ki roto i nga waahanga porowhita ka mutu ana te kaihoroi, ka hoki mai te timotanga o te vie ki te taumata arorau o te 5 Volts.Hono i waenga i te tititanga o te vouto me te huringa tuku pai, he maha nga kaupapa o tenei pehi.Te whakatuu i te ngaohiko whakaputanga, me whakarite kia tae atu ki te ahua nui o te arorau e hiahiatia ana.Te aukati i nga whenua e kaha ana ka taea te whakahaere i te whanonga hurihuri kaore i te kore.Ko te tiaki i te haruru me te whakapae teka i roto i te waahi.
Na roto i te whakatutukitanga i enei mahi, ka whai hua te pehitanga o te kume-ake ki te pupuri i te pono o te waahi me te mahi.Ko te uara whakaoho-totika kua tohua ka taea te aukati i nga putanga tere.Ko tenei whakapakaritanga e arahi ana ki te matapae me te kore e aro ki nga taumata arorau.Ma te pupuri i te titi vouto i te ahua ngaohiko e tohuhia ana i te wa e tu ana te kaiwhakawhiti, ka taea e te kaiwhakaari te whakaheke i te raru o te raru.Ko tenei pumau ka kaha te kaha i te wa e kaha ana te tuuturu me te pono ki te mahi o nga huringa mamati.
Ko te kowhiringa whakaaro o te uara o te pehi-ake ka whakamahia ki te whakatutuki i nga mahi e hiahiatia ana.Ko te tikanga, ko te whānuitanga mai i te torutoru ki roto i te kilohms ki nga tekau o nga pauna, i runga i nga tono o te waahi.Hei tauira, he 10K OHM Omm te whiriwhiri i te mea e pa ana ki te kai tere me te kai o naianei, he pai te whakauru me te whānuitanga o nga hiahia hurihuri.Ka taea e koe te whakamahi i o raatau tohungatanga whanui hei whakatau i nga uara o te hunga e tino tika ana mo a raatau tono motuhake.
Ko te kaiarahi i roto i te whakahohe me te whakaputa i tetahi kurupae ir i nga wa e tika ana te whakauru ki te whakamutu (+ vf me -vf).Ka whiua te kurupae IR ki te whakaahua, ka whakahohehia.I roto i nga punaha whakauru, ka whakamahia te momo whirihoranga mo te wehenga tohu.Ma te mahi, na, e aukati ana te haruru o te huringa, i te ngaru huringa ranei i te kino o nga waahanga taapiri.

I roto i te hoahoa kua whakaratohia, ko te 6n136 iC ka mahi i te huringa o te whaikorero Inputid.Ma te motuhake, ka whakamahia te taumata arorau nui, ka puta he putanga iti.Heoi, ko te taumata arorau iti e whakaputa ana i te putanga nui.Ko tenei tikanga inversion e whai waahi ana ki te tukatuka tohu mamati, ina koa me whakarite kia mau tonu ranei te taumata arorau motuhake mo nga waahanga o muri.
I roto i nga hoahoa porowhita e whakamahi ana i te 6n136, ko te wa pai me te whakautu urupare me whai whakaaro ki te tohu o te opcoutler.Ko nga wheako whaikorero e whakaatu ana ko te whiriwhiri i nga whakaeke tika-a-waa ka taea te whakahou i te waa whakahohenga o te kaiarahi, na reira ko te whakanui i nga mahi katoa.Ko te waa tika te nuinga o te wa e rongonui ana i nga tono whakahaere, kei reira ano hoki nga tohu a te Microsecond-taumata ka awe i te mahinga o te punaha.
|
Tau waahanga |
Whakaaturanga |
Kaimahitaonga |
|
6n139 # 500 |
1 Te Whakaputa i te Rohe Whakauru i te OpewarePler, 0.1 MBPS, 0.300 inihi,
Maunga Matapihi, Dip-8 |
Abilent Technologies Inc |
|
HCPL-5700 # 200 |
1 Te Whakaputa i te Rohe Whakauru i te OpewarePler, 0.1 MBPS, Hermetic
Hiri, ceramic, disp-8 |
Te Hangarau Avago |
|
HCPL-0700 |
1 Te Whakaputa i te Rohe Whakauru i te OpewarePler, kia-8 |
Fairangi Seconductor Corporation |
|
HCPL-2730-020 |
Moko IC Putanga OptPocler, 2-huānga, 5000v wehenga,
0.300 INCH, Dip-8 |
Abilent Technologies Inc |
|
HCPL0500V |
8-pine pai 1 mibit / s horsitotor tere tere tere
Putanga OptPoutPler, 3000-ngongo |
tararite |
|
HCPL-4503-560 |
1 Te Whakaputa i te Rohe Whakauru i te Opt OptCoutler, 1 MBPS, 0.300 inihi,
Maunga Matapihi, Dip-8 |
Te Hangarau Avago |
|
HCPL-0500V |
1 Te Whakaputa i te Rohe Whakauru i te OpewarePler, 1 MBPS, Vand-Free,
Waiwai-8 |
Rochester Electronics LLC |
|
HCNW4502E |
1 Te Whakaputa i te Rohe Whakauru i te OpewarePler, 1 MBPS, 0.400 inihi,
Te arahi-kore, Dip-8 |
Te Hangarau Avago |
|
SFH6325 |
Moko iC Putanga OptPoCouppr, 2-huāna, 5300V wehenga,
1 MBPS, kirihou, tonuku-8 |
Infoon Technologies ag |
|
HCPL-5701 # 200 |
Moko iC Putanga OptPoCoPler, 1-huānga, 1500V wehenga,
0.1 MBPS, He whakaranu, he kirikiri, he kowhatu, ko te Dip-8 |
Abilent Technologies Inc |
Ko te 6n136 OptocoPler e kitea ana te nui o te whakamahi i nga kaiwhiwhi.He pai te whakahaere i te tuku raraunga tere-tere, te whakaiti i te tohu tohu tohu me te pono o te pono mo te tawhiti roa.Na roto i te whakakore i ona kaha, taiao e tino whai hua ana te mana tohu.Ko tenei taputapu optoelectronic e whai waahi nui ana ki te whakapakari i nga punaha whakawhitiwhiti, te whakarite i te whakawhiti raraunga i roto i nga waahanga whakawhiti waea, me te pupuri i te kaha o te whakahaere i roto i nga whatunga matatini.Kua whakaatuhia nga tono mara e taea ana e te 6n136 te whakaiti i te haruru o te haruru.I nga waahanga ahumahi me te taura roa e rere ana, ka mau tonu te pono o te tohu.
Ko te 6n136 Optocourpr te mahi hei whakakapinga mo nga transformer o mua, te tuku i nga painga penei i te whakaheke rahi, te whakaurutanga, me te pai ake o te pai.Ma te huri i nga transformers Pulse me 6n136, te kite i nga punaha whakarei ake me te whakaheke i te wawaotanga hiko.Ko tenei huringa ki etahi atu hoahoanga hiko me te pai e whakaatu ana i te ahuatanga o te hikohiko ki te iti o te paerewa mahi.Ko nga whakatinanatanga i roto i nga momo hiko hiko e whakaatu ana i te 6n136 e whakaora noa i te waahi tinana engari ka whakapiki ano i te tiimata o te punaha.
Ko tetahi waahanga o te tuuma o te 6n136 ko tana waatea me te CMOS, LSTTL, me nga whanau a TTL.Ko tenei pukenga he mea nui i roto i nga waahanga mamati rereke.Ma te whiu i te āputa whakahiato i waenga i nga paerewa arorau rereke, ka ngawari te hoahoa i te huringa whakahaere me te whakapai ake i te ngawari.Ka taea e koe te whakamahi i te 6n136 ki te whakatutuki i nga take whakahiato i waenga i nga whanau arorau i roto i nga whanau mamati, te whakataurite me te whakaiti i te uaua.Ko tōna kaha ki te whakawhiti i te maha o nga taumata arorau kua puta ki te whakatinana i te hoahoa paewhiringa whakauru.
Ko te tohu 6n136 o te kaiwhakaari o te 6n136 e tino nui ana mo te katoa o te hononga whakapaipai whakapaipai whanui.Ma te whakautu tere-tere me te iti o te rereketanga, ko te whakarite kia tukuna mai te tohu tohu puta noa i nga waa whanui.I roto i nga mara e hiahia ana ki te whakaputa i te waitohu waitohu, penei i te tukatuka oro me te hoko raraunga-tere-tere, ko tana mahi he tino rongonui.

Ko Vishay te kaiwhakarato rangatira e tino tohunga ana i roto i nga semiconductors motuhake (Diodes, optoelectronics) me nga waahanga whakahiato (nga kainoho, inductors).Ka kitea e o raatau waahanga te whakamahi i nga waahanga rereke, tae atu ki te ahumahi, te whakahiato, te miihini hiko, te whakawhiti korero, aerospace, me nga tono rongoa.
Ko nga waahanga semiconductors rongonui a Vishay me nga waahanga whakahoahoa e ahu mai ana ki nga taputapu hangarau hou.I roto i te waahanga ahumahi, ka whai hua o raatau hua ki te pono me te kaha o nga miihini me nga punaha miihini.Mo te whakauru, ko nga taonga o te Vashay nga waahanga mo nga hikohiko kaihoko me nga kaitohu taumata-hinonga.Ko enei waahanga ka whakarite i nga mahi, te pumau, me te iti o te hangarau o nga taputapu, te whakatutuki i nga hiahia hangarau o nga hangarau.
Ko nga waahanga a Vishay e whakaawe ana hoki i te ao haere o nga waka hiko (evs) me nga punaha taraiwa taraiwa-adawa (Adas).Ko o raatau mosfets me nga diodes he mea nui ki nga punaha whakahaere o te pākahiko me nga kaiwhaiwhai whakaheke, te whakarei ake me te pono.I roto i nga hikohiko a nga kaihoko, ko te Optoelectronics o OpHay e whai kiko ana ki te mahi iti me te kaha o te whakaaro o nga taputapu, e whakaatu ana i a koe i te wheako nui me te whakarite i te wa o te taputapu.Ko te hanganga o te waea waea te tino whakawhirinaki ki nga kaiwhakatakoto a Vishay me te Inductors mo te pupuri i te pono me te whakahaere pono.Ko enei waahanga e tautoko ana i te tuku raraunga-tere me te mahi i te whatunga whatunga kaha, i whakamahia mo te whakatutuki i te tono ma te maere mo te ao taapiri.
Ko te 6n135 he 850nm Algaas i arahi.Kei roto i te kaitango whakauru me te PhotodioDe, raina op-amp, me te Schottky Claode.Whakarato mahi tere-tere i te 10Mbd.Kei te hiahiatia te whakauru i roto i te waa, motuhake 5Ma.He rereke, ko te 6n136 he tino taumata nui.Whakauru i te kaiwhiwhi whakaahua whakaahua.E mohiotia ana mo nga kaha anti-anti-wawaotanga.Tuku i te ngaohiko-nui-whakawehenga me te hototahi TTL pai ake.I te whakatau i waenga i enei rua, ko te 6n135 e whiti ana i roto i te whakawhitiwhiti korero me te whakamahi tere me te kaha o te mana whakahaere, te pai mo nga taiao e tika ana te tere me te whaihua.I te taha toto, ka kaha te 6n136 i roto i nga mahi ahumahi me nga rongoa rongoa ranei, kei te aukati te wehe me te wawaotanga o te tautohetohe i te pono o te whakahaeretanga o te whakahaeretanga o te whakahaeretanga o te whakahaeretanga.
Ahakoa ko te 6n137 me te 6n136 te mahi rite ki nga kaupapa o Opto-te mahi.Ko te 6n137 te whakanui ake i te tere teitei o te 10Mbd.Ka whakahaerehia te reira i roto i te kohinga totika.Ko te tikanga, ko te 6n136 he tino kaha te kaha.Ka whakahaerehia i te tere o te 1MBD.No reira, ko te 6n137 te mea tino tika mo nga punaha whakawhitiwhiti korero e hiahia ana ki te whakawhiti raraunga tere, engari ko te 6n136 he pai ki nga taonga me nga momo hiko.
Ko te 6n136 e rite ana mo nga mahi tere-tere, e kitea ana i roto i tana whakaroatanga mo te 0.5 microseconds me te aukati i te 1.9ω.Ma tenei ka taea te tautoko i nga hononga whakawhitiwhiti korero-tere tere, tae atu ki nga reiti a Baud ki runga ake o te 500k, ka tino whakaputahia nga taputapu paerewa penei i te 4N25, TILI17 ranei.Heoi, ko te whakatutuki i enei mahi i roto i nga tono whaitake e tono ana kia aro nui ki te hoahoa a tawhio noa.Te whakarite i enei korero pai ka awhina i te whakaiti i tetahi tohu tohu pea, ka mau ki te kaha tere i whakaaria mai e te 6n136.
Tena koa tukuna mai he uiui, ka whakautu wawe taatau.
i te 2024/10/21
i te 2024/10/21
i te 8000/04/18 147778
i te 2000/04/18 112029
i te 1600/04/18 111351
i te 0400/04/18 83781
i te 1970/01/1 79579
i te 1970/01/1 66972
i te 1970/01/1 63107
i te 1970/01/1 63041
i te 1970/01/1 54097
i te 1970/01/1 52193