
Te BTA16 Ko te raupapa Triac te whānuitanga o nga tono hurihuri AC, ka tae atu ki nga waahanga katoa o nga waahanga penei i nga waahanga taapiri, te ture whakawera, me nga waahanga whakahaere.Ko te raupapa e whakaatu ana i te ngawari ki te rua-rua me nga paanui-runga, te whakatutuki i nga hiahia taputapu rereke.I te nuinga o te wa e whakamahia ana i runga i / OFF mana whakahaere, ka whakatika pai ano hoki ki nga mahi whakahaere i nga dimmers me nga kaiwhakahaere tere motuka.Ko nga putanga e whakaatu ana i te huringa o te koki i roto i te kokiri, ki te whakarato i tetahi painga motuhake i te wa e whakahaerehia ana nga taumaha penei i nga motuka me nga hau.I tua atu, kei roto i te BTA16 tetahi ripa kua tohaina, ka whakawhiwhia ki te tunutanga kaha ake e whakarei ake ana i te haumaru me te whakanui i nga mahi.
Ko te maaramatanga o te raupapa BT16 Triad e taea ai te whakamahi pai i nga tono maha.I roto i nga taapiri tatauranga, me whakarite tonu i nga mahi rereke puta noa i nga ahuatanga rereke, na reira e aro nui ana.Ka whai hua te huringa ture whakawera i tana mahi kaha, i te whakatutuki i te whakahaeretanga o te pāmahana.I roto i nga motuka motuka motuka, he nui ake te mahi a te BTA16 i runga i te / OFF nga mahi, te tuku i nga mahi tere tere hei whakatutuki i nga tono aunoa.I roto i nga tono e hiahia ana ki te whakahaere waahanga, penei i nga SMRMER me nga kaiwhakahaere tere motuka, ko te BTA16 Triac Seces.Ko tenei mahinga e kii ana mo te whakatikatika rerenga hiko, he mea nui te BT16 ki te whakatau tika.Ko tenei tika ka whakareihia i roto i nga waahanga raima-raima, e tika ana kia tutuki i nga ahuatanga react o nga taumahatanga penei i nga motuka me nga waka.Ko tenei kaha e poipoi ana i nga mahi pumau, ka mura te mana o te mana, ka whakawhānui ake i te roa o nga waahanga hono.



|
Āhuatanga |
Whakaaturanga |
|
Triac triac inaianei |
He pai mo nga tono e hiahia ana ki te whakamahi i nga waahanga reo
ritenga |
|
Te Taha Tiriti iti me te hononga topenga |
Whakarite kia pai te wehenga wera |
|
He iti te whakaweto i te aukati |
Ka whakaratohia te whakapai ake mo te raupapa BGA |
|
Te kaha o te whaikorero nui |
E waatea ana i roto i te 4-quadrant (4Q) ranei te tino 3-quadrant (3Q,
Nga Wahanga ™) |
|
UL1557 Whakamanahia |
Whakamanahia i raro i nga paerewa UL1557 (Kōnae Ref: 81734) |
|
Ka tutuki a Rohs |
Ko nga paanui e mau ana ki nga roopu a Rohs (2002/95 / EC) |
|
Ripa ripa |
I whakaitihia mo te 2500 Verms te whakauru mo te raupapa BTA |
Anei te tepu tohu hangarau mo te straicroelectronics BTA16-700BRG.
|
Tuhinga |
Parapara |
|
Te wa nui o te wheketere |
11 wiki |
|
Whakapā whakapā |
Tīni |
|
Maunga |
Na roto i te kohao |
|
Momo Momo |
Na roto i te kohao |
|
Paati / Take |
Ki te 220-3 |
|
Tuhinga o mua |
3 |
|
Te maha o nga waahanga |
1 |
|
Pāmahana whakahaere |
-40 ° C ki te 125 ° C (TJ) |
|
Whiu |
Ngongo |
|
Waehere Jesd-609 |
e3 |
|
Waehere pbfree |
Āe |
|
Wahanga Mana |
Kakama |
|
Taumata Maha Kore (MSL) |
1 (mutunga kore) |
|
Tuhinga o mua |
3 |
|
He taapiri taapiri |
UL e mohiotia ana |
|
Ngaohiko - tohu DC |
700V |
|
Te whakatauranga o naianei |
16a |
|
Tau waahanga |
BTA16 |
|
Takenga PIN |
3 |
|
Whiringa |
Kotahi |
|
Hononga Take |
I noho motuhake |
|
Max Whakaputanga Taha Whakahuri (Vrrm) |
700V |
|
Waehere jedec-95 |
Ki te 220bab |
|
RMS o nāianei (IRMS) |
16a |
|
Kia mau inaianei |
50Ma |
|
Momo taputapu Trigger |
4 Taumata arorau quadrant Triac |
|
Ngaohiko - gater trigger (vgt) (max) |
1.3v |
|
Nāianei - ko Rep Rep. Whakahau 50, 60Hz (ATM) |
160a, 168a |
|
Ko te waa o naianei - te taha o te kuwaha (igt) (max) |
50Ma |
|
Leakage o nāianei (Max) |
Papopu 2ma |
|
Tuhinga o mua |
400V / US |
|
Trimata Trimata |
Takoto |
|
Tuhinga o mua |
10V / US |
|
Whakapiki te radiation |
Kāo |
|
Te mana o te rohs |
RoHS3 |
|
Ārahi |
Ārahi |

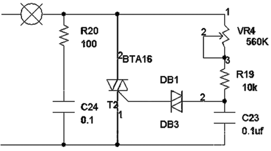
He papaa Triac Hipanga paerewa ma te whakamahi i te BTA16 Triac e tarai ana i te wa whakahaere a Cacacitor hei whakatika i te taumata diming o te umanga hono.Ma te whakamahi i tetahi kaiwhakamahara rereke (vr4) i te taha o te kaiwhakamahara (C23), ko te huringa pai te whakaputa i te roanga o te utu, na te whakarite i te waa whakamataku a Triac.I te ngaohiko o te 220V, ko te whakatikatika i te roa o te utu e whakarereke ana i te kanapa o te umanga;Ka whakanuihia e te marama te whakamarama ake.

I roto i tenei punaha whakaheke, nga waahanga VR4 me te R19 te whakahaere i te wa o te Kaihautū C23.Ka mutu te huringa i runga i te C23 HOKI i te 33V, ka uru te Triac, te maama.I muri mai, ko te thyristor DB1 e whakahaere ana i nga rerenga o naianei i roto i te umanga.I te wa e mutu ana, ka hoki mai te pouri, a ka timata te raupapa ka tiimata.He mea nui te roanga o te huringa o te huringa, me te mea he poto ake te marama o te utu, i te wa e matea ana nga utu.
Ko nga waahanga o te akomanga, penei i nga kaitohu tika me nga kaihauturu me nga taumata taapiri iti, whakapakarihia te tipu o te tipu o te huringa.Ko te whakatikatika i te take wera o te Triac ka whakaatu hoki i te pāmahana-tino kaha ki te aukati i te mau tonu me te tiimata.Te whakauru i nga wera wera e tika ana me te whakarite kia pai te aukati i te wero ki te wero.Te whakamahi i nga huringa whakaheke-a Triac-i runga i te kaha o te kaha me te whakahaere i nga whakawhitinga ngawari-maamaa, te patu i te toenga i waenga i te kaha me te whakamarie.Ko tenei huarahi tono e pa ana ki nga ahuatanga o te rama rama me nga tauhokohoko e tika ana ki tana putanga ohaoha me te whai hua.
|
Tau waahanga |
Whakaaturanga |
Kaimahitaonga |
|
BTB16-700C |
700V, 16A, 4 Taumata arorau quadrant Triac, To-220B,
Pakihi kirihou-3 |
Stmicroelectronics |
|
BTA16-700B |
700V, 16A, 4 Taumata arorau quadrant Triac, To-220B,
Kirihou, i wehea ki te-220ab, 3 pine |
Stmicroelectronics |
|
BTB16-700CRG |
700V, 16A, 4 Taumata arorau quadrant Triac, To-220B,
Ki te 220ab, 3 pine |
Stmicroelectronics |
|
Q7015R6 |
He Taapiri Triac, 700V v (DRM), 15A I (T) RMS, To-220AB |
Littelfus Inc |
|
BTB16-700CW |
700V, 16A, Tribleler triac, ki te 220ab, pākia kirihou-3 |
Stmicroelectronics |
|
BTB16-700KWWWWN |
700V, 16A, 4 Taumata arorau quadrant Triac, To-220B,
Ki te 220ab, 3 pine |
Stmicroelectronics |
|
BTB16-700SW |
700V, 16A, 4 Taumata arorau quadrant Triac, To-220B,
Pakihi kirihou-3 |
Stmicroelectronics |
|
BTB16-700BW / F5 |
700V, 16a, Triac Snriac, To-220b, To-220, 3 Pin |
Stmicroelectronics |
|
Q7015L6 |
Allitistor Triac, 700V V (DRM), 15A I (T) RMS, To-220AB,
Ka wehea ki te 220AB-Thermotab-3 |
Littelfus Inc |
Ko te raupapa BT16 he rongonui i roto i nga taapiringa o te static me nga dilmerers marama, te whakahaere i te whakawhiti me te whakawhiti me te mana o te waahanga.He mea nui enei waahanga ki te whakatutuki i tetahi mahi pumau i nga punaha rama ma te whakatikatika i te ngaohiko kua tukuna ki nga paanga.Nā tēnei, ka ārahi tēnei mahi ki te penapena pūngao me te whakawhānui i te ao o nga taputapu rama.
I roto i nga punaha whakahaere motuka, tae atu ki nga tiimata motuka me nga kaiwhakahaere tere, ka whakaatu nga raupapa BTA16.I roto i nga waahanga ahumahi, kei te kaha te whakahaere tere me te tiimata ngawari ki te aukati i te ahotea miihini, ka tino whakanuia enei waahanga.Ko te raupapa BT16 e whakaaro ana mo tona kaha ki te pupuri i te motuka motuka pai i te wa e whakahekehia ana nga kakahu miihini.
I te ao o te AC (ka huri i te waa) nga tono whakawhiti, ko te BTA16 Seces e kaha ana ki te whakarato mana kaha me te tino mana.Kia noho ki nga taputapu whare, miihini miihini ahumahi ranei, ka whakarite te raupapa o te mahi haumaru me te whai hua o nga punaha hiko.Ko tana hoahoa uaua e whakaiti ana i te heke me te tiaki, na reira ka whakamanahia te punaha.
Ko te whakaatu i nga mahi whakahiato, he pai te raupapa BT16 ki te whakahaere i nga taumahatanga o te aukati me nga taumahatanga.He rite tonu te mahinga puta noa i nga ahuatanga maha, he whakaaturanga mo tona hiranga i roto i nga waahanga hiko.Ko tana āheinga ki te whai hua ki te whakahaere i nga momo kawenga maha e whakaatu ana i tona huringa me te whai hua.

I whanau mai a Stmicroelectrocs mai i te ngongo o te SGROestTronica me te Siniconductors a Thomson a France i te tau 1987, e tohu ana i tona waahi i roto i te whenua semiconductor semiconductor.Ko te tari matua i tu ki Geneva, Switzerland, e kaha ana te kamupene ki te whakaputa i nga mahi rautaki a te United States, Ahia, China.Ko tenei paetukutuku i te ao e whakahoi ana i nga otinga auaha me te tuku i nga awhina hangarau ki te whānuitanga o nga ahumahi whanui, me te ahu whakamua me te hono honohono.
I roto i tana whakahere kino, ko te raupapa BT16 e tu ana hei tauira mo te whakatapu a Stmimiconductor.Ko tenei raupapa e whakaatu ana i o raatau mana ki te hanga i nga Triac, i hangaia kia rite ki nga tono rereke me te whakakaha i nga tikanga o te wero.Ko o raatau raina rereke rereke kei roto i nga microcontroller, nga taputapu whakairi, nga punaha whakahaere whakahaere, e mahi ana i nga waahanga whakahaere penei i nga waahanga o naianei, ahumahi, me nga Ahumahi, Ahumahi, Ahumahi, Ahumahi, Ahumahi, Ahumahi, Ahumahi, Ahumahi, Ahumahi, Ahumahi, Ahumahi, Ahumahi, Ahumahi, Ahumahi, Ahumahi, Ahumahi, Ahumahi, Ahumahi, Ahumahi, Ahumahi, Ahumahi, Ahumahi, Ahumahi, Ahumahi, Ahumahi, Ahumahi, Ahumahi, Ahumahi, Ahumahi, Ahumahi, Ahumahi, Ahumahi, Ahumahi.
Tena koa tukuna mai he uiui, ka whakautu wawe taatau.
Ko te rereketanga i waenga i te BTA16-800C me te BTA16-800B kei roto i te huringa Trigger.BTA16-800B e whakaatu ana i tetahi IGT<50mA, while BTA16-800C is endowed with an IGT<25mA, making its parameters more favorable. These models share STMicroelectronics (ST) lineage, with nomenclature as follows B for Bi-directional, indicating dual direction capability, A' for insulation; 'B' denotes non-insulation, 16' signifies a 16A current capacity, and 800' signifies a voltage rating of 800V
Ahakoa ko te BTA16-600B ka rite ki nga tohu mahi o te BTB16-600B, kei nga rereketanga o te miihini.Ko te wera o te BTA16-600B kaore i te hononga waenganui-waewae, ko te BTB16-600B e whakakotahi ana i tenei hononga.Mo nga whirihoranga kaore he wera wera, ka taea te whakakapi.Heoi, me te totohu wera, ina koa ka mahi nga hunga whaiwhakaaro, kia pai ai te hononga arorau, ki te whakatau i nga take whakauru ranei.
Ko te whakawhiti, engari ki te piri ki nga tikanga whakahiatotanga taketake: 'A' mo nga waahanga whakahiato i te 'B' mo te kore-aukati.
E waatea ana i roto i te rua-poka me te tuanui papa-maunga.
Ko nga kaiwhaiwhai he tino aro ki nga tono pera.
I whakaritea i te 2500V RMs.
i te 2024/11/7
i te 2024/11/7
i te 8000/04/18 147757
i te 2000/04/18 111934
i te 1600/04/18 111349
i te 0400/04/18 83719
i te 1970/01/1 79508
i te 1970/01/1 66900
i te 1970/01/1 63017
i te 1970/01/1 63010
i te 1970/01/1 54081
i te 1970/01/1 52120