
Te CD4007 Ko te huringa tuitui (IC) he kaupapa i roto i nga hikohiko o naianei e tika ana kia toru nga takirua o te whakauru n-Channel me nga kaiwhakaari p-Chanters.Ko enei takirua a te hunga whakaeke e tuku ana i te hihiri maere, i te mea ka taea te whakamahi i roto i nga raupapa e rua me te whakauru i nga whakaurunga, te whakarato rongoa mo nga momo hoahoa rereke.Ano, ko nga hononga CD4007 e kaha ana ki te maha o nga momo taputapu.
• cmos (whakaranu-whakarewa-miihini-cemiconductor)
• NMOS (N-CRANCH-CNIRE whakarewa-SEICICOnductor)
• TTL (Trantistor-Trantistor Logic)
Ko te CD4007 Glows i roto i nga ahuatanga e hiahia ana kia iti te heke o te ururua me te nui o te mate.Ko te tino whakahaere i nga taumata o te ngaohiko, te pupuri i waenga i te ngaohiko toha (vdd) me te whenua (VSS) i roto i te kuiti 0.3V.Ko te mana whakahaere tika ko te mea nui ki nga tono e whakarite ana i te whakaiti i te ngaro o te mana me te tautoko i te pono tohu tohu.
Ko te tiakitanga tuuturu o te IC mo te rere hiko (ESD) tetahi atu tohu rongonui.Te tātari i nga hua kino o te ESD i runga i nga waahanga hiko, ka tae mai te CD4007 ki nga piripiri i waenga i te rerenga hiko (VD) me te whenua (VSS).Ko enei koroua ka uru wawe ki nga huringa ngaohiko ohorere, ka tiakina te whakauru mai i te hiko hiko, he waahanga nui mo nga waahanga e kitea ana i nga ahuatanga rereke i te wa e whakahaere ana i nga ahuatanga o te whakahaere.

|
Pin No |
Ingoa pin |
Whakaaturanga |
|
1 |
2dp |
Te toenga o te cannel 2 |
|
2 |
Poko 2SP |
Puna o te Channel 2 |
|
3 |
2a |
Channel Whakauru 2 |
|
4 |
2sn |
Puna o n Channel 2 |
|
5 |
2DN |
Te tatau o te hongere 2 |
|
6 |
1A |
Channel Inputi 1 |
|
7 |
Vss |
Tukunga puna |
|
8 |
1dn |
Te tatau o te hongere 1 |
|
9 |
3sn |
Puna o n Channel 3 |
|
10 |
3na |
Whakauru urunga 3 |
|
11 |
3Ps |
Puna o te Channel 3 |
|
12 |
3Y |
Whakaputanga |
|
13 |
1dp |
Te tatau o te Channel 1 |
|
Rongo 14 |
Vdd |
Tuku |


|
Tuhinga |
Parapara |
Wāriu |
|
Maunga |
Momo Momo |
Maunga Matapihi |
|
Paati / Take |
14-Sokic (0.154, 3.90mm whanui) |
|
|
Tuhinga o mua |
Rongo 14 |
|
|
Ko te kete taputapu taputapu |
14-tino |
|
|
Nga tikanga whakahaere |
Pāmahana whakahaere |
-40 ° C ki te 85 ° C |
|
Te pāmahana whakahaere a Max |
85 ° C |
|
|
Min whakahaere pāmahana |
-40 ° C |
|
|
Nga tohu hiko |
Taha Taha |
3v ki te 15v |
|
Ngaohiko toha noa |
15v |
|
|
MIN TE WHAKAMAHI |
3V |
|
|
Whakaroa wehenga |
50 ns |
|
|
Whakarite Hoahoa |
Rārangitanga |
4000b |
|
Mahi arorau |
Kaimata |
|
|
Momo Momo |
Whakatakotoria takirua me te kaihoroi |
|
|
Te maha o nga waahanga |
2 |
|
|
Tuhinga o mua |
3 |
|
|
Te maha o nga raina whakauru |
3 |
|
|
Te maha o nga raina whakaputa |
3 |
|
|
Tau waahanga |
4007 |
|
|
Mokemoketanga |
Tuhinga o mua |
|
|
Taipitopito Taapiri |
Whiu |
Ngongo |
|
Wahanga Mana |
Neha kē |
|
|
Taumata Maha Kore (MSL) |
1 (mutunga kore) |
|
|
Te mana o te rohs |
Ka tutuki a Rohs |
|
|
Ārahi |
Ārahi |
|
|
Whakaputaina |
1999 |
|
Āhuatanga |
Whakaaturanga |
|
Whakaputanga Whakaputanga Oha |
3.0v ki te 15v |
|
Te Whakanoho Nui |
0.45 vcc (typ.) |
|
Whakamatau a Quiescent |
100% i whakamatauhia i te 20V |
|
Ko nga ahuatanga whakaputa whakaputa |
Whakahoahoa, kia whakarite i te whakaputa pono |
Ko te huringa CD4007 e mohiotia ana mo tona huringa me te tino whakawhirinaki, ka kitea e ia nga momo tono puta noa i nga momo hiko.
Ko te CD4007 e aro ana ki te hanga i nga waahanga whakahiato, he waahanga e hiahiatia ana o nga punaha mamati kei te whai mana nga taha tika mo te waa me te mahi.Ko enei soper e whakamahi ana i nga tohu oro ki te ma, ka whakamahia i roto i nga punaha whakawhitiwhiti hei karo i nga hapa me te pirau raraunga.Ka taea e koe te kite ko te whakauru i te whakaurutanga o te CD4007, te tohu pono, ko te whakarite i te tuku raraunga pumau.
I te ao o te hikohiko mamati, ka mahi nga kaiwhaiwhai hei waahanga mutunga.I te wa e whirihotia ana, ko nga mahi CD4007 hei tino pai, he pukumahi mo tana kohi mana iti me te kaha o te mahi, he pai mo nga tono whakauru-rahi.Ka taea e koe te kite ko te CD4007 e whakarato ana i nga mahi i roto i nga waahanga arorau matatini me nga miiharo, te whai wāhi nui ki te taatai me te pono i roto i te hoahoa mamati.
Ko nga kaiwhaiwhai paepae e whakatau ana mena he tohu whakaurunga whakauru he uara motuhake, he kaha hoki ki nga punaha automation me te haumaru.Ma te whakamahi i te CD4007, ka whakahaerehia e enei kaitirotiro me te tino taumata me te iti o te waahanga.Ko te pakari o tenei kaha ki te whakahaere i nga punaha whakahaere e tika ana te kitenga o te paepae tika ki nga whakautu a nga punaha ki nga momo whakaurunga.Ko nga tono tuuturu e whakaatu ana i te whakarei ake i te haumaru o te CD4007 me te whai huatanga me te kitenga o te paepae paru.
Ko nga raina whakarakei a Linegar i whakanui i nga tohu iti me te CD4007, ka whirihora hei whakanuinga raina, e whakarato ana i te tohu tohu me te pristatine.He tino rangatira tenei i roto i nga tono oro me nga taonga e pa ana ki te pono o te tohu.Ka taea e koe te maioha ki te CD4007 mo te pupuri i te pono o te tohu puta noa i te Abstication, na reira e tautoko ana i tona ahua i roto i te Raarangi Rarangi Rauemi.
Ko nga Oscillator Crystal, e whakawhirinaki ana ki te whakaputanga o te kohinga Crystal e whakahaere ana i te CD4007 mo te pupuri tonu i nga tohu Oscillation.He kaha te noho o tenei kaha ki nga whakaaro o te waa me nga taputapu whakawhitiwhiti korero.Ka taea e koe te whakamahi i te CD4007 kua whakawhanakehia e te Oscillator Crystal e whakaatu ana i te pumau, me te whakarite kia tutuki te pono me te tika ki nga tono hiko.Ko enei oscillator e mau tonu ana he mea nui hei whakapiki i nga mahi i roto i enei waahanga.
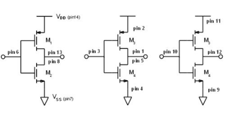
Ko te paanui CD4007 ka whakakahangia te kaha ki te whakaputa ki nga hoia tokotoru, e tuku ana i tetahi taputapu whaihua mo nga tono rereke rereke.Ko te putunga o te kohinga tuuturu ka uru ki te hono i nga Pins 8 me te 13 mo te putanga, me te PIN 6 e mahi ana hei whakauru.Ko te PIN 14 (VDD) me hono ki te tuku hiko.Ko te PIN 7 (VSS) me hono ki te whenua.Ka taea te whakarite i etahi atu kaitirotiro hei whakatutuki i nga whakaritenga motuhake.

Pins 2 (vdd) me te 4 (VSS) te mahi hei hononga mana.Pins 1 me te 5 hanga te putanga.Ko te Pin 3 ko te whakauru.Ka hono atu a Pin 11 ki te VDD.Ko te PIN 9 e hono ana ki te VSS.Ko te PIN 12 te mahi hei whakaputanga.Ko te PIN 10 e whakarato ana i te whakauru.

I runga i te semiconductor (NASDAQ: ON) e rongonui ana mo nga mahi hou-a-kaha, nga kaihoko a te ao ki te rapu i te whakapau kaha.Ko te kamupene e whakarato ana i te nui o nga rongoā puta noa i nga tini waahanga, tae atu ki nga miihini, whakawhitiwhiti korero, me nga hikohiko.
Ko te waahanga hua o te kamupene e mahi ana hei pou mo tana rongonui o te maakete.I runga i te semiconductor e tuku ana i nga rongoā e taea ana te whakamahi i nga tono motuhake o nga umanga motuhake.I roto i te waahanga-a-rorohiko, kia kaha ake ai a raatau hua ki te kaha o te waka me te haumaru e arahi ana ki te ohanga hinu pai ake me te whakarite kia pai ake te eke.I roto i nga hikohiko kaihoko, ko nga whakahere a te kamupene ka hangaia hei whakanui i nga mahi o te taputapu me te whakawhānui i te ora o te pākahiko.
I runga i te whakahaere mekameka whakahaere a SEICICOVUCT ka whakamanahia e te waatea tonu o ona hua hei whakatau i te tono a te ao.Ko te hononga o te kamupene me nga tari, ka whakanohohia ki nga maakete kino puta noa i Amerika ki te Tai Tokerau, ko Europe, me Aia-Moananui-a-Kiwa, e tere ana te whakautu ki nga hiahia o te maakete me nga whakaritenga a nga kaihoko.
|
Tau waahanga |
Kaimahitaonga |
Paati / Take |
Tuhinga o mua |
Mahi arorau |
Te maha o nga waahanga |
Te maha o nga raina whakaputa |
Whakaroa wehenga |
MIN TE WHAKAMAHI |
Taha Taha |
Tirohia whakataurite |
|
Cd4007cm |
I runga semiconductor |
14-Sokic (0.154, 3.90mm whanui) |
Rongo 14 |
Kaimata |
2 |
3 |
50 ns |
3 v |
3v ~ 15v |
Cd4007cm |
|
MC14007UBD |
I runga semiconductor |
14-Sokic (0.154, 3.90mm whanui) |
Rongo 14 |
- |
- |
- |
18 NS |
- |
5 v |
MC14007UBD |
|
SN74HCT04DR |
Texas taputapu |
14-Sokic (0.154, 3.90mm whanui) |
Rongo 14 |
Kaimata |
- |
- |
55 NS |
3 v |
3V ~ 18V |
SN74HCT04DR |
Nga Kaipupuri Pūhiko Cylindrical.pdf
Ko te CD4007 he VersCatile iC e taea ai e nga miihini te whakamahi mo nga kaupapa maha.Ka taea e ia te hanga i te mekameka e toru nga kaiwawao e toru, he kaikiri me nga keti e rua, he nui ake ranei nga kuwaha whakaaro.Ka whai wāhi nui nga kaiwero me te tuku i nga punaha mamati penei i te D Flip-Flops.Te mohio ki te ngawari o te CD4007 e taea ai e koe te hoahoa i nga waahanga taapiri me te kore e raru i te whakamahi i nga mea maha.Ko te āheinga ki te whakatika anō i te AC rite mo nga whakamahinga rereke kaore anake e rongoa ana i nga papa i runga i nga papa hurihuri ripene engari me tuhi ano hoki te kaupapa hoahoa.Ko tenei whakaurunga ka waiho hei taputapu e manakohia ana i roto i nga taiao maatauranga me nga taiao ahumahi.
Ko te CD4007 iC te nuinga o te waa mo ana tono rereke, he iti te wehenga waiariki, me te whakanikoniko whakamiharo.Ka whakahaerehia i waenga i te VSS i -0.3V me VDD i + 0.3v.Ko te whakahaere ngaohiko tika te mea taketake mo te pupuri i te pono o te IC me te hiki i tona roa.Te whakarite kia kaha ake te whakamahi i enei waahanga whakahaere hei aukati i te tino hiko e taea ai te whakaiti i te mahi a te IC i roto i te rahinga.Ko te aro ki tenei taipitopito he nui te nuinga i te waa o te waahanga o te hoahoa hiko.
Hangaia ma te whakamahi i te hangarau konumohe whakarewa (Mos) Hangarau, kei te waatea te CD4007 i roto i te rehu me te taapiri.Kei roto i te IC te toru n-Channel me te toru o nga kaiwhakaari mo nga tupapaku P-Channess.He tino painga tenei whirihoranga mo te whakawhanake i nga waahanga arorau me te whakauru.Te whakamahi i te hangarau hangarau e tuku ana i nga painga o te whakaurunga nui me te kohi kaha.Ko enei painga ka mahi i te CD4007 he whiringa tika mo nga tono-kore-mana hou.Ma te mahi i te nuinga o nga taonga o nga kaiwhaiwhai, ka taea e koe te whakatutuki i nga waahanga e whai hua ana, e pono ana, e whai kiko ana i roto i te tau o te pakeke me nga taputapu hiko hiko.
Tena koa tukuna mai he uiui, ka whakautu wawe taatau.
i te 2024/10/21
i te 2024/10/21
i te 8000/04/18 147757
i te 2000/04/18 111934
i te 1600/04/18 111349
i te 0400/04/18 83719
i te 1970/01/1 79508
i te 1970/01/1 66899
i te 1970/01/1 63010
i te 1970/01/1 63010
i te 1970/01/1 54081
i te 1970/01/1 52120