
Ko te AD8542AR he whakakaha whakahaere kaupapa-rua i hangaia mo te iti o te mana whakahaere me te reriwe ki te whakaurunga me nga mahi whakaputa.Ka mahi mai i te tuku kotahi me te tautoko i nga punaha ngaohiko iti e hiahiatia ana te whakahaere tohu pai.Ko te taputapu e whakarato ana i te whakakaha pumau mo nga tohu tairitenga iti i te wa e mau tonu ana te whanonga puta noa i tana awhe whakahaere.Ko tana hoahoa hongere rua e tautoko ana i nga whakatakotoranga ara iahiko kiato me te whakaiti i te tatau wae.Ko nga whakamahinga noa ko te whakamaarama tohu tohu, nga taputapu hiko o te pākahiko, nga taputapu ine kawe, me nga waahanga tukatuka tairitenga taketake.Ko te waahanga ka whakataurite i te tika me te kaha o te mana mo nga mahi tairitenga o ia ra.Kei te rapu mo AD8542AR?Whakapaa mai ki a maatau ki te tirotiro i nga taonga o naianei, te wa arahi, me te utu.

| Tau Pin | Ingoa Pin | Whakaahuatanga |
| 1 | PUTA A | Whakanuia He putanga |
| 2 | −IN A | Whakanuia He whakauru hurihuri |
| 3 | +IN A | Whakanuia He whakauru kore huri |
| 4 | V− | Te tuku kino, te whenua ranei |
| 5 | +I B | Whakanuia B whakauru kore huri |
| 6 | −IN B | Whakanuia B whakahuri whakauru |
| 7 | PUTA B | Whakanui B putanga |
| 8 | V+ | Te tuku pai |



Kei roto i te AD8542AR e rua nga hongere whakakaha motuhake i roto i te taputapu kotahi.Ma tenei ka taea e te waahanga kotahi te hapai i nga tohu tairitenga takirua, ka awhina i te whakaiti i te mokowā poari me te whakangawari i te whakatakotoranga ara iahiko.Ka mahi nga hongere e rua me nga whanonga hiko e rite ana, e tautoko ana i te tukatuka tohu riterite me te rite.
Ko nga whakauru me nga putanga ka taea te huri tata ki nga taumata tuku e rua.Ma tenei ka pai ake te whakamahi i te awhe ngaohiko e waatea ana, ina koa i nga punaha ngaohiko iti.Ka taea te tukatuka i nga tohu me te iti o te ngaro o te awhe hihiri i te wa e mahi ana mai i te tuku kotahi.
He iti rawa te toha o te taputapu i te wa e mahi noa ana.Ka tautoko tenei i te roa o te ora o te pākahiko me te iti ake o te hiahia hiko.He pai rawa mo nga punaha e kaha tonu ana mo nga wa roa.
Ko te ngaohiko whakauru iti ka awhina i te pupuri i te tika ina whakanuia nga tohu taumata iti.Ka whakaitihia te hapa ngaohiko kore i te putanga.Ka tautokohia e te whanonga whakawhenumi pumau nga inenga tukurua.
Ko te waahi whakauru e kumea ana he iti noa iho o naianei.Ka whakaitihia te taunekeneke me nga puna tohu impedance teitei.Ka awhina i te pupuri i te tapatahi tohu i roto i nga ara whakauru tairongo.
Ka tautokohia e te bandwidth taonga nga iarere tohu tairitenga noa e whakamahia ana i roto i nga hikoi tairongo me te mana whakahaere.E whakarato ana i te whakakaha tonu me te kore e nui te korikori tohu.Ma tenei ka pai te taputapu mo te whānuitanga o nga mahi tairitenga o ia ra.
Ko te tere o te patu ka taea te whakawhiti maeneene i te putanga ka huri te tohu whakauru.Ka tautokohia e tenei te aroturuki tohu pumau kaore he tapa ohorere.Ka awhina ia ki te pupuri i te whakautu wa e matapaehia ana.
Ka taea e te waahanga whakaputa te puna me te totohu i nga taumata o naianei.Ka taea e tenei te hono tika ki nga kawenga penei i nga whiriwhiringa, i nga kaitahuri ranei.I roto i te maha o nga hoahoa, kaore e hiahiatia he waahi taapiri.
Ka mahi te whakakaha puta noa i te whānuitanga o nga ngaohiko tuku.Ka taea e tenei te hototahi ki nga taumata hiko punaha rereke.Ka tautokohia te whakauru ngawari ki nga hoahoa ngaohiko whakauru.
Kua tohua te taputapu ki te mahi i runga i te whānuitanga o te pāmahana.Ka mau tonu te mahi hiko i raro i nga ahuatanga wera rereke.Ka tautoko tenei i te whakamahinga ki nga taiao ahumahi me nga taiao o waho.
| Huanga Hua | Uara Huanga |
| Kaihanga | Analog Devices, Inc. |
| Ngaohiko - Momo Whakawhiwhia (Min) | 2.7 V |
| Ngaohiko - Momo Whakawhiwhia (Max) | 5.5 V |
| Ngaohiko - Whakauru Whakawhiti | 1 mV |
| Whiwhi Hua Aratuku | 1 MHz |
| Reiti Whakamate | 0.92 V/µs |
| Momo Putanga | Rerewe-ki-Reriwe |
| Onāianei - Tuku | 45 µA (x2 Hongere) |
| Onāianei - Putanga / Hongere | 30 mA |
| Onāianei - Taapiri Whakauru | 4 pA |
| Te Waahi Mahi | -40°C ~ 125°C |
| Te maha o nga iahiko | 2 |
| Momo Whakaeke | Maunga Mata |
| Mōkī Pūrere Kaiwhakarato | 8-SOIC |
| Mōkī / Take | 8-SOIC (0.154", 3.90mm te whanui) |
| Mōkī | ngongo |
| Tau Hua turanga | AD8542 |

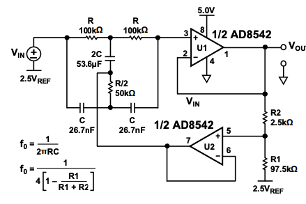
I whirihorahia te tātari kakari mahanga-T kaha ki te whakakore i te pokanoa 60 Hz ma te whakamahi i nga hongere e rua o te AD8542 rua whakakaha whakahaere i raro i te mahi tuku-kotahi.Ka whakakotahihia e te ara iahiko he whatunga mahanga-T haungoi i hangaia mai i nga parenga parenga me nga pūnga iahiko me te atamira whakakaha kaha hei whakanui ake i te hohonu o te kakari me te whakahaere i te tauwehe kounga, ka tohua ki te 10 ma te tauwehenga parenga kua tautuhia.Ka whakamahia he tuku 5.0 V me te tohutoro 2.5 V ki te tarai i te ara tohu, ka taea te mahi tika me te kore he reera kino.Ko tetahi waahanga whakakaha e whakahaere ana i te tohu kua tātarihia i te wa e paopao ana te tuarua ki te tohutoro i waenga-whakawhiwhinga, me te whakarite kia mau tonu te rītaha.Ka tohua nga uara waahanga hei whakarite i te auau kakari kia rite ki te hononga RC paerewa, kia pai ai te whirihoranga mo te peehi i te haruru o te raina hiko i roto i nga ara tohu tairitenga iti-auau.
Ko te AD8542AR te nuinga o te whakamahi i roto i nga hikohiko kawe e hiahiatia ana he iti te ngaohiko tuku me te mahi iti.Ka tautokohia te whakakaha tohu tohu i te wa e tuhi ana i nga waa iti, e awhina ana ki te whakaroa i te waa whakahaere o te pākahiko.Ko te reriwe ki te rerewhana ka taea te tukatuka tika i nga tohu ahakoa ka huri te ngaohiko pākahiko.
I roto i nga punaha e pa ana ki te puoro, ka whakamahia te AD8542AR ki te whakanui, ki te aukati, ki te aki ranei i nga tohu taumata iti i mua i te tukatuka.Ko tana naianei rītaha tāuru iti ka awhina ki te karo i te uta i nga putanga pukoro tairongo.Ka tautoko tenei i te whakawhiti tohu maamaa mai i nga pukoro penei i te pāmahana, te pehanga, nga huānga mohio marama ranei.
He pai te pai o te taputapu ki roto i nga taputapu me noho kaha mo te wa roa.E whakarato ana i te kaha whakakaha i te wa e iti ana te whakamahi hiko.Ma tenei e pai ana mo nga taputapu aro turuki e hiahiatia ana te whanonga tohu me te whai hua.
Ka whakamahia te AD8542AR i roto i nga waahanga mutunga o mua ki te whakarite tohu mo te hurihanga, poraka whakahaere ranei.Ka awhina i nga taumata ngaohiko me nga whakawhitinga tohu maeneene.Ma tenei ka pai ake te rite ki nga ara ororongo, iahiko whakaurunga kaiwhakamahi, me nga atanga tairitenga tere iti.
I roto i nga punaha ahumahi, ka tautokohia e te whakakaha te tohu tohu mo nga urupare whakahaere me nga huarahi aroturuki.Ko te whānuitanga o te pāmahana whakahaere ka taea e ia te mahi pono puta noa i nga huringa taiao.Ka tautoko tenei i te whanonga o te punaha i roto i nga mahi mo te wa roa.
Ko te AD8542AR ka kowhiria mo nga mahi whakakaha whanui i roto i nga papaa whakauru.Ka taea e ia te aukati i nga tohu i waenga i nga poraka tairitenga me nga poraka mamati.Ma tenei ngawari ka taea e ia te tautoko i nga mahi tātari, whakatauine me te wehe i roto i nga hoahoa kiato.

Ko te kohinga mata-mata kiato kua tautuhia e waru nga mata kua whakaritea hangarite huri noa i te tinana tapawhā whaiti, me nga rahi kua tohua ki te mitamano me te inihi rite hei tohutoro.Ko te tahora e whakaatu ana i te whanui tinana tata ki te 3.80 ki te 4.00 mm me te roa o te 4.80 ki te 5.00 mm te roa, me te 1.27 mm te taara arahi.Ko te ahuahanga mata kei roto ko te whanui mata kua tautuhia, te matotoru, me te teitei tuutuu hei whakarite kia tika te whakapiri me te whakakotahitanga, kua tohua ki te 0.10 mm.Ko te tuhi e whakaatu ana i te tirohanga o te rererangi noho, nga koki arataki, me nga taipitopito chamfer, me te tuhi i te hanganga ture ki te paerewa JEDEC MS-012-AA, e whakarato ana i te hototahi miihini rite mo te huihuinga poari porowhita.
• Ka tautoko te hoahoa hongere takirua i nga whakatakotoranga ara iahiko kiato
• Ko te iti o naianei e tautoko ana i te mahi pai o te kaha
• Rerewei ki te rerewhana whakauru me te whakaputa ka pai ake te whakamahi i nga ngaohiko tuku iti
• He iti rawa te piro whakaurunga o naianei e pai ana ki nga puna tohu impedance teitei
• Ko te whānuitanga o te pāmahana whakahaere e tautoko ana i nga taiao rereke
• Ko te whanonga pumau e pai ana ki te whakahaere tohu tairitenga
• He iti noa te whiwhinga bandwidth e aukati ana te whakamahi i nga tohu auau teitei ake
• Ka whakawhāiti te reiti whakamate i te whakautu ki nga huringa tohu tere
• Karekau te awhe ngaohiko tuku e tautoko i nga punaha ngaohiko teitei ake
• Ko te hoahoa kaupapa whaanui kaore pea e pai ki nga tono haruru tino iti
| Nama Wahi | Kaihanga | Nga waahanga matua | Whakamahia te Take/Tuhipoka |
| AD8542ARM-REEL | Analog Devices, Inc. | Ko te whakakaha mahi iti-hiko takirua me te mahi whakaputa tereina-ki-tereina, he iti te naianei whakauru whakauru, me te mahi pumau i runga i te whānuitanga o te pāmahana.Ka tukuna i roto i te riipene me te reel kete mo te huihuinga aunoa. | He pai mo nga hoahoa hiko-hiko me te waahi-iti e whakawhirinaki ana ki te hanga-mata-maunga aunoa, tae atu ki nga taputapu kawe me nga iahiko tohu tohu. |
| AD8542AR-REEL7 | Analog Devices, Inc. | Ko te op amp mahi-a-whanui e whakaatu ana i nga putanga reriwe-ki-tereina, he iti noa te waa, me nga ahuatanga hiko.Ka tukuna i roto i te kohinga reel nui-nui. | E whakamahia nuitia ana i roto i nga mahi whakangao nui mo nga mahi tukatuka tohu tairitenga penei i te whakakaha, te aukati, me te whakamaarama i nga punaha whakahaere me te aro turuki. |
| AD8542AR-REEL | Analog Devices, Inc. | Ko te whakakaha iti-hiko mahi takirua me te kaha ki te whakaputa tereina-ki-tereina, te whanui whanui, me te iti o te whakauru whakauru.I hoahoatia mo nga tono mata-maunga. | E tika ana mo nga iahiko tairitenga whaanui e hiahiatia ana he iti te kai hiko me te putunga mata-maunga kiato, penei i te hikohiko kaihoko me nga punaha whakauru. |
Ko Analog Devices, Inc. he kamupene hangarau e aro ana ki te hoahoa me te hanga o nga tohu tairitenga, tohu whakauru, me nga waahanga tohu mamati.Ko tana putea hua e tautoko ana i te inenga tohu, te hurihanga, te mana hiko, me te whakahaere raraunga puta noa i te tini o nga punaha hiko.Ka mahi te kamupene i nga maakete penei i nga taputapu ahumahi, nga whakawhitiwhiti korero, nga taputapu hauora, me te hikohiko kaihoko.Ko tana hitori roa e whakaatu ana i te aro ki te mahi pumau, te kounga rite, me te tautoko hua mo te wa roa.Ko nga waahanga o te kamupene e whakamahia ana i roto i nga punaha e hiahia ana ki te whanonga tohu pono i raro i nga ahuatanga hiko me te taiao.
Ko te AD8542AR e tuku ana i te ranunga taurite o te whakamahi hiko iti, te mahi pumau, me te whakahaere tohu ngawari.Ka taea e koe te whakawhirinaki ki tana tatūnga hongere rua ki te penapena waahi me te whakaiti i etahi atu waahanga o to ara iahiko.Ko tana whanonga tereina-ki-tereina ka awhina koe ki te whiwhi nui ake mai i nga ngaohiko tuku iti me te kore he taapiri uaua.Ma te iti o te whakauru whakaurunga o naianei me te ngaohiko whakaweto, he ma te whakahaere i nga tohu iti.He pai te mahi a te taputapu puta noa i te whānuitanga o te pāmahana, na reira ka whakawhirinaki ki nga taiao maha.I te katoa, he pai ki nga hoahoa tairitenga o ia ra, he mea nui te ngawari me te whai hua.
Tena koa tukuna mai he uiui, ka whakautu wawe taatau.
Ko te AD8542AR he whakahiato mahi rua-rua i hangaia mo te iti o te hiko, te mahi tuku kotahi.
Ae, he mea hoahoa ki te mahi mai i te ngaohiko tuku kotahi me te tautoko i te whakaurunga me te whakaputanga tereina-ki-tereina.
He maha nga wa ka kitea e koe i roto i te whakamaarama tohu tohu, te hikohiko kawe, te taputapu, me nga iahiko tukatuka tairitenga.
Ko te AD8542AR ka tae mai i roto i te 8-arahi SOIC mokihi-mata-maunga kuiti.
Ae, na te iti rawa o te naianei whakauru whakauru e pai ana mo nga iahiko e hono ana ki nga puna tohu impedance teitei.
i te 2026/01/13
i te 2026/01/13
i te 8000/04/18 147768
i te 2000/04/18 111996
i te 1600/04/18 111351
i te 0400/04/18 83764
i te 1970/01/1 79555
i te 1970/01/1 66956
i te 1970/01/1 63098
i te 1970/01/1 63029
i te 1970/01/1 54095
i te 1970/01/1 52176