
Te AD8130AR Ko te kaiwhiwhi utu nui-tere-tere i hangaia mo te tuku tohu kua oti te whakarite mo nga taura takirua.Hei waahanga o te whanau ad8129 / Ad8130, ka nui ake te huri i nga tohu rereke ki nga putanga-kotahi me te pono pono.Ma te whanui DB whanui-whanui o te 270 mhz me te tere o te 1090 v / μs, he mea pai mo te whakawhiti i te riipene whakaata me te rekoata mamati me te raraunga tere.Ko te Ad8130ar te whakakahore i te aukati-kore-ara i te 94 DB i te 100 DB i te 10 MHz, ka taea te whakahaere tika i runga i te utu iti.Ka tautokohia te whānuitanga kaha, mai i te rua +4.5 v ki te rua o nga reera.Ko te Ad8130 he kotahitanga-whiwhi ka pai ake mo te tino bandwidth, he tono iti-kore.
Mena kei te rapu koe mo te kaiwhiwhi pono, kaha-mahi nui, ko te Ad8130ar he tino whiringa nui.A tuu i to ota nui ki a matou i tenei ra kia noho pai ai o punaha tere-tere ki te whakahaere i nga mahi totika.

|
PIN nama |
Ingoa pin |
Whakaaturanga |
|
1 |
+ I roto |
Te whakauru kore-aukati (whakauru rerekee) |
|
2 |
-Vs |
Te huringa kaha o te mana |
|
3 |
PD̅ |
Mana-Whakatuturutanga-Up (he ngoikore) |
|
4 |
Kāore |
Tohunga Tohutoro Tohutoro (Tautuhi i te Aratau Whanui) |
|
5 |
Fb |
PIN urupare (mo te tautuhi i te hua, te pumau ranei) |
|
6 |
Haere kē |
Putanga o te Amplifier |
|
7 |
+ Vs |
Ngaohiko toha mana kaha |
|
8 |
An -in |
Te whakaputa i te whakaurunga (whakauru rereke rereke) |

Tohu AD8130AR

Whakawhanau

Tauira Ad8130ar 3d
He hōkaiipurangi tiketike: Ko te Ad8130ar e tautoko ana i te roopu -3 DB Bandwidth o te 270 mhz i te kotahitanga kotahi, ka taea e ia te whakahaere i nga tohu whakapaipai me te mamati me te ngaro o te ngaro, te roa ranei.Ma tenei ka pai ake mo nga tono nui-maha penei i te tuku tuku ataata me nga hononga raraunga tere-tere.
Tere tere: Ki te tere o te mate o te 1090 volts mo te Microsecond, ka tere te whakautu a te kaiwhakawa i te tohu tere, me te whakaiti i nga whakawhitinga koi, me te whakaiti i nga rerenga tere.
He tino whakakahoretanga-kore e whakakahoretia ana (CMRR): Ko te Ad8130ar te whakatutuki i te 94 DB CMRR mai i te DC ki te 100 khz, 80 DB i te 2 MHz, me te 70 DB i 10 MHz.Ma tenei ka taea e tenei te aukati i te haruru e hiahiatia ana, i te wawaotanga ranei e rite ana ki nga whakauru e rua, ahakoa i nga wa tiketike mo te whakamahi me nga taura takirua kaore i oti.
Ko te whakaurunga nui: Ko tana whakaurunga whakaurunga nui e kaha ana kia iti ake te uta i te punaha tohu, te tiaki i te pono tohu tohu me te ngawari ki te atanga me etahi atu waahanga.
Te whānuitanga o te whakaurunga-ara-ara: Ko te whānuitanga-whānuitanga whanui ka taea e te Amplifier te whakaae ki nga waahanga whakauru e rere ana i runga ake ranei i raro ake i raro ranei o te whakamahinga, ahakoa kaore he whakamahinga o nga whakawhitinga.
Te haruru whakauru iti: Ko te Ad8130ar te pupuri i te papa haruru iti, e tika ana mo nga tono tika penei i nga taonga me nga taputapu rongoa.
Te paheketanga iti: Ko te Amplifier e tuku iti rawa te rereketanga o te harmonic, i whanganga i te -79 DBC mo te tohu 1 v p-p i te 5 MHz.Ma tenei ka whakarite tika te whakaputa tohu tohu i roto i nga tono penei i te ataata, te tuku basebeab RF ranei.
Te whānuitanga o te toha : Ka taea e te whakahaere mai i te toha kotahi ka timata i te +4.5 v, mai i nga taonga takirua ki te ± 12.6 v, ka tuku i te hototahi ki te whānuitanga o nga punaha punaha me te whakapai ake i te whakakotahitanga o nga punaha.
Mahi-kaha: Ko te PIN-Down Whakahoahoa ka taea te whakakore i te taputapu kaore e hiahiatia ana, te tiaki i te mana i roto i nga tono-a-ringa-hiko ranei.

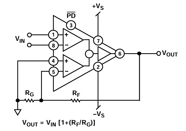
Ko te hoahoa poraka e whakaatu ana i te hanganga o roto o te Ad8130 me ona momo AD8130ar, e rua nga mahi hei kaiwhakamaatanga rerekee.I te matua o te taputapu he rua nga kaiwhakamaori rereke i whakaritea hei tukatuka i te tohu whakauru-mutunga (v_in) me te whakaputa i tetahi putanga rereke.Ka uru atu te tohu ki te PIN 1 (whakauru kore-aukati) ka rere i roto i nga taarua e rua e mau ana i te aukati i te aratau-tino tika me te pono pono.Ko te Pin 5 ka whakatauhia ma te RG Orch, i te wa e hono ana te kaimene urupare RF ki te huarahi ki te ara, ki te whakarite i nga hua e ai ki te tauira:

Ko tenei whakaritenga urupare e whakarite kia mau tonu te kaha me te whakahaere tika.Ka tukuna te mana ki te taputapu ma te pine 2 me te 7, e hono ana ki nga reanga kino me te pai (-vs me + vs).PIN 6 putanga Ko te tohu whakarangatira whakamutunga, me te titi 3 (PD) e taea ai te whakahaere mana ki te whakaora i te wa kaore i te whakamahia te taputapu.Ko te hoahoanga rereke o roto e whakaiti ana i te huringa me te wawaotanga o waho, kia pai ai te tono i nga tono tere-tere penei i te tohatoha tohu mo nga raina takirua.
|
Tuhinga |
Parapara |
|
Kaimahitaonga |
Anulog Agoces Inc. |
|
Whiu |
Ngongo |
|
Wahanga Mana |
Neha kē |
|
Momo whakanui |
Rerekē |
|
Te maha o nga waahanga |
1 |
|
Te reiti i patua |
1100 v / μs |
|
-3db bandwidth |
290 mhz |
|
Nāianei - o nāianei |
500 na |
|
Ngaohiko - tohutoro whakauru |
400 μv |
|
Nāianei - tohaina |
13 Ma |
|
Nāianei - putanga / hongere |
40 Ma |
|
Ngaohiko - tohaina te span (min) |
4.5 v |
|
Ngaohiko - tohaina te span (max) |
25.2 v |
|
Pāmahana whakahaere |
-40 ° C ~ 85 ° C |
|
Momo Momo |
Maunga Matapihi |
|
Paati / Take |
8-huatau (0.154 ", 3.90mm whanui) |
|
Ko te kete taputapu taputapu |
8-tino |
|
Tau hua hua |
AD8130 |
He kaiwhiwhi raina rereke-tere
Ko te Ad8130ar he kaupapa-hanga kia whiwhi tohu rereke-nui e tukuna ana mo nga taura takirua.Ko tana tino whakakahoretanga me te whanui whanui me te whakarite kia mau tonu te tohu me te tika ahakoa te tangi o waho.Ma tenei e pai ake ai te whakamahi i nga miihini ahumahi, hononga whakawhitiwhiti korero, taiao ranei kei te awangawanga nga EM me Crosstalk.
Te hurihanga-ki-to-whakamutunga
I roto i nga punaha maha, ka tukuna nga waitohu ki te ahua rereke mo te mate ohorere engari me huri ki nga tohu kotahi-mutu mo te tukatuka.Ko te AD8130R e whakahaere ana i tenei hurihanga me te iti o te rereketanga me te whanui o te hononga ki waenga i nga putanga rereke me nga taapiri kotahi, DSP, nga punaha ingoa.
Whakaterenga Whakaterenga Tere Tere
He mihi ki tona whakaurunga nui, he haruru, he rahinga tino pai, he pai rawa atu te AD8130ar mo nga tono taonga.Ka taea e ia te whakakii i nga inenga rereke me te whakakaha me te kore e taapiri i te haruru o te punaha, te whakanui i nga hononga pūtaiao, me te atanga sensor ahumahi.
Taumata Whakawhitinga Tono
Ko te Ad8130ar te whakatutuki i te whānuitanga o nga waahanga honohono-aratau-aratau-aratau, ka taea te huri ki te huri i nga taumata huringa i waenga i nga punaha me nga punaha rereke.He whai hua tenei ki nga punaha e waatea ana i te tawhiti roa, te hono atu ranei i nga rohe hiko kaore e hiahiatia ana e te hunga wehe ke, he taonga taapiri ranei.
Te Whakaaetanga Ataahua me te Mamati Ataata
Ma te whanui whanui me te wehewehe iti, ko te Ad8130ar he pai mo te whakawhiti i te tohu ataata a te taatai, i te taatai mamati ranei mo nga taura takirua.Ka tiakina e ia te maarama me te tino pono, te whakarite mo nga punaha tirotiro ataata, nga taputapu panui, te whakarite miihini miihini e hiahiatia ana te tuku-tawhiti.
Ngā pūnaha whakawhiti raraunga tere-teitei
I roto i nga punaha whakawhitiwhiti korero, ko te whakakoretanga i te tohu mo te tawhiti te mea nui.Ko te Ad8130ar te whakamana i tenei ma te pupuri i te pono o te tohu tohu ara nui ake i nga roa o te taura, kia whakarite kia tae mai nga tohu mamati tere.He tino whiringa mo nga punaha penei i te Ethernet mo te takirua takirua, nga waeine hoko raraunga, me nga punaha whakahaere mamati ranei.
He rite te mahi a te Ad8130arz-reel ki te AD8130ar, e whakaatu ana i te taua 270 mhz bandwidth, 1090 v / μs te reiti i patua, me te nui o te CMRR.Ko te rereketanga matua kei roto i tona whakatakotoranga kohinga, ka puta mai tenei putanga ki te reel-kore-a-iwi e tika ana mo te SMT (Maunga Hangarau Hangarau).He pai ake mo nga taiao miihini nui e rapu ana i te hanganga ture o te taiao me te pai o nga tukanga whakaputa.
Ko tenei momo rereke, ad8130000, ka tohatohahia nga ahuatanga hiko katoa o te AD8130AR engari ka tae mai ki tetahi kete iti iti iti (MSOP-8) kaua ki te tino paerewa.Ko te hōputu MSOP e tuku ana i tetahi tapuwae iti, e pai ana mo nga hoahoa PCB kua oti te aukati me te kore e whakatutukihia te mahi.Ko te tino whiringa mo nga punaha whakauru, tino pai ranei.
Ko te Ad8130Armz-reel7 te kaupapa kotahi ko te putanga Armz-reel engari i hangaia i roto i te whakatakotoranga rīpene-ā-ringa 7-inihi kua oti te whakarite mo nga punaha kai-a-waahi.Kei te mau tonu te ahua o te tere tere-tere, te utu iti, te tuku i nga raina huihuinga e hiahia ana kia pai ake te kaha o te reel.
Te hoahoanga urupare kaha
Kaore i rite ki nga opp-amps, ko te Ad8130R e whakamahi ana i te hoahoa urupare kaha e wehe ana i nga huarahi whakauru me nga huarahi urupare.Ma tenei ka whakaiti i te taunekeneke i waenga i te tohu me te urupare, te whakapai ake i te pumau me te whakaiti i te wehewehe.Ka whakarei ake ano hoki i te kaha o te taputapu ki te paopao i te haruru o te aratau, he pai ake mo te tukatuka tohu rereke mo nga tawhiti tawhiti.
Te bandwidth teitei me te reeti kua patua
Ko te Amplifier e tuku ana i te bandwidth o te 270 mhz me te tere uira-tere o te 1090 v / μs.Ko enei ahuatanga e taea ai e ia te whakahaere i nga taha tere me nga ihirangi nui me te roa o te tohu, te whakatau i te tohu tupapaku, he punaha whakawhitiwhiti ranei.
He iti te heke me te haruru
Ki te taumata haruru nui o te 12.5 NV / √hz me te haangai harmonic ano he iti -79 DBC i te 5 MHz, ko te Ad8130ar te whakarite kia pai, nui-pono.Ma tenei ka pai ake mo te taonga whai kiko me te hoko raraunga o te whakatau.
|
Parapara |
Rahi (MM) |
|
Whanui tinana |
3.80 - 4.00 |
|
Te roa o te tinana |
4.80 - 5.00 |
|
Whanui whanui (me nga kaiarahi) |
5.80 - 6.20 |
|
Te teitei o te tinana |
1.35 - 1.75 |
|
Te papaahi arahi (PIN SACING) |
1.27 (BSC) |
|
Te whanui whanui |
0.25 - 0.50 |
|
He matotoru te arahi |
0.17 - 0.25 |
|
Te roa o te arahi (mai i te kete) |
0.40 - 1.27 |
|
Te teitei o te tuunga |
0.10 - 0.25 |
|
Whakapāha |
0.10 (MAX) |
|
Ko te koki whakarangatira |
0 ° - 8 ° |

Ko te Ad8130ar i hangaia e Agvond Soft Adves Inc. (ADI), he kamupene semiconductor rongonui a te ao mo tana kaiarahi i roto i te tino mahi, i konatunatua-tohu, me nga hangarau tukatuka tohu.I hangaia i te 1965 ka whakapumautia i Wilmington, kua hangaia e AdisAsetts, a ADI he ingoa nui mo te tuku i nga waahanga totika me nga taonga hokohoko ki te whakawhitiwhiti korero.Ko nga taputapu whakairinga e whakaatu ana i te kounga, auaha, me nga tikanga mo te wa-roa, te whakarite i ona waahanga, tae atu ki nga otinga pono ad8130 ki te tono taiao miihini.Ma te tautoko i te hoahoatanga, he tuhinga pakari, he tohu angitu, ka whakarite a ADI kia tutuki nga paerewa kaha o te AD8130ar mo te pono o te mahi pono me te mahi.
Ko te AD8130ar he whiringa mohio ka hiahia koe ki te whakakaha pono e pupuri ana i nga tohu, ahakoa mo nga taura roa, i nga waahi ruuma ranei.He maha nga whakamahinga mai i nga punaha ataata me nga raraunga tere-tere hei whakamatautau i nga taputapu me nga tohu.He pai te mahi me nga taonga hiko rereke ka haere mai i roto i nga momo kete kete kia pai ai nga hoahoa hoahoa.Ko tana mahinga kaha, iti rawa, me te kounga whakawhirinaki mai i nga taputapu whakairihia kia pai ai te hanga i te hikohiko tere me te tika.
Eol Arata (PB) -Baring 07 / Oketopa 2016.pdf
Tena koa tukuna mai he uiui, ka whakautu wawe taatau.
Ae, ko tana whakakahoretanga-kore-ara (tae atu ki te 94 DB) ka tino pai mo nga taura takirua kaore i oti, te pupuri i te kounga tohu tika ahakoa i nga taiao noho.
Kaore, he mihi ki te whānuitanga o nga waahanga-waahanga-nui o te aratau-nui, ka taea te whakahaere tika me te kore e hiahiatia ana mo nga whakawhitinga wehenga, te whakahoahoa me te whakaiti i te utu.
Ma te iti noa o te harmonic he iti rawa -79 DBC i te 5 MHz me te 270 mhz bandwidth, ka whakarite i te tukatuka tohu ahakoa i te ataata, i te RF ranei.
Ae, kua hangaia ki te hapai i nga tohu o te taatai me te mamati, kia mohio ai ki nga tono mai i te tukatuka ataata ki nga punaha hoko raraunga-teitei.
Ko tona nui o te CMRR me te papanga rereke ka awhina i te wawaotanga hiko, te tuku i te hurihanga tohu ma i roto i nga umanga ahumoana me te taiao waea hiko ranei.
i te 2025/05/7
i te 2025/05/6
i te 8000/04/19 147782
i te 2000/04/19 112062
i te 1600/04/19 111352
i te 0400/04/19 83819
i te 1970/01/1 79639
i te 1970/01/1 66999
i te 1970/01/1 63124
i te 1970/01/1 63062
i te 1970/01/1 54097
i te 1970/01/1 52215