
Te Epm7160eqc160-10 Ko tetahi waahanga o te raupapa o te 7000 o Intel a Intel mo te whakahaere i te mana whakahaere i nga punaha hiko.Ka tae mai i roto i te kete 160-pin PQFP ka whakamahi i te hangarau EEPROM, na ka taea e koe te tarai i te mea e hiahiatia ana kia kaua e raru.He pai tenei maramara mo nga mahi whakahaere ngawari, hoahoa ranei e tika ana kia pono, kia whakahoutia ranei.He iti, he mahi ngawari, he ngawari ki te mahi me te hanga i tetahi mea e hiahia ana koe ki te whakariterite i te arorau me te kore e haere ki runga.
Kei te rapu mo te EPM7160EQC160-10?Whakapā mai ki a maatau ki te tirotiro i nga taonga o naianei, te waa arataki, me te utu.

Ko tenei raarangi e whakaatu ana i te tahora tinana o te 160-pin PQFP (Paraka Taakaro kirihou) i whakamahia e te EPM7160EQC160-10.Ko ia taha o te maramara tapawha e mau ana i nga titi 40, ka tohuhia i roto i te PIN 1, Pin 41, ko te 81, me te PIN 121.Ko te ahua o te tapawha e tautoko ana i te pikinga o te mata, ka whakamahia noa i roto i nga tono arorau me te whai kiko.Ko nga tohu waahanga kua tohua i te pokapū Whakatu i te hototahi ki etahi atu taputapu 7000 e pa ana ki nga raupapa 7000 e pa ana.
Ko te EPM7160EQF960-10 ka hoatu ki a koe 160 macrocells, he nui te waahi ki te hanga me te whakahaere i nga mahi arorau rereke me te kore e rere i waho o te ruma.Ka awhina tenei ki te mahi koe i nga hoahoa e hiahia ana koe kia iti ake te ngawari.
Ko ia o nga poraka 10 arorau e mahi ana ano he tira iti e whakahaere ana i nga mahi motuhake i roto i te maramara.Ka awhina ratou ki te pupuri i nga mea kua whakaritea, na reira ka taea te whakahaere i to hoahoa ahakoa ka tipu ake te uaua.
Ka whiwhi koe i te 104 Input / Putanga Putanga me tenei maramara, ka hoatu e koe he maha o nga huarahi hei hono atu ki etahi atu waahanga o to punaha.Ahakoa kei te kawe koe i nga raraunga, ki te tuku ranei, ka ngawari noa iho tenei maramara ki te whakahaere.
Ki 3200 nga kuwaha ka taea, ko te EPM7160EqC160-10 te ruma ki te tango i te whānuitanga o nga mahi arorau.He pai te pai mo aua waa ka hiahia koe ki te whakahaere engari kaua e hiahia ki te punaha nui, uaua ranei.
Ka whakautu te maramara mo te 10 nanoseconds, e awhina ana i nga mea tere.Mena he mea nui te wa i roto i to huinga, ka taea e tenei tere te pupuri i nga mea katoa kaore he lags.
Ka rere tenei maramara i runga i te awhe mana hiko 5V, he noa, he ngawari hoki ki te mahi.Kaore koe e manukanuka ki nga tatūnga taiao motuhake-whakauru atu ki nga punaha paerewa.
Ka tae mai i roto i te 10-pine airo i te keteroki kirihou (PQFP), rahi i te 28x28 mm.Ma tenei ka nui nga titi i roto i tetahi waahi iti, na reira kaore e nui te waahi i runga i to papa.
Ko te EPM7160EQC160-10 te mahi pai i waenga i te 0 ° C me te 70 ° C.Ko tenei waahanga e uru ana ki te nuinga o nga whakatakotoranga o roto, ahakoa kei te whakamahi koe i te teepu, i roto i te taiwhanga, i te waahi whakaputa ranei.
Ka taea e koe te whakau i tenei maramara ki to papa me te kore e rua nga kohao.He mea hanga mo te pikinga o te mata, hei awhina i te penapena i te waahi me te pupuri i to hoahoa ngawari.
| Huanga hua | Uara huanga |
| Kaimahitaonga | Whakauru |
| Taonga ngaohiko - roto o roto | 4.75v ~ 5.25v |
| Ko te kete taputapu taputapu | 160-PQFP (28x28) |
| Rārangitanga | Max® 7000 |
| Momo ProfictionMable | Tuhinga o mua |
| Paati / Take | 160-BQFP |
| Pūhera | Heri |
| Pāmahana whakahaere | 0 ° C ~ 70 ° C (ta) |
| Tuhinga o mua | 160 |
| Te maha o nga waahanga arorau / Poraka | 10 |
| Tuhinga o mua | 104 |
| Tuhinga o mua | 3200 |
| Momo Momo | Maunga Matapihi |
| Te roa o te TPD (1) Max | 10 ns |
| Tau hua hua | Epm7160 |

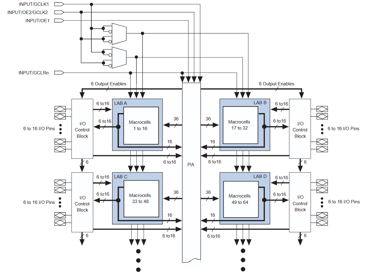
Ko tenei raarangi e whakaatu ana i te hanganga o roto o te EPM7160EQC160-10-10-10.Kei roto i nga poraka e wha nga poraka i tapaina a D, kei roto i te 16 macrocellls kua uru ki nga huinga penei i te 1 ki te 16, 17 ki te 32, me era atu.Ko enei tapanga e hono ana ki tetahi hononga honohono i kiia ko te Pia, ka taea te whakahaere i nga raraunga ngawari.Ko ia taiwhanga e korero ana me te tata ki / O Nga poraka whakahaere, e whai mana ana ki te 6 ki te 16 whakauru / pine PING.I te tihi o te hoahoa, he maha nga raina whakauru kua tohua hei tohu GCLK me te mana whakahaere ranei e whangai ana ki te whakaaro whakahaere o te ao.Ko tenei arorau e taea ai te whakaputa me nga tohu whakahaere whakauru puta noa i nga poraka katoa.

Ko tenei hoahoa e whakaatu ana i te whakatakotoranga o roto o te macrocelll i whakamahia i roto i te 7000e me nga taputapu 7000 e tae atu ana ki te EPM7160EQC160-10.Ka tiimata mai me nga tohu e puta mai ana i te raarangi interconnect procyKo enei tikanga ka tohua me te tukatuka i te kupu-hua ka tohua te Matrix, ka whangai i nga hua arorau ki te huinga o nga tatau.Mai i reira, ka haere te tohu ki te rehita whaihua me nga whiringa mo te aukati i te whakauru tere ranei.Ko te Macrocell te hono atu ki nga raina o te ao me te ao mo te mana whakahaere.Kei roto i nga whiringa putanga te tuku i te tohu ki te poraka o te poraka i / o te whakahaere ranei i te waa e hoki ana ki te Pia.
Ka taea e koe te whakamahi i te EPM7160EqC160-10 i roto i nga punaha whakahaere taketake i kitea i nga wheketere, i nga taapiri aunoa ranei.Ka awhina ia ki te whakahaere i nga mahi mahinga, penei i te hurihuri, te wa, te mana arorau ngawari ranei, kia whai hua ai mo nga punaha kaore e hiahiatia kia whakaritea.
Ko tenei maramara e pai ana ki nga taputapu e whakahaere ana i nga raraunga, tohu ranei, penei i nga pouara, te telecom ranei.Ka taea e koe te hanga i nga huarahi arorau ritenga hei awhina i to korero ki to punaha ki etahi atu waahanga pai me te noho urupare.
Mena kei te mahi koe i nga taputapu, i te hikohiko ranei, ka taea e te EPM7160EQC160-10 te awhina i o whakaaro ki te ora.Ka whakaputahia e te mana o te mana whakahaere me te kore e hiahia ki te waatea, te mana ranei, e pai ana te mahi, te hoahoa-iti ranei.
I roto i nga punaha whakauru, i te waahi me te ngawari, ka tukuna e tenei maramara anake te nui o te ngawari.Ka taea e koe te whakamahi hei whakahaere i nga mahi whakahaere iti, hei awhina ranei i nga waahanga rereke o to punaha.
Mena kei te pupuri koe i nga hoahoa tawhito i whakamahia ai te raupapa o te 7000 7000, ka taea e te EPM7160EQC160-10 nga mea katoa e mahi ana.He whiringa totika ina hiahia koe ki te whakakapi tika, ki te hiahia ranei ki te whakawhānui i te koiora o te whakarite taonga tuku iho.
• Te arorau tere-tere me te 10 ns whakaroa
• te ahua o te arorau nui i roto i te kaupapa hanga taapiri
• Te maumahara a EEPM Whirihoranga EEPM
• Te whakatutukitanga o te mahi
• Ka whakamahia whānuitia mo te tautoko hua taonga tuku iho
• He iti noa iho ki nga punaha arotunga 5v
• Kaore he Tautoko mo te Ora-iti o Io Hou
• Ko te hua he mutunga-o te koiora, he iti te waatea
Ko te Inll tetahi ingoa rongonui i roto i te ao hangarau, e tuku ana i nga hua e whakamahia ana i roto i nga taputapu maha o ia ra.I roto i nga tau, ka hangaia he ingoa kaha mo te hanga i nga maramara pono hei awhina i te whānuitanga o nga punaha.Mai i te Hiko Hiko ki nga taputapu umanga, ka hangaia nga waahanga a Intel kia pai ai te rere o nga mea.Mena kei te rapu koe i tetahi mea kua whakamatauria, ka whakawhirinaki ki nga umanga rereke, ko Intel tetahi waitohu ka taea e koe te whakawhirinaki.
Ko te EPM7160EQFC160-10 te mea e taea ana te whakawhirinaki ki te hiahia koe ki te maramara whaihua me te pai o te mahi me nga waahanga ngawari-ki te whakamahi.Ka whakawhiwhia ki a koe he ngawari ki te 160 macrocell me te 104 i / O nga titi, katoa i roto i te whakatakotoranga whakahiato, whakahoutia.Ko tana waa whakautu tere me te hototahi me nga punaha noa e whai waahi ana mo nga kaupapa maha.Ahakoa kei te hanga koe i tetahi mea hou, e whakahou ana ranei i tetahi huinga tawhito, kei te pupuri tonu tenei maramara i nga mea pai.He pai te uru ki nga punaha whakauru, te whakahaere i nga taputapu, me nga hua kaihoko.Ma te tautoko me te hoahoa totoro, he maamaa atamai mo te maha o nga hiahia whakahaere arorau.
Tena koa tukuna mai he uiui, ka whakautu wawe taatau.
Ko te EPM7160EQFC160-10 e whakamahia ana i roto i nga punaha whakahaere, nga tono whakauru, me nga taputapu whakawhitiwhiti korero e hiahiatia ana.Ka awhina ia ki te whakahaere i te rere tohu, nga mahi whakahaere, me nga mahi whakauru / putanga me te kore e hiahia ki te whakahaere.Ma tenei ka whai hua ki te miihini wheketere, hiko kaihoko, me etahi atu punaha e whakawhirinaki ana ki te arorau o te hōtaka.
Ae, ka whakamahi i te hangarau EEPROM, na reira ka taea te whakahoki ano i nga wa maha e hiahiatia ana.Ma tenei ka taea e koe te whakahou i to hoahoa arorau me te kore e whakakapi i te maramara.He waahanga pai kei te whakawhanake tonu koe i to punaha, me whakarereke ranei i muri i te whakaurutanga.
Ko te EPM7160EQFC160-10 te mahi i roto i te kohinga totika o te 4.75V ki te 5.25v.He paerewa tenei mo nga punaha maha me te whakauru ngawari.Kaore e hiahia ana koe ki nga kaiwhakahaere o te ngaohiko motuhake, ki te whakarereke ranei mena kua whakamahia e to punaha te 5V arorau.
Ma tenei maramara e whakarato i te 104 i / O o pine.He nui te ngawari ki a koe kia honoa ki nga momo taputapu me nga waahanga.Ka taea e koe te whakahaere i nga whakaurunga raraunga, nga tohu whakahaere, me etahi atu waahanga punaha ma te whakamahi i enei titi kaore e hiahia ana i nga tini o waho.
Ahakoa e kiia ana ko te EPM7160EQC160-10 he hua tuku iho, kaore pea i te mahi katoa, kei te waatea tonu ma nga kaiwhakarato.Ka taea e koe te tirotiro me nga kaiwhakarato mo nga taonga o naianei, te utu, me nga huarahi arataki, ina koa kei te pupuri, ki te whakatika ranei i nga punaha pakeke e whakawhirinaki ana ki runga.
i te 2025/07/30
i te 2025/07/29
i te 8000/04/17 147718
i te 2000/04/17 111776
i te 1600/04/17 111327
i te 0400/04/17 83645
i te 1970/01/1 79325
i te 1970/01/1 66801
i te 1970/01/1 62963
i te 1970/01/1 62852
i te 1970/01/1 54045
i te 1970/01/1 52027