
Te ISPACC-CLK5320S-01TN64C He pūkenga, he-punaha kore-punaha ranei i hangaia e ia mo nga tono tohatoha karaka.I tukuna atu ki te 12 nga putanga o te tipu-iti, me nga paerewa whakaputa e taea ana te tautoko i nga paerewa I / O SSSL, SSTL, me HSTL.Ka taea e nga kaiwhakamahi te whakatika i nga huanga whakaputa, te whakamutu, ka patua te reiti, me te wa ano mo ia putanga.
He mihi ki te PLL tino mahi, ka whakarite te taputapu i te wa poto.Kei roto i te toru o nga kaute whaihua 5-bit hei whakaputa i nga waa maha, ka taea te heke ki tetahi PIN putanga.E wha nga ahuatanga o te taputapu whakahaere, tae atu ki te kore-roa me te kore-kore-kore-whakamahi i nga whiringa kowhatu.
Ahakoa e hiahia ana koe ki tetahi waahanga kotahi, nui ranei, ko te ISPCCKCKCKY500S-01tn64C e whakarato ana i nga otinga whakahaere o te karaka pono, ngawari.Whakapa atu ki a maatau mo nga whiringa hoko hoko me te tango i a maatau utu whakataetae!

Ko te ISPACC-CLK5320S-01TN64C e tuku ana i nga momo whakahaere e wha, e taea ai e koe te whiriwhiri i te whakatakotoranga pai mo o hiahia o to tohatoha.Ko te Aratau Tere Tere Tere Tere Tukutahi Whakauru me nga Karaka Whakakapi me te roa o te wa roa, i te wa roa o te aratau buffer e whakakotahi ana i nga mahi e rua mo te ngawari.Ko te tikanga kore-rua te roa o te aratau buffer e rua nga huarahi whakaroa motuhake, me te kore-roa o te waatea kore-kore e taea e te aratau wehenga ki te wehe i nga karaka karaka.
Ma te tautoko mo nga wahanga mai i te 8mHz ki te 267MHz, ka whakaratohia e tenei taputapu te whānuitanga o nga whiringa karaka, e tika ana mo nga tono waa rereke.Ahakoa e hiahiatia ana e to punaha te tohu iti, te nuinga ranei, ka whakarite tenei waatea i nga mahi kaore e taea te whakahaere i nga momo taputapu katoa.
Ko tenei taputapu e tuku ana i te waa tohu tika me te iti iho i te 100ps putanga-ki-putanga i raro i te 70ps tihi-ki-tihi jitter.Ko enei uara iti e awhina ana i te pono o te tohu me te whakaiti i nga hapa i roto i nga tono-tere, kia pai ai te whakahaere i nga waahanga uaua.
Ko te ISPACC-CLK5320S-01TN64C e whakarato ana ki te 20 nga peehi i nga wa katoa e whai kiko ana, e tuku ana ki a koe mo nga whirihoranga whakaputa.Ka tautokohia e ia nga paerewa whakaputa-mutunga, tae atu ki te LVTTL, LVCMOS, HSTL, EHSTL, me SSTL.Ka taea e koe te whakatika i te whakaputa i waenga i te 40ω ki te 70ω i roto i te 50 taapiri me te whakarereke i te reiti kua patua mo nga whakawhitinga tohu pai ake.I tua atu, kei roto i te 10 nga taputapu mo te 10 nga pareparenga, ia tangata ake (1.5v, 1.5v, 2.5v, 2.3v), kia wehea nga taumata ngaohiko mo nga putanga rereke.
Ko te PLL whakakotahi e whakarite ana i nga tohu karaka me te pono me te kitenga tata i te punaha mo te aro turuki i te tika.Kei roto i te toru nga wehenga o te kaupapa e whakahaere ana i nga mana o te 2 (1, 2, 8, 8, 16, 16, 32), kia ngawari te whakatikatika.Ko te tātari i runga i-maramara ka awhina i te tangi o te haruru, i te wa e horahia ana te huringa karaka i te karaka i te pokanoa hiko.E tautoko ana te taputapu i nga urupare a roto me waho, te tuku i nga whiringa taapiri hiko.
Ka taea e koe te pai-ki te whakaputa i ia putanga me te ± 5N 5N o te whakatikatika waahanga hei whakarereke i nga tohu.Ko te taputapu e waru nga tautuhinga raupaparorohiko mo te rahi o te tau 156ps, hei whakarite i te mana o te waa.Ka tautokohia e ia nga tikanga whakatikatika pai, ka taea e koe te whakatutuki i nga whakaritenga o nga punaha rereke.
Ko te ISPACC-CLK5320S-01TN64C e tautoko ana ki te toru rohe o nga rohe o te karaka wehe, ka taea e nga tohu tohu maha te whakahaere i roto i te taputapu kotahi.He pai tenei waahanga mo nga punaha e hiahia ana ki nga punaha karaka motuhake mo nga waahanga rereke.
E whakarato ana tenei taputapu i te whānuitanga o nga paerewa whakauru me nga urupare urupare, tae atu ki te LVTTL, LVCMOS, SSSL, HSSL, LVPEC, HSTL, me te SSSL.Ka taea e te karaka A / B te taapiri mo te huri i waenga i nga puna whakauru, engari ko te huarahi urupare whaihua e tautoko ana i te LVTTL, LVCMOS, SSTL, me HSTL.Hei taapiri, ka hangaia - i hangaia ai - i te whakatikatika i te hōtaka e whakarite ana i te whakahaere tohu, hei whakapiki i nga mahi katoa.
Ko te ISPACC-CLK5320S-01TN64C he tohu wera, ko te tikanga ko nga whakauru katoa me nga putanga ka tino mahi tonu i nga wa wera.Ma tenei ka whakarite i nga mahi tonu me te kore o te mate o te ngaro o te raraunga, te aukati ranei.
Ka tautokohia e te taputapu te JTAG rohe Scan me te punaha pūnaha-a-punaha, te whakarite i te whirihoranga me te whakamatautau ngawari me te kore e hiahia ki te tango mai i te waahi.Ka whakatikatika te tuku me te whakatere i te waa whakawhanaketanga.
I hoahoatia kia tu tonu te haruru o te mana, ka whakarite te taputapu i te mahi pumau ahakoa i roto i nga taiao noho hiko hiko.Ma tenei ka pai ake te whiriwhiri mo nga tono-a-mahi e hiahia ana ki te whakahaere i nga karaka.
Kei te waatea te ISPACC-CLK5320S-01TN64C i roto i te arumoni (0 ° C ki te 70 ° C ki te 75 ° C ki te 85 ° C), me whakarite te mahi puta noa i nga ahuatanga taiao.Ka tae mai i roto i te 48-pin me te 64-pine ki nga paatene TQFP, he ngawari te whakauru ki nga punaha.
Ko nga whakaritenga hangarau o te lattice semiconductor, ispac-clk5320s-01tn64c.
|
Tohu |
Wāriu |
|
Kaimahitaonga |
Lattice semiconductor |
|
Rārangitanga |
ispclock ™ |
|
Tuhinga |
Kaihanga Karaka, Tohaina Fanut, Zero Aukati |
|
Te maha o nga waahanga |
1 |
|
Ngaohiko - toha |
3v ~ 3.6v |
|
Te whakamahi i te whakamatautau. |
0 ° C ~ 70 ° C |
|
Te nuinga - max |
267Mhz |
|
Ratio - Input: putanga |
2:20 |
|
Pll |
Ae me te riihi |
|
Te wehewehe / whakarangatira |
Ae / Kare |
|
Te rereketanga - Input: putanga |
Ae / Kare |
|
Kōkuhu |
HSTL, lvcmos, lvds, lvpecl, lvttl, sstl |
|
Whakaputanga |
Ehstl, hstl, lvcmos, lvttl, sstl |
|
Paati / Take |
64-lqp |
|
Mōkihi kaiwhakarato |
64-TQFP (10x10) |
|
Momo Momo |
Maunga Matapihi |
|
Pūhera |
Heri |
|
Tau hua hua |
ISPPAC-CLK53 |

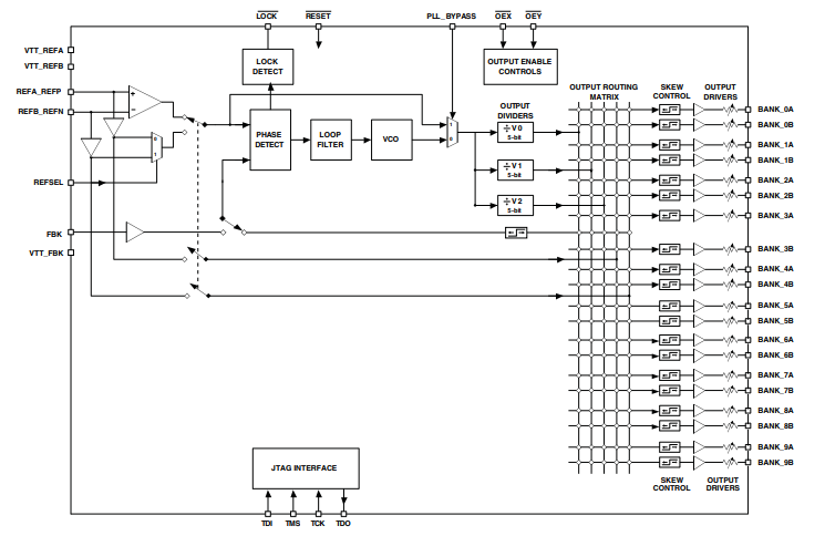
Ko te hoahoa e whakaatu ana me pehea te mahi a te ispac-Clk5320S-01tn64C hei kaiwhakawhanake i te karaka.He maha nga tohu o nga tohu korero mo te Karaka (Reta, Refb) me te tohu urupare (FBK) hei pupuri i nga mea katoa i roto i te tukutahi.Ko te whakauru whakauru (PHELLE) ka tohua e te tohutoro hei whakamahi.Ka whakataurite te kaiwhakamaori i te tohu kua tohua me te tohu urupare i mua i te tuku i te tohu ki te Oscillator-Whakahaere-Whakahaerehia.Ko te VCO e whakaputa ana i te karaka teitei-aukati, ka wehea ki nga putanga karaka rereke.Ko enei putanga ka haere i te wharikihanga, ka taea te whakatika mo te wa (mana whakahaere) i mua i te tuku mai i nga taraiwa whakaputa.Kei roto hoki i te punaha te putanga Whakahohe, he whiringa taapiri Pll, me te waahanga kitenga kati hei whakaatu i te wa e pumau ana nga mea katoa.I tua atu, ko te atanga JTAG kei roto i te papatono me te whakamatautau.Ko tenei huinga ka whakarite i te tohatoha karaka tika puta noa i nga waahanga rereke o te punaha, me te whai hua mo nga kaitukatuka, nga taputapu whakawhitiwhiti, me etahi atu waahanga mamati.
Ko te ispac-clk5320s-01tn64C e whakamahia whānuitia ana hei tohatoha i tetahi tohu karaka noa puta noa i nga papa porowhita.Ka whakarite ko nga waahanga hono katoa e whiwhi ana i nga tohu taapiri honohono, te whakapai ake i nga whakawhitiwhiti korero i waenga i nga waahanga rereke o te punaha.Ki tona koikoi iti me te jitter, ka awhina te pupuri i te tika tohu, te whakaiti i nga hapa i te whakawhiti raraunga.
Kei roto i tenei taputapu tetahi Pll-mahi nui, ka taea e koe te whakaputa i nga huringa hiko me te whai hua.Ahakoa e hiahia ana koe ki te whakanui, ka wehe, ka tukutahi ranei i nga mahi a te Karaka o te Karaka mo te maha o nga tono, tae atu ki nga punaha raraunga, me nga taputapu whakawhitiwhiti korero.
A, no te mea me tango e te tohu kotahi nga waahanga maha, ko te ISPACC-CLK5320S-01tn64C he mahi hei tino rangatira.Ki te 20 putanga o te whakamahere, ka taea te tohatoha i nga tohu karaka i te wa e pupuri ana i te waa iti i waenga i nga whakaputanga.He whai hua tenei ki nga punaha nui e hiahiatia ana e te Ope Taua.
Ko te mahi beno-roa te mahi a te ISPAC-CLK5320S-01tn64C e whakarite ana kia noho tonu te karaka whakaputa me te karaka tohutoro, hei aukati i nga tima tohutoro.He tino whai hua tenei ki nga tono ka hiahiatia te tukutahi, penei i nga hononga mahara, i nga taputapu mahara, me nga punaha tukatuka raraunga teitei.

Ko te hoahoa e whakarato ana i nga waahanga tinana me nga taipitopito tahora o te ISPAC-CLK5320S-01TN64C Poraka.Kei roto i te tirohanga rereke-runga, raro, taha, me te waahanga whakawhiti-ki te tuku i te maarama o tona ahua me te rahi.Ko te kete e 64 nga titi i whakarite i ona taha.Ko te tirohanga o runga e whakaatu ana i te whakaritenga titi, me te tohu iti e tohu ana i te titi 1 mo te kaupapa tika.Ko te tirohanga o raro e whakarato ana i te tirohanga rite engari mai i raro.
Ko te tirohanga taha e whakaatu ana i te teitei o te kete, ko te ahua o nga kaiarahi, me te pehea e hora ai i te tinana.He tohu taipitopito-i (taipitopito 'A') e whakaatu ana me pehea te piko o te kaiarahi me te pa ki te poari porohita.Ko te waka rererangi te waahanga e hono atu ai ki te poari ina eke.
He tepu e whakarārangihia ana i nga momo mehua, tae atu ki te teitei o te kete, he whanui te whanui, me te mokowhiti i waenga i nga titi.Ko nga rahinga katoa kei roto i nga millimeters.Ko nga tuhi e whakamarama ana i te tohatoha, me pehea te whangai o te kete, me etahi atu taipitopito penei i nga tikanga mo te hangai me te whakaoti i te ara.Ko te ahua tika o nga kokonga kaore i te whakaritea, ko te tikanga ka iti noa nga rereketanga.Ma tenei tuhi e whakarite te tika me te whakanoho i te waahanga i runga i te poari tuuturu.
|
Tau waahanga |
Kaimahitaonga |
Nga waahanga matua |
Whakamahia te keehi / tuhipoka |
|
Lattice semiconductor |
He rite ki te ISPAC-CLK5320S engari me te 2:16 Te ōwehenga whakauru-ki-whakaputa.Ka tautokohia te whānuitanga o nga huringa, te auau, me te He maha nga whakatakotoranga whakaputa.Ka tae mai i roto i te kete 64-tqfp. |
He pai mo te tohatoha karaka i roto i te mamati-a-tau Nga punaha e 16 nga putanga. |
|
|
Lattice semiconductor |
He putanga-waho-waho me te reanga whakauru-a-ringa. Ka tautokohia e ia nga ahuatanga o te karaka engari ka whakahaerehia i roto i te whānuitanga pāmahana (-40 ° C ki te 85 ° C).Ka haere mai i roto i te kete 48-TQFP iti. |
Pai mo nga tono ahumahi e hiahia ana Te tohatoha pāmahana me te tohatoha karaka. |
|
|
Lattice semiconductor |
Tuku he tohatoha karaka 8-putanga me te rite ano huinga huinga, tae atu ki te PLL, maha nga whakaurunga / whakaurunga whakauru, me te max Te nuinga o te 267mhz.Ka whakahaerehia ano hoki i te -40 ° C ki te 85 ° C awhe. |
I hangaia mo te whakakotahi, te whakahaere i nga karaka o te karaka I roto i nga taiao kino, i nga tono iti-waahi ranei. |
Ka whakawhanakehia e Lattice Siconductor te mana-iti, nga otinga whai kiko mo te whakahaere karaka, te hononga, me te tukatuka.Ka rite ki te kaiwhakanao o te ISPACC-CLK5320S-01TN64C, ka whakawhiwhia e te lattice te hangarau tohatoha tino maamaa me te ngawari ki te waa me te tukutahi.Na te arotahi ki te mahi hou me te whai kiko, ka haere tonu te lattice ki te tautoko i nga hikohiko hou me nga rongoa pono, nga otinga kounga nui.
Ko te ISPACC-CLK5320S-01TN64C he otinga whakahaere mo te karaka e hangaia ana hei pupuri i to punaha.Ma ona ahuatanga whaihua, iti, me nga waahanga whakaputa maha, ka whakarite i te waa tika mo nga momo tono.Ahakoa e hiahia ana koe i te whakatipuranga kore-roa, te whakatipuranga maha, te tohatoha ranei, te tohatoha nui, te taputapu e hiahia ana koe me te ngawari.Mena kei te rapu koe i te huarahi e whakawhirinaki ana ki te whakahaere i nga tohu karaka, he whiringa nui tenei.
Tena koa tukuna mai he uiui, ka whakautu wawe taatau.
Ko te kaiwhakanao kairangi me nga kaikohi-a-ringa i hangaia hei whakahaere me te tohatoha i nga tohu karaka.Ka awhina ia ki te pupuri i nga waahanga rereke o te punaha i whakauruhia ma te whakarite i te waa tika.
Ae, ka taea e te taputapu te whakarite i nga momo putanga rereke ma te whakamahi i nga wehenga matapo.Ka taea te whakatika i ia putanga ki te tau ki nga hiahia wa motuhake.
Ka tautokohia e ia nga paerewa whakauru me te whakaputa, tae atu ki te LVTTL, LVCMOS, SSTL, HSSL, LVDS, me LVPECL.Ka whai kiko tenei ki nga punaha rereke me nga taputapu.
I roto i te aratau-kore-roa, ka noho tonu nga tohu whakauru me nga putanga putanga me te roa o te roa.Ka awhina tenei i te tukutahi i waenga i nga waahanga rereke i roto i te waahi.
Ae, he atanga jTag mo te whakariterite me te whakamatautau.Ma tenei ka taea e koe te whirihora i te kore e tangohia mai i te waahi porohita.
i te 2025/02/24
i te 2025/02/21
i te 8000/04/18 147770
i te 2000/04/18 112006
i te 1600/04/18 111351
i te 0400/04/18 83768
i te 1970/01/1 79564
i te 1970/01/1 66959
i te 1970/01/1 63098
i te 1970/01/1 63040
i te 1970/01/1 54096
i te 1970/01/1 52184