
Te 74LS93 Ko te counter rua-rua-bit i hoahoatia me nga nama e rua i hangaia.Ka whakakotahihia e ia te aratau-2 me te taapiri mo te mod-8, te whakarite i nga tono penei i te utu mo te 2, i te 8 ranei.ka taea te whakaratohia e tetahi microcontroller, he tohu ranei i te waa.
Ko te hoahoa o te 74LS93 e rua nga titi tautuhi, e rua nga karaka karaka, e wha nga waahanga putanga e wha, ka taea te tatau mai i te 0 ki te 15 i roto i te rua.Ma tana whakaahuatanga me nga momo microcontroller me nga punaha-a-TTL, ko tenei kaihokohoko he whiringa ngawari mo nga kaupapa mamati rereke.Kei te waatea noa i roto i nga whakatakotoranga penei i te rehu me te SMD, kei roto tonu i nga titi 14.Hei taapiri, ka hangaia te ic ki te hapai i nga whakauru tere-tere, te whakarite i te mahi pono i roto i nga taiao hihiri.

| PIN nama | Ingoa pin | Whakaaturanga |
| 1, 2, 3, 6 | Nc | Kaore he hononga |
| 4, 5, 8, 9 | Q0, Q1, Q2, Q3 | Pine Puhi |
| 7 | Whenua | Hono ki te whenua o te punaha |
| 10 | Cp0 | Te urunga karaka - Wehea te 2 |
| 11 | Cp1 | Te urunga karaka - Wehea i te 8 |
| 12, 13 | M | Kaiwhakaako Tautuhi - Whakakorea te whakauru |
| Rongo 14 | Mūno | Taonga Whakaoto - 4.5v ki te 5.5v |
Ko te 74LS93 he kaitohu rua-rua i hangaia mo te whānuitanga o nga tono.Ka tukuna e ia he mahi pono i roto i nga punaha e hiahiatia ana kia tatau, te wehe ranei i te wehenga, he mihi ki tana hoahoanga 4-bit.
Ka whakahaerehia tenei ICC kaore i te waatea i te ngaohiko paerewa o te 5V, ka uru ki nga punaha mamati.Ko tōna kaha ki te mahi i te wā tonu ki tēnei ngaohiko e whakarite i tōna tūhono i roto i ngā tūmomo kaupapa.
Ka tautokohia e te IC te kohinga ngaohiko i waenga i te 4.5V me te 5.5V.Ma tenei waatea e taea ai e koe te whakamahi i roto i nga punaha me nga rereketanga o te mana hiko i te wa e mau tonu ai te pumau.
I te wa e whakaputa ana te IC i te ahua nui, ka tukuna e ia te 3.5V, a, i te wa e iti ana te ahua, ka puta te 0.25V.Ko enei taumata ka uru ki etahi atu taputapu ttl, kia whakarite whakauru maeneene ki roto i o waahanga porohita.
Ko te tohu ic -0.4Ma i te putanga teitei me te 8Ma i te wa iti.Ko enei taumata o naianei ka tuku i te IC ki te taunekeneke me etahi atu waahanga me te kore e raru.
Ko te huringa o te karaka mo te Pin Pin UNG0 ka tae ki te 32MHz, i te wa e tautoko ana a CP1 ki te 16Mhz.Ko tenei mahinga tere-tere e pai ana mo nga mahi e tika ana kia tere te tatau, te wehe ranei i te wehenga.
Kei te hiahia a CP0 he whanui a Pulse i te iti rawa o te 15NS, i te wa e hiahia ana te CP1 i te 30N.Ko enei tohu ka whakarite kia tika te whakahaere, ki te aukati i nga tohu ngaro i te wa tere tere.
Kei te waatea te IC i roto i nga whakatakotoranga penei i te 14-PIN PINT, GDIP, PDSO, kia whai kiko, kia ngawari hoki ki te whakauru ki nga hoahoa rereke.Ko enei whakatakotoranga ka taea e koe te whiriwhiri i tetahi e pai ana ki to tono motuhake.
Ka taea e koe te tarai i nga whakauru karaka o te IC i te whakamahi i nga taputapu penei i te 555 timer or microcontroller.Ma tenei ngawari e ngawari te whakamahi i roto i nga momo tono, mai i nga wa ngawari ki nga punaha mamati nui ake.
Ko te putanga o te IC kei roto i te whakatakotoranga TTL, e tika ana kia whakakotahi ki te whānuitanga o nga momo iCS me nga punaha Microcontroller.Ko tenei waahanga e tuhi ana i te whakauru ki roto i to hoahoa tohu mamati.
He pai te mahi a te IC i te 0 ki te 70 nga nekehanga Celsius, e tika ana mo nga taiao paerewa.Ka whakarato i nga hua rite me te kore e pa ki te pāmahana pāmahana.
• 74hc19
• 74LS192
• 4516
• 74LS90
• CD4017
• 74LS02
• CD4020
• CD4060
• CD4022
• CD4026
• CD40102
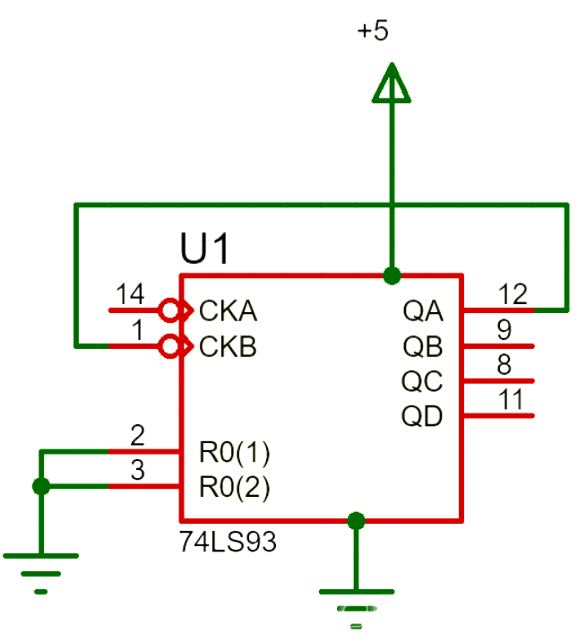
Ki te tiki i te 74LS93 Binary e mahi ana, tiimata ma te hono i te tuku hiko.Whakapirihia te PIN vCC ki te tauranga pai me te PIN Gnd ki te whenua o to punaha.Ina oti ana tenei, hono i te whakauru karaka tuatahi (PIN 1) ki te putanga whakamutunga (PIN 12).Ko tenei hononga te mea nui hei whakarei i te tikanga tatau.

Panuku, Whakatu i nga Pika Tautuhi (Pins 2 me te 3).Ka whakatauhia enei titi kia pai ai te tiimata mai i te kore.Mena ka hiahia koe ki te tautuhi i nga mahi rereke, ka taea e koe te hono atu i enei titi ki te arorau o waho i runga i o hiahia tono.Ma tenei waatea e taea ai e koe te whirihora i te kaihokohoko kia rite ki o whakaritenga waahi.
Mo te urunga Karaka, honoa te huringa tuarua tuarua (pin 2) ki tetahi kaiwhakaputa o waho, penei i te waa iCari, i tetahi taputapu ranei e kaha ana ki te whakaputa tohu karaka.Ko tenei karaka karaka e whakahaere ana i te putanga o te tatauranga Binary o te IC, e whakaatuhia ana i nga Pins 8, 9, 11, me 12.
Ko te huringa o roto o te 74LL93 kua wehea kia rua nga waahanga matua: te mod 2 counter me te mod 8 counter.Ko te mod 2 e tarai ana i te waahanga tuatahi, he haki i waenga i te 0 me te 1 me ia pehitanga karaka hei whakawhiti mai i te teitei ki te iti.Ko tenei putanga ko te whakauru karaka mo te mod 8 e whakamahi ana i te toru o te Jk Flip-Flops hei whakaputa i nga toenga e toru nga waahanga.
Ko ia jk Flip-flop i te Mod 8 counter e whiwhi ana i tana tohu karaka mai i te putanga o te flop-flop o mua.Ka noho tahi, ko te mod 2 me te mod 8 te whakaputa i te tatau o te rua-bit mai i te 0000 ki te 1111.
Ki te mohio ki te aratohu nama 74LS93, ka awhina i te tirotiro i tana hoahoa me te mahi a roto.Ko te huringa e ahu mai ana i runga i te JK Flip-Flops, ia kaha ki te huri i waenga i nga whenua e rua:

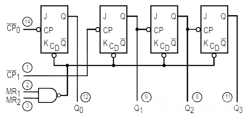
I roto i te 74LS93, ko nga huringa o te kawanatanga a Flip-flop i te putanga o nga whakawhitinga flip-flip i mua i te iti ki te iti.Heoi, ko te Flip-flop tuatahi kaore i te hono tika ki te tuarua.Hei waihanga i tetahi waahanga mahi, ka hono koe i te titi o te karaka tuatahi (CP1) ki te putanga o te mod 8 counter tuatahi-flop.Ma tenei e whakarite te rere tika o te raupapa.
E wha nga piripiri e hono ana i te raupapa, ka whiwhi ia i tetahi taraka karaka mai i te putanga o te flip-flop o mua, ka tiimata te utu ki te 0000. Kei ia whenua te tauwhāiti motuhakeTuhinga o mua.
Ko te teepu i raro nei e whakaatu ana me pehea te huri o te putanga Binarput me ia tatau:
| Tātai | Whakaputanga | Q3 | Q2 | Q1 | Q0 |
| 0 | 0 | 0 | 0 | 0 | |
| 1 | 0 | 0 | 0 | 1 | |
| 2 | 0 | 0 | 1 | 0 | |
| 3 | 0 | 0 | 1 | 1 | |
| 4 | 0 | 1 | 0 | 0 | |
| 5 | 0 | 1 | 0 | 1 | |
| 6 | 0 | 1 | 1 | 0 | |
| 7 | 0 | 1 | 1 | 1 | |
| 8 | 1 | 0 | 0 | 0 | |
| 9 | 1 | 0 | 0 | 1 | |
| 10 | 1 | 0 | 1 | 0 | |
| 11 | 1 | 0 | 1 | 1 | |
| 12 | 1 | 1 | 0 | 0 | |
| 13 | 1 | 1 | 0 | 1 | |
| Rongo 14 | 1 | 1 | 1 | 0 | |
| 15 | 1 | 1 | 1 | 1 |
Hei taapiri, e whakaatu ana te hoahoa i te putanga mai i te Q0 ki te Q3 ki te whakautu ki te tohu karaka Input.Ma tenei tirohanga e ngawari ake ai te kite me pehea te haere o te kaihokohoko Binary ki te taahiraa:

Ko te 74LL93 he mea nui te hanga-i hangaia ma te whakamahi i nga huringa e wha o te jk.Ma te whakakotahi i ona nama mod-2 me te mod-8, ka whakamahia noa hei hanga i te kaari-16.He maha nga whakamahinga i roto i nga waahanga e hiahia ana kia tatau mai i te 0 ki te 15 i roto i nga waahanga o te waa, te hanga ranei i nga waahanga mo te waa, he pai te whiriwhiri me te pono mo nga tono penei.
Ka whakamahia ano hoki tenei IC i roto i nga waahanga wehenga o te wa, ka taea e ia te wehewehe i nga mahi a te 2, 8, 16 me te 16 me te tino tika.Ko tana hoahoa e taea ai te whakahaere i nga mahi a te mana whakahaere tika, na te whakamahi i nga punaha wa mamati penei i nga waahanga mamati, i nga huinga whakahaere huihuinga ranei.
I tua atu, ko te 74LS93 te mahi i roto i te tatau tatau tono, kei reira nga tohu o nga tohu taumai i roto i te rua.Ko tona kaha ki te whakakotahi i te mahi mod-2 me te mod-8 he waahanga pai me te whai waahi ki nga kaupapa e hiahia ana kia tika te tatau.
Ma te whakamahi i te Counter 74LS93 he tika tonu.Ka tiimata ma te whakahaere i te IC i roto i nga titi VCC me te whenua ma te whakamahi i te taputapu hiko 5V 5V.Ma tenei e whakapumau i nga tikanga whakahaere e tika ana mo te IC.Kei roto i te 74LL93 e rua nga tohu MR (Kaiwhakamahi tautuhi) nga titi ka taea e koe te whirihora i te momo mahi e hiahiatia ana.Mo te mahi paerewa paerewa, honohia nga titi tautuhi ki te whenua (iti), pera i whakaatuhia i roto i te teepu kowhiringa Aratau.

Panuku, tohaina nga karaka karaka ki nga titi whakauru CP0 me te CP1 me te tarai i te tukanga tatau.Ko ia putanga Pulse ki enei titi ka piki ake te tatau Binary e tetahi.Ko te PIN CP1 te whakahaere i te putanga Q0, ahakoa ko CP0 te whakahaere i nga putanga o Q1, Q2, me te Q3.Hei whakahohe i nga paanga e wha e wha, honoa te karaka karaka i te CP1 ki te Q0 putanga.
Ka tautokohia e te IC te nuinga o te waa o te 32mhz mo te CP0 me te 16mHz mo CP1.Me whakarite ko te whanui Pulse he 15ns mo te CP0 me te 30N mo te CP1 kia mau tonu te mahi tika.Ko te tikanga, ka taea e koe te whakaputa i te tohu karaka ma te whakamahi i te tohu 555, he rite ranei ki te huringa-hua.
|
Tātau |
Whakaputanga |
|||
|
Q0 |
Q1 |
Q2 |
Q3 |
|
|
0 |
L |
L |
L |
L |
|
1 |
H |
L |
L |
L |
|
2 |
L |
H |
L |
L |
|
3 |
H |
H |
L |
L |
|
4 |
L |
L |
H |
L |
|
5 |
H |
L |
H |
L |
|
6 |
L |
H |
H |
L |
|
7 |
H |
H |
H |
L |
|
8 |
L |
L |
L |
H |
|
9 |
H |
L |
L |
H |
|
10 |
L |
H |
L |
H |
|
11 |
H |
H |
L |
H |
|
12 |
L |
L |
H |
H |
|
13 |
H |
L |
H |
H |
|
Rongo 14 |
L |
H |
H |
H |
|
15 |
H |
H |
H |
H |
Kia pai ake ai te mohio ki tana mahi, whakaarohia te mahi i te mahi a te IC.Hei tauira, i te aratau-0 (te aratau tatau paerewa), ka whakatauhia e te papa o Mr Pins me te taatai i te whenua arorau te whakaputa i nga karaka karaka.Ki ia whakawhiti mai i te teitei ki te iti, ka piki ake te ic.Kei raro nei tetahi tauira tohu e whakaatu ana i tenei whanonga.

Mo te maarama ake, ka tirohia pea e koe nga akoranga ataata, nga rauemi taapiri ranei.Ko nga whakamahinga whai hua o te 74LS93 i roto i nga momo waahanga, tae atu ki te waa me te tatau i nga tono, te whakaatu i te whakakotahitanga me te ngawari o te whakamahi i roto i nga hoahoa mamati.
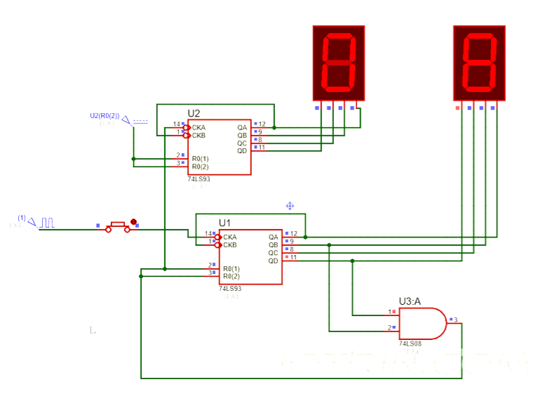
Hei waihanga i tetahi kaihokohoko kotahi-mati ma te whakamahi i te 74LL93, ka hiahia koe ki nga waahanga penei i te 74LS20 (E wha-whakaurunga o NAD Gate) me te 74LS04 (e kore e toru nga tatau).Ko enei waahanga e mahi tahi ana me te IC ki te taraiwa i tetahi whakaaturanga e whitu-waahanga, e tuku ana i te kaari ki te huringa mai i te 0 ki te 9 ki te 9.
Ahakoa ko te 74LL93 he counter 4-bit ka taea te whakahaere ki te 16 nga tau rangatahi, me tautuhi ano i muri i te 9 kia mau tonu ai te whakaaturanga i roto i te waahanga whakatauranga.Mena kaore i te tautuhia te kaitautoko i tenei wa, ka whakaatu pea te putanga i nga tikanga he, kaore ranei i whakaarohia.Hei whakahaere i tenei, ka whakamahia he waahanga matapae urupare urupare, te whakakotahi i nga tohu mai i te NAnd me te kore e tatau ki te tautuhi aunoa i te counter aunoa.

I tenei huringa, e kore e rua nga keti e hono atu ki nga putanga QA me te QC, i te wa e hono ana te QB me te QD ki nga whakauru o te Gate Nand.Ko te tatau o te kohanga te whakaputa i te putanga nui ka kore noa iho ona whakauru katoa.I te uara o te tau 1010, kaore nga tatau e huri ke i nga tohu mai i QA me te QC, ka raru i te putanga teitei mai i te kuwaha o te tatau.Ko tenei putanga ka hurihia e te 74LS04, te tautuhi i te kaihokohoko ki te kore.Ma tenei hoahoa e whakarite te aukati i te counter i nga wa katoa me te whakaatu i nga uara whakatau tika.
Ko te whirihoranga nama 2-mati e hora ana i te ariā o te kaari nama kotahi, ka taea te whakaatu i nga nama mai i te 99Karaka Tautuhi te tohu.Ma tenei hoahoa e whakarite te tatau i nga nama e rua ma te whakamahi i te tohu tautuhi i te whakaaturanga kotahi ki te tarai i te urunga o te karaka.

Ko te arorau i muri o te kaari 2-mati ka mau tonu ki te tatauranga kotahi-mati, e tuku ana i te huarahi pai ki te whakaatu i nga uara tatau nui e whakamahi ana i nga whakaaturanga e whitu-whitu.Ma te hono i nga kaihokohoko e rua ma o raatau tautuhinga me nga tohu karaka, ko nga whakaaturanga e mahi ana i nga tau ki te 99 ki te 99.
74LS93 I runga i te Counter Deffimal 2-mati
Mo te counter 2-mati, ka taea te whirihora i te 74LL93 ki te tatau me te whakaatu i nga nama e rua mo te roopu e rua-tau..
I roto i tenei huinga, ko te whakaaturanga tuatahi e whitu nga waahanga e ahu mai ana i runga i te tohu tautuhi mai i te whakaaturanga tuarua.Ko te tikanga, ko te tohu karaka mo te whakaaturanga tuatahi ka ahu mai i te tautuhi o te whakaaturanga tuarua.Ko te whakaritenga o tenei peekehanga e whakarite ana i te ahunga whakamua a te kaitoro i roto i nga mati e rua, me te pikitanga whakaatu tuatahi ka oti te whakaatu tuarua i tana huringa mai i te 0 ki te 9.

Ma tenei huringa counter e rua-mati ka taea te tatau ki te 99 me te whakaatu i te whakaaturanga marama me te panui ma te whakamahi i nga whakaaturanga e whitu-whitu.Ko nga mahi arorau me nga miihini urupare e whakarite kia pai te whakahaere, kia pai ai te tono kia nui ake te tatau.
Ko te 74LS93 te pai ki te whakaputa i nga roanga o te waa i roto i nga waahanga mamati.Ma te whirihora i ona nama tika, ka taea e koe te whakatutuki i nga roa o te roa me te rite ki nga tono e pa ana ki te waa.
Ko tenei iC i mahi hei kaiwhakawehe i te pono pono.Ka taea e ia te whakaheke i nga mahi whakangahau i te 2, 8, 16, 16, te mea e hiahiatia ana hei whiriwhiri i nga punaha e hiahiatia ana mo nga mahi tukutahi.
Mena e tika ana kia tika te waa, ko te 74LL93 e whakarato ana i te otinga ngawari.Ko tana whanonga tatau e tino kitea ana ka whakarite i te tino tika i roto i nga mahi penei i te whai waahi me te whakahaere i nga waa i roto i nga kaupapa mamati.
He pai te 74LS93 mo nga kaupapa e kore ai e whai kiko te whakamahi i tetahi microcontroller.Ka whakahaerehia e ia te tatau me te waa mahi tika, te whakaiti i te hiahia mo nga waahanga uaua ake me nga waahanga utu.
He whai hua tenei ic ki nga tono e pa ana ki te tatau o te plune, te wehe ranei i te tikanga.Ko tana tikanga tatauranga-rua e ngawari ana ki te whai i nga taapiri me te wehewehe i nga waa kore e uru atu.
Ko te 74LS93 e mahi ana i te taha o te whitu-waahanga e whakaatu ana i nga putanga nama.Ko tana hototahi me nga kaitahuri-ki-taapiri e tuhi ana i te tukanga o te hanga i nga kaihokohoko mamati me nga panui.
Ma te whakamahi i ona kaha tatau, ka awhina te 74LL93 ki te whakarite i nga huringa e hiahia ana i nga waa roa.Ma tenei ka tino whai hua mo nga tono penei i nga karaka mamati me nga timer.
Ko te IC ka whakamahia tonu hei hoahoa i nga waahanga kaiaro pono.Ko te mahinga pakari me te ngawari o te whirihoranga kia pai ai te hanga i nga kaihokohoko tuuru me nga waahanga wehewehe wehewehe.
I te wa e hiahiatia ana nga hiahia o te waa, ka taea te whakarite i te 74LL93 ki te whakatutuki i enei whakaritenga.Ahakoa mo nga rongoā o nga mahi ahumahi, i nga kaupapa DIY ranei, ka whakapumautia e tona waatea te maha o nga mahi e pa ana ki te waa.
Ko te 74LS93 he kaihokohoko whai kiko me te pono e ngawari ana ki te tuhi i te tatau matihiko me nga mahi a te waa.Ma tona kaha ki te wehewehe i nga wananga, tatau nga purongo, me nga whakaaturanga taraiwa, ka uru ki te maha o nga kaupapa.Ahakoa kei te hanga nama koe, te whakahaere i te waa whakahaere, te hanga ranei i nga waahanga wehewehe, te 74LL93 e tuku ana i te otinga me te tika.Ko tana ngawari me te ngawari o te whakamahinga ka whai waahi mo nga tono maha.
Tena koa tukuna mai he uiui, ka whakautu wawe taatau.
Kaore, ko te 74LS93 te hoahoa hei utu, ko te tikanga anake Ka tatau ki te whakatakotoranga Binary.Kaore he mana ki te tatau i roto i nga uara me te uara ranei.
He waatea te 74LL93 ki te whakamahi me te whakaiti i te hiahia mo waho Kaia, he maamaa ki te whakauru ki nga kaupapa.Heoi, kotahi Ko te aukati ko te mea kaore e taea te whakatau i ona piripiri, na reira ko te tatau Ka tiimata tonu mai i te kore, kaore e taea e koe te tiimata mai i te rereke nama.
Kei roto i te 74LL93 e wha nga piripiri-a-jk e whakautu ana ki nga taapiri whakauru, ahakoa mai i tetahi microctrontroller, he tohu tohu ranei.Kei roto i te rua Tautuhi i nga Pika, e rua nga urunga karaka, me nga titi e wha, e wha nga mea hei tatau He pai te utu o nga nama ki te whakautu ki nga karaka karaka.
Ko nga mahi 74LS93 hei wehe i te wehenga me te kaihokohoko.Ko ia e whakamahia nuitia ana hei whakarite i nga wa ka taea te whakahaere i nga mahi tatau porowhita.He tino awhina tenei i runga i nga tono e wehewehe ana Kia 2, 8, 16 e hiahiatia ana ranei.
Ko te 74LL93N he kaitohu rua-bit e whakamahi ana i nga jk e wha nga pononga flip-flops.Ka tautokohia e ia tetahi miihini wehewehe-e waru, ko wai I whakaaria e te whakawhiti mai i te teitei ki te iti ki te iti o tana huringa karaka.Ia Ko te karaka karaka i tono ki ana hua whakauru ka puta i te tatau e tetahi taahiraa.
i te 2024/11/29
i te 2024/11/29
i te 8000/04/18 147757
i te 2000/04/18 111931
i te 1600/04/18 111349
i te 0400/04/18 83719
i te 1970/01/1 79508
i te 1970/01/1 66884
i te 1970/01/1 63010
i te 1970/01/1 62980
i te 1970/01/1 54081
i te 1970/01/1 52108