
Te Atmega168 Ko te microcontroller 8-bit e whakamahi ana i te hangarau CMOS, ka hangaia mo te kohi kaha iti.Ka whakahaerehia i runga i te hoahoanga avr® AVR®, e taea ai e ia te mahi tohutohu i roto i te huringa karaka kotahi.Ka awhina tenei hoahoa i te kaha o te kaha ki te pupuri i te tere tukatuka, te whakamahi i te taputapu ki te whakahaere i te kotahi miriona tohutohu mo ia tuarua.E waatea ana te microcontroller i roto i nga momo kete e toru: Pdip, MLLE, me TQFP.Ko te PDIP me te MLF e haere mai ana me te 28 pini, ko te kete TQFP kei roto e 32 titi.
Ko te Atmega168 te 16kb o te mahara o te papamahi mo te ropu, 1kb o te hipi toa, me te 512 paita o te EEPROM, na reira ka kaha te pupuri i te pupuri raraunga mo te wa roa.Kei roto hoki i te waahanga o runga o te 10-bit adc, e 8 nga awa mo te huri i nga tohu taatai ki nga mea mamati-whai hua mo nga hononga syor.
Ko tetahi o nga ahuatanga tuuturu o te Atmega168 ko te tautoko i te SPI, I2C, me nga kawa whakawhitiwhiti korero, me te ngawari ki te whakawhitiwhiti korero-a-taputapu.Ko tenei waahanga e whiriwhiri ana i nga kaupapa whaitake mo nga kaupapa e hiahia ana ki te whakawhitiwhiti korero me nga waahanga o waho.
Ko etahi atu waahanga whai hua ko te kaihoroi maataki, te raima-kaha, te tiimata whakaoho i te Oscillator, me te kitenga parauri.Ko enei waahanga hanga-i hangaia ma te whakarite kia pai te rere o to punaha me te kore o te aukati kaore i te whakaarohia.
Ko te Atmega168 he rereke mai i etahi atu microcontrols penei i te raupapa PIC na te mea he maha nga tohutohu i roto i te huringa karaka, engari he maha nga huringa o te huringa whakaahua mo te maha o nga huringa.I tua atu, ka tae mai te AVR Microcontroller me nga rehitatanga nui e 32, kaore i rite ki te rehita a te PIC.Ka awhina tenei i te tere tere ki te tukatuka i nga mahi me te whakarei ake i te ngawari ki te whakamahere.




Ko te atmega168 no te whanau o nga microcontroller i hangaia hei tuku i te mahi nui i te wa e pau ana i te mana iti.Ma tenei toenga ka taea e koe te whakamahi i roto i nga tono e hiahiatia ana te whaihua me te mana tukatuka me te kore e whakahekehia te koiora o te kaha.
• 131 Tohutohu: Ma te 131 Tohutoro e waatea ana, ko te nuinga ka taea te whakahaere i roto i te huringa karaka kotahi, e whakarato ana te Atmega168 i tetahi wheako urupare, kia tere ake te mahi.
• 32 x 8 rehita mahi: Ka taea e koe te tango i nga rehitatanga kotahi tekau ma rua, ka taea e koe te penapena me te tukatuka i nga raraunga ka whai hua ake i roto i o kaupapa.
• Ko te 30 MIPS Whakauru: i te 20mHz, ka taea e te Atmega168 te tuku ki te 20 miriona tohutohu mo ia rua, e tere ana ki a koe mo o mahi.
• I runga i-maramara 2-huringa o te huringa: Ka awhina tenei waahanga ki te mahi tere tere, te whakapai ake i te tukatuka i nga tatauranga matatini.
• Whakamatau Flash: Ka taea e koe te whiriwhiri mai i te 4kb, 8kb, 16kb, 32kb ranei o te mahara flash, i runga i to hiahia tono.Ma tenei ka taea e koe te whakariterite i te punaha, na ka taea e koe te whakahou i te raupaparorohiko a Microcontroller me te kore e tango mai i te waahi.
• EEPROM: me te 512 paita ki te 1kb o EEPROM, ka taea e koe te rokiroki i nga waahanga iti o te uara, nga whirihoranga, me etahi atu tautuhinga ranei e tika ana kia mau tonu i waenga i nga huringa mana.
• SAMA: Ko te SAM o roto mai i te 512 paita ki te 2kb, e waatea ana mo te rokiroki raraunga tere i te wa o te mahi a to kaupapa.
• Tuhia / whakakorea te huringa: Ka tautokohia e te EEPRO te 10,000 nga huringa, me te EECROM e 100,000 nga huringa, ka mau ki a koe te rokiroki raraunga.
• Te Whakapono Raraunga: Ko nga raraunga e rongoa ana i te EEPROM ka taea kia tae atu ki te 20 tau i te 85 ° C, 100 ranei i te 25 ° C, kia mau tonu mo nga tono mo te waa roa.
• Patupatua: Ka tautokohia e te Atmega168 nga tohu pa, nga riipene, me nga wira, me whakauru koe ki te whakauru urunga ki roto i o kaupapa.
• Te tikanga o nga awa: Ka taea e koe te neke atu i te 64 pa atu i nga awa e tika ana, ka taea te hanga i nga hononga pa matatini mo nga tono rereke.
• Timer / Canics: Kei roto e rua nga wahanga 8-bit me tetahi tohu 16-iti, e ngawari ana ki te whakahaere i nga mahi kua oti te whakarite.
• Nga awa PWM: E ono nga PWM (te whakakao whanui (Pulse Whanui Whakaputanga), whai hua mo nga tono penei i te motuka motuka, he ngoikore ranei.
• Nga awa ADC: Ka tae mai te Microcontroller me te 10-bit adc (te kaitahuri-a-ringa-ki-mamati) me nga papaa Tqfp me nga tohu qfn / 6 ranei i nga waahanga PDIP.He tino tika tenei mo te hono ki te hunga tirotiro.
• Whakawhitiwhiti rangatū: Ka taea e koe te whakamahi i nga kawa whakawhitiwhiti korero penei i a USart, Spi, me I2C, ka taea te whakawhitiwhiti korero ngawari ki etahi atu taputapu.
• Te TimetDog Timer: Ko tenei waahanga ka awhina i te whakamana i te punaha ma te tautuhi i te microcontroller mena ka mutu te whakautu.
• Te Tautuhi-i runga i te Tautuhi me te Kaawai-a-Brown: Ko enei waahanga ka tiimata kia tiimata te tiimata o to punaha i muri i te huringa kaha ka taea te whakahaere i nga tikanga iti-iti.
• Nga Momo Tae: Ko te Atmega168 te tuku e ono nga momo moe, tae atu ki te mangere, te mana-whakaora, me te tuuturu.Ma tenei ka taea e koe te whakaiti i te kaha o te kaha i te wa e hiahiatia ana, te whakaora i te pākahiko pākahiko.
• Te whakamahere i / o O / O Nga Raarangi: me nga raina whakauru / whakaurunga whaihua, ka taea e koe te hono atu i nga momo kaitoi, nga paatene, etahi atu peripherals ranei ki to punaha.
• He maha nga whiringa paanui: Kei te waatea te Atmega168 i roto i nga kohinga maha, penei i te 28-pin PDIP me te 32-arahi TqfP, ka taea e koe te whiriwhiri i te kete tino pai mo to kaupapa.
Te Hangarau Microchip Atmega168A-AU-AU-AU-AUMITS
| Tuhinga | Parapara |
| Te wa nui o te wheketere | 8 wiki |
| Whakapā whakapā | Tīni |
| Maunga | Maunga Matapihi |
| Momo Momo | Maunga Matapihi |
| Paati / Take | 32-TQFP |
| Tuhinga o mua | 32 |
| Raraunga Raraunga | A / D 8x10b |
| Te maha o / OS | 23 |
| Timet StreetDog | Āe |
| Pāmahana whakahaere | -40 ° C ~ 85 ° C TA |
| Whiu | Heri |
| Rārangitanga | Avr® atmega |
| Whakaputaina | 1997 |
| Waehere Jesd-609 | e3 |
| Waehere pbfree | āe |
| Wahanga Mana | Kakama |
| Taumata Maha Kore (MSL) | 3 (168 haora) |
| Tuhinga o mua | 32 |
| Tūnga kāpene | Quad |
| Puka Tono | Wilm Wilk |
| Pikitia te pāmahana (° C) | 260 |
| Taha Taha | 5v |
| Hohokitanga | 20MHz |
| Te wa @ Taka Whakatuturutanga Ruma (Max) | 40S |
| Tau waahanga | Atmega168A |
| Hoatu te ngao-max (vsup) | 5.5v |
| Nga taonga hiko | 2 / 5V |
| Hoatu-Minita (VSUP) | 4.5v |
| Āati | 2-waea, i2c, Spi, Serial, Uart, Uspart |
| Te rahi o te mahara | 16KB |
| Momo Oscillator | O roto |
| Rahi Rahi | 1k x 8 |
| Ngaohiko - toha (vcc / vdd) | 1.8v ~ 5.5v |
| UPS / UCS / PERIPHERAL ICS | Microcontroller, Risc |
| Kaituku matua | Apeāpū |
| Peipherals | Ka kitea te parauri-ki-te tautuhi, Por, PWM, WDT |
| Momo Mahinga Kaupapa | Uira |
| Rahi te rahi | 8-bit |
| Te rahi o te kaupapa | 16kb 8k x 16 |
| Kākano | I2C, Spi, UART / USART |
| Rahi rahi | 8 |
| Kei a ia te ADC | Āe |
| Nga Taonga DMA | Kāo |
| Whanui o nga raraunga | 8b |
| Te maha o nga timer / counts | 3 |
| Rahi Eeprom | 512 x 8 |
| Matawai rohe | Kāo |
| Aratau mana iti | Kāo |
| Whakatakotoranga | Point-Point |
| Māka whakauru | Kāo |
| Te maha o nga awa Adc | 8 |
| Te maha o te rangatū I / OS | 1 |
| Te maha o nga mea o waho | 2 |
| Tuhinga o mua | 6 |
| Te maha o nga awa I2c | 1 |
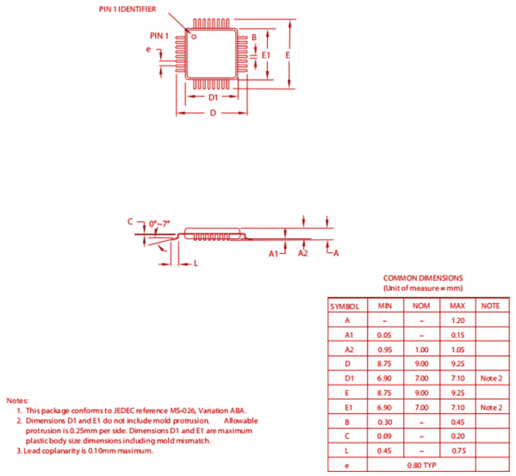
| Tōroa | 1.05mm |
| Roa | 7mm |
| Whānui | 7mm |
| Tae ki te svhc | No svhc |
| Whakapiki te radiation | Kāo |
| Te mana o te rohs | RoHS3 |
| Ārahi | Ārahi |
Ko nga waahanga e toru kua tohua ki te taha matau he tohu rite ki era o te Hangarau Microchip Atmega168a-Au.
| Tau waahanga | Atmega168a-au | Atmega888-au | Atmega48a-au | Atmega88a-au |
| Kaimahitaonga | Te Hangarau Microchip | Te Hangarau Microchip | Te Hangarau Microchip | Te Hangarau Microchip |
| Paati / Take | 32-TQFP | 32-TQFP | 32-TQFP | 32-TQFP |
| Tuhinga o mua | 32 | 32 | 32 | 32 |
| Whanui o nga raraunga | 8 B | 8 B | 8 B | 8 B |
| Tuhinga o mua | 23 | 23 | 23 | 23 |
| Āati | 2-waea, i2c, Spi, Serial, Uart | I2C, Spi, Serial, Uart, USART | 2-waea, i2c, Spi, Serial, Uart | I2C, SPI, USART |
| Te rahi o te mahara | 16 KB | 4 KB | 8 kb | 8 kb |
| Taha Taha | 5 v | 5 v | 5 v | 5 v |
| Peipherals | Ka kitea te parauri-a-waho | Ka kitea te parauri-a-waho | Ka kitea te parauri-a-waho | Ka kitea te parauri-a-waho |
| Tirohia whakataurite | Atmega168a-au vs Atmega88pa-Au | Atmega168a-au vs Atmega88pa-Au | Atmega168a-au vs Atmega48a-Au | Atmega168a-au vs Atmeg |

Ko te AVR Core o te Atmega168 e hangaia ana me 32 nga rehitatanga mo te kaupapa kotahi, e tau ana ki te kaupapa arorau arorau (Alu).Ma tenei huinga ka taea e nga rehita motuhake e rua kia uru ki te wa kotahi, ka whakaoti i nga tohutohu i roto i te kotahi huringa karaka.Ma tenei mahi pai ka tino pai te whakataurite ki nga microcontroller o te cission tuku, tere tere te tukatuka tere ki te tekau nga wa tere.
Ko te Atmega168 e whakarato ana ki te 8kbytes o te mahara Flash Surfice i roto i te punaha, 1kbytes o Saram, me 1kbytes o EEPRO.Ka tae mai ano me 23 nga raina-a-ropu, e toru nga wa, me te maha o nga hononga whakawhitiwhiti korero, penei i a Ustart, Spi, me I2C.I tua atu, kei roto i te Microcontroller te 6-Channel, 10-bit mo nga mahi e hiahia ana ki te hurihanga o te tapa-ki-Digital.
E tautoko ana te taputapu i nga momo whakaora-kaha ki te arotau i nga mahi me te whakawhānui i te ora o te pākahiko.I roto i te aratau mangere, kua whakaweto te Pae i te wa e pupuri ana i nga peripherals penei i nga kaitakaro me nga hononga whakawhitiwhiti korero.Ko te aratau-a-ringa ka aukati i nga mahi katoa engari mo te kai-kore, e taea ai te kohi kaha.Ko te aratau-whakaora mana ka mau tonu i te wa e tuu ana i te toenga o te taputapu ki te moe, a, ko te aratau whakaheke haruru i te wa e huri ana i nga waahanga kaore e hiahiatia.Ko te aratau tuuturu e tuku wawe ana i te wa e pupuri ana i te kaha o te mana ki te tuku i te oscillator ki te rere i te wa e moe ana te toenga.
Ma te tautoko mo te panui panui-a-tuhi, ka taea e koe te whakahou i te maharahara Flash tono me te kore e pokanoa ki nga mahi uira boot.Ma tenei ka taea te mahi tonu i te wa e whakahou ana i te maharatanga, te whakarite i te ATMGA168 he whiringa totika mo nga punaha whakahaere whakauru.
Ko te rereketanga o te Atmega168 me te Atmega328 ko te nui o te mahara o te Flash.Ko te Atmega168 he 16kb o te mahara Flash, ko te Atmega328 e tuku ana i te 32kb, he pai ki te mahi koe i nga kaupapa nui ake e hiahia ana kia nui ake te waahi rokiroki mo nga raraunga o te papatono.Heoi, mo te nuinga o nga tono a Hobbytist, kaore pea tenei rereketanga.Ko nga Microcontrols e rua e rite ana ki nga ahuatanga rite, nga whirihoranga PIN, me nga ahuatanga o te mahi, ka taea te whakawhiti i roto i te maha o nga keehi.
Mena he nui ake te mahara o to kaupapa ki te rokiroki i te codebase nui ake ranei, ka taea pea e koe te whiriwhiri mo te ATMEGA328.Ki te kore, mo nga tono iti, i te wa kaore ano kia puta te take mahara, ko te ATmega168 ka mahi noa.
| Tau waahanga | Whakaaturanga | Kaimahitaonga |
| Atmega168-24-24ii microcontroller me nga Kaituku | Risic Microcontroller, 8-Bit, Flash, CMOS, PQFP32, 7 MM teitei, 1 mm te teitei, te kirihou, te MS-026ABA, TQFP-32 | Atmel Corporation |
Ko te Atmega168 he whiringa nui mo nga kaupapa maatauranga.Ko te ngawari o te whakamahinga me nga waahanga nui e tika ana mo te maha o nga tono iti-iti, mai i nga punaha whakahaere ngawari ki te ako me pehea te tohu i nga tohu me nga tohu wawaotanga me nga motuka.
Mena kei te mahi koe i nga punaha whakauru, ko te karetao ranei, ko te Atmega168 te tuku i nga waahanga matua katoa e hiahia ana koe.Ko tana hoa hoa pai me te kaha ki te whakahaere i nga kawa whakawhitiwhiti korero penei i te Spi me te I2C te mea pai mo te whakahaere i nga ringaringa robotic, nga kaiwhakatuma, me nga waka motuhake ranei.
I roto i te Ahumoni Ahumahi, ko te Atmega168 e whakamahia ana hei whakahaere miihini, i nga tikanga ranei.Ko ona tohu, ko nga Adc, me nga atanga whakawhitiwhiti ka taea ai e koe te hanga i nga punaha hei aukati i nga mahi tukurua me te whakahaere i nga taputapu whakahaere i roto i nga taiao hangahanga.
He pai te microcontroller mo nga punaha haumarutanga o te kaainga, ka taea te whakamahi ki te atanga me nga kaiwhakatuma, ki te tirotiro, ki te aukati i nga tatau ranei.Ma te kaha o tana kaha kaha, he mea tino tika mo nga taputapu hiko-kore e tika ana kia rere tika mo nga waa roa.
Mena kei roto koe i te hoahoa drone, ka taea e te Atmega168 te roro o to quadcopter.Ka taea e ia te whakahaere i te mana o te motuka ma te whakamahi i nga puku pwm, te whakaputa i nga ahokore, me te whakawhitiwhiti korero me etahi atu taputapu, he pai ake mo te maama ngawari, he pai nga quadcopters.

Microchip Hangarau Inc. Ko te kamupene kei muri o te Atmega168.E mohiotia ana mo te whakaputa i nga rongoā tino pono me te utu-a-tinana, ko te upoko semicondogip, ko te tari o Microchip kei Chandler, Arizona.Ko ta raatau arotahi ko te whakarato hua ki te whakaheke i nga raru whanaketanga, me te awhina i te utu o te punaha, me te awhina i te waa ki te maakete mo nga momo ahumahi.
Ko te atmega168 e tuku ana i nga huinga taputapu katoa kia pai ake ai to whanaketanga.Kei roto i enei ko te kaikorero i te reo, te hunga whakakeke macro, kaituku kaupapa me nga simulators, nga kaiwhaiwhai i roto-a-waahi, nga papa aro turuki.Ko enei taputapu ka awhina i a koe ki te kaupapa, ki te debug, ka whakamatau i to punaha.Ko te Microcontroller ia ano e haere mai ana me te 16kb o te uira-a-rorohiko, 5k o te EEMM, 1k o SAM, he maha nga raina korero, me te ADC 10-bit.
Ko te Atmega48, Atmega88, a ko Atmega168 te nuinga i roto i te rahi o te mahara, te tautoko i te kaieke kai, me te pehea e raru ai ratou.Ko te Atmega88 me Atmega168 Tautoko i te wa katoa e panui ana me te tuhi i nga mahi ma te rohe kaieke kaipuke motuhake, kaore i te Atmega48.Ko te Atmega8, i runga i tetahi atu taha, kaore i te mahi i nga mahi takahi me te rahi o te mahara mahara.Ko nga maramara e wha katoa e tiri ana i te whirihoranga PIN kotahi, na ka taea e koe te whakahou i waenga i a raatau i te wa e rite ana te kete.
Ko te Atmega168V-10pu te rereketanga o te Atmega168 Microcontroller, i hangaia hei whakahaere i nga puia o raro.He maha nga wa e whakamahia ana i roto i nga punaha kei reira te kohi kaha he kaupapa nui, he pai te whiriwhiri mo nga tono o te pākahiko.
Tena koa tukuna mai he uiui, ka whakautu wawe taatau.
i te 2024/10/21
i te 2024/10/21
i te 8000/04/18 147757
i te 2000/04/18 111931
i te 1600/04/18 111349
i te 0400/04/18 83719
i te 1970/01/1 79508
i te 1970/01/1 66884
i te 1970/01/1 63010
i te 1970/01/1 62980
i te 1970/01/1 54081
i te 1970/01/1 52108