
Te Epm7512BC256-5 Ko te CPLity Cpld nui mai i te whanau Max 7000b, i hangaia hei whakahaere i te mana whakahaere me te arorau o te atanga i roto i nga punaha mamati.He 10,000 nga kuwaha ka taea me te 512 macrocells, e whakarite ana hei tautoko i nga mahi whakaraeraetanga, ki nga miihini whenua, me te whakahaere pahi i roto i tetahi taputapu.Ka whakamahia e te CPLD te whirihoranga i roto i te EEPROG me te tuku-a-roto, na reira ko te arorau kaore i te waatea me te mana e rite ana ki te whakamahi me te kore e maumahara ki te kore e maumahara.I hangaia i roto i te paatene 256 poro FBGA, e tautoko ana i te maha o nga kaiwhakamahi, ka pai ake mo nga papa taapiri e hiahia ana kia maha nga tohu tohu.Ko nga whakamahinga angamaheni ko te whakauru i te arorau, te whakatau i nga wahitau, te hono a te poari, me nga whakaritenga a te poari ki te whakawhitiwhiti korero, ahumahi, me nga tono whakauru.Kei te rapu mo te EPM7512BFC256-5?Whakapā mai ki a maatau ki te tirotiro i nga taonga o naianei, te waa arataki, me te utu.

Ko te whakatakotoranga o te poari poari e pa ana ki te paatene 256 Pin Fineline, i te wa e uru ana te kaupapa BGA ki te 100 Pin Fineline Border, me tuku i nga paanui e rua ki runga i te papaahi o te papa.Ko te ahua o te pokapū e tohu ana i te tauira whenua noa i runga i te poari, me nga whakaahua o raro, me te 256 Pin Fineline Kōwhiringa, i whakaahuahia, kua piki ake, ka piki ake ranei.Ko nga pere i waenga i te poari me nga pikitia e rua e tohu ana ka taea e tetahi tahora te tautoko i nga taputapu PIN, ka taea te heke mai i nga mema o te Lif7512256-5 te whakarereke i te hoahoa poari.



Ko te EPM7512BFC256-5 e whakamahi ana i tetahi hanganga arorau eeprom e penapena ana i nga raraunga whirihoranga i roto i te taputapu.Ma tenei ka taea te CPLD kia rite ki te whakamahi mo te kore e whakawhirinaki ki te mahara o waho, te whakaputa i nga huringa o te huringa.Ko te hoahoanga e mau tonu ana i ana mahi i whakamaherea ahakoa ka pa te punaha.
Ko te taputapu e rere mai ana i te tuku a roto e noho ana i roto i te waahanga o te 2.375 v ki te 2.625 v, me te 2.5 v hei reanga angamaheni.Ka tautokohia e tenei awhe te whakahaere tonu i nga tikanga o te poari rereke, me te awhina kia rite ki te whanonga whakawhiti.Ka taea hoki e te CPLD te mahi i roto i nga punaha e whai ana i nga whakaritenga hoahoa iti.
Ko te EPM7512BFC256-5 e tautoko ana i nga whakahoutanga na roto i te IEEE 1149.1Ma tenei ka whai kiko ki te whakatikatika i nga mahi arorau, tirohia te hononga honohono, te whakamahi ranei i nga whakahoutanga i te whanaketanga me te whakamatautau.Ka mahi te tukanga me te kore e tango i te CPLD, te aukati ranei i nga waahanga e karapoti ana.
He 512 Macrocells kua whakaritea hei 32 nga poraka whakauru, ki te taputapu he papaaho e whakahaere ana i nga paparanga maha me nga mahi.Ka taea e ia macrocelll te whirihora hei tautoko i te whānuitanga o nga mahi arorau, ka whakakotahi nga kaihoahoa ki nga whakaaturanga ngawari me te whanui.Ko tenei hanganga ka awhina i te CPD e whakahaere ana i nga huinga nui e pa ana ki nga tohu e pa ana.
Ko te EPM7512BFC256-5 e pa ana ki nga keti 10,000, e tuku ana i te ruma nui hei whakakapi i nga waahanga arorau maha, me tetahi taputapu whaihua.He tika tenei tatau mo nga punaha e hiahiatia ana e nga punaha te whanui, te mana whakahaere, te whanonga ranei o te kawanatanga i roto i te waahanga taapiri.Ka tautokohia te whakaurutanga arorau me te kore e taapiri i te waahi poari.
Ki te 212 kaiwhakamahi i O, ka tautoko te taputapu i nga hoahoa e hiahia ana kia maha nga tohu hononga mo nga pahi, raina whakahaere, ko nga hononga peripheral ranei.Ko te tatauranga titi nui ka taea te whakahaere i nga tohu maha ki a mai i te CPLD me te kore e raru.Ka awhina tenei i nga papaaho poari i roto i nga punaha kaha.
Ko te 126 Poraka FABGA ka whakamahi i te 17 i te 17 o te tahora e pai ana ki nga papa porowhita.Ko tana whakatakotoranga mahanga papa ka awhina i te teitei o te teitei i te wa e whakaatu ana i nga huarahi e tika ana i raro i te taputapu.Ka tautokohia e te tapuwae te waahi pumau ka taea ai te whakauru i nga waahanga e anga ana ki nga huihuinga hou.
Ko te Whakaputanga o te CPDD e tata ana ki te tata ki te 5.5 NS, te mahi urupare mo nga huarahi arorau e hiahia ana ki nga whakawhitinga tere.Ko tenei waa e tautoko ana i nga tono e tika ana kia neke nga tohu i roto i nga waahanga maha me te kore e whakaroa.Ka awhina ia ki te pupuri i te rere ma, e kitea ana i roto i te mana whakahaere me nga waahanga a-atanga.
Ka tae te taputapu ki te tere haere i te 160 mhz, me tenei tautoko mo te 163.9 mhz i te whakamahinga angamaheni.Ma tenei huringa e taea ai te CPLD ki te whakahaere i nga huringa o te kawanatanga me te aukati i nga tukanga taraiwa.He pai te mahi i roto i nga punaha kei reira te mana whakahaere i nga tohu whakahou i nga reiti teitei ake.
Ko te awhe mahi o te 0 ° C ki te 70 ° C e tautoko ana i te whakamahi tika i roto i nga taiao o roto o roto.Kei te pupuri te taputapu i tana whanonga i whakamaherea me te waa puta noa i tenei waahanga, e tika ana mo nga taputapu arumoni paerewa.Ko tenei matapihi te pāmahana e kapi ana i te ruuma noa ki nga tikanga mahana e kitea ana i roto i nga punaha whakauru.
| Huanga hua | Uara huanga |
| Kaimahitaonga | Whakauru |
| Taonga ngaohiko - roto o roto | 2.375v ~ 2.625v |
| Ko te kete taputapu taputapu | 256-FBGA (17x17) |
| Rārangitanga | Max® 7000B |
| Momo ProfictionMable | I roto i te Papatonotanga Pūnaha |
| Paati / Take | 256-BGA |
| Pūhera | Heri |
| Pāmahana whakahaere | 0 ° C ~ 70 ° C (ta) |
| Tuhinga o mua | 512 |
| Te maha o nga waahanga arorau / Poraka | 32 |
| Tuhinga o mua | 212 |
| Tuhinga o mua | 10000 |
| Momo Momo | Maunga Matapihi |
| Te roa o te TPD (1) Max | 5.5 NS |
| Tau hua hua | Epm7512 |

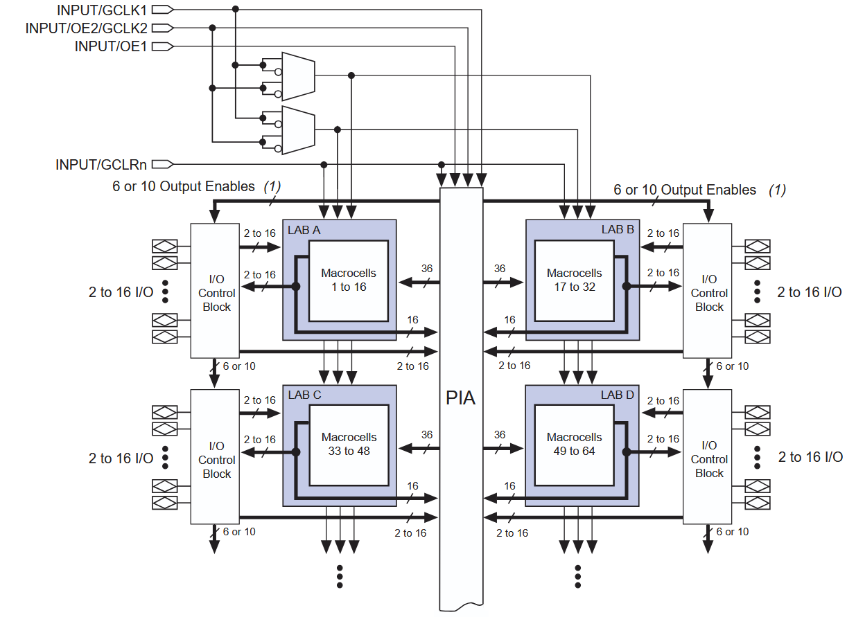
Ko nga hoahoanga o roto o te EPM7512FFC256-5 e whakaritehia ana i nga raarangi arorau maha, ko ia roopu roopu o nga hononga honohono a te pokapū e hono ana i waenga i nga tohu arorau i waenga i te arorau me te / O.Ko nga urunga o te ao e kiia ana he karaka, he maamaa, me te putanga ka taea te whangai i tetahi waahanga whakahaere iti i te tihi o te hoahoa, e tohatoha ana i nga tohu whakahaere ki nga waahanga arorau me te waahanga.Ko ia taha o te taputapu kei roto / O nga poraka whakahaere e hono ana ki nga titi o waho, e whakaatu ana i nga hononga o te rohe ki te taha o te hononga honohono.Putanga-Whakahohe Raina ki te "6 ki te 10 putanga ranei e taea ai te" puta atu ki te "o nga hanganga, ka taea e nga roopu o nga putanga kia taea ai te whakahaere.Ko nga tuhipoka i raro o te ahua e whakamarama ana ko nga mema o te whanau i roto i te whanau ano e whakaatu ana i nga tohu rereke e whakaatu ana i te kaupapa o roto e whakamahia ana e te EPM7512FC256-5.

Ko te hanganga macrocell mo te EPM7512BFC256-5 e whakakotahi ana i te raarangi o te rohe ki te taha maui, ko nga kupu e 36 te mana whakahaere i te waahanga e tika ana, me te whakahaere i te karaka.Ko nga tohu arorau e hono mai ana i nga tohu o te rohe e hono ana ki nga tohu o te rohe e tarai ana i te kuaha o te keehi.Ko nga raina karaka o te ao e uru ana ki te ao, ka taea te whiriwhiri motuhake o te whakauru tere, te karaka, te whakamaarama ranei i nga punawai, me te whanonga mo ia macrocell.Ko te putanga o te rehitatanga, ko te whakakotahitanga ranei e tarai ana i te poraka I / O Cropconnect me te huarahi whakauru taapiri mai i te waho o te Pin e whakaatu ana i te waahanga rehita mo te ture tohu iti.
Ko te EPM7512BFC256-5 e whakamahia whānuitia ana i roto i nga waahanga whatunga, nga tauira whakawhitiwhiti korero, me nga papa waea waea e whakawhirinaki ana ki nga rauemi arorau nui hei whakahaere i nga hononga maha.Ka taea e ia te whakahaere i te mahi putea, te whakahaere i te waa, me te whakahaere i nga huarahi i roto i nga punaha e tika ana kia whakahaere ngatahi nga huarahi raraunga.Ko tana whirihoranga kore-kore e taea e te taputapu te pupuri i te arorau ritenga mo te whakahaere kawa me te whakahaere i nga punaha puta noa i nga huringa hiko.
Ko nga taakuta automotive e whakahaere ana i nga rohe pāmahana arumoni ka taea te whakamahi i tenei CPLD hei whakahaere i nga tohu whakahaere me te tautoko i nga mahi arorau ritenga.Ka uru ki nga tono e awhina ana i te whakakotahi i te arorau ki te whakaheke i te matatini a te poari, penei i nga waahanga whakahaere iti, te tohu ranei i nga waahanga poraka.Ko te taputapu e mau tonu ana i te whanonga pumau puta noa i nga tiimata ka tiimata, e tika ana mo nga waahanga e huri haere ana.
I nga taiao ahumahi, e tautoko ana te taputapu i nga mahi penei i te mana miihini o te whenua, i te mahere mahere, me nga mahi kawa iti hei awhina i te whanonga taputapu.Ko tana waa tohu me te rite ki te whakahaere i te whirihoranga kaha i roto i nga punaha e whakahaere ana mo nga waa roa, ka whakaara ano ranei i nga waa.Koinei te mea e pai ana mo nga kaiwhakahaere, te aro turuki i nga waeine, me nga tohu automation.
Ka whai kiko te taputapu mo nga hua whakauru e hiahiatia ana e te arorau whai hua hei whakahaere i te whakariterite a roto i waenga i nga waahanga iti.Ka taea e ia te tautoko i te whakariterite atanga, te mana o te waa wa, me te whakahaere tohu ritenga i roto i nga papa taapiri.Ko tona kaha ki te penapena i te arorau a-roto ka awhina i te whakahaere i nga punaha kia kore ai e taapiri i nga waahanga mahara o waho.
He maha nga hoahoa tawhito e whakamahi ana i te whanau Max 7000b, a ko te EPM7512BFC256-5 ka taea te mahi hei whakakapi tika i roto i enei punaha.Ka tautokohia te tiaki haere tonu, whakatikatika, me nga whakahou taapiri kaore i te whakarereke i te hoahoanga o te poari.Ma tenei ka taea e maatau te whakamahi i nga hoahoa kua whakapumautia i te wa e pupuri ana i te taputapu taputapu me nga waahanga e waatea ana.
• Ko te huringa arorau nui me te 512 macrocells me te 10k nga tatau ka taea e nga tatau te tautoko i te whakauru i nga punaha whanui
• Ko te whirihoranga i roto i te EEProm te whakahou me te whakatikatika i te wa e mau tonu ana te taputapu ki te poari
• Ko te PIN tere ki te titi i te urupare me te waa pumau e tautoko ana i nga huarahi mamati tere tere
• Te whanui me te tatau me te kete putea 256 Ball FBGA ka taea te whakahaere ngawari mo nga hoahoa taiharo
• Ko te hototahi Pin i roto i te whanau Max 7000b e tautoko ana i nga mahi hoahoa hoahoa o mua
• Ko te whirihoranga kore-kore e tango i te hiahia mo te taputapu mahara o waho
• He pai te whakarite i te whanau taputapu me nga rauemi hangarau e taea ana
• Kaore i whakaitihia mo nga whakaritenga koreutu, ka taea te aukati i te whakamahinga i etahi taiao kua whakaritea
• Te whānuitanga o te pāmahana arumoana o te 0 ° C ki te 70 ° C kaore i te pai nga tono pāmahana
• Ka whakamahi i nga taumata o te 2.5 v me te 3.3 v, ka taea te whakamahi ki te kaha ki te whakamahi i nga whanau a-iwi hou
• Ka nui ake pea te nui o te kete BGA i nga hiahia o nga hoahoa e hiahia ana kia iti ake nga titi
| Tau waahanga | Kaimahitaonga | Nga waahanga matua | Whakamahia te keehi / tuhipoka |
| Epm7512BC256-5n | Whakauru | Max® 7000B CPLD me te 512 macrocells me te 10K nga tatau.I roto i te punaha epclmable EEPROMable EpmMable, 256-Ball FBGA Pahi me te High I / O tatau, me te nui o te kohinga-kore-kore-waho. | He pai mo te whakaaro arorau, miihini whenua ngawari, me te whakarahihia.He whaihua i roto i nga kaupapa Refresh Whakakore i te waahi o te taputapu Max 7000B e rere ana me nga tapuwae-kohi-pine aihia. |
| Epm7512BC256-5gz | Whakauru | Tana te kaha arorau o te Max® 7000B me nga waahanga ISP me te rereke-kore-a-iwi.Te teitei-te-teitei 256-BGA, whanui, whanui, me te waatea me te waa pumau mo te whakahaere me te mahi honohono. | He whiringa maturuturu-ma te whakamahi i nga mahi a-taiao.Whakapaihia te Whakahaere Mamati, nga tuurua whakawhitiwhiti, me nga hoahoa a te poari-waahi e hiahiatia ana e te tini o nga titi i / O. |
| Epm7512BC256-7 | Whakauru | Max® 7000B CPLD me te 512 macrocells me te punaha-a-punaha.Tuku i te turanga waewae 256-BGA-BGA me te / o nga rauemi, me te reanga tere mo te waa me te mana taurite. | Kia pai te whakaaro ki te whakaaro-a-ringa-a-tinana, me nga momo hua ngawari, me nga momo hua e kore e taea te tango engari me whakarite te poari me nga taputapu. |
Ko te Intel he kamupene semiconductor nui i hangaia i Amerika, i whakapumautia i te 1968 ka whai waahi ki Santa Clara, California.Kei te mahi koe me tetahi kaiwhakarato Ko wai nga hua matua kei roto i nga microprocesors, chipsets, taputapu arorau whaihua, me etahi atu waahanga whakauru whakauru i whakamahia i roto i nga punaha whakahiato me te whakawhitiwhiti korero.Na roto i ona raina arorau e whai kiko ana, e whakauru ana i te Intel, Intel nga hoahoa mai i te mana whakahaere ki nga raraunga me te tukatuka tohu.Ko tana hitori roa i roto i te hoahoa taputapu me te hangai nui nui e whakarato ana i te horopaki pumau mo nga waahanga penei i te EPM7512BFC256-5 i roto i nga punaha tohu mamati me te whakaranu.
Ko te EPM7512BFC256-5 e whakakotahi ana i te tere, te ngawari, me te nui o te arorau i roto i tetahi taputapu.Ka whiwhi koe i te CPLD e tiimata tonu ana, ka whakahaere i nga tohu maha, ka noho ngawari ki te whakahou i te jtag.Ka tautokohia e tana hoahoanga te whanui whanui, nga miihini whenua, me te arorau atanga me te kore e hiahia ki nga waahanga taapiri.Ka taea e koe te uru ki roto i te whānuitanga o nga punaha, mai i nga papa korero ki te whakauru i nga papa taapiri, me te whakawhirinaki ki tana waa me te whanonga.Ma tana kete BGA taapiri me te teitei i / o te tatau, ka whakawhiwhia ki a koe he waahi hei whakatipu i to hoahoa i te wa e whakahaere ana i te tahora.Te nuinga, ka tuku i te huarahi e whakawhirinaki ana ki te whakahaere me te whakarite i nga tohu mamati i roto i te maha o nga kaupapa kaupapa.
Tena koa tukuna mai he uiui, ka whakautu wawe taatau.
Ka hangaia e ia nga mahi arorau ritenga i roto i te punaha mamati.Ka taea e koe te whakamahi hei whakahaere i nga miihini whenua, te whakatau, te whakahaere i te waa, me nga mahi pahi.Ka awhina koe ki te whakakapi i nga waahanga arorau iti me te taputapu whaihua kotahi.
Ae.Ka tautokohia e ia te papatono-a-rorohiko i roto i te jtag, na ka taea e koe te whakahou, te whakatika ranei i tana whakaaro kaore i tangohia.Ma tenei ka whakamatauria me te tino ngawari.
Ka whakaratohia e ia te 212 kaiwhakamahi i / o te titi, hoatu nui ki a koe mo nga pahi, nga raina whakahaere, me nga hononga atanga.Ka whai hua tenei ki nga hoahoa e hiahia ana kia maha nga tohu tohu.
Ka whakamahia e te taputapu tetahi kohinga matua o roto me te nuinga o te waa me te 3.3 V I / O.He riterite tenei ki nga punaha mamati noa me te pupuri tonu i te hoahoa.
Ka kitea e koe i nga taputapu telecom, nga kaihoko Ahumahi, nga hua whakauru, me nga punaha tawhito e whakamahi ana i te whanau Max 7000B.Ko tana tautuhinga kore-a-waho me te whanui i / o te tautoko ka whai hua ki te maha o nga momo papa mamati.
i te 2025/12/5
i te 2025/12/4
i te 8000/04/18 147758
i te 2000/04/18 111948
i te 1600/04/18 111349
i te 0400/04/18 83722
i te 1970/01/1 79508
i te 1970/01/1 66918
i te 1970/01/1 63076
i te 1970/01/1 63012
i te 1970/01/1 54081
i te 1970/01/1 52145