
Ko te XC3042-100PC84C Ko te CMOS SRAM e hangai ana i te mara ka taea te hanga i te kuaha kua whakaritea mo te whakatinanatanga arorau mamati.No te whanau XC3000, ka tukuna i roto i te kete PLCC 84 titi.Ka mahi te taputapu me te 5 volt supply me te hiahia raraunga whirihoranga i te hiko ake ki te tautuhi i ona mahi arorau.Ko tana hanganga o roto e tautoko ana i nga poraka arorau ka taea te whakarite me nga hononga whakauru me te putanga ngawari mo te mana whakahaere, te atanga, me nga mahi whakahaere raraunga.Ka whakamahia tenei waahanga ki roto i nga punaha whakauru, taputapu ahumahi, me nga papaa mamati tuku iho e hiahia ana ki te arorau taputapu urutau.Kei te rapu mo te XC3042-100PC84C Whakapā mai ki te tirotiro i nga taonga o naianei, te wa arahi, me te utu.

Ka whakatakotohia e te kauwhata te ohanga o naianei i runga i te tuaka poutū i roto i te milliamps ki te auau karaka i runga i te tuaka whakapae i roto i te megahertz, e whakaatu ana i te piki haere o naianei me te auau whakahaere.E rua nga momo mahi kua tautuhia, kua tapaina te Mana Iti me te Mahinga Nui, e tohuhia ana e tetahi raina piki.Ka tae te aratau Mana Iti ki te 104 MHz i te naianei e tata ana ki te 120 mA, ko te aratau Mahi Teitei ka toro atu ki te 178 MHz me te 240 mA o naianei.Ko te ia ahorangi i roto i nga pihi e rua e tohu ana i te tipu riterite o te kohi o naianei i te pikinga o te huringa whakawhiti, e whakaatu ana i nga ahuatanga o te mana kaha o te taputapu.



Ko te XC3042-100PC84C e whakarato ana i te 3000 nga keeti arorau e whakamahia ana mo te whakatinana iahiko matihiko.Ka tautokohia e tenei kaha te arorau whakahaere, te ararere raraunga, nga miihini kawanatanga, me nga mahi tatau i roto i te taputapu kotahi ka taea te papatono.Ma te whakauru i nga mahi arorau maha ki roto i te waahanga kotahi, ka whakaitihia te hiahia mo nga IC arorau motuhake me te tautoko i nga whakatakotoranga papaa kiato.
Kei roto i te taputapu he 144 Poraka Rorohiko Ka taea te whirihora hei kaupapa matua o tana hoahoanga ka taea te whakarite.Ka taea te whakarite i ia poraka ki te mahi i nga mahi arorau whakakotahi me te raupapa.Ma tenei hanganga ka taea e nga kaihoahoa te tautuhi i te whanonga taputapu ritenga i runga i nga whakaritenga tono i te wa e mau tonu ana te mahi a-mati.
Kei roto i te XC3042-100PC84C te 74 nga titi whakauru me nga titi whakaputa.Ka taea e enei titi te hono tika ki te mahara o waho, ki nga tukatuka, ki nga raina whakahaere, me nga atanga korero.Ko te kaute I O e waatea ana e tautoko ana i te whakaurunga punaha ngawari ki roto i nga papaaho kua mau me te tuku iho.
Ka whakauruhia e te taputapu te 30784 nga moka RAM katoa i roto i tona hanganga o roto.Ka taea te whakamahi i tenei mahara mo te rokiroki raraunga rangitahi, te aukati, me nga mahi e pa ana ki te arorau.Ma te hanga i roto i te RAM ka whakaitihia te whakawhirinaki ki te mahara o waho mo nga hiahia rokiroki ngawari.
Ko te XC3042-100PC84C e mahi ana i roto i te awhe ngaohiko tuku mai i te 4.75 volts ki te 5.25 volts.Ka hono tenei awhe ki nga punaha mamati 5 volt paerewa me te tautoko i te hototahi ki nga iahiko TTL me CMOS e whakamahia ana i roto i nga hoahoa kua oti.
Ko te awhe pāmahana whakahaere kua tohua ko te 0 nga nekehanga Celsius ki te 85 nga nekehanga Celsius.Ma tenei ka pai te taputapu mo te whakahaere i nga taiao arumoni me nga taiao ahumahi e mau tonu ana nga tikanga waiariki.
Ka tukuna te taputapu i roto i te kete 84 titi Tira Kirihou Tiaki Tira Kawa me nga arataki J.Ka tautokohia e tenei whakatakotoranga papaa papa te taapiri haumaru me te whakamahi pai o te mokowā poari ara iahiko i roto i nga whakatakotoranga kiato reo.
Ka whakamahi a XC3042-100PC84C i te punaha whirihoranga SRAM.Ko tana whirihoranga arorau ka utaina i te hiko mai i te puna o waho, ka taea te whakahoahoa i te taputapu ina hiahiatia nga whakahou hoahoa.Ka tautoko tenei i te ngawari o te hoahoa me te kore he whakakapinga taputapu.
Ka whai te taputapu i te hoahoanga o te whanau XC3000 FPGA.E tautoko ana i nga tikanga whirihoranga me nga huarahi hoahoa e whakamahia ana i roto i tenei raupapa hua, e taea ai te whakauru riterite ki nga taputapu e pa ana.
Ko te tohu tere -100 e tohu ana i te waahanga mahi wa o te taputapu.E tohu ana i nga ahuatanga whakawhiti me te whakatōpūtanga i roto i te whanau XC3000, e tautoko ana i te whanonga tohu mamati pumau me te matapae i roto i nga tono mahi.
| Huanga Hua | Uara Huanga |
| Kaihanga | AMD Xilinx |
| Ngaohiko - Tuku | 4.75V ~ 5.25V |
| Moka RAM Tapeke | 30784 |
| Mōkī Pūrere Kaiwhakarato | 84-PLCC (29.31x29.31) |
| Rangatū | XC3000 |
| Mōkī / Take | 84-LCC (J-Lead) |
| Mōkī | Paepae |
| Te Waahi Mahi | 0°C ~ 85°C (TJ) |
| Te maha o nga LAB/CLB | 144 |
| Tau o I/O | 74 |
| Te maha o nga keeti | 3000 |
| Momo Whakaeke | Maunga Mata |
| Tau Hua turanga | XC3042 |
| Tūnga RoHs | RoHS kore-ture |
| Taumata Makuku (MSL) | 3 (168 haora) |
| Tūnga REACH | REACH Kaore i pa |
| ECCN | EAR99 |
| HTSUS | 8542.39.0001 |

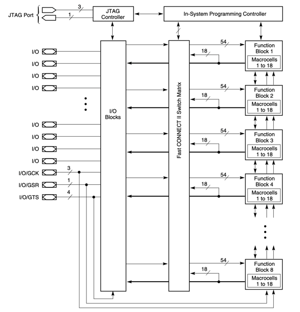
He mea hanga huri noa i nga poraka mahi e waru, he 18 nga macrocells kei ia taputapu, ka hono te taputapu i nga rauemi arorau ka taea te whakarite ma roto i te puku whakahuri FastCONNECT II e whakahaere ana i te ararere tohu o roto.Ka hono atu ia poraka mahi ki te matrix ma te whakamahi i nga raina whakauru 54 me nga ara whakaputa 18, e tautoko ana i nga whakaroa honohono e matapaehia ana mo nga hanganga CPLD.Ko nga poraka I/O e tu ana ki te taha maui e whakarato ana i te hononga titi o waho me te whakauru i nga tohu mana o te ao kua tapaina ko I O GCK, I O GSR, me I O GTS mo te karaka, te tautuhi tautuhi, me te tohatoha tuatoru.Ka puta mai he kaiwhakahaere JTAG me te kaiwhakahaere hötaka pünaha ki runga, e tohu ana i te hanganga ture matawai rohe me te kaha whirihoranga reprogrammable.Ko nga ara tohu maia e whakaatu ana i nga hononga tika mai i nga putanga poraka mahi ki nga poraka I O, e whakaiti ana i nga waahanga ararere mo nga putanga kua tohua.

Ko te whirihoranga kawenga whakamatautau e hono ana i te putanga o te taputapu ki tetahi kaiwehewehe parenga i hangaia e R1 kua herea ki te VTEST me te R2 kua herea ki te whenua, me te uta capacitive CL e hono ana mai i te node putanga ki te whenua.Ka whakatauirahia e te ara iahiko nga tikanga whakawhiti whakaputa mo nga inenga taima AC ma te tautuhi i te kawenga parenga me te uta kaha.Ko te ripanga e whakaatu ana i nga uara mo nga taumata whakahaere e rua, me te VCCIO me te VTEST kua whakaritea ki te 3.3 V ma te whakamahi i te R1 o te 320 ohms me te R2 o te 360 ohms, ko te 2.5 V ranei te whakamahi i te R1 o te 250 ohms me te R2 o te 660 ohms, ka noho tonu a CL ki te 35 pF i nga keehi e rua.Ka whakatauhia e tenei whirihoranga nga tawhā utaina paerewa hei arotake i nga ahuatanga o te piki me te hinga i raro i nga tikanga ngaohiko kua tautuhia.
Ko te XC3042-100PC84C e whakamahia whanuitia ana ki te pupuri i nga punaha whakauru i whakawhanakehia i te wa o te tango wawe o te arorau ka taea te whakarite.He maha nga papa whakahaere i roto i nga taputapu whakangao, taputapu, me nga taputapu korero i hangaia huri noa i te hoahoanga XC3000.I te wa e hiahia ana enei punaha ki te whakatika, ka taea e te taputapu te whakahoki mai i te arorau ka taea te whakarite me te kore e whakarereke i te papa taiawhio.Ka awhina tenei ki te pupuri i te whanonga o te punaha, nga hononga wa, me te hototahi tohu.
I roto i nga papahanga whakahaere ahumahi i hangaia me nga taputapu raupapa XC3000, ka whakahaerehia e te XC3042-100PC84C te raupapatanga, te ararere tohu, me te ruruku atanga i waenga i nga puoro me nga kaiwhakatere.Ko tana awhe whakahaere 5 volt e rite ana ki nga taumata arorau e whakamahia ana i roto i nga punaha aunoatanga tawhito.Ka taea e te taputapu te whakahaere i te waa, te whakahaere huarahi raraunga, me te whakakapinga arorau motuhake i roto i nga taputapu ka taea te whakarite, ka taea te mahi i roto i nga taiao whakaputa roa.
Ka whakamahia te XC3042-100PC84C i roto i nga kaupapa rorohiko whakamuri e whai ana ki te pupuri, ki te hanga ano ranei i nga hoahoa arorau ka taea te whakamahere.Ka taea te whakahoki mai i nga kaari roha, nga papa whanaketanga, me nga waahanga atanga i hangaia me nga taputapu XC3042.Ma te tautoko i te hanganga whirihoranga me te whakatakotoranga titi, ka awhina i te pupuri i te whanonga taputapu pono i te wa e waatea ana nga konae hoahoa.
Ko te taputapu he papaa whakaako mo te mohio ki nga hanganga FPGA reanga tuatahi a SRAM.Ka taea e nga akonga te tirotiro i nga poraka arorau ka taea te whirihora, nga rauemi mahara o roto, me nga tikanga whirihoranga o waho i roto i te taputapu taputapu tuuturu.Ma te mahi tahi me tenei hoahoanga e whai kiko ana ki te whakatakotoranga moata o nga punaha arorau ka taea te whakarite me te pehea i mapihia ai nga mahi matihiko ki te taputapu.
Ko te XC3042-100PC84C he maturuturu hei whakakapi mo nga punaha kua whakamahi kē i nga waahanga raupapa XC3042.Ka tautokohia te ahua o te kete, te awhe ngaohiko, me te hanganga hoahoanga, ka taea te whakatika, te whakahou ranei i nga taputapu tawhito.Ko tenei huarahi ka roa ake te oranga o nga punaha tuku iho me te kore e hiahia ki te hoahoa hou, ki te huri ranei ki nga papaaho hou ka taea te whakamahere.

Ko te whakaahua o te kete e whakaatu ana i te tirohanga o runga o tetahi taputapu TQ144 me nga waahanga tohu tohu tohu e whakaatu ana i nga korero ota.Ko te momo taputapu ka puta ko te XC95xxxXL, e tohu ana i te ingoa whanau, ko te tohu mokete TQ144 e tohu ana i te 144 titi angiangi whawha papatahi.Ko te tohu tere ko te 7C, ko te uara tau e tohu ana i te wa mahi me te reta e tohu ana i te awhe pāmahana whakahaere arumoni.Ka whakaatuhia he raina whakapae motuhake kaore e pa ana ki te nama waahanga taputapu, e wehewehe ana i te whai waahi, i nga korero rota ranei mai i te ota tohu tohu.Ko te waahi 1 e tohuhia ana e te tohu porohita i tetahi kokonga hei tautuhi i te takotoranga o te kete.
• Ko te hangahanga SRAM ka taea te whakarereke i te arorau ina hiahiatia nga huringa hoahoa
• Ka tautoko te hoahoanga XC3000 i nga mahi pumau i roto i nga punaha tuku iho
• Ko te awhe tuku 5 ngaohiko e rite ana ki nga taumata arorau tawhito TTL me te CMOS
• He pai te tatau tatau kuaha iti ki te tauine waenga ki nga mahi whakahaere mamati
• He mea whakauru noa ki roto i nga papahanga o mua kua whakauruhia me te ahumahi
• 84 titi PLCC mōkihi e tautoko ana kiato mata Maunga tahora papa
• Ko te mahi 5 volt e kore e hono ki nga punaha mamati ngaohiko iti hou
• He iti te kaha arorau ka whakaritea ki nga taputapu FPGA o naianei
• He nui ake te whakapau hiko i nga whanau arorau ka taea te whakahoahoa ngaohiko iti hou
• Karekau he whakarea whakauru me nga rauemi tukatuka tohu whakatapua
• Kaore e uru ki te whakahaere karaka matatau, ki nga ahuatanga atanga tere tere ranei
• Ka herea te hototahi taputapu whanaketanga i roto i nga taiao hoahoa FPGA hou
| Nama Wahi | Kaihanga | Nga waahanga matua | Whakamahia te Take/Tuhipoka |
| XC3042-100PQ100C | AMD | XC3000 whanau FPGA me te tata ki te 3,000 kuaha punaha me te 144 poraka arorau ka taea te whirihora.Ka mahi mai i te toha 5V me te tautoko i te putunga maunga-mata. | Ka whakamahia i roto i nga hoahoa arorau ka taea te papatono tuku iho, te mana atanga, me nga tono matihiko ngawari-kiato. |
| XC3042-125PQ100C | AMD | He rite te taputapu XC3042 me te tohu tere rereke.Ka whakarato rauemi arorau ka taea te whirihora me te I/O ngawari i roto i te kete PQFP. | E tika ana mo te mana matihiko me te ara iahiko whakawhitiwhiti korero e tika ana nga whakaritenga o te waa. |
| XC3030L-8VQ64C | AMD | FPGA iti-hiko mai i te raupapa XC3000L me nga poraka arorau ka taea te whirihora me te hoahoa kete kiato.I hoahoatia mo te whakaheke hiko. | He pai mo nga punaha whakauru-a-hiko me nga hua hiko kaihoko. |
| XC3030L-8VQ64I | AMD | Ko te FPGA iti-kaha-a-ahumahi me te awhe pāmahana roa me nga rauemi arorau ngawari ka taea te whakarite. | Ka whakamahia i roto i te whakahaere ahumahi me nga punaha whakauru e hiahia ana ki te mahi pono i roto i nga taiao kaha ake. |
Ko te AMD Xilinx te mahi hei wehenga rorohiko urutau me te whakaurunga o Advanced Micro Devices, Inc. Ka whai te whakahaere i ona takenga mai ki Xilinx, Inc., i whakaturia i te tau 1984 i California, i reira i whakauruhia ai nga taputapu arorau ka taea te whirihora i muri i te hangahanga.I roto i nga tau, i toro atu te kamupene ki nga papaaho ka taea te whakamahi i roto i nga hanganga korero, i te umanga ahumahi, i nga punaha aerospace, i te hikohiko miihini, me te whakaterenga o te pokapū raraunga.Kei roto i tana kopaki nga taputapu arorau ka taea te whakarite, te punaha urutau i runga i nga papa maramara, nga punaha whanaketanga, me nga taputapu hoahoa e tautoko ana i te whakaritenga taumata taputapu.Whai muri i tana rironga mai i te AMD i te tau 2022, ka uru ona hangarau ki roto i te kopaki semiconductor whanui e whakakotahi ana i te arorau ka taea te whakarite me nga otinga tukatuka mahi teitei.
Ko te XC3042-100PC84C he huarahi whai hua ki a koe ki te whakahaere i te arorau ka taea te whakarite i roto i nga punaha mamati 5V.Ma tana hanganga SRAM, ka taea e koe te whakahou me te whakahou i te whirihoranga i nga wa e hiahiatia ana.Ka tukuna he ranunga totoka o te kaha arorau, te RAM o roto, me nga hononga I/O ngawari.Ko te kete PLCC84 he ngawari ki te whakauru ki nga whakatakotoranga papa maha.Ahakoa kei te pupuri koe i nga taputapu tawhito, kei te mahi ranei koe i nga kaupapa whakaora, ka awhina tenei taputapu ki a koe kia pai te rere o nga taputapu taketake.Ka noho tonu hei kowhiringa whakawhirinaki ina whai take te hototahi me te ngawari.
Tena koa tukuna mai he uiui, ka whakautu wawe taatau.
Ko te XC3042-100PC84C he kuaha CMOS SRAM-a-marae ka taea te papatono huinga (FPGA).No te whanau XC3000 ka taea e koe te tautuhi arorau mamati ritenga ma te uta i nga raraunga whirihoranga i te hiko-ake.Tenei te tikanga ka taea e koe te whakarereke me pehea te mahi me te kore e whakakapi i te taputapu.
Ka mahi i roto i te awhe 4.75V ki te 5.25V, e rite ana ki te 5V paerewa nga punaha matihiko.Na tenei ka hototahi ki te maha o nga TTL tawhito me te CMOS iahiko e kitea ana i roto i nga papa tuku iho.
Ko te taputapu e tuku ana mo te 3000 nga kuaha arorau ka taea te whakamahi me te 144 poraka arorau whirihora.He 74 nga titi I/O e taea ana e te kaiwhakamahi neke atu i te 30,000 moka o te RAM o roto mo te rokiroki raraunga rangitahi me te nga mahi arorau.
Ae, ka taea.I te mea ka whakamahia e ia te whirihoranga-a-SRAM, ka taea e koe te uta hou raraunga whirihoranga i ia wa ka kaha te punaha.Ka taea e tenei te whakahou me nga huringa hoahoa me te kore e whakakapi tinana i te maramara.
Ka kitea e koe i roto i nga punaha whakauru, te whakahaere ahumahi taputapu, me nga kaupapa rorohiko retro.He tino whai hua ina te pupuri, te whakaora ranei i nga taputapu i hangaia huri noa i te hoahoanga XC3000.
i te 2026/02/18
i te 2026/02/16
i te 8000/04/18 147748
i te 2000/04/18 111872
i te 1600/04/18 111347
i te 0400/04/18 83702
i te 1970/01/1 79473
i te 1970/01/1 66845
i te 1970/01/1 62995
i te 1970/01/1 62903
i te 1970/01/1 54064
i te 1970/01/1 52070