



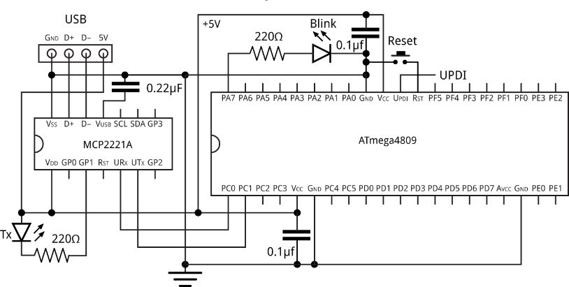
Ka rite ki te mema rongonui o te Megavr® 0-Series, e tu ana te Atmega4809 ki te whakauru i te Kaute AVR® me te miihini taputapu ka taea te whakahaere i te 20 mhz.Kei te waatea tenei Microcontroller i roto i nga momo whirihoranga, e piki ake ana ki te 48 kb Flash Mahara, 6 KB Saram, me 256 Bytates o Eeprom i roto i te 28- ki te 48-Pinita.Ko ona hoahoa hoahoa i runga i te hoahoanga ngawari, iti-mana e whakauru ana i nga waahanga whaihua penei i te punaha huihuinga, te moe, me te ahua o te ahua-a-roto-a-nga-toi.
• Te Pūrere AVR me nga taputapu taputapu: Kua whakauruhia ki te Kaute AVR® i whakauruhia e te punaha taputapu, te Atmega4809 e tuku ana i te kaha me te mahi.Ko te rere tere ki te 20 MHz, ka tere ake te mahi a tenei duo mo nga mahi pāngarau matatini.Ko nga kaha penei ka pai te mahi a te microcontroller mo nga tono e tono ana i te tukatuka tiketike me te tere tukatuka.Ko te hoahoatanga mo te hunga e ngana ana ki te patu i tetahi toenga i waenga i te kohi mana me te mahi, ka uru he pai mo nga momo hiahia hangarau.
•Nga Whirihoranga Mahara: Me ona whiringa mahara ngawari, ka whakawhiwhia e te Atmega4809 nga whirihoranga tae atu ki te 48 kb Flash Mahara, 6 KB Saram, me 256 Bytes EEPROM.Ko tenei whakarerekētanga e poipoia ana ki te whānuitanga o nga hiahia tono, mai i nga mahi ngawari e hiahiatia ana kia maumahara ki nga tono uaua ake e hiahiatia ana te rokiroki nui.Ko nga ahuatanga o te ao-ao e whakaatu ana ko te huinga mahara taurite ka kaha ake te whakarei ake i te punaha mahi me te whakautu.
• Pūnaha huihuinga: Ko te punaha huihuinga o te Atmega4809 e taea ai te whakawhitiwhiti korero-a-mua, te whakakore i te hiahia mo te wawaotanga o te CPU.Ko tenei waahanga e whakaiti ana i te kaha o te kohi me te whakapakari i te kaha ma te tuku i nga mahi kia oti me nga arake iti-iti.Ma te whakaiti i te kawenga a te Putea, ka whakawhānui ake i te ora o te pākahiko i roto i nga taputapu kawe me te whakapai ake i te kaha o te punaha.Ko tenei kaupapa hoahoa e whakaatu ana i te whakakotahitanga o te tiaki i nga mahi me te kaha o te mahi, te whakatau me nga tono e whakarite ana i te whakamahi-iti.
• Hangarau Moemoeā: Ko te hangarau moe e taea ai e ia te whakahaere takitahi i te wa e noho tonu ana te CPU ki te aratau moe-iti.Ko tenei kaha e whakarite ana i nga mahi nui ka mahia me te kaha iti te kukume, te arotau i te roa o te taputapu me te kaha mahi.Ko nga wheako mai i nga whakatinanatanga e whakaatu ana i te hiranga o taua tikanga penapena-kaha i roto i nga tono kei te kaha te kaha o te kaha.
Ko te Atmega4809 e whakanui ana i te mahi whakariterite, e whakaatu ana i nga kaitahuri-ki-Digital (ADC), nga kaata-a-ringa-ki-te-ira, me nga kaiwhakamaori.Ko enei peripherals taatai e whakarato tika ana i te tukatuka tohu tohu, i whakamahia i roto i nga tono taapiri raraunga, te tukatuka tohu oro, me etahi atu ahuatanga e hiahiatia ana nga inenga whakariterite.Ka whakaatu te whakamahi i nga mahi hei pupuri i te pono o te kaupapa matua mo te whakatutuki i nga mahi a te punaha pono me te riterite.
I whakanuia me nga peripherals matatau, ka tautoko te Atmega4809 i te maha o nga tono.Ko enei peripherals e pa ana ki te kaha o te Microcontroller me nga atanga mo nga kawa whakawhitiwhiti korero, nga tohu, me te whakakao i te panui-whanui (PWM).Ko te whakatakotoranga peripheraral whaihua e taea ai te whakarite ki nga hoahoa rerekee me nga hoahoa matatini, me te poipoi i nga otinga auaha ma te ngawari me te whakawhānui ake.
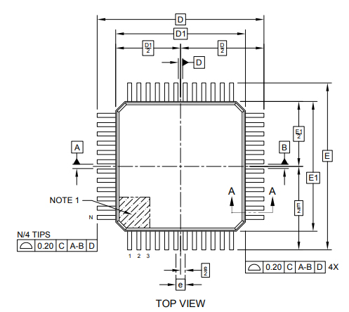
Anei te tepu tohu hangarau mo te hangarau microchip Atmega4809-AFR.
|
Tuhinga |
Parapara |
|
Wheketere
Te wa nui |
13
Wiki |
|
Hapa
Tuhinga |
Mata
Maunga |
|
Pūhera
/ Take |
48-TQFP
Papa kitea |
|
Mata
Maunga |
Āe |
|
Raraunga
Kaitahuri |
A / D
16x10b |
|
Nama
Tuhinga o mua |
41 |
|
Rom
(kupu) |
24,576 |
|
Mahi
Pāmahana |
-40 ° C
ki te 125 ° C ta |
|
Whiu |
Rīpene
& Reel (tr) |
|
Rārangitanga |
Megavr®
0 |
|
Wehe
Mana |
Kakama |
|
Haukū
Taumata Whaiaro (MSL) |
3
(168 haora) |
|
Nama
Tuhinga o mua |
488 |
|
Kuphupapa
Tohu pūmanawa |
8542.31.00.01 |
|
Tūnga
Tūranga |
Quad |
|
Tūnga
Āhua |
Kauhau |
|
Whakarato
Ngaohiko |
3V |
|
Tūnga
Whakanekerite |
0.5mm |
|
Tūranga
Tau waahanga |
Atmega4809 |
|
Jesd-30
Tohu pūmanawa |
S-PQFP-G48 |
|
Whakarato
Ngaohiko-max (vsup) |
5.5v |
|
Whakarato
Taha-Min (VSUP) |
1.8v |
|
Oscillator
Tuhinga |
O roto |
|
Tere |
20MHz |
|
Rāme
Rahi |
6k x
8 |
|
Ngaohiko
- Toha (VCC / VDD) |
1.8v
ki te 5.5v |
|
UPS / UCS / Peipheral
Momo ICS |
Microcontroller,
Riihi |
|
Uho
Pū tukatuka |
Apeāpū |
|
Peipherals |
Parauri-waho
Tirohia / Tautuhi, Por, PWM, WDT |
|
Karaka
Hohokitanga |
20MHz |
|
Hōtaka
Momo maumahara |
Uira |
|
Uho
Rahi |
8-bit |
|
Hōtaka
Te rahi o te mahara |
48KB
(48k x 8) |
|
Kākano |
I2C,
Spi, UART / USART |
|
Kumewaha
Rahi |
16 |
|
Kei a
Apa |
Āe |
|
DMA
Tīkau |
Kāo |
|
Pwm
Tīkau |
Kāo |
|
Tākuta
Tīkau |
Kāo |
|
Pū
Rahi |
256
x 8 |
|
Maramara
Te whanui o Rom |
16 |
|
Rohe
Matapa |
Kāo |
|
Whakatakotoranga |
Point-Point |
|
Tuitui
Mōute |
Kāo |
|
Rāme
(kupu) |
512 |
|
Nama
o Serial I / OS |
4 |
|
Nama
o nga wa |
5 |
|
Nama
Tuhinga o mua |
41 |
|
Maramara
Whanui Raraunga Rad |
16 |
|
Roa |
7mm |
|
Tōroa
Noho (Max) |
1.2mm |
|
Whānui |
7mm |
|
Rohs
Mana |
Rohs3
Takatika |

Ko te Atmega4809 te whakapehapeha i tetahi taputapu taputapu tino mahi nui e tere ana i nga mahi arithmetic.He pai rawa tenei mo nga tono e pa ana ki te tukatuka pāngarau kaha, na reira kia pai ake te whai hua.Ko nga tauira kei roto i te kripptography, te tukatuka tohu, me te tātari raraunga tuuturu, ka taea e te miihini taputapu, ki te whakaheke i te waa tukatuka, te arotau i te mahi pūnaha.
E tautoko ana te microcontroller e toru nga momo moe moe.
• Aratau mangere: Ka mau tonu i nga mahi a te PTU i te wa e whakaiti ana i te mana ki te peehi, te pai mo nga ahuatanga e tono ana i nga waa urupare tere.
• Te Aratau Tae: Ka kaha ake te kaha o te CPU me te pupuri i te CPU me te pupuri i nga whenua whakahaere whai hua, te whakauru ki nga tono me nga mahi a-waa.
• Aratau Toronga Power: E tuku ana i nga penapena kaha ma te aukati i nga mahi katoa, e tika ana mo nga taputapu hiko-hiko me te whakamahi totika.
Ko te tohu rongonui ko te punaha huihuinga, te whakahohe i nga huringa ki te taunekeneke tika me te kore o te whakauru a te CPU.Ma tenei ka whakaiti i te tapawha me te Bolsters te whakautu i te punaha whakahaere ma te tuku i te whakanikonihanga o te pepeke.He mea nui taua tikanga i roto i nga punaha whakahaere tūturu kei te kaha te waa me te tino tika.Te hoahoanga o te punaha huihuinga, rite ki nga tikanga whakauru whakamarumaru, ka whakaiti i nga Bentlenecks CPU, te whakarei ake.
Ko te mana o te kaitutei whakauru a Bolsters i te punaha whakahaere ma te aro turuki me te hoki mai i nga hiccups whakahaere.Ko te WDT e mahi ana hei tikanga kore, ka tautuhi ano i te microcontroller i runga i te kitenga kaore i te urupare, na reira ka pakaru te punaha pūnaha.Ko tenei tuunga tuuturu e whakamahia nuitia ana i roto i nga punaha whakahaere ahumahi me nga hikohiko kaihoko, me te whakarite i te haumarutanga me te pumau.
Mo te whakaohooho haumaru me te mahi pono, ko te Atmega4809 kei roto.
• Te Tautuhi-i runga (Por): Ka timata te microcontroller i runga i te whakaoranga mana, me te whakarite i te ahua whakaoho rite tonu.
• Te kitenga-a-parauri (tinana): Ka tiakina e ia te heke o te ngaohiko, ka whakahou ano i te punaha ina heke te ngaohiko i raro i te paepae kua raro.
Ko te atanga Debug kotahi-kotahi te taapiri i te atanga Debug te hono (hou) ka tino pai ake te whanaketanga me nga tukanga whakaheke.Ka whakaitihia e tenei atanga te tino uaua o te tinana me te whanonga e whai hononga ana ki te whakariterite me te whakaheke, te whakarei ake i nga hua kaiwhakawhanake.Ko te ngawari o te kohinga o te whakahoutanga he tino painga i nga huringa whanaketanga Iteritive, i te mea he nui te whakamatautau me te whakaheke i te kaupapa mo te wa kua oti.
Ko te tikanga, ko nga hua o te Atmega4809 e whai kiko ana i te papanga whaihua me te pai e tika ana mo te whānuitanga o nga tono, tae atu ki nga hikohiko kaihoko me nga miihini ahumahi.Ma te whakauru i te whakahaere mana matatau, te kaha o te whakaurunga, me te pakari o nga waahanga tuuturu, he turanga kaha mo te whakawhanake i nga punaha nui, pono.

Tuhinga o mua Atmega4809 me Atmega328 te whakaputa i nga taumata o te mahinga.Ko te Atmega328, e kitea ana i roto i nga papa o Arduino, kei te kaha te kaha.Ko tenei Microcontroller e whakauru ana i te hangarau picumatovers o Atmel, e taea ai te kohi kaha ki te kore e whakaekehia.
Te tirotiro i nga hoahoanga ake, ko te Atmega4809 e whakarato ana i etahi whakarei ake i te ATMEGA328.Ko te Atmega4809 e tuku ana i te punaha whirihoranga ngawari.He pai ake te mahinga o te mahinga pūnaha katoa.He nui ake te punaha, ina koa i nga tono e pa ana ki nga tohu maha, peripherals ranei.
Mo nga ahuatanga me te whakawhanaketanga, ko te hoputanga o muri o te Atmega4809 me te Atmega328 he pai.Ma tenei whakahiato e ngawari ake ai te tukanga heke mai o nga kaupapa i hangaia tuatahi mo te Atmega328.Taputapu debuging matatau i tautokohia e te Atmega4809 ka taea te whai hua nui ki nga kaupapa uaua, me waiho mo te tautuhi wawe me te whakatau.
Ko te mana o te kaha o nga rereketanga ka kitea i roto i nga tono tuuturu.Mo nga taputapu hiko-pokaata, ko nga mana o te PICOPERS o Atmega328 ka taea e nga waahanga whakahaere i waenga i nga utu.Ka taea e te ATMEga480 nga tohu whakaoranga nui te kaha ki te whakamahi i te kaha, inaa he painga ki nga tono-iti-kaha.
Kei te whakaaro ki te tohu-a meake nei, he maha nga mahi whakarei ake i te ATMEga4809 e whakaatu ana i te waa tino mohio.Ko tana tautoko whanui mo nga peripherals me te pai ake o te whakahaere mahara e kaha ana mo nga tono matatini, e whanake ana.Ko enei waahanga e whakarato ana i te turanga pakari mo nga mahi hou me nga whakahiatotanga, he pai ki te whakatikatika i nga whakamahere.


Microchip Hangarau Inc.He rongonui tenei kamupene mo te whakaheke i nga tupono whanaketanga, ka tapahi i nga utu o te punaha, me te tere o te waa.Na roto i o raatau tautoko kounga nui me nga hua e whakawhirinaki ana, kua whakapumautia e Microchip tana kaiarahi i roto i te umanga.
Ko te Atmega4809 e tu ana i waenga i nga whakahere a Microchip na te kaha o te mahi me te hoahoanga hurihuri, e tika ana mo nga tono rereke e hiahiatia ana, e whai hua ana hoki.Ka tautokohia e tenei microcontroller te whānuitanga o nga mahi, ka whakapau kaha ki te whakauru ki nga punaha maha.
Atmega4808 / 4809 datasheet.pdf
Ko te Atmega4809 he microcontroller maamaa e whakamahi ana i te Karvr® avr®.Ko tenei taputapu matatau ka tae mai me te whakarea whakakotahi me te whakahaere i te tere ki te 20 mhz.Ka tukuna he nui o te mahara o te marama, 6 KB o SAM, tae atu ki te 256 Bytes o EEPROM, kei roto katoa i te kete 48-pine.Ma te hoahoa pakari, e poipoi ana i nga momo tono me nga whakahau.
Ko te hangarau Microchip Atmega4809 8-bit microcontroller kua whakamaheretia kia pai ai te whakautu me te whakahaere i nga tono.Ka kaha ake te whakarei ake i te taumahinga o nga punaha whakahaere tūturu.Ko te taiao whaitake ka taea te whakamahi i roto i nga hoahoanga e pa ana ki te miiharo whanui, i te kaiwhakaari motuhake ranei i roto i nga tohu whakahau-a-whakahaere.Ko te whakamahi i tenei Microcontroller ka taea te whakaara i te mahinga o nga kaupapa rereke.
Ko te ATmega4809 te fatukuraa i nga whakaritenga e pai ake ana mo te tere me te kaha ki nga punaha tuuturu.Ko te whakasutanga taputapu me te nuinga o te waa mahi nui (tae atu ki te 20 mhz) ka taea te tukatuka tere tere me nga waa whakautu tere.Ko enei tono whai hua e hiahia ana ki te urupare me te whakahaere tika, penei i nga robotics me nga punaha automation.Na roto i te whakauru i te Atmega4809, ka taea e koe te whakatutuki i nga hiahia hiahia o nga tono tūturu.
Ae, ko te atmega4809 kua whakauruhia ki te maha o nga waahanga peripheral e whakatairanga ana i tana whakamahinga.Kei roto i enei ko nga hononga whakawhitiwhiti korero maha rite Uart, Spi, me I2C, ka pai ake te whakauru ki etahi atu taputapu mamati.I tua atu, ka whakanuia e ia nga waahanga taatai, tae atu ki nga ADC me nga DCS, he pai ki te tukatuka i te taapiri honohono me te tukatuka tohu.Ko enei ahuatanga e whakakotahi ana ki te hanga i te Atmega4809 he taputapu pukenga mo te maha o nga mahi mamati me te taatai.
Ki te whakaritea ki etahi atu microcontroller i tona akomanga, e tu ana te Atmega4809 e tika ana mo te whakakotahitanga o te mahara mahara, te tere tukatuka, me nga whakaurunga peripheral.Ko tana hoahoanga 8-bit, i whakauruhia e nga waahanga whakahaere whai mana, ka pai ake te whiringa mo nga tono kei hea te kohi kaha he kaupapa nui.Ko tenei pauna ka whakarite kia tukuna e ia te mahi pono me te kore e taupatupatu ki te whai hua.
Ko te Atmega4809 te mahi hei papa tino pai mo nga kaupapa ako.Ko tana hoahoanga tika me te tuhinga whanui me te mea e tika ana mo te ako me te whakamatautau.Ma te whakauru me tenei Microcontroller, ka taea e koe te whai kiko ki te whanaketanga o nga punaha punaha, te whakahau, me te whakahaere mana, me te hoahoa punaha.Ko te Atmega4809 te hanga i te taiao-a-ringa mo koe ki te tuhura me te whakahou.
Tena koa tukuna mai he uiui, ka whakautu wawe taatau.
i te 2024/10/11
i te 2024/10/11
i te 8000/04/18 147769
i te 2000/04/18 111996
i te 1600/04/18 111351
i te 0400/04/18 83765
i te 1970/01/1 79555
i te 1970/01/1 66956
i te 1970/01/1 63098
i te 1970/01/1 63029
i te 1970/01/1 54095
i te 1970/01/1 52177