
Ko te hurihanga tere o te tere (FFT) he papaa i roto i te tukatuka tohu mamati, ka taea te hurihuri tika o nga raraunga i waenga i te waa me nga rohe o te waa.I whakauruhia e te korowai me te tukey i te 1965, i whakahou i te paerau raupaparorohiko ma te whakaiti i te matatini o te hurihanga e wha nga waahanga (DFT) mai i te N2 Nga Mahi ki te 𝑁 Takiuru 𝑁.Ko te FFF e tutuki ana i tenei mahi tika ma te takahi i nga waahanga nui ki nga waahanga iti, ka tukatukahia e ratou, me te whakamahi i te hangarite me te waa o te ngaru Sinusoidal.Ko nga rautaki taapiri e whakamahia ana e rite ana ki te radix-2 me te radix-4 me whakarite mo nga tatauranga taapiri mo nga tono penei i te oro, te whakawhitiwhiti korero, me te tātari whakaahua.Hei taapiri i te tātai DFT, he pai te FFT mo nga mahi penei, te kaiarahi, me te whakatikatika, te patu i te pauna tika i waenga i te kaupapa pāngarau me te whaihua.I roto i te waa, ko nga whakatikatika i roto i nga tikanga radiu me nga hononga ranu kua tino whiriwhiria ana, ka whakatauhia te FFT hei taputapu nui i roto i nga hangarau hou.
Ko te hurihanga tere tere (FFT) te whakaoti me pehea te whakahiatotanga o te huringa e wha nga waahanga, he pai nga waahanga, he pai te whakamahi i nga tatauranga me te miihini hei whakakore i nga tatauranga whakaheke.Ko nga mahi hou ka rite ki te hurihanga o te skograd (WFTA) a ko te algorithm a Algorithm e whakarei ake ana i te kaha, ina koa ki nga waahanga o te roa o te waa, te whakauru ranei i nga whakauru.Ko enei algorithms matatau he tono tino whai hua, mai i te tere o te tukatuka tohu mamati ki te arotau i te whakamahi rauemi i roto i te tātari raraunga matatini.I tua atu i nga painga hangarau, FFT me ona ahuatanga hohonu ki te maarama ki nga tikanga pāngarau me te whakamahi i te huatau o te whakaoti rapanga uaua ma te ngawari.
Ko nga algorithms FFT kua tohua i runga i ta raatau whakamahinga o nga mea nui.Kei ia momo he tono ahurei me nga tikanga rorohiko.
Ko te algorithm cooley-tukey he tikanga kaha e nui ana i nga tau whakahiato ki nga waahanga e taea ana te whakahaere.Ma te whakawhirinaki ki te huringa whakaheke, ka whakapai ake i nga mahi whakahiatotanga.Ko tenei tikanga ka whakahou i nga tatauranga ma te pakaru i nga raru o te raru, kia ngawari ake ai te whakaoti.Ko tana huarahi he rite ki te hoahoa mo te miihini i roto i te miihini, i te mea ka ngawari te whakarite i nga punaha matatini hei whakarei ake i te whakahaere hapa me te whai hua.

Ko te algorithm radix-2 he keehi motuhake o te tikanga cooley-tukey, i hangaia mo te roa o nga raraunga he mana o te tokorua.Ka mahi ma te wehewehe i te whakauru ki nga waahanga honohono e rua, ka taea te whakapau kaha o nga mahi.Ko te kaha nui o tenei huarahi ko tona tika me tona pono, kua whakamahia e ia.He pai tenei algorithm mo nga papaa me te roa o te ahua o te 2𝑛.

Ko te wehe-radix me te whakaranu-a-waiariki e hangaia ana hei whakahaere i nga rahi whakauru kaore i te aukati ki nga mana o te tokorua.Ko te algorithm wehe-radix e whakakotahi ana i nga waahanga o te radiu-2 me te radiix-4 hei whakarei ake i te reanga o te reanga-a-ringa ki te rahi o te raraunga kore-rua.Ko te kaha nui o enei Algorithms ko o raatau mohiotanga me o raatau kaha, kia pai ai te mahi mo te tukatuka raraunga me nga roa o te waa.Na roto i te whakatikatika i nga tikanga honohono, ka mau tonu te tere o te rehitatanga ahakoa he rahi te whakauru.

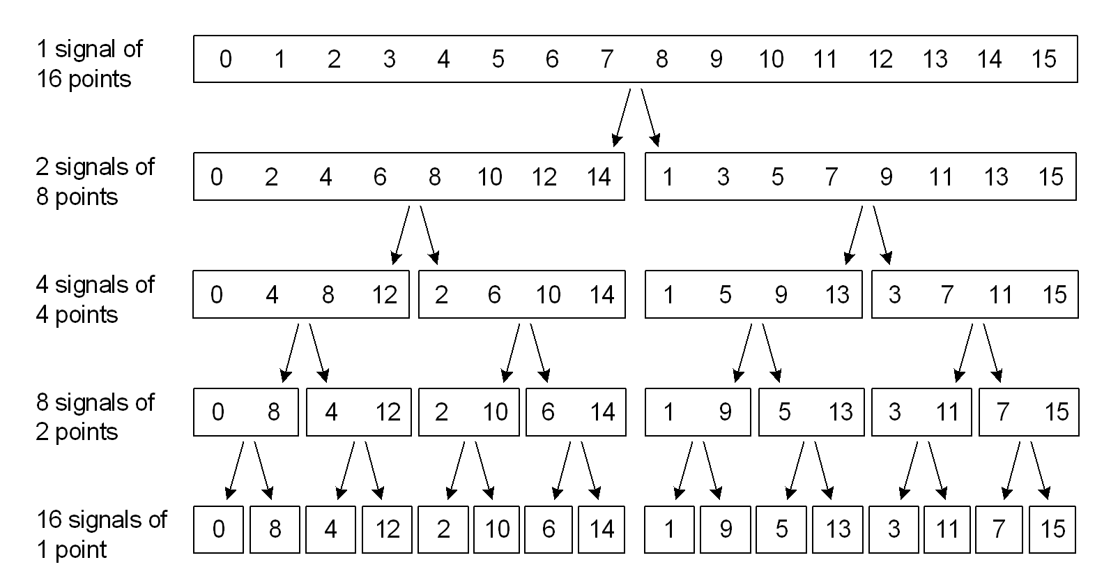
Te māramatanga ki FFT (tere tere tere) ka whai wāhi ki te tirotiro i te waa me te waa.I te rohe, ka wehea nga raraunga ki nga waahanga tae noa ki te ngawari ki te tukatuka.Ko tenei tikanga, ka takirua me te "Butterfly" Algorithm, ka awhina i nga whakaurunga me te whai i nga mahi ma te pupuri i nga mea katoa i nga wa katoa.
Te huringa rohe-rohe: Ko te pakaru o nga raraunga ki nga waahanga iti ake i te wa ka pai ake te maarama ki te rohe.Ko ia taahiraa ia taahiraa e whakaatu ana i etahi atu taipitopito mo te raupapa, rite ki te whakaoti rapanga nui na te wawahi i roto i nga mea iti ake, ka taea te whakahaere.Ko tenei huarahi taahiraa-i te-taahiraa ka pai ake te tere tukatuka me te mohio.
Ka tiimata me te rohe o te waa: Ko te tiimata mai i te rohe o te wa e tuku ana i tetahi atu huarahi ki te tukatuka FFT.He pai te mahi a tenei huarahi i te wa e arotahi ana nga raraunga, ko te tohatoha ake i nga mahi.E whakaatu ana me pehea te whakamahi i nga algoriths ki nga momo raraunga me nga matea.
Ko te "Butterfly" algorithm: Ko te "Butterfly" Algorithm te mea nui ki te FFT, he ngawari ki te tiro me pehea te rereke o nga raraunga.Ma te Mahere e puta te rere o nga raraunga i ia taahiraa, kia maama ake ai te maarama ki nga whakaurunga matatini, he rite ki te mahere maamaa e tuhi ana i te whakatere.
Nga Hua Tukutahi: Ko te pupuri i nga hua takawaenga me te whakamutunga i hono ki te tukatuka o te FFT-a-FFT ka whakarite kia tika te whai hua.Ko tenei whakahoahoa e whakaiti ana i nga hapa, nga rauemi ma te whakaaro, ka mau tonu te whakatika puta noa i nga momo tono.
Ko te kaha nui o te FFT ki te raarangi e whakaohooho ana i nga huringa e wha e taea ai te tukatuka i te waa.I roto i nga punaha whakawhitiwhiti, ko te tere tere i waenga i te waa me te whakamahi i nga rohe o te waa e whakamahia ana mo te momo momo momo raraunga.Ko tenei hurihanga ka peia e te FFT, e whakaiti ana i nga tono raupaparorohiko, me te whakatutuki i te taapiri iti me te whakarei ake i nga waahanga o te whatunga hou.
Ko te FFT he mea nui ki te tukatuka tohu oro ma te whakamahine i te kounga o te tangi, te whakaiti i te tangi, me te whakaputa i nga paanga.Kei tua atu i nga mahi oro a-oro, ka whakaawe te reira i nga wheako o te kaute penei i te whakatauira whakatauira 3D me te waa o te ororongo.Whakamahia nga raraunga kutikuti tino pono e tukuna ana e te FFT ki te mahi toi i nga orotika taipitopito, e kii ana i nga kare o roto i a raatau mahi toi.
Mo nga punaha radar me te sonar, ko te kaha o te hurihanga tohu he mea nui ki te rapu, te tātari, me te urupare ki nga momo whakauru.Ka hurihia e te FFT nga raraunga mata ki nga tatauranga e waatea ana, ki te whakatau i nga whakataunga i roto i nga horopaki penei i nga hoia, nga rererangi, me nga mahi o te moana.Ko etahi ka whakawhirinaki ki te kairangi o te FFT kia mau tonu ai te pono me te tika i roto i enei tono.
Ko te tātari whanui e tino whakareihia ana e te tika me te tere o te FFT.Ka ngawari te tohu i nga tohu taapiri ki nga mahi a ia tangata, hei awhina i te whanonga me te taunekeneke, na reira ka huri haere i nga punaha tukatuka tohu-digital.He painga tenei tono i roto i nga mara maha, tae atu ki te whakawhitiwhiti ahokore me nga hikohiko, kei reira te whakamaarama tohu e pai ana ki ta tatou rapu tohu.
Tena koa tukuna mai he uiui, ka whakautu wawe taatau.
i te 2024/12/29
i te 2024/12/29
i te 8000/04/18 147757
i te 2000/04/18 111934
i te 1600/04/18 111349
i te 0400/04/18 83719
i te 1970/01/1 79508
i te 1970/01/1 66899
i te 1970/01/1 63010
i te 1970/01/1 63010
i te 1970/01/1 54081
i te 1970/01/1 52120