
Te Tip142 Kua hangaia te Kaituku me te hangarau matatau me te whakaatu i tetahi hoahoa ahurei hei whakapai ake i ana mahi.Ka whakamahia e ia he aha te hanganga "Base Island me tetahi whirihoranga Darlington, e mahi tahi ana hei whakarato i te kaha kaha me te pupuri i te kaha o te kaha.Nga mihi ki tana hoahoa matawai, he pumau, he pono hoki te Tip142, he pai te whiriwhiri mo nga mahi e tika ana kia rite ki nga ahuatanga rereke.Ko te takutai "Base Island" ka awhina i te rere hiko hiko, te tapahi i te aukati me te ururua o te kaha.Ka roa te waa, kua kitea tenei hoahoa ki te tuku i te koiora me te whai hua o te waahanga i roto i nga momo whakamahinga.Ko te whirihoranga Darlington te whakakotahi i nga kaiwhaiwhai e rua i roto i tetahi kete, me waiho mo te nui ake o te putanga o naianei me te whakapai ake i te kaha.Ko tenei kohinga whakahoahoa e ngawari ana ki te whakaheke i te maha o nga waahanga, ka kaha ake te ngoikore me te whakaora i te waahi i roto i te hoahoa.Ma te kaha o ona kaha, ka taea e te Tip142 te whakatairanga ake i te whakauru iti, e whai hua ana mo te hunga e hiahia ana i nga waahanga whai hua.Ko te huringa iti o te Tip142 e awhina ana i te whakaheke i te kaha kaha, he mea nui mo nga tono-a-kaha.He pai te hono o tenei ki te tipu haere o te arotahi ki te pumau, na te mea he pai te whakamahi i te kaha ki te hoahoa hangarau.




• Ngaohiko: Ka taea te hapai ki te 100V i waenga i te kaikopene me te kaiwhakaari, me te 5V i waenga i te kaiwhakaputa me te turanga.Ma tenei ka tino pono mo nga tono ngaohiko tiketike.
• Kua tū kē: Ka tautokohia ki te 10a, he mea whai hua mo nga huringa teitei penei i te mana me te mana o te motuka.
• Te wehenga mana: Ka taea e koe te wehe i te 125W o te mana, na reira me pai te whakamaroke (penei i te totohu wera) kia kore ai e mate.
• Rangi pāmahana: Mahi i roto i te pāmahana mai -65 ° C ki + 150 ° C, na reira e pai ana mo nga taiao kino.
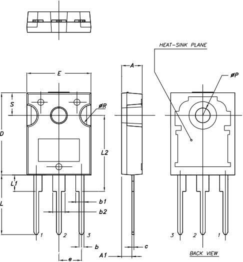
• Hoahoa me te whakarangatira: Haere mai i roto i te kete ki te 247 mo te piki ngawari, a he nui te painga o naianei (1000), e kaha ana te tohu tohu.
I roto i te tukatuka tohu, i te nuinga o te wa e hiahia ana nga waahanga ki te whakahaere i nga puia me nga oriwa.Ko te Tip142 e kaha ana i konei, e takaro ana i nga mahi whakatipu me nga taputapu whakarereke i te tohu, he mahi toi he toi mo te mahi.
Ko nga punaha whakahaere mana he waahanga kei te tiaho te Tiwhikete Tiwhikete i roto i tona whai hua ki te hurihanga mana me te ture.Kaore tenei twististor e whakarite noa i nga mahi pumau;Ko te mahi hei kaitiaki mo nga waeine kaha.Ko nga punaha whakahoahoa e hiahia ana kia tere tonu te rere i roto i nga ahuatanga rereke me te whakarereke.
SmartPhones, papa, me era atu taputapu kawe ka kokoti i nga hua o te kaha o te kaha o te Tip142.Ko tenei waahanga e awhina ana ki te tuku i te ora o te pākahiko me te whakanui i te roa o nga whakaaro.Ko etahi atu mo te ahunga whakamua ki te pana i nga rohe o te whakahaere mana totika, e awhi ana i nga wero me nga koa o te whakahoutanga-kore-a-Motu.
Ko te Tip142 Gracess Caporchics, mai i nga pouaka whakaata ki nga taputapu taputapu.Ko tana kaha ki te whakaputa i te whakaiti i nga reiti kore, te whakauru i te kotahitanga o te mahi me te utu.
Ka tae ana ki nga miihini ahumahi, ko te taangata he matua, na te mea e pa ana enei waahanga ki nga werohanga taiao me te tono huringa.Ko te Tip142 he whiriwhiri-ki te whiriwhiri mo nga waahanga whakahaere motuka me te ture mana.He tirohanga ki te whakapai ake i te kaha miihini me te whakaiti i te heke mai i te wa e mau ana i te hurihuri o nga tono ahumahi.
• 2SD1197
• 2SD2390
• 2SD2390-O
• 2SD2390-P
• 2sd2390-y
• BDV65B
• BDV65BG
• BDV67B
• BDV67C
• BDV67d
• Tip142g

Te hanga i tetahi waahanga whakamātautau ngawari ki te huri i te kawenga me te transtistor Tip142 NPN he huarahi pai hei tiimata me te pehea e mahi ai te huringa.Ki te whakahiato i tenei huinga whakamatautau, ka hiahia koe i te Trap142 Transsitor, he kaiwhakaora e rite ana ki nga taumata o naianei me te mana, he mana hiko, me nga taputapu.Me tiimata ma te whai i te hoahoa porohita hei huihuinga i nga mea katoa.Na, ka whakapiki ake i te kawenga kia kitea ai te whakautu a te kaiwhatu, ki te whakarite tikanga.Ko tenei huarahi ka awhina i a koe ki te rapu i nga rohe o te huringa me te tirotiro i nga take ka kore pea e taka.Whai muri i te whakamatautau, arotake i nga hua, te aro ki nga mea penei i te hua o naianei, te huringa totika, me te wera.Ka awhina tenei ki a koe kia kite i nga tauira ka pa ki te hoahoa i te waahi.

Ko te kaha kaha e whakarato ana i te kaha kaha, te whakaputa i te 100 watts o te mana tonu i te 8 o nga hipi me te 150 watts i te 4 ohms.Ka taea e ia te taraiwa i nga kaikorero 12-inihi mo te waenganui-whānuitanga, Midbass, me nga oro a Subwoofer.Ka whakamahi te Amptifier i te Tip142 me te Tip147 Whakawhitiwhiti i roto i te huinga NPN / PNP Darlington motuhake hei whakanui i te mana.I roto i te waahanga taraiwa me te waahanga taraiwa, ka whakamahia e ia he kaiwhakaari BC556AP PNP me te twististor a te TIP41 NPN Transistor.Mo nga hua pai, e whakaarohia ana kia takahia te kaiwhiwhi Tip41 me te totohu wera me te whakawhiti waiariki.
|
Tuhinga |
Parapara |
|
Te wa nui o te wheketere |
8 wiki |
|
Momo Momo |
Na roto i te kohao |
|
Tuhinga o mua |
3 |
|
Nga rauemi a Transitistor |
Kupu siliken |
|
Te maha o nga waahanga |
1 |
|
Pāmahana whakahaere |
150 ° C TJ |
|
Waehere Jesd-609 |
e3 |
|
Taumata Maha Kore (MSL) |
1 (mutunga kore) |
|
Whakamutunga |
Na roto i te kohao |
|
Whakamutu mutunga |
Tin (sn) |
|
Te wehenga mana Max |
125W |
|
Tau waahanga |
Tip142 |
|
Mokemoketanga |
NPN |
|
Te wehenga mana |
125W |
|
Momo Transistor |
NPN - Darlington |
|
Maunga |
Na roto i te kohao |
|
Paati / Take |
Ki te 247-3 |
|
Taumaha |
6.500007g |
|
Kohikohi-emitter pakaru pakaru |
100V |
|
Hfene Min |
500 |
|
Whiu |
Ngongo |
|
Wahanga Mana |
Kakama |
|
Tuhinga o mua |
3 |
|
Waehere Eccn |
Taringa- |
|
Ngaohiko - tohu DC |
100V |
|
Te whakatauranga o naianei |
10a |
|
Takenga PIN |
3 |
|
Whirihoranga Huarahi |
Kotahi |
|
Tono Tono |
Hurihuri |
|
Ko te Komihana emitor Kohinga (VCOO) |
100V |
|
Ko te Kaipupuri Max |
10a |
|
Nō nāianei - Collecor Cleoff (Max) |
Papopu 2ma |
|
Taputapu Papaa (VCBO) |
100V |
|
Vcces-Max |
3 v |
|
Roa |
15.75mm |
|
Tae ki te svhc |
No svhc |
|
Te mana o te rohs |
RoHS3 |
|
DC Putanga o naianei (HFE) (min) @ ic, VCE |
1000 @ 5a 4V |
|
Storation VCE (Max) @ ib, ic |
3V @ 40Ma, 10a |
|
Emitter turanga turanga (Vobo) |
5v |
|
Tōroa |
20.15mm |
|
Whānui |
5.15mm |
|
Whakapiki te radiation |
Kāo |
|
Ārahi |
Ārahi |

Ko Stmicroelectrocs he ahua nui i roto i te semiconductor Sphere, e mohiotia ana mo te whakawhanake i nga rongoā a-miihini-tapahi.Te whakamahi i te hangarau matatau ki te taha o te kaha whakangao nui, ka tukuna e te kamupene he kohinga nui o nga hua pionie.Ko tana whai i te whakapainga o te hangarau me te pai o te miihini e akiaki ana i te ahunga whakamua o nga semiconductors, he mea nui ki te hikohiko o nanoa.Ko te toa o tenei kamupene ka kitea i roto i tana whanaketanga o nga rongoā semicondite mo te maha o nga whakamahinga hiko.Na roto i te haumi nui i roto i te rangahau me te whakawhanaketanga, te whakarahi i nga Kaipupuri o Microelectrocs, te whakamana i nga kaihoko ki te whakatika i te whai hua, te tere puta noa i nga waahanga maha.Ko te ranunga huatau o nga rauemi matatau me nga tikanga e whakaatu ana i nga taputapu o ia ra, ahakoa he iti ake te makona.Ko te tipu o Stmicroelectronics's stegstyrat stems mai i te whatunga o te ao huri noa i hangaia me nga hangarau taputapu tapahi.Ma tenei huinga e taea ai e te taatai te hono, te taunga, me te pumau, te whakarite i te whakakotahi me nga paerewa puta noa i nga raina momo.
He maha nga korero a Des AD AD ADD 8 / APR / 2019.pdf
Tena koa tukuna mai he uiui, ka whakautu wawe taatau.
Ko te Tip142 e tu ana hei mana whakahaere a te kaiwhakaari o Darlington Transtastor, te whakauru i te hangarau matatau ki te whakanui i nga hua o naianei i te wa e whakaheke ana i te ngaohiko te.Ko nga kaiwhakaari e kaha ana ki nga ahuatanga e pai ana te whakahaere me te whakahaere whai mana.Kei te whakauruhia e ratou i roto i te hoahoa o nga kaiwhakamaori oro, nga kaiwhakahaere hiko, me nga kaiwhakarato motuka.Ko te whakatinanatanga o te Tip142 ka taea te tapahi i nga ngaronga o te hiko, te maumahara ki nga waahanga e hiahia ana ki te whakamahi i te whakamahi mana.I te wa e tono ana, he toenga maeneene i waenga i te mahi me te whai huatanga o te utu i hangaia ma te tino mohio.
Ko te Tip147 nga mahi a te PNP CounterPart ki te Tip142, ka tino whakakotahi mo nga whakaritenga me te akiaki i te mana me te whai hua.Ano, ko te Tip142G, he putanga koreutu, he mea whakarite mo nga tautuhinga e hiahia ana ki te piri ki nga ture mo nga taonga kino.Ko tenei waahanga e whakaatu ana i te aro ki nga umanga-a-taiao, te whakanui i te pumau me te kawenga o te taiao.I roto i te whiriwhiri i nga waahanga penei i te Tip142G, me haere tetahi i nga uaua o nga whakaritenga ture me nga korero o te maatauranga rauemi.
i te 2024/11/14
i te 2024/11/14
i te 8000/04/18 147770
i te 2000/04/18 112006
i te 1600/04/18 111351
i te 0400/04/18 83768
i te 1970/01/1 79565
i te 1970/01/1 66960
i te 1970/01/1 63098
i te 1970/01/1 63040
i te 1970/01/1 54097
i te 1970/01/1 52184