
Te TB6600 Ko te waahanga taraiwa mo te motuka hiko he mea motuhake i te ao me te whakakotahitanga mo te whakahaere i nga motuka 2-waahanga.Ka hono atu te reira ki te whānuitanga o nga microcontroller, te nuinga o te Arduino, te poipoi i te hanganga o nga putanga noa o te 5v mamati.Ko enei putanga he hihiri mo te pupuri i te toenga o te mana o te motuka.Te whakahaere i roto i te waahanga ngaohiko 9-42v DC me te tautoko i te tihi o te 4 AMPS, he whiringa mohio mo nga kaupapa motuka-peia.Ko tenei whakarerekētanga e taea ai e koe te whakahaere i te tūnga motuka me te tere, he tino painga ki nga tono e whai ana ki te whakaiti i te matatini.Ko te mea nui o te kohinga o te module e kaha ana te whakarei ake i tona whakamanatanga ma te whakaiti i nga tupono o te wawaotanga me te whakarite i nga mahi pumau.
Ko te whakakotahitanga me nga tini microcontrols ka mahi i te taraiwa TB6600 he whiringa tika mo nga kaupapa e hiahia ana ki te whakahaere i te motuka motuka.He mea nui ki te pai ki nga papaa rite Arduino, e whakaatu ana i tana kaha ki te whakatau i nga tumanako rereke.Hei tauira, ma te whakamahi i tenei taraiwa i nga miihini CNC, i nga kaiwhakaputa 3D ranei e taea ai te whakahaere tika, e whakaatu ana i tona whaipainga ki nga momo momo.
Ko tenei kaupapa e tu ana i te whakawhetai ki tana tautoko mo nga waahanga 2-waahanga me te 4-waahanga hiko taara me nga whirihoranga ranu.Ko te hoahoa BIPOLER H-Bridel te mea nui ki te whakahaere i te ngaohiko me te waa, me whakarite te taraiwa e whakaora ai i nga mahi puta noa i ana tono.I roto i nga taiao e whakaritea ana e te tika me te pono, penei i nga raina whakaputa me nga karetao, e tino aro nui ana enei waahanga.
|
Āhuatanga |
Whakaaturanga |
|
Momo taraiwa |
BIPOLAR H-Brigge DC Driver |
|
Te whakaputa i nga whiringa o naianei |
8 momo (0.5a ki te 3.5A), ka tohua kia 4 amps |
|
Nga tikanga a-raro |
Ka wehea kia 32, ka tohua i roto i te 6 nga tikanga |
|
Kōwhiringa taahiraa |
8 nga momo (1, 2 / A, 2 / B, 4, 8, 16, 32) |
|
Te tohu tohu whakaurunga |
Te wehenga whakaahua tino tere |
|
Āati |
Katoa Pullse Kotahitanga Katoa |
|
Whakapono i te takahanga |
Āe |
|
Taiao Taiao |
Te tinana o Semi-kapi mo nga taiao kino |
|
Mahi raka mana |
Semi-Aunoa, Te penapena pūngao |
|
Tautanga |
Taipitopito |
|
Ngaohiko whakahaere |
9-40v DC |
|
Whakaputa i naianei |
0.7a-4.0A (ka tohua i roto i te 8 nga kaupae ma te huri i te rehu) |
|
Inputi inputument. |
Tae atu ki te 20khz |
|
Taumata Tohu Whakauru |
5v taumata tohu |
|
Pulsse mo ia reanga |
200-6400 |
|
Te tohu tohu o naianei |
8A-15A |
|
Hototahi motuka |
He pai mo te 2-waahanga me te 4-waahanga taara |
|
Nga waahanga tiaki |
Tuhinga ka whai mai |
|
Wehenga whakauru |
I noho motuhake |
|
Te ātete piripiri |
500 megohms |
|
Aratau Tautoko |
Aratau / Fir |
|
Utu |
Utu iti |
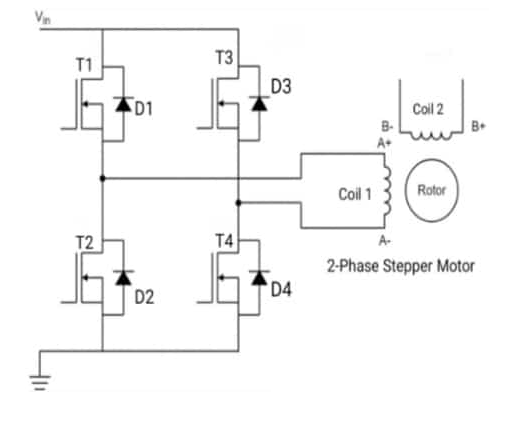
Ko te kōkiri taraiwa hiko TB6600 he waahanga nui i hangaia hei whakahaere i nga waahanga 2-waahanga me te 4-waahanga mo nga motuka H-Coidding mo te whakahaere pai.Ko tenei whirihoranga e whakamahi ana i nga kaiwhakaari mo Mosfet hei whakarite kia pai ai te mahi i roto i nga mahi whakahaere me te pumau.Ko te kōwae e whakahaere ana ma te taunekeneke me nga titi mana tuatahi e rua: Ko te titi hiko, e tarai ana i te titi mo ia pehanga, e whakatau ana i te ahunga hurihuri o te motuka e pa ana ki te ngaohiko.I roto, ko enei whakaurunga ka taea te whakahaere tika mo te raupapa o te motuka a te motuka.

Ko te hoahoa a tawhio noa e wha nga kaiwhakaari matua, T1, T2, me te T4, kua whakaritea i te hanganga H-Bridge.Ko enei Mosfets ko te tuara o te mahi a te Kodule, me tuku mo te rere o te tahua moni e hiahiatia ana kia peia ai te motuka hikoi.I tua atu, kei roto i te raarangi nga diodios Diodes (D1, D2, me te D4), he mea nui mo te tiaki i te huringa i te punga o te motuka.Ko enei aukati ka aukati i nga waahanga o te kino me te kino ki nga waahanga taapiri i te wa e whakahaerehia ana.Ko te A +, A-, B +, me te B-Putanga e whakamahia ana hei hono i te motuka, kia pai ai te whakahaere me te whakahaere i te motuka motuka.
Ko te taraiwa o te TB6600 e whakahaere ana i nga mahi kua whakatauhia i nga kaiwhakaari o Mosfet i te H-Bridge.Hei tauira:
• Ka puta te hurihanga o te karaka i te wa e whakahaerehia ana te T1 me te T4, ka arahi i te rere o te waa mai i te + ki te-.
• Ko te pirau-karaka ka tupu ka uru ana te T2 me te T3, ka huri ki te rere o te waa mai i te- ki te +.
Ko tenei whakahoutanga o nga Kaituku e whakarite kia neke te nekehanga o te Bidirectional.Ki te whakatutuki i te torona tino pai me te whakahaere, me te waa tino me te ture o te ngaohiko.
E wha nga waahanga o te TB6600 e tautoko ana i nga waahanga whakahaere motuhake, i hangaia hei whakatika i te taatai, me te rahi o te taahiraa, i runga i nga whakaritenga tono:
• Aratau Wiki: I tenei aratau, kotahi noa te koikoi e kaha ana i te wa kotahi.Ko te whakahohe i tetahi maramara kotahi e huri ana i te motuka e 90 nga nekehanga i roto i te ahunga kotahi i te wa e hurihuri ana i nga waa o te waa.Ma te huri i waenga i nga hononga, ka tutuki te motuka o te motuka.He ngawari tenei aratau engari he iti ake te taatai i whakaritea ki etahi atu huarahi.
• Aratau Katoa: Kei te kaha nga koti e rua i te waa i roto i tenei aratau, te whakaputa i tetahi mara nui kaha.Ko tenei hua ka piki haere te maripi, he pai ki nga tono e hiahia ana kia kaha ake te mana me te pumau.
• Te haurua-taahiraa: Ko te huihuinga o te aratau Wiki me te aratau taahiraa-taahiraa, ka huri i tenei aratau i waenga i te whakakakahu i te pihi kotahi me nga koti e rua.Ka taea te whakaiti i te rahi o te taahiraa ki te 45 nga nekehanga, te whakarite toenga i waenga i te tika me te tohu.Heoi, he rereke pea te tarai i runga i te mea e kaha ana te kotahi, e rua ranei nga koti e rua i te waa o te waa.
• Aratau MicroSTEP : Ko te tino tika o nga momo taapiri katoa, te aratohu MicroSP e whakaiti ana i te rahi o te taahiraa ake ma te ata tirotiro i nga waahanga motuka.Ka tutuki tenei ma te whakamahi i nga huringa matatau ki te hanga i nga whakawhitinga maeneene me te taatai i waenga i nga kaupae.He pai te aratau mo nga tono e hiahiatia ana e te tino tika me te taatai rite, penei i nga miihini CNC, he robotics ranei.
Ko te tikanga o te mana whakahaere o nga motuka hikoi e hiahia ana ki te whakakotahitanga o nga taputapu pono me te punaha kua whakamaherehia.Ko te taraiwa o te motuka hiko TB6600 e tu ana hei taputapu pai mo te mahi 2-waahanga taara.Ka tautokohia e ia nga momo whakahaere maha, penei i te ngaru, te taahiraa-katoa, te haurua-taahiraa, me te micro-sterping.Ko ona waahanga whakamarumaru i hangaia - tae atu ki nga whakamarumaru ki te ngaohiko iti, ki te rahi, me te whakakaha i nga kaupapa mo nga kaupapa e kii ana i te tino tika me te pumau.
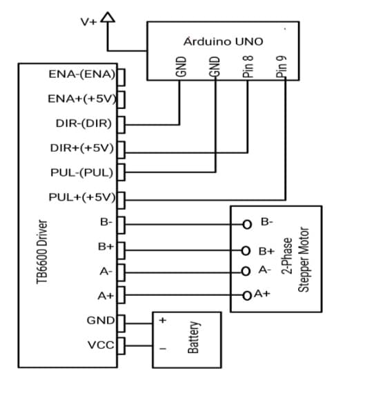
Hei whakatu i te TB6600 me te Arduino Uno, kohia nga waahanga e whai ake nei:
• Arduino uno r3
• TB6600 Kaituku Motuka Motuka (4A putanga)
• Te motuka hikoi (me te whakatauranga e taunakitia ana ki te 1.65A)
• Te mana hiko pono (e.g., he pākahiko, he punaha mana ranei o DC)
• nga waea jumper
• I whakauruhia e Arduino te ID Rorohiko
Hei whakauru i te TB6600 me te Arduino, whai i enei tohutohu taipitopito
Tūhono te ahunga me ngā tohu Pulses
• Honohia te Dir + me Pult + Whakamutunga i te TB6600 ki te Arduino Pins 8 me 9, aua.Ko enei titi ka tukuna he tohu me nga tohu tohu.
• Whakapirihia te Dir- me te Pul-Pluinals ki te whenua (GND) PIN o te Arduino.
• Tūhono te motuka ki te TB6600: Whakanohia nga waea motuka hiko ki nga pito o te TB6600.
• A + me A- mo te kotahi o te motuka o te motuka.
• B + me B- mo etahi atu o te COLIL.
• Te mana o te taraiwa TB6600: Hono i te vcc me te gnd pins i runga i te tb6600 ki to tuku mana.Me whakarite kia tutuki te ngaohiko i to motuka me nga whakaritenga a te taraiwa kia kore ai e pakaru.

Te whakatikatika i te whakatau microstep
Ko te TB6600 ka taea e koe te pai ki te pai o te nekehanga o te motuka hiko ma te whakamahi i te huringa SW1 me te SW2.Whakatikahia enei huringa penei:
• ¼ Te Taha Taha: Tautuhi SW1 i runga me te SW2 atu.
• ⅛ Te Taha Taha: Tautuhi SW1 atu me te SW2 kei runga.
• 1/32 taumira taahiraa: Whakatauhia nga SW1 me te SW2 atu.
• Aratau-taahiraa-taahiraa: Whakatauhia te SW1 me te SW2 kei runga.
Teepu pono
|
Pekeri |
Whakatuturu MicrolTep |
|
Meinga iho |
1/32 taahiraa |
|
Runga |
1/8 taahiraa |
|
Meinga iho |
1/4 taahiraa |
|
Runga |
Hipanga Katoa |
Ko nga whakatikatika hurihuri ka taea e koe te whakatika i te toenga i waenga i te tika me te tere i runga i nga hiahia o to kaupapa.
Hei whakarite i to motuka i roto i nga rohe haumaru o tenei wa, te TB6600 e whakaatu ana i etahi atu tere (SW4 me SW6) mo te whakatikatika i nga rerenga o naianei.He pai enei tautuhinga mo:
• Te aukati i te kino.
• Te pupuri i te mahinga motuka rite.
• Whakataihia ko te motuka o te motuka kei raro i te teitei o te taraiwa o te 4A hei tiaki i nga waahanga e rua.
• Whakahaere i te ahunga o te motuka: Mena kei te hiahia koe ki te motuka kia huri i te motuka anticlockwise, whakarereke i te ahua o te dir + pine i roto i to tohu Arduino.
• Te whakamatautau me te raru, i muri i te whakaoti i te tatūnga, tukuatu i tetahi papatohu motuka hiko hiko hei whakaū i te mahinga taraiwa me te mahi taraiwa.
• Aukati i te Whakanoho: Me whakarite kia pai te riihi mo te taraiwa TB6600, ina koa i nga tono nui-o naianei.
Ko te kōwae TB6600 e whai wāhi nui ana puta noa i nga waahanga maha e whakamahia ana te motuka motuka.Ko te whakatikatika e whiti ana i roto i nga momo whakatinana e whakaatu ana i ona kaha motuhake:
I roto i te mara o te whakawhitiwhiti korero, ko te whakatutuki i te whakahoutanga antena tino pai ki te whakawhiwhi mo te huihuinga tohu kounga me te tuku.Ko te TB6600 te whakahaere i te kaupapa tika, na reira ka pai ake te whai hua o nga punaha whakawhitiwhiti.
I roto i te automation me te karetao, ka tutuki te whakahaere motuka hiko ma te TB6600, ka taea e koe te whakamahine i te nekehanga o te nekehanga me te pono o te pūnaha bolls.
Mo nga miihini tauwehe rorohiko (CNC), ka whakarei ake te TB6600 ki nga tapahi tapahi me nga mira, kia kaha tonu koe ki te pupuri i nga taumata tika me te tino whakahoki i a raatau mahi.
Hei taapiri taapiri, ina koa te taarua 3D e tuku ana i te mana o te motuka, te tautoko i nga upoko taarua e hiahiatia ana mo te waihanga i nga ahua matatini me nga puka.
He mea nui te kōwae mo nga mahi whakahaere motuka motuka i roto i nga punaha miihini matatini, te whakarei ake i te whai hua me te whakakii i nga mahi whakamahere.
Ko te TB6600 e hiahia ana i nga ahuatanga e hiahiatia ana me te whakahaere hurihanga, i whakamahia mo te arotau i nga mahi i roto i te whakarereke i nga taiao.
Ka tautokohia e te waahanga te mahinga pono o nga kamera me nga ATM ma te whakarite i nga nekehanga o te motuka, e hora ana i nga taputapu whakahaere.
Mo nga tohu whakairo me nga miihini, ko te TB6600 e whakarato ana i te mana tika mo te whakahaere i nga hoahoa taipitopito pai, he mea kino kei roto i nga umanga me te tino rangatiratanga.
Tena koa tukuna mai he uiui, ka whakautu wawe taatau.
Ko te taraiwa o te motuka hiko TB6600 e mahi ana me te ngaohiko toha mana i waenga i te 8v me te 45V.
Ko te TB6600 e whakamahi ana i te Huringa Pulse-whanui (PWM) hei whakatika i te tere motuka.Ka taea e koe te whakarereke i te tere ma te whakarereke i te maha o te PWM.
Ae, ka taea e te TB6600 te hapai ki te 4.5A, ko te hototahi ki nga motuka hikoi kua whakatauhia ki tenei waa.
Hei huri i te ahunga o te motuka, hurihia te raupapa tohu whakauru i runga i nga raina mana (e.g., In1-in3-in3 mo te ahunga whakamua, in4-in3-in1 mo te hurihuri).
Ko te TB6600 ka hangaia mo te 4-taara waea motuka.Mena he nui ake i te 4 nga waea o to motuka, ka hiahia koe ki te taraiwa rereke.
He pai te mahi a te TB6600 me nga motuka o NEMA17 engari kaore i te pai mo nga motuka Nema23 mo o raatau whakaritenga.
i te 2024/12/12
i te 2024/12/12
i te 8000/04/18 147757
i te 2000/04/18 111931
i te 1600/04/18 111349
i te 0400/04/18 83719
i te 1970/01/1 79508
i te 1970/01/1 66886
i te 1970/01/1 63010
i te 1970/01/1 62984
i te 1970/01/1 54081
i te 1970/01/1 52109