
Te STM32F303CCT6 Ko te Microcontroller e kaha ana i roto i nga tono whakauru nui, te whakakotahi i nga kaha tukatuka pakari me nga whiringa taapiri ngawari.Ko tana kete LQFP-48 e tautoko ana i nga mahi tae atu ki te 72 mhz, whare noho 40 kb o te RAM puta noa i te 48 Pins.Ma tenei ka taea te whakamahi i nga waahanga tono.Ko ona ingoa katoa o te whakapaipai me te mamati he whakanikoniko anc, nga momo dac, nga kaiwhakamahara motuka, me nga taapiri whakahaere, me te maha o nga kaitoha me nga kaiwhakaari.Ko taua taputapu rerekee ka taea e ia te tupu i nga mara mai i te Ahumahi Ahumahi.

|
Huanga hua |
Uara huanga |
|
Kaimahitaonga |
Sta
Microelectronics |
|
Pūhera
/ Take |
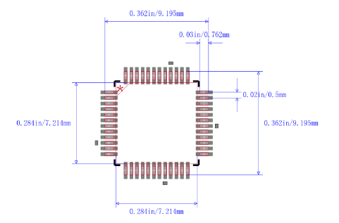
LQFP-48 |
|
Whiu |
Heri |
|
Roa |
10
mm |
|
Whānui |
7.2
mm |
|
Tōroa |
1.45
mm |
|
Uho |
Ringaringa
Cortex M4 |
|
Whakarato
Ngaohiko |
2 v
~ 3.6 V |
|
Raraunga
Whanui Bus |
32
kumewaha |
|
Hōtaka
Te rahi o te mahara |
256
kb |
|
Raraunga
Rahi Rahi |
40
kb |
|
Mahi
Pāmahana |
-40 ° C
~ 85 ° C |
|
Raraunga
Momo RAM |
Wharango |
|
Hapa
Tikanga |
SMD / SMT |
|
Nama
Tuhinga o mua |
37
Ko / O |
|
Nama
Tuhinga o mua |
1
Takiwā rerenga |
|
Nama
Tuhinga o mua |
8
Winita |
|
Hua
Tuhinga |
Ringaringa
Microcontroller - MCU |
Ko te STM32F303CCT6 Microcontroller e whakaatu ana i te mohio ki te whakahaere i nga raraunga, whakawhetai ki tona urunga mahara ki te 12-hora (DMA) me te tohu hononga honohono.Ka pai te whakariterite i tenei whakariterite i waenga i nga nama i waenga i nga peripherals, te whakapiki i te kawenga a te Pae me te whakanui i te aro o te punaha.I te wa e pa ana ki te tukatuka raraunga-tūturu, ka taea e penei te whakarei ake ki nga whakapainga whai kiko ki te whakatutukitanga me te whai hua.
Ko tenei Microcontroller e whakauru ana i te punaha whakahaere a te Karaka mo te karaka me te oscillator maha.Kei roto i te 32 khz Crystal Oscillator Crystal tino pai mo te waa tika me te 40 khz o roto oscillator o roto e pai ana mo nga mahi iti-hiko.Ka taea e koe te tarai i waenga i enei oscillator e tika ana mo nga rautaki mana ngawari, ina koa he mea tino nui i roto i nga tono e kaha ana ki te kaha.
Ko te taputapu e 87 tere-tere i / o te tere e whakaae ana ki nga tohu 5V, ka hono atu te STM32303CCT6 ki nga waahanga rereke o waho.Ko ona maharatanga mahara mai i te 128-256kb o te Flash me te 40kb o te SAM, ka whakauru i nga tono matatini me nga matea rokiroki me nga hiahia taapiri tere.Ko enei tuhinga roa e / O me te mahara ko nga taonga kei roto i nga ahuatanga e kii ana i te whakauru raraunga, me te tukatuka tere.
Ka whakamanamana te Microcontrortler mo nga mahi tiimatanga o te waa, penei i nga kaitakaro mataaratanga mo te tiimata o te punaha me nga waa taketake mo te whakarite mahi.Ko enei mahi ka whakarite i te tino tika i roto i nga mahinga e whakaatu ana i nga waahanga o te waa me nga mahi haumaru e pai ana te haumaru me te whai hua.
Ko nga kaiwhakaputa whakahaere whakauru ka taea te tukatuka i nga tohu taatai puta noa i te huringa o te huringa o te 2.4 ki te 3.6 V. Ko nga tono a te Sensor e hiahiatia ana.
Ka tautokohia e te maramara te aro ki te tohu 24, ki te whakahaere i nga kaha whakauru.He pai te ahua o tenei ahuatanga ki te hanga i nga atanga kaiwhakamahi me nga taputapu whakawhitiwhiti, e poipoi ana i te wheako ki te whakautu.Ko te whakauru i tenei kaha-panoni-pa ki te whakarite i nga mahi hoahoa ma te whakaiti i te take mo etahi atu waahanga.

Ko te STM32303CCT6 ka tae mai i roto i te kete 64-pin kete, he mea whakarite mo nga hiahia hiko hou.Ko tenei whiringa ka hangaia mo tona kaha ki te whakanui i te waahi, whakanuia te kaha, me te whakahaere i te wera.Ko te hoahoa papatahi LQF e kaha ana ki nga kaupapa e whakanui ana i te whakakao me te whai hua, te tuku mo te whakauru maeneene ki nga waahanga rereke.
Ko te kowhiri mo te kapi kōpae maripi i roto i te whakaputa papatipu e hono ana ki te whai i te umanga me te tino rangatira.Ko tenei tikanga ehara i te rongoa anake i te waahi engari ka whakarei ake ano hoki te hua o te hua ki nga ahuatanga taiao.Ka kaha te kaha ki te whakamahi i te whanonga otaota, ka whakamahia nga raina mahi mahi ma te tuku i te whakanoho me te whakahaere, na reira ko nga tikanga hangahanga.
I te wa e hoahoa ana i nga punaha maatauranga-kaha, ko te mana te mana ka riro i te kaupapa matua.Ko te tikanga, ka whakapumautia nga whakaurutanga ki te aukati i nga waahanga peripheral kaore ano kia tohua, ko te tuku i te aromatawai kaha o te punaha o te punaha me nga ahuatanga rereke.
Ko nga Tautuhinga Lood kua tutakina nga tautuhinga, nga utu o te karaka, me te tuhinga a I / O CINIDURATIONS kei roto i te whai hua o te kaha o te kaha o te kaha.Ko nga whakatikatika rautaki i roto i enei tautuhinga ka taea e nga whakaiti i te whakamahi i te kaha o te kaha.Ko te whiriwhiri i nga reeti karaka e hono ana ki nga whakaritenga mahi ka awhina i te aukati i te whakapau kaha.
Nga tauira o te whainga mahara, ina koa ko nga mea i hono ki te FHCLEQURCATION, ka whakamahia mo te kaha kaha.Ko nga tikanga e rite ana ki te whakamahi i nga momo hiko-iti me te whakahohe i te mahara ki te tarai i te kaha ki te whakamahi i te kaha.Ko nga tauira tūturu e whakaatu ana i te hononga i waenga i te whakahaere mahara taipitopito me te koiora o te pākahiko i roto i nga taputapu kawe.
Ko te STM32F303CCT6 e whakamanamana ana i te 512kb o te Flash me te 80kb o te SAM, i hangaia mo nga tono tere me te kaha-kaha.He tino pai ki nga momo hiko-iti, tino pai mo nga taputapu tuuturu-whakawhirinaki.Ko tenei toenga e tono ana i nga mahi hou i roto i nga hangarau kawe, ka taea e koe te tuku i te whakamahinga me te pono o te taputapu.He maha tonu te arotahi ki te tuku i te koiora o te taputapu me te whakarite i nga mahi riterite.
Ko te taputapu me te matua Cortex-M4 me te waeine-ira (FPU), ka tautokohia e te STM32303Cct6 nga whakahau matatini.Ko tenei kaha e whakanui ana i te tukatuka tohu matihiko me nga mahi pāngarau.Ka whai hua te ahumahi i taua mana ki te whakatairanga i te miihini me te whakahaere whakahaere, e whakaatu ana i tona whaihua ki te whakaora i a Algorithms nui.
Ko te kaiwhakahaere mahara o te mahara o te static (FSMC) e tautoko ana i nga momo mahara mahara, e tuku ana i nga otinga rokiroki rereke.Ko tenei Air Ads i te arotau i nga Whirihoranga Mahara mo nga tono gasuku.Ko nga mara e hiahia ana ki nga raupaparorohiko kua oti te whakarite i tenei whakaraerae kia hono ki nga tono tono motuhake.
Karaka i te 72 MHz, ko te STM32303CCT6 e whakarite kia tere te tukatuka raraunga me te whakautu i te punaha.Ko te hoahoa e whakauru ana i nga waahanga e tiaki ana i nga ngoikoretanga, te pupuri i te pono o te punaha.Ka whakaitihia tenei whakamanatanga i roto i nga tautuhinga nui e kore e taea e te waa o te ao te puta.Ko nga miihini haumaru e whakaatu ana i te arotahi ki te pupuri i te riterite whakahaere me te pono.
Tūhono i te whaiwhai i te macrocelll mo nga mahi whakaheke.He awhina tenei taputapu i roto i te wetewete i nga take raupaparorohiko ma te whai i nga huarahi e mahia ana me te hopu i nga raraunga tohu hihiri.Kei te hiahia koe ki te hinengaro kirikawa me te huarahi tatauranga mo koe ki te whakamaori i nga raarangi nui.
I roto i te tukatuka i nga mahi, ko te tiaki i nga raraunga me nga pūrua haumaru he mea tino pai.Ko nga otinga pūrua aunoa ka taea te whakaheke i nga raru o te raraunga i te waahi e kaha ana te taumaha o te raraunga.Ko nga whakataunga moni me te kapua kapua e whakamahia ana e nga tohunga ngaio hei whakahaere i te whakaora raraunga tere me te pono.
Ma te whirihora i te tukutahi o te putea karaka ka awhina i te karo i nga rereketanga.Ka taea e nga Karaka o te Hapa nga ngoikoretanga ki nga paanga riki i runga i nga punaha whakawhirinaki.Ko nga whakaritenga pai ko te tirotiro tonu ma te whakamahi i nga taputapu mo te waa me nga mahinga hei pupuri i te Harchnizentizatization, me te whakaiti i nga awangawanga.
Ko te Whakaaetanga Whakaaetanga Whakaaetanga Maatauranga Maataki poraka poraka nga raraunga kaore i whakamanahia me te mahi a te haumarutanga ki te tiaki i nga raraunga tairongo.Ko nga rautaki penei i nga raarangi whakahaere me te whakamunatanga e whakamahia ana i nga wa katoa i roto i nga horopaki haumaru hei pupuri i te pono o te raraunga.
Ko te whakatikatika tika o nga hononga peripheral e whakamahia ana mo te whakawhitiwhiti korero.Ko nga pohehe ka raru pea te whanonga o te taputapu me nga pakaru o te whakawhitiwhiti korero.Ko nga tohunga o te mara ka tohu tetahi huarahi kua whakaritea ki te tatauranga atanga, e pa ana ki te whakamatautau me te tuhinga kaha.Ehara tenei i te whakatairanga noa i te hototahi o te taputapu engari ka hapai i te raru.
Ko te STM32303CCT6 he pai te whakahaere i waenga -40 ° C me te 85 ° C.Ko tenei pāmahana pāmahana e tautoko ana i te whakamanatanga puta noa i nga taiao rereke me te whai waahi ki te whakakotahitanga o te punaha me te pumau i nga momo rereke.
Whakaarohia te titiro ki nga tauira penei i te MK20DN32VLU me Mk20dx64v5.Ko te kowhiringa i waenga o enei whiringa ko te aromatawai i nga hiahia o te kaupapa motuhake, te maarama ki nga paanga tahua, me te whakamahere mo te whakauru ki te kaupapa.
Ka whakauruhia e tenei tauira te uira mo te mahara o te hotaka me te SAM mo te rokiroki raraunga.Ko te whakamahi takirua o te Flash me te SAM e whakarite ana i te whakakotahitanga o te tere me te pupuri kia aro nui koe ki te pupuri i te pono o te raraunga me te aro ki te mahi pono.
Ko te STM32F303CCT6 e kaha ana ki te miihini ahumahi, nga taputapu rongoa, nga miihini kaihoko, me nga punaha whakawhitiwhiti korero.Ko te mahi pakari me te taapiri tika e whakamanahia ana i roto i nga tuku whaihua, te whakanui i te hiahia ki te whakamahi i enei waahanga hei whakanui i nga mahi o te punaha me te whakarei ake i te wheako kaiwhakamahi.
Tena koa tukuna mai he uiui, ka whakautu wawe taatau.
i te 2024/09/30
i te 2024/09/30
i te 8000/04/18 147770
i te 2000/04/18 112002
i te 1600/04/18 111351
i te 0400/04/18 83768
i te 1970/01/1 79561
i te 1970/01/1 66958
i te 1970/01/1 63098
i te 1970/01/1 63039
i te 1970/01/1 54095
i te 1970/01/1 52182