



TePCA9615 Ko te mahi tuuturu mo te whakawhitiwhiti korero a SMBUS / I2C, he nui te tuku i te tuku raraunga i roto i nga taiao noho hiko hiko.Ma te whakamahi i tetahi paparanga tinana rereke (DI2C) e mau tonu ana i te papanga ki te papa Kawa, ka waiho hei tohu mo te pirau raraunga.Ko tenei kaha e whakarite ana i te whakawhitiwhiti korero pono puta noa i nga tono rereke, tae atu ki nga miihini ahumahi, nga punaha miihini, me nga taputapu hono honohono.
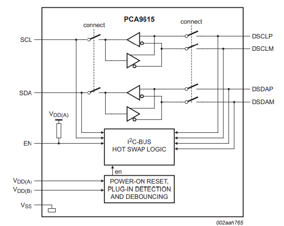
Ko te PCA9615 ka whakawhiwhia ki nga waahanga taraiwa e rua-mutu mo te raina SCL.Ka whakawhānui i te awhe me te tere o te SMBUS / I2C tohu.Ka tiakina te pono.Ma te huri i nga tohu kotahi ki nga tohu rereke, ko te PCA9615 te aukati i te wawaotanga hiko (emi) me te crostalk, he mea nui i roto i nga taiao nui.
Ko te tohu rereketanga i roto i te PCA9615 e tuku ana i tetahi ope painga me te whakawhiwhi i te riri riki pai ki te tohu kotahi-mutunga.Ko te nuinga e whai hua ana ki nga tautuhinga ahumahi me nga tautuhinga aunoa kei hea te haruru hiko e whakawehi ana i te pono o te raraunga.Ka tautokohia te roa o te taura taura me nga reiti raraunga teitei ake.Ka taea e nga hoahoa punaha ngawari ake.I nga tono tuuturu, kei te whakauru te PCC9615 ki nga punaha e hiahiatia ana te whakawhitiwhiti korero mo te tawhiti roa.Ko te tohu rereketanga e whakarite ana i te tuku raraunga taapiri pono i waenga i nga waahanga penei i te waahanga whakahaere miihini me nga momo sensors marara noa atu i te waka.Ko te PCA9615 te pupuri i te whakawhitiwhiti korero i waenga i nga mana whakahaere me nga taputapu mara puta noa i tetahi papa nui.

Anei te whakatakotoranga tepu me nga whakaritenga hangarau, nga tohu, me nga taatai o te NXP USA Inc. PCA9615DPJ , me nga waahanga me nga whakaritenga rite.
|
Tuhinga |
Parapara |
|
Wheketere
Te wa nui |
7
Wiki |
|
Hapa
Tuhinga |
Mata
Maunga |
|
Pūhera
/ Take |
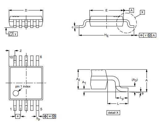
10-TFSOP,
10-msop (0.118, 3.00mm whanui) |
|
Mata
Maunga |
Āe |
|
Mahi
Pāmahana |
-40 ° C
~ 85 ° C |
|
Whiu |
Rīpene
& Reel (tr) |
|
Whakaputaina |
2010 |
|
Wehe
Mana |
Kakama |
|
Haukū
Taumata Whaiaro (MSL) |
1
(Mutunga kore) |
|
Nama
Tuhinga o mua |
10 |
|
Tuhinga |
Pūpū
Tūmau |
|
Tono |
I2c |
|
Ngaohiko
- toha |
2.3v
~ 5.5v |
|
Tūnga
Tūranga |
Takirua |
|
Tūnga
Āhua |
Kauhau
Parirau |
|
Tihi
Te pāmahana (Cell) |
Kāore
Kua tohua |
|
Nama
Tuhinga o mua |
1 |
|
Whakarato
Ngaohiko |
3.3v |
|
Tūnga
Whakanekerite |
0.5mm |
|
Te wa @ tihi
Te aukati i te pāmahana-max |
Kāore
Kua tohua |
|
Tūranga
Tau waahanga |
PCA9615 |
|
Whakaputanga |
2-waea
Pahi |
|
Pine
Tātau |
10 |
|
Jesd-30
Tohu pūmanawa |
S-pdso-g10 |
|
Nama
Tuhinga o mua |
2 |
|
Kua tū kē
- toha |
16μA |
|
Kōkuhu |
2-waea
Pahi |
|
Raraunga
Whakatau (max) |
400khz |
|
Whakarato
Colgal1-Nom |
5v |
|
Whakapau kaha
- whakauru |
7PF |
|
Roa |
3mm |
|
Tōroa
Noho (Max) |
1.1mm |
|
Whānui |
3mm |
|
Rohs
Mana |
Rohs3
Takatika |
Kei roto i te hoahoa o te PCC9615 he kaha te kaha o te tipu, ka taea e nga tikanga te hono me te hono atu i te aukati raraunga.He painga rawa tenei waahanga i roto i nga punaha matatini kei reira te mana me te pono te rangatira, penei i nga kopae korero me nga pokapū raraunga.Na roto i te whakahoaho i te whakakapinga o nga waahanga whakakapinga me te whakarahi, ko te waahanga wera-Swap e whakarite ana i te punaha o te punaha me te aukati i te pumau me te whai hua ki nga taiao tono.
• Whakauru Whakauru: Te en (whakahohea) whakaurunga tohu e whai waahi ana ki te whakahaere i te tikanga wera-pupuhi.Mena ka hono tetahi waahanga hou, ka whakarite te ENGLE tohu kia whakatutukihia te tikanga.Ko tenei tikanga e aukati i nga hapa whakawhitiwhiti korero ka puta mai mena kua nekehia atu nga kaupapa.I roto i nga momo tono maha, ko te whakahaere tika e whakaatu ana i te pono o te raraunga, he mea tino nui ki nga taiao e kore e manakohia e nga raraunga te kore e manakohia.
Ko te miihini o te pahi pahi ka kitea e te miihini te whakarei ake i te mahinga wera-wera ma te whakarite i nga hononga noa ka he noa te pahi.Ko tenei waahanga ka awhina i te aukati i nga kohinga raraunga ka parea, na te tiaki i te tika o nga korero whakawhiti.Ko te kitenga mo te pahi pahi e tino marama ana, e mahi ana i muri o nga tirohanga hei whakarato i te taiao whakawhitiwhiti korero i raro i nga tikanga hihiri.
• Nga Tiakitanga Pūnaha: Ko te Whakawhitinga o enei waahanga i roto i te PCA9615 e whakaatu ana he pehea te whakauru i te hangarau hou ki nga papatipu hei whakaū i te kaha whakahaere me te haumarutanga raraunga.Ko te whakahoahoa harmonity i waenga i te whakauru haina me te kitenga maere o te pahi ka puta te turanga o te wera-wera ki nga punaha kino.Ko enei waahanga ka uru ki tetahi punaha taiao me te whakawhirinaki, te whakatutuki i nga hiahia o nga taiao tuuturu me te atawhai me te atawhai.
Ko te PCA9615 e whakaatu ana i nga rongoā whaikorero ki tetahi mano tini o nga kohinga hangarau, e pa ana ki nga rereketanga o nga tono motuhake.Kei roto i enei ko te aro turuki i nga tohu mamao i roto i nga taiao ngaru, te whakahaere i nga taonga hiko ki te wawao nui, ki te whakahaere i nga umanga ahumahi me te whakamahana, me te whakamahana.
I roto i nga taiao mo nga taiao mo te Hafe me te haruru, ka taea e te pono te ngaro o nga raraunga sensor.Ko te PCA9615 te tautoko i te whakawhitiwhiti korero i waenga i nga tohu mamao me nga waahanga tukatuka kaha.Whakamahia nga keehi penei i te Ahumoana Ahumahi me nga teihana Aroturuki Taiao e whakaatu ana i ona painga.Ko te pupuri i te pono o te raraunga ka iti ake te petipeti, rite ki nga tikanga i roto i nga tuhinga whakawhiti i te wa e whakamahia ana te pono mo nga tawhiti roa.Ka taea e koe te whakamahi i nga tikanga tohu rereketanga, rite ki era o te PCA9615, kia pai ai te whakarereke i nga take e pa ana.
Ko te kawanatanga whakawero ko te whakahaere i nga taonga hiko i raro i nga ahuatanga o te pokanoa.Ko te PCA9615 e poipoi ana i te pono o te tohu tohu ahakoa te haruru o te hiko, he dilema maha i roto i nga taonga hiko me nga uta rereke.He maha nga tono a te nuinga o te wa e mahi ana i te PCA9615 me nga mahi whakangungu me nga mahi whakatikatika, ka raru tonu te wawaotanga.Ko tenei e maumahara ana ki nga mahi whakatipu aerospace, kei te hangaia nga punaha ki te mahi pono i waenga i te haruru hiko rongonui.
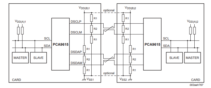
Ko nga punaha matatini e kii ana i nga wa e hono ana ki nga pahi i2c i waenga i nga momo momo.Ko te PCA9615 he pai ki tenei hononga ma te whakawhānui i te waahanga whakawhitiwhiti me te whakaora i te mate ki te whenua ka taea te whakahaere i nga mahi kino rawa atu.Hei tauira, i roto i nga horopaki aunoa, he whakawhitiwhiti korero puta noa i nga waahanga whakahaere hiko hiko (EAST) me te PCA9615 e pa ana ki nga awangawanga e pa ana ki te tuku i nga taonga me te pono.Ko tenei ahuatanga e whakaatu ana i tana whai kiko ki te haangai i nga waahanga hiko rereke.
I roto i nga waahanga ahumahi, te whakahaere i nga punaha, penei i te rama, te whakawera, me te whakamahana, te taatai me te whakawhirinaki.Ko te āheinga o PCC9615 ki te pupuri i te whakawhitiwhiti korero i raro i nga tikanga rereke ka taapiri atu ki tona whakatoi.Ko te whakahaere o te whare SMART e whakaatu ana i te hiranga o te tuku raraunga rite tonu ki te whakarite kia pai te kaha me te whai huatanga o te mahi.I konei, ko te PCA9615 e whakaatu ana i tana mahi ki te whakaweto i te mana kore.
Ko te whakawhitiwhiti korero I2C tawhiti me nga punaha hiko me te whakauru i nga taonga mana e whakaatu ana i nga wero motuhake, na te mea na te mea kaore e pai te tuku.Ko te PCCA9615 e kii ana i enei take ma te whakamahi i te tohu rereketanga, te tiaki i te pono o te raraunga mo nga tawhiti tawhiti.He rite te rautaki nei ki nga whakaritenga i roto i te whakahaere pokapū raraunga, kei te pupuri i te kounga tohu mo nga waahanga taura roa, he pai mo te whakamanatanga whatunga.Ko te hangarau te hono hononga, ko te whakarite i te whakawhitiwhiti korero i roto i te tono taiao.



Ko te NXP Seconductors N.V., he kaha nui ki te rongoa i nga tono whakauru, i nga wa katoa kei te taraiwa i nga waahanga katoa, i nga wa katoa o te maakete.Ko ta ratau wawata kore ko te waihanga i te maamaa, haumaru, me nga otinga honohono pai.
Ko te ahunga whakamua o NXP i roto i te waahanga miihini ka tino kitea.Ko o raatau tohunga microcontroller me nga kaituku kua tino whakanui i te haumaru waka, i pai ake nga punaha whakaraerae, me te kaha o te taraiwa taraiwa motuhake.Ko te whakauru i enei hangarau tiketike-teitei e whakanui ana i te wheako taraiwa i te wa e whakarite ana i te haumaru me te pai.Ko nga kaihanga motuka e tohu ana i a raatau otinga e whakaatu ana i te puku ki te whakatutuki i nga tono mo te waka hou.
I roto i nga kawanatanga me nga kawanatanga o te ITOT, kua whakauruhia e nga rongoā a NXP nga huringa nui i roto i te miihini wheketere, te maamaa atamai, me nga whatunga sensor.Ko a raatau hua e whai ana ki te whakatika i te mahi me te pono, te hihiri i roto i nga waahanga ahumahi-ahotea.Ko te whakatikatika tonu me te whakatinanatanga o a raatau rongoā itoo e poipoihia ana e nga kaiaoiao e whakanui ana i te whakawhiti raraunga, te whakahaere rauemi whai hua, me te mana whakahaere.
Ko te aroaro o NXP i roto i te maakete pūkoro ka kaha ake te whakarei ake i te tūmataiti, ka whakatauhia nga miihini utu, me te whakahoahoa i nga taunekeneke kore.Ko te hangarau e tata ana ki te hangarau whakawhitiwhiti korero (NFC), i whakahou i nga taunekeneke a te kaihoko, te tuku tere me te tere ake o nga whakawhitinga.Kei te haere tonu nga auaha i roto i tenei arotahi mo te haumarutanga raraunga i te wa e whakanui ana i te hunga mohio ki te piki haere o te whenua mamati.
I roto i nga waahanga whakawhitiwhiti korero, ko nga otinga RF te mahi a NXP me nga kaituku e hiahiatia ana i roto i te haere ki te kaha o te whatunga.Ko enei takoha e taea ai te whakawhanaketanga o nga punaha whakawhitiwhiti korero me te pono, me te nui mo te whakahiatotanga o te ao.Na roto i te whakapakaritanga o te whatunga me te tauine, ka uru a NXP ki te angaanga e hiahiatia ana mo te ahunga whakamua o nga tikanga whakawhitiwhiti hou penei i te 5G.
Ko te PCA9615 te mahi ki te whakakore i te peeke pahi, e whakarato ana i te mahi he ki te rapu i nga mahi he, te taapiri-kaha, me te wehe i nga punaha pahi pahi.Ma te tirotiro i te kitenga me te wehe i te waahanga, ka whakarei ake i nga waahanga motuhake kia kore ai e hiahiatia kia kore e hiahiatia.I roto i nga tautuhinga e mau ai te kaha o te mahi, te PCA9615 ki te whakahaere rautaki i nga punaha punaha.I te wa poto ka whakakorea e nga waahanga pahi kaore i whakamahia te whakatutuki i nga mahi a te punaha.I roto i nga taiao ahuwhenua matatini kei te haere tonu nga mahi me te heke o te tau, ko te mahi a te PCA9615 ka hiahiatia mo te mahi totika me te whakaiti i nga hua me te whakaiti i nga hua me te whakaiti i nga hua me te whakaiti i nga hua me te whakaiti i nga hua me te whakaheke i nga hua.Ko te whakahoahoa hihiri o nga waahanga pahi ka hangaia he hanganga mo te taapiri me te whakahoahoa.Mo runga i te huringa-kaha, ka whakarite te PCA9615 ki te whakahohenga i nga waahanga o nga punaha pahi rereke.Ko tenei huarahi e whakatairanga ana i te pumau me te aukati i te kaha o te whakaohooho i roto i nga waahanga raraunga teitei, penei i te whakahoahoatanga raraunga, ka aukati i te kowhiringa.
Tena koa tukuna mai he uiui, ka whakautu wawe taatau.
i te 2024/10/14
i te 2024/10/14
i te 8000/04/18 147757
i te 2000/04/18 111934
i te 1600/04/18 111349
i te 0400/04/18 83719
i te 1970/01/1 79508
i te 1970/01/1 66895
i te 1970/01/1 63010
i te 1970/01/1 63000
i te 1970/01/1 54081
i te 1970/01/1 52117