
Ko te EPM7128SQI100-10 he taputapu arorau ka taea te whakarite ki te whakahaere i nga mana mamati me nga mahi atanga i roto i nga punaha hiko.Kei roto 128 nga huānga arorau e taea ai te whakakotahi i nga mahi arorau maha ki te waahanga kotahi, hei awhina i nga whakatakotoranga ara iahiko me te whakaiti i te tatau waahanga.Ka tautokohia e te taputapu te whakautu arorau tere e tika ana mo te whakahaere i te waa, te ararere tohu, me nga mahi whakatau.Ko tana 100 titi te mokihi maunga mata ka taea te whakauru ki nga hoahoa papa kiato me te pupuri i nga mahi hiko.Ko nga whakamahinga noa ko te arorau kapia, te mana kawanatanga, te wetewete wahitau, me te urutau atanga i roto i nga tono ahumahi me te whakauru.Kei te rapu EPM7128SQI100-10?Whakapaa mai ki a maatau ki te tirotiro i nga taonga o naianei, te wa arahi, me te utu.

Kei te whakaatuhia te whakaritenga titi mo te kete PLCC 84 titi, me nga ingoa tohu me nga nama titi ka tohatoha rite ki nga taha e wha o te taputapu.Ko nga titi Kaiwhakamahi I O kei te nuinga o nga waahi ka uru ki te mana motuhake, te whenua, me nga titi mana hei tautoko i te mahi pumau.Ka tuuhia nga titi VCC me te GND i nga waa rite tonu kia rite te tohatoha hiko puta noa i te kete.Ko nga titi i whakatapua mo te karaka o te ao, ka taea te whakaputa, me nga mahi JTAG kua tino tapaina ki te wehewehe mai i te kaupapa whanui I O. E whakaatu ana te hoahoa i te whakatakotoranga paerewa e tautoko ana i te ararere tohu tohu, te hoahoa papa ngawari, me te hototahi puta noa i nga taputapu raupapa MAX 7000 e pa ana.
Ko te EPM7128SQI100-10 e tautoko tika ana i nga kaupapa arorau i te wa e mau ana ki runga i te poari ara iahiko.Ka taea e tenei te whakahou i te arorau i te wa o te whanaketanga, i muri ranei i te tukunga me te kore e tango i te taputapu.Ka awhina i te whakaiti i te wa whakaheke me te whakangawari i nga whakahoutanga ina hiahia whakatikatika te whanonga punaha.
Ka whakaratohia e te taputapu nga macrocells 128 e tuku ana i nga mahi arorau maha ki te whakatinana i roto i te waahanga kotahi.Ka tautokohia e tenei kaha te arorau mana, nga mahi wetewete, me te whakahaere atanga i te wa e whakaitihia ana te hiahia mo etahi atu taputapu arorau motuhake.
E waru nga poraka hurangi arorau o roto e whakarite ana i nga rauemi arorau ma te matapae.Ka tautoko tenei hanganga i te ararere tohu me te whanonga arorau rite puta noa i nga ahuatanga whakahaere rereke.
Tata ki te 2500 nga keeti arorau ka taea te whakamahi, ka taea e te taputapu te tautoko i nga mihini kawanatanga, te whakahaere i te waa, me nga mahi mamati ritenga.Ko tenei taumata whakauru ka awhina i nga whakatakotoranga papa me te whakaheke i te tatau o nga waahanga.
Ka tautokohia e te taputapu ki te 84 nga tohu whakauru me nga titi whakaputa.Ma tenei ngawari ka taea e ia te hono atu ki te maha o nga tohu o waho, nga pahi, me nga taputapu peripheral i roto i nga punaha whakauru.
Ko te roa o te whakatōpūtanga o te 10 ns ka taea e te taputapu te whakautu tere ki nga huringa whakauru.Ma tenei e pai ana mo nga tono e hiahia ana ki te wa matapae me te mana mamati aro.
I hangaia te taputapu ki te mahi pono puta noa i te awhe pāmahana ahumahi.Ma tenei ka taea te mahi pumau i roto i nga taiao e tumanakohia ana te rereketanga o te pāmahana, penei i nga punaha whakahaere me te hikohiko ahumahi.
| Huanga Hua | Uara Huanga |
| Kaihanga | Intel |
| Ngaohiko Tuku - Roto | 4.5V ~ 5.5V |
| Mōkī Pūrere Kaiwhakarato | 100-PQFP (20x14) |
| Rangatū | MAX® 7000S |
| Momo Whakatakataka | I roto i te Pūnaha Whakatakataka |
| Mōkī / Take | 100-BQFP |
| Mōkī | Paepae |
| Te Waahi Mahi | -40°C ~ 85°C (TA) |
| Te maha o nga Macrocells | 128 |
| Te maha o nga huānga arorau/paraka | 8 |
| Tau o I/O | 84 |
| Te maha o nga keeti | 2500 |
| Momo Whakaeke | Maunga Mata |
| Wā Whakaroa tpd(1) Max | 10 ns |
| Tau Hua turanga | EPM7128 |

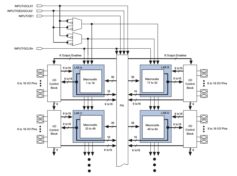
Kua whakaritea te hoahoanga o roto huri noa i nga poraka hurangi arorau maha, kei ia roopu he roopu macrocells kua tautuhia hei whakatinana i nga mahi arorau whakakotahi me te rehita.Ko enei poraka hurangi arorau e hono tahi ana ma roto i te huinga honohono ka taea te whakahotaka e taea ai te ararere tohu i waenga i nga poraka me te whanonga taima matapae.Ko nga poraka mana I O kua whakatapua e karapoti ana i nga poraka raupapa arorau me te whakahaere i te aukati whakauru, te taraiwa whakaputa, te mana o te kawanatanga toru, me nga huarahi urupare i waenga i nga titi o waho me te arorau o roto.Ko nga rauemi o te ao, tae atu ki nga whakaurunga karaka, nga tohu ka taea te whakaputa, me te tohu maamaa o te ao, ka tohatohahia puta noa i te taputapu hei tautoko i te mahi tukutahi me te mana whakahaere o nga putanga.Ko tenei hanganga e whakaatu ana i te whakahaere e whakamahia ana e te EPM7128SQI100-10, e whakauru ana i nga poraka hurangi arorau maha me nga macrocells ki te tautoko i te arorau ka taea te whakamaarama me te ararere tohu tohu me nga huarahi whakahaere matua.

Ko te arorau i roto i te pūtau tonotono kotahi kua whakaritea huri noa i te matrix whiriwhiri kupu hua ka whiwhi tohu whakauru mai i te huinga honohono ka taea te hotaka me nga kaiwhakawhanui arorau o te rohe.He maha nga kupu hua ka honoa hei hanga i te huinga o te arorau hua, ka taea te whakaputa i te whakaputanga huinga, i te rehita ka taea ranei.Kei roto i te rehita nga huarahi karaka, maamaa, tatūkē, me te karo i nga huarahi, ka taea te whiriwhiri ngawari i waenga i nga mahi kua rehitatia me nga mahi kore rehita.Ko te karaka o te ao me nga tohu maamaa o te ao ka tukuna tika ki roto i te macrocell hei tautoko i te mana tukutahi puta noa i te taputapu.Ka tukuna nga raraunga putanga ki te paraka whakahaere I O, ka whakahokia mai ranei ki te huinga honohono, ka taea te whakamahi ano i nga hua arorau me te tohatoha tohu pai i roto i te EPM7128SQI100-10.

Ko te whirihoranga whakamatautau e tautuhi ana i nga tikanga hiko e whakamahia ana mo nga inenga taima AC ma te tohu i nga kawenga parenga, te uta capacitive, me nga tohu tohu i waenga i te taputapu me te punaha whakamatautau.Ka hono te whakaputanga taputapu ki te VCC na roto i te parenga kume ki runga, ki te whenua ma te kupenga uta kua tautuhia hei whakatauira i te whanonga puku whakaputa i te wa e huri ana.Ko te puritanga e tohu ana i te katoa o te kaha o te kawenga, tae atu ki nga paanga taapiri, i te wa e tirotirohia ana e te hononga punaha whakamatautau nga whakawhitinga tohu.Ko nga wa piki me te takahanga whakaurunga ka herea ki te iti iho i te 3 ns kia rite tonu nga tikanga inenga.Ko te tatūnga e whakaatu ana me pehea te awe o te tuku whakawhiti me te naianei o te whenua ki nga mahi AC kua kitea me te whakatau i nga tikanga paerewa mo te tohu wa o te EPM7128SQI100-10.
Ko te EPM7128SQI100-10 e whakamahia ana i roto i nga taiao whakahaere ahumahi ki te hapai i te raupapa, te arorau honohono, me te ruruku tohu.Ka awhina ia ki te whakahaere i nga tikanga whakauru mai i nga puoro me nga huringa i te wa e whakaputa ana i nga tohu mana mana mo nga kaiwhakatere me nga waahanga whakahaere.Ko tana hanganga ka taea te whakarite ka taea te whakarereke i nga whanonga whakahaere i te mea ka huri nga whakaritenga o te punaha.
I roto i nga taputapu waea, ka tautokohia e te taputapu nga ara whakahaere e whakahaere ana i te waa, te ararere tohu, me te ruruku atanga.He maha nga wa e whakamahia ana hei whakarite tohu mana i waenga i nga waeine tukatuka me nga atanga korero, hei awhina i te rere o nga raraunga i roto i nga taputapu whakawhiti me te tuku.
Ka whakamahia te taputapu hei arorau kapia i roto i nga taputapu whatunga hei hono i nga pūtukatuka, nga taputapu mahara, me nga waahanga peripheral.E tautoko ana i te wetewete wahitau, te apitireihana pahi, me te tirohanga tohu, ka taea e nga poraka mamati rereke te mahi tahi i roto i nga punaha whatunga kiato.
I roto i nga punaha whakauru, ka whakaratohia e te EPM7128SQI100-10 te arorau atanga i waenga i nga kaiwhakahaere me nga taputapu o waho.Ka whakamahia mo te wetewete wahitau, te whakaputa tohu tohu, me te whakahaere kawa taketake, hei awhina i te whakangawari i te hoahoa punaha me te whakaiti i te maha o nga waahanga arorau motuhake.
He pai te taputapu mo nga papaa rorohiko tawhito me nga punaha taputapu e hiahia ana ki te whakakapi i te arorau.Ka taea e ia te whakakotahi i nga mahi arorau tawhito ki roto i te taputapu kotahi ka taea te hotaka me te pupuri i te hototahitanga ki nga taumata tohu me te whanonga o te waa.
Ka whakamahia te EPM7128SQI100-10 ki te whakatinana i te piriti kawa me nga miihini whenua e whakahaere ana i nga tikanga mamati kua hangai.E tautoko ana i nga whakawhitinga whenua kua tautuhia me te raupapa whakahaere, e pai ana mo te whakarite i nga mahi whakawhitiwhiti korero me nga mahi whakahaere puta noa i nga poraka punaha rereke.
• Ka tautoko i nga whakahoutanga arorau punaha me te kore e tango i te taputapu mai i te poari
• Ka whakarato 128 macrocells e tika ana mo te whakahaere tauine waenga me te arorau atanga
• Ka tuku i te wa matapae me te roanga whakatö whakatö 10 ns
• Ka mahi puta noa i te awhe pāmahana ahumahi mo te mahinga o te mara
• He maha nga tini o nga titi whakauru me nga titi putanga e taea ana e te kaiwhakamahi mo te atanga ngawari
• Ka mahi i runga i te tuku 5 V e whakaiti ana i te hototahi ki nga punaha ngaohiko iti
• He iti ake te kaha o te arorau ki te whakataurite ki nga taputapu arorau ka taea te whakarite
• He teitei ake te whakamahi hiko i nga momo hiko iti hou e taea ana te papatono
• Ko te rahi o te kete kare pea e pai ki nga hoahoa tino totika, mokowhiti ranei
| Nama Wahi | Kaihanga | Nga waahanga matua | Whakamahia te Take/Tuhipoka |
| EPM7128SQI100-10N | Intel | 128 pūtau tonotono me te whakahōtaka i roto-pūnaha, 5 V awhe tuku ā-roto, me te tere 10 ns te roa o te whakatōpūtanga i roto i te mōkihi-maunga. | Ka whakamahia i roto i te arorau kāpia mamati, te arorau whakahaere, me nga tono atanga e hiahia ana ki te wa pono me te kiato arorau ngawari. |
| EPM7128SQI160-10 | Intel | He rite tonu te hoahoanga 128 macrocell me te 10 ns te karaehe tere, ka tukuna i roto i tetahi kete tatau-titi nui ake mo te ngawari o te ararere. | He pai mo nga hoahoa e hiahia ana ki te uru atu ki te I/O, ki te hototahi ranei ki nga whakatakotoranga papa o naianei. |
| EPM7128SQI160-10N | Intel | 128 macrocells, in-systemable CPLD with stable 5 V operation and extended temperature support. | E tika ana mo nga punaha ahumahi me nga punaha whakauru e hiahia ana kia whakawhirinaki ki te mana arorau puta noa i nga awhe pāmahana whanui. |
Ko Intel he kamupene hangarau o te ao e mohiotia ana mo te whakawhanake i te whānuitanga o te rorohiko rorohiko me nga otinga arorau ka taea te whakarite.He hitori roa te kamupene mo te ahu whakamua i te hoahoa semiconductor mo te rorohiko, whakawhitiwhiti korero, me nga punaha whakauru.Ko tana kōpaki arorau ka taea te tautoko i te mana whakahaere, te whakahaere tohu, me te arorau atanga puta noa i te ahumahi, te whatunga, me nga tono whakauru.E aro ana a Intel ki te whakarato i nga papaaaaro arorau e taurite ana te mahi, te pumau, me te tautoko mo te wa roa.Ka whakamahia nuitia ona hua i roto i nga hoahoanga punaha kua pumau me nga hoahoa matihiko e whanake ana, e whakaatu ana i te kaha o te noho ki roto i te rauwiringa kaiao hiko.
Ko te EPM7128SQI100-10 he whakakotahi i te mana arorau, te wa, me te whakahaere atanga i roto i tetahi taputapu ka taea te whakarite.Ka whiwhi koe i te hanganga marama me nga poraka hurangi arorau me nga macrocells e tohu ana i te whanonga.Ko tana whakatakotoranga titi me tana ngawari I/O ka awhina i te ararere poari.Ko nga wa whakautu tere e tautoko ana i te mana mamati i roto i nga punaha maha.He pai hoki te mahi a te taputapu ina hiahia koe ki te whakahou i te arorau kaore he huringa taputapu.I te katoa, ka tukuna he huarahi whaihua ki te whakahaere arorau matihiko tauine-waenga ki te waahi kotahi.
Tena koa tukuna mai he uiui, ka whakautu wawe taatau.
He CPLD ka taea te whakarite hei mahi i nga mahi arorau mamati penei i te mana whakahaere, te wetewete, me te ararere tohu.
Kei roto i te taputapu te 128 macrocells, ka taea te whakakotahi i nga mahi arorau maha ki te maramara kotahi.
Ae, kei te tautoko i te hotaka i roto i te punaha, na reira ka taea e koe te whakahou i te arorau i te wa e mau ana te taputapu ki runga i te papa.
Ka tae mai i roto i te kete 100-pin-mata-maunga e uru pai ana ki nga hoahoa PCB kiato.
He maha nga wa e whakamahia ana mo te arorau mana, te arorau whakapiri, nga miihini kawanatanga, me te whakahaere atanga i roto i nga punaha whakauru me nga umanga.
i te 2026/01/6
i te 2026/01/6
i te 8000/04/18 147770
i te 2000/04/18 112006
i te 1600/04/18 111351
i te 0400/04/18 83768
i te 1970/01/1 79565
i te 1970/01/1 66960
i te 1970/01/1 63098
i te 1970/01/1 63040
i te 1970/01/1 54097
i te 1970/01/1 52184