
Te Lm393n He mea hanga hei kaiwhakatikatika-rua-rua-rua-rereke, e tika ana mo nga ahuatanga e whai hua ana mai i nga mahi-a-ringa noa puta noa i te whānuitanga o te ngaohiko.Ko tana hoahoa e whakanoho ana i nga whakamahinga tohatoha tohatoha, te tuku i te otinga whaihua mo nga Whirihoranga hiko rereke.Ko tana momo whakaurunga-aratau-aratau e kaha ana kia kaha ki te whakauru i te taumata o te whenua, ara i roto i te taiao-a-roto, me te whakaatu i tona kaha ki te whakarite ki nga ahuatanga o te mana.
I roto i tana hoahoa hanganga, kei te tautoko te LM393N i nga tono maha.Ko enei waahanga mai i nga taputapu-hiko-hiko ki te nui ake o nga punaha whakatipu i te wa e hiahiatia ana i raro i te whakarereke i nga tikanga mana.I roto i nga horopaki tuuturu, ka taea e koe te wheako i te whakawhirinaki ki nga waahanga penei, te whakawhirinaki ki a ratau ki te tiaki i te pono i roto i nga punaha whakauru.
Kei roto i te raupapa LM393 te Lm393drKāore, Lm393mKāore, Lm393dKāore, Lm331n, me Lm393mx nga momo rereke, ia mahi motuhake e mahi ana i nga mahi motuhake.Ko enei tauira e korero ana i nga hiahia motuhake, te whakatairanga i te kaha o te hoahoa me te urutau ki nga tono-a-kaupapa.Ko te kōwhiri i te ira tika ka whai hua nui ki te kaupapa whakauru me te mahinga o te whirihoranga hiko.




|
Āhuatanga |
Tautanga |
|
Hokona te waahanga ngaohiko |
+2 v ki te +36 v (kotahi-supply) or ± 1 v ki te ± 18 v (takirua
whakarato) |
|
Tuku i naianei |
0.45 Ma motuhake o te horopaki tuku (1 mw / Katia i
+5 v) |
|
Te whakauru i naianei |
20 na (angamaheni) |
|
Te whakauru whakauru |
± 3 na (angamaheni) |
|
Te huringa whakauru |
± 1 MV (angamaheni) |
|
Whakauru-te-ara-ara-ara |
Kei roto i te whenua |
|
Taputapu Whakawhitinga Whakawhiti |
80 mv (angamaheni, isink = 4 MA) |
|
Te whānuitanga whakaurunga whakauru |
Rite ki te ngaohiko toha |
|
Te hototahi Putanga |
TTL, Dtl, Ecl, Mos, CMOS He hototahi |
|
Tuhinga |
Parapara |
|
Momo Momo |
Na roto i te kohao |
|
Paati / Take |
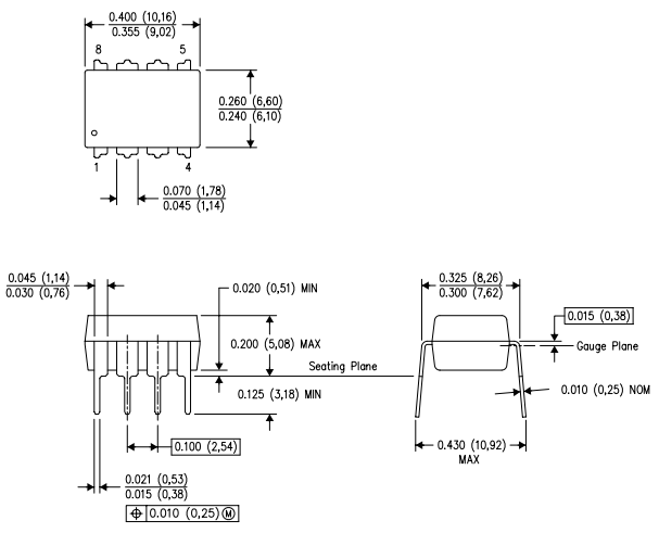
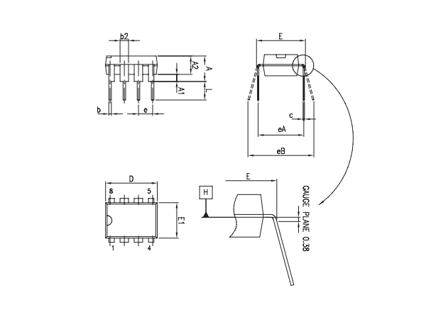
8-dip (0.300, 7.62mm) |
|
Maunga Matapihi |
Kāo |
|
Te maha o nga waahanga |
2 |
|
Pāmahana whakahaere |
0 ° C ~ 70 ° C |
|
Whiu |
Ngongo |
|
Waehere Jesd-609 |
e3 |
|
Wahanga Mana |
Neha kē |
|
Taumata Maha Kore (MSL) |
1 (mutunga kore) |
|
Tuhinga o mua |
8 |
|
Waehere Eccn |
Taringa- |
|
Tuhinga |
Te Whanui Whanui |
|
Whakamutu mutunga |
Matte tin (sn) - annealed |
|
Tūnga kāpene |
Takirua |
|
Pikitia te pāmahana (Cel) |
Kaore i tohua |
|
Te maha o nga mahi |
2 |
|
Taha Taha |
5v |
|
Te wa @ Taakapa Whakahoki-Max (max (s) |
Kaore i tohua |
|
Tau waahanga |
Lm393 |
|
Takenga PIN |
8 |
|
Waehere Jesd-30 |
R-pdip-t8 |
|
Te tohu tohu tohu |
Ehara i te tohu |
|
Momo Putanga |
CMOS, Dtl, Ecl, Mos, Ort-Collegler, TTL |
|
Nga taonga hiko |
5v |
|
Te wa whakautu |
1300 NS |
|
Ngaohiko - tohaina, kotahi / rua (±) |
2v ~ 36v ± 1V ~ 18V |
|
Toharite te toharite o nāianei - max (iib) |
0.4μa |
|
Hoatu te papaa-ax |
36V |
|
Nāianei - quiecent (max) |
2.5ma |
|
Ngaohiko - Inputist Inputist (Max) |
5mv @ 30v |
|
Nāianei - Input Bias (Max) |
0.25μa @ 5v |
|
Nāianei - putanga (typ) |
18Ma @ 5V |
|
Te teitei e noho ana (Max) |
5.33mm |
|
Te mana o te rohs |
RoHS3 |

Ko te Kaitirotiro LM393N e tu ana hei waahanga matatini me te pai e whakamahia ana puta noa i nga waahanga whaihua, tino pai ki nga taiao e whakaatuhia ana e nga tono a te pākahiko me nga punaha umanga.
Ko te huarahi o te LM393n ki te kaha o te kaha me te tika e aro nui ana ki nga taputapu whakahaere o te pākahiko.I roto i te ao o te hikohiko kawe, ko te whakatutuki i te hononga honohono i waenga i te kaha o te kaha me te mahi ka taea e koe te whakaawe i to makona me te tono putea.Ko te LM393n e whakarato ana i nga whakatairite o te ngaohiko tika me te iti o te horoi hiko, na reira ka roa ake te pākahiko.Ka taea e koe te pato i ona kaha ki te hoahoa i nga waahanga taapiri e whakaatu ana i te mana o te pākahiko, e akiaki ana i te waa me te tiaki i te raru nui.Ko tenei mahi matua e kaha ana ki te whai i te pono o te taputapu mo nga waa whakamahi roa.
I roto i te whenua ahumahi, ka maioha te LM393N mo tona pakari me te mahi tonu, i whakamahia hei tautoko i nga mahi i waenga i nga tikanga.Ko tana whakaurunga ki nga punaha aunoa ka awhina i te tukatuka tohu me te whakarei ake i nga mahi whakataunga.Hei tauira, i roto i nga punaha whakahaere pāmahana, ka whakatauhia e te LM393N te whakarite i te panui pāmahana hei whakarite i nga tohu tohu, nga tukanga whakahaere hei pupuri i nga tikanga taiao e hiahiatia ana.Ko tana kaha ki te mahi i nga wa katoa puta noa i nga ahuatanga o te taiao taiao e whakapumau ana i te pumau me te kaha whakahaere i roto i nga raarangi aunoa.Ko nga tono tuuturu e whakaatu ana i te hiranga o nga waahanga e whakawhirinaki ana ki te LM393N hei tautoko i te punaha ahumahi ahumahi.


Nga raraunga miihini


Ko Stmicroelectrocs e tu ana i te ao o te semiconductors na te pionieeering i te whānuitanga o nga rongoā whaihua mo nga momo miihini a Microelectronics.Ko te kamupene e kaha ana i nga hangarau silicon, me ona pukenga nui ake te kaiarahi i nga mahi hou-o-maramara, he rohe e tu ana i nga ahunga whakamua hangarau.Te tuhi mai i te kohinga nui o te rawa hinengaro, ka poipoihia e Stmicroelectrocs nga hononga rautaki, e whakatairanga ana i te tapuwae i te maakete.
Ko te mohiotanga o Stmicroelectronics 'Deumple-hohonu-hohonu o te Hangarau Hangarau a Silicon hei matua mo tana hoahoa me te whakaputa i te toa.Ko tenei kaupapa e tautoko ana i te whakawhanaketanga o nga maramara whaihua-nui, e whakatutuki ana i nga tohu wero o nga tono rereke.Ko te tohungatanga i Silicon e taea ai mo te hanga o te hiko o nga kaihoko e whai mana ana te kaha me te kaha o te kaha ki te whakatinana i nga whakaaro o enei ao e huri ana i nga wheako o enei ra.
LM193, A LM293, A-LM393, A.PDF
Tena koa tukuna mai he uiui, ka whakautu wawe taatau.
Ko te LM393N me LM393P te whakaatu i nga mahi puta noa i nga tono.Ko te rereketanga matua kei roto i to raatau kohinga: Kei te hōputuhia te LM393N i roto i te whakatakotoranga kirihou-raina-raina, i te wa e haere mai ana te LM393P i roto i te kete-raina kotahi.Ko te whakatau whakaemi ka whai hua i te wa-a-tuhi me nga whakaaro hoahoa, hei awe i nga whiringa tono.
I tua atu i te kapi, he iti noa o raatau rereketanga kia rite ki te hiahia ki te kete-8.He maha nga wa e huna ana i nga hiahia tono motuhake, kei hea te kohinga hei whakatau whakamiharo.
Ko te LM393N e whakahaere ana hei kaiwhakatikatika-rua.I te wa ko te whakauru (-) kei te 2.5V, ka heke te putanga ki te mea kei raro iho i te 2.5V te putanga (+) engari ki runga ake i te 2mv.Ka iti te wa ka nui ake te whakauru o te (+ + neke atu i te 2mv iti iho i te (-) whakauru.Mena ka nui ake te whakauru o te (+ +) i te 2mv, ka piki te putanga.Ko tenei tikanga e mahi ana i nga ahuatanga e hiahia ana ki te whakatairite tika, e whakaatu ana i te ahua o te hoahoa hiko.
Ko te maakete o LM393n i mau tonu i te utu tika, i hangaia e te maha o nga taonga me nga whakawhitinga tonu.Kei te whakarato nga kaiwhakarato i nga korero taapiri, te tohu i te aroaro o te maakete o te maakete.Ko te maarama ki enei ahuatanga e awhina ana i te mahi rautaki whakahaere whai hua.
Ko te LM193, LM293, me te LM2903 tu hei whakakapinga pai mo te LM393N.Ka whakahaerehia e ratau te mahi a-huringa takirua, ka taea te whakauru me te kore e whakamohio mai i te hoahoa o te punaha.Ko enei huarahi e tuku ana i te ngawari ki te pupuri i nga paerewa mahi, e whakaatu ana i nga hiahia o te kowhiringa o nga waahanga.
i te 2024/11/8
i te 2024/11/8
i te 8000/04/18 147757
i te 2000/04/18 111934
i te 1600/04/18 111349
i te 0400/04/18 83719
i te 1970/01/1 79508
i te 1970/01/1 66899
i te 1970/01/1 63014
i te 1970/01/1 63010
i te 1970/01/1 54081
i te 1970/01/1 52120