




Te Lm338k Whakatere i te whanui huringa whanui mai i te 1.2 v ki te 32 v, ka taea te whakahaere i nga waahi o te hunga ngawari mo te whakatikatika whakaputa, e waatea ana i te maha o nga punaha.
Ka whai hua nga punaha ahumahi mai i tana hoahoa, te whakaranu i te kaha o te hinu te AKIK ki nga taonga hiko.Ko nga punaha waea waea e kitea ana e tika ana na tona mohiotanga.Ko te hikohiko a-whare e aro nui ana ki tana whakauru taapiri.
I roto i nga waahanga whakahaere hiko ka taea e koe te whakauru i te LM338K ki o raatau punaha.Ko tōna pūmautanga me te ngawari o te whakamahinga e pai ana ki te hunga e rapu ana i nga otinga mana pono.Ko tana hoahoa kaha e raru ana i nga taumahatanga me te aroha noa, ka whai hua te whai hua.
|
Tuhinga |
Parapara |
|
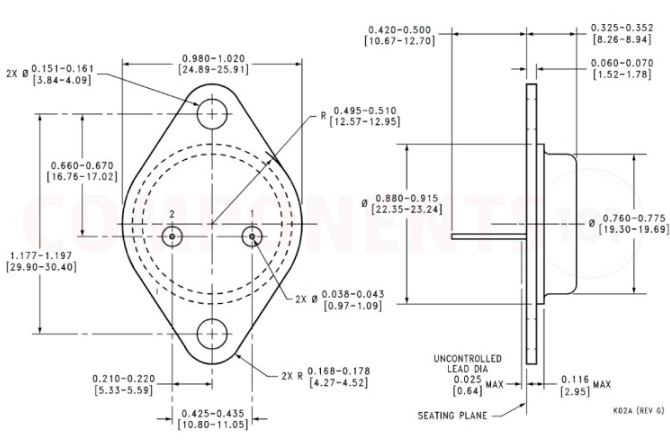
Maunga |
Na roto i te kohao |
|
Momo Momo |
Na roto i te kohao |
|
Paati / Take |
Ki te 204aa, ki te-3 |
|
Tuhinga o mua |
2 |
|
Taumaha |
6.40101g |
|
Pāmahana whakahaere |
0 ° C ~ 125 ° C |
|
Whiu |
Ngongo |
|
Tuku |
5% |
|
Waehere Jesd-609 |
e3 |
|
Wahanga Mana |
Neha kē |
|
Taumata Maha Kore (MSL) |
1 (mutunga kore) |
|
Tuhinga o mua |
2 |
|
Waehere Eccn |
Taringa- |
|
Whakamutu mutunga |
Tin (sn) |
|
Te whakatauranga mana |
50W |
|
Tūnga kāpene |
Raro |
|
Puka Tono |
PIN / Peg |
|
Te maha o nga mahi |
1 |
|
Tau waahanga |
Lm338 |
|
Takenga PIN |
2 |
|
Te maha o nga whakaputanga |
1 |
|
Ngaohiko - Input (Max) |
35v |
|
Taha Huinga |
32v |
|
Momo Putanga |
Taea te whakarite |
|
Te whakaputa i naianei |
5a |
|
Whirihoranga Putanga |
Hua |
|
Ngaohiko whakauru |
32v |
|
Te maha o nga kaiwhakahaere |
1 |
|
Min Inputid Inputid |
4.2v |
|
Nga waahanga tiaki |
I runga ake i tenei wa, mo te pāmahana |
|
Repo |
75db ~ 60db (120Hz) |
|
Ngaohiko tohutoro |
1.29V |
|
Whakakorenga Whakahekeheke |
3V |
|
Whakahekehia te ngao1-nom |
3V |
|
Min Uppar |
1.2v |
|
Ko te Whakataunga Whakatuturutanga Taonga Mana (PSRR) |
75DB |
|
Te rohe o te waa |
7A |
|
Te Ture Whakahaere-Max (%) |
1% |
|
Tōroa |
8.7mm |
|
Roa |
39.5mm |
|
Whānui |
26.2mm |
|
Tae ki te svhc |
No svhc |
|
Whakapiki te radiation |
Kāo |
|
Te mana o te rohs |
RoHS3 |
|
Ārahi |
Ārahi |
|
Āhuatanga |
Whakaaturanga |
|
Putanga Peak Putanga o naianei |
7ara 7 a |
|
Whakaputa i naianei |
Ka whakamanahia e 5 a |
|
Ngaohiko whakaurunga |
Heke iho ki te 1.2 v |
|
Te ture raina |
Te nuinga o te 0.005% / v |
|
Te Ture Taha |
Te nuinga o te 0.1% |
|
Te Ture Thermal |
Taurangi |
|
Te rohe o nāianei |
Kia mau tonu ki te pāmahana |
|
Momo Pakihi |
Paerewa Transtistor 3-arahi |

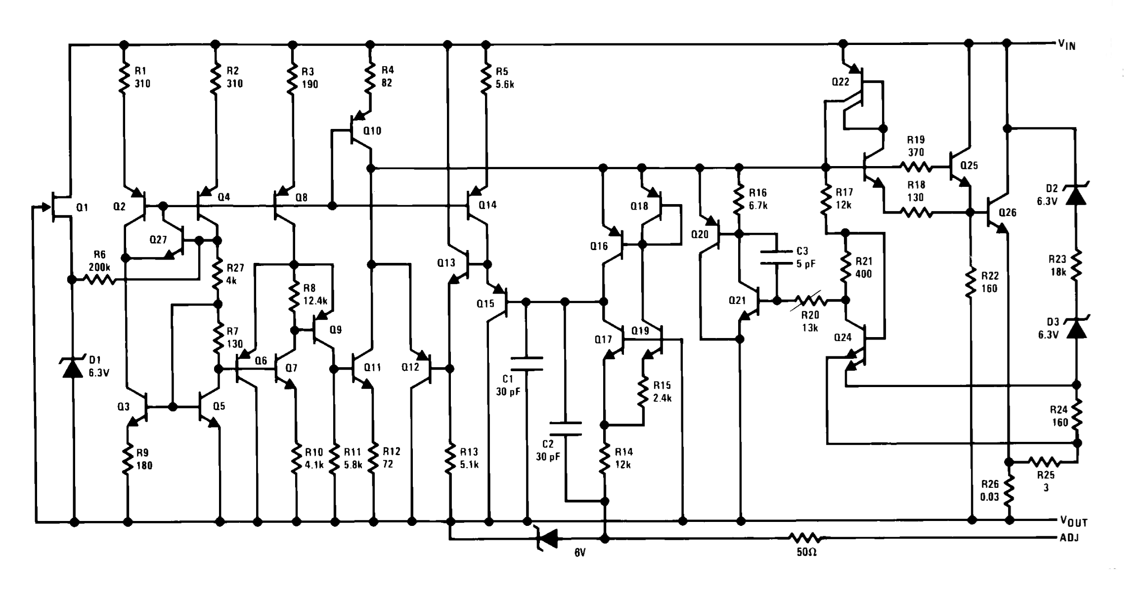
Ko te LM338K e mahi ana i te waihanga i nga taonga hiko hiko, te whakaputa i nga hiko o te waa, me te mahi tika.Ko tana momo tono whanui mai i tona kaha ka hangaia me te whakahaere ture.
Ko te LM338k te rangatira i roto i te hanga i nga punaha tuku hiko mana.Tona kaha ki te whakahaere i te ngaohiko tiketike me te whakarei ake i te wa e whakaitihia ana te haruru, te whakanui i te mahi hiko hiko.Whakamahia ai i roto i te Labs me nga awheawhe, ka whai hua enei punaha mai i te pono o nga taputapu.Ka taea e koe te utu i te whakatikatika whakatika, e whakaatu ana i te tino tika me te pono o te taputapu.
I roto i nga horopaki penei i te rama rama me te mana o te motuka, te whakahaere i nga mahi pumau i roto i te waa.Ko te LM338k e whakarato ana i tenei wa, te tiaki i nga waahanga taapiri me te whakapai ake i te kaha o te punaha.Ko te tikanga pono o tenei waa ka awhina i te pumau mo te waa-roa, te aukati i nga rereketanga ka arahi pea ki nga ngoikoretanga o te punaha.
Ko nga punaha tohatoha hiko e haangai ana i nga kaha whakatikatika a LM338k mo te whakahaere tika.Ka arotau i te pākahiko me te haumaru, te whakanui ake i te koiora pākahiko.Ko nga punaha matatau e whakaatu ana i nga waahanga hei tirotiro i nga huringa o te kawanatanga i roto i te tohatoha, ka tino pai ake te hauora me te hauora o te pākahiko.
Ko te hoahoa pumau o te LM338K me te apuku raupapatanga o te ture e tika ana mo nga momo tono.He pai te mahi i raro i nga ahuatanga o te taiao, he ahuatanga whakahirahira i roto i nga ahumahi e hiahia ana ki te pakari.Ko te ngawari o te whakamahi i te whakamahi i nga mara e hiahia ana ki te mahi me te tiimata, ka taea e koe te kii i enei waahanga hei take whiriwhiri i nga kaupapa rereke.

|
Wāhanga |
Whakaaturanga |
Kaimahitaonga |
|
Lm138akteel |
1.2 V-32V Te whakahaere tika pai, MBFM2, whakarewa
Taea, ki te 3, 2 pine |
Texas taputapu |
|
LM138K / 883 |
IC VUX 1.2 V-32 v v v v v v v v v v vor regulator pai, MBFM2,
Ka taea e te whakarewa, ki te 3, 2 titi, ka taea te whakarite i te mana whakahaere paerewa kotahi |
National Seconductor Corporation |
|
LM338K Steel / Nopb |
1.2 V-32V Ko te kaiwhakahaere tika pai, MBFM2, Green,
Ka taea te whakarewa, ki te 3, 2 titi |
Texas taputapu |
|
LM138k-Mil / Nopb |
1.2 V-32V Te whakahaere tika pai, MBFM2, RHS
Te whakatutuki, te whakarewa, ki te-3, 3 pine |
Texas taputapu |
|
M38510 / 11706Sya |
Ic vreg whakatika tika whakahaere tika, ka taea te whakarite
Mana whakahaere paerewa kotahi |
Hangarau Raina |
|
Ft13ak |
Regulator paerewa pai, 1.2V min, 32v
Max, MBFM2, te whakarewa, ka taea, ki te 3, 2 titi |
Kaha te hangarau ltd |
|
FT338k |
Regulator paerewa pai, 1.2V min, 32v
Max, MBFM2, te whakarewa, ka taea, ki te 3, 2 titi |
Kaha te hangarau ltd |
|
Lt338k |
IC VUX 1.2 V-32 v v v v v v v v v v vor regulator pai, MBFM2,
Ka taea e te whakarewa, ki te 3, 3 pine, whakarite tika te whakahaere paerewa kotahitanga kotahi |
Hangarau Raina |
|
SG138ak / 883B |
Regulator, 1 putanga, bipolar |
Microsemi Corporation |
|
Lm338mwc |
1.2 v-32V te whakahaere tika tika, UUC, Wafer |
Texas taputapu |

Ko Stmicroelectrocs e whakahiato ana i tana kaupapa hoahoa matua me te pumau i roto i te rongoa semiconductor, te raranga i te taiao me te whai hua, e whakaatu ana i nga uara me nga wawata mo te heke mai.
Ko te rangatira ki nga mahi hou a Straicroelectronics ko te whai i te hangarau mohio a Eco ki te whakaiti i te kino o te taiao.Ma te whakanui i te kaha o te hiko, ka hangaia nga waahanga ki te kohi kaha ki te kohi kaha puta noa i nga tono rereke.Ko te ahumahi penei i te miihini me nga kaihoko e whai hua ana, mai i te kitenga i te whakaheke i nga tapuwae waro.Ko tenei whakaata e whakaata ana i te hekenga nui o te umanga ki te rongoa matomato, te tono haere tonu i te whakatikatika me te mohio.
Ko te LM338K e mau ana i nga pāmahana mai i te 0 ° C ki te 125 ° C.Ko tenei ngawari e poipoia ana ki te koha o nga whakamahinga, mai i nga taputapu kaihoko i ia ra ki nga horopaki ahumahi uaua.Ko te pupuri i te pāmahana o te taputapu he matua, te tarai i ana mahi me te LifeSpan, na reira ka tuku moni ki a koe.
Ko te LM338K he kaiwhakawhiwhi mahi whai hua pai-toru-a-uru, neke atu i te 1 i waenga i te 1.2 v me te 32 v. me te hunga e rua nga raru, ka tuhi i te kaha o nga punaha mana whakamua.Ko tenei korero tika tonu ki te hunga e whakarite ana i te whakaputa pono, ina koa i nga waahi o te waahi me nga tahua tahua.
I roto i te kowiri tira ki-3, ka hangaia te LM338K mo te kaha me te kaha o te whakahaere.He pai ake tenei kohinga mo nga mahi nui-kaha e tika ana ki tana ture waiariki, kia pai ai te whakaū me te pono.Ka whakamahia te kowhiringa kohinga tika hei whakapakari i te haumaru me te mahi i tetahi waahanga hiko.
Tena koa tukuna mai he uiui, ka whakautu wawe taatau.
i te 2024/10/22
i te 2024/10/22
i te 8000/04/18 147757
i te 2000/04/18 111934
i te 1600/04/18 111349
i te 0400/04/18 83719
i te 1970/01/1 79508
i te 1970/01/1 66895
i te 1970/01/1 63010
i te 1970/01/1 63000
i te 1970/01/1 54081
i te 1970/01/1 52117