
Te Lm317t Ko te tuunga o te kohinga huringa tino honohono i runga i te kete ki te 220, e mohiotia ana mo tana hoahoa kaore i tino paahitia, me te mahi whakamiharo ki te whakahaere i nga whakaputanga whai hua.Ka taea e ia te whakauru i nga waa nui ake i te 1.5A, te pupuri i te mana mana ki te whakamahi i tetahi kaituku whakahē mo te tino huringa.Ko tenei kaha e tautoko ana i te whānuitanga o nga huringa whanui, te whakaiti i te hiahia mo nga kaiwhakahaere tika.Ko te LM317T e whakaatuhia ana e nga waahanga e tautoko ana i te ture whai mana.Ko tona matatau ki te pupuri i tetahi huringa kaha ahakoa ko te tikanga whakaurunga rereke e whakaatu ana i tona kaha.I te whakamahi i te LM317T, ko tana paruru i te paruru o te waiariki me te whakamarumaru-poto, e whakarato ana i nga mahi me te kaha ki te tono taiao.Ko te LM317T te nuinga o te waa ki te tuku i nga waahanga hiko mo nga taputapu me nga whakaritenga rereke.Ko tona hoahoa tika ka taea te whakatikatika ngawari me te tiaki, te tuku painga i nga waahanga maatauranga me nga huinga whakamatautau.

|
Pin No |
Ingoa pin |
Whakaaturanga |
|
1 |
Whakarite |
Ka whakatika tenei PIN i te huringa putanga |
|
2 |
Te putanga putanga (Vout) |
Ko te huringa whakaurunga kua whakaritea e te titi kua whakaritea
kia whiwhi mai i tenei pine |
|
3 |
Ngaohiko whakauru (VIN) |
Ko te huringa whakauru e tika ana kia whakaritea
Tenei Pin |


Ko tetahi waahanga o te LM317T ko tana huringa huringa mai i te 1.2v ki te 37V, e aro ana ki nga tono e hiahia ana ki te whakahaere hiko tino pai.He pai te tono a tenei pukenga ki nga tono hiko nui, whakaheke i nga kohinga hoahoa.
Ma te tautoko mo nga waa o te 1.5A, ka hangaia te LM317T mo nga waahanga nui-tono me te arotahi ki te pupuri tonu i te mau tonu o nga hiahia kaha.Ko tenei ahuatanga e whai kiko ana ki te mahi taputapu kore, ki te mea he mea nui te waahi kaore e kitea te tono mana.
Ko te LM317T e kaha ana ki te pupuri i te raina taapiri me te whakahaere kawenga i te 0.1%, te whakaiti i te rereketanga o te huringa e taea ana e te raru, ki te whakaiti ranei i nga waahanga taapiri.
Ko te Hoahoa Tohutoro e waatea ana mo te LM317T Whakanui i te Huringa o te LM317T e kaha ana ki te whakamahi i nga ahuatanga kino kino kaore e hiahiatia ana nga whirihoranga uaua.Ko tenei kaha ka whai hua te painga i te wa e whakauruhia ana nga kaiwhakahaere maha i roto i te punaha kotahi.
Kua whakauruhia ki te parurutanga o te mate, te kati i te waia, me te mana o te LM317T, ka tukuna e te LM317T nga paruru o te punaha ki nga tuma noa i te wa poto.Na enei ahuatanga, he maha nga waihanga i te whakakotahitanga kino me te whakawhirinaki, te taraiwa i nga mahi hua me te roa.
|
Tuhinga |
Parapara |
|
Te mana koiora |
Hohe (Whakahoutia Whakamutunga: 7 marama ki muri) |
|
Whakapā whakapā |
Tīni |
|
Momo Momo |
Na roto i te kohao |
|
Tuhinga o mua |
3 |
|
Kaitohu Paetahi Kaihoko |
0015988_typea_rev_t |
|
Whiu |
Ngongo |
|
Waehere Jesd-609 |
e3 |
|
Taumata Maha Kore (MSL) |
1 (mutunga kore) |
|
Waehere Eccn |
Taringa- |
|
Te maha o nga mahi |
1 |
|
Tau waahanga |
Lm317 |
|
Te maha o nga whakaputanga |
1 |
|
Taha Huinga |
37V |
|
Te wa nui o te wheketere |
24 wiki |
|
Maunga |
Na roto i te kohao |
|
Paati / Take |
Ki te 220-3 |
|
Taumaha |
2.299807g
|
|
Pāmahana whakahaere |
0 ° C ~ 125 ° C |
|
Tuku |
5% |
|
Wahanga Mana |
Kakama |
|
Tuhinga o mua |
3 |
|
Tūnga kāpene |
Kotahi |
|
Papamuri |
2.54mm |
|
Takenga PIN |
3 |
|
Ngaohiko - Input (Max) |
40v |
|
Momo Putanga |
Taea te whakarite |
|
Te whakaputa i naianei |
1.5A |
|
Ngaohiko whakauru |
37V |
|
Min Inputid Inputid |
4.2v |
|
Repo |
80db ~ 85db (120hz) |
|
Min Uppar |
1.2v |
|
Tōroa |
9.15mm |
|
Whānui |
4.6mm |
|
Whakapiki te radiation |
Kāo |
|
Ārahi |
Ārahi |
|
Whirihoranga Putanga |
Hua |
|
Te maha o nga kaiwhakahaere |
1 |
|
Nga waahanga tiaki |
I runga ake i tenei wa, mo te pāmahana |
|
Ngaohiko tohutoro |
1.25v |
|
Ko te Whakataunga Whakatuturutanga Taonga Mana (PSRR) |
80db |
|
Roa |
10.4mm |
|
Tae ki te svhc |
No svhc |
|
Te mana o te rohs |
RoHS3 |

|
Tau waahanga |
Whakaaturanga |
Kaimahitaonga |
|
Lm317kc |
3/4 Pin 1.5A te whakatika i te rorohiko tika pai
3-ki-220 0 ki te 125 |
Texas taputapu |
|
Lm317t # pbf |
IC VRED 1.2 V-37 V V Whakahaere Manaakitanga pai, PSFM3,
Kirihou, tae noa ki te-220, 3 pine, whakarite tika te whakahaere paerewa kotahitanga kotahi |
Hangarau Raina |
|
LM317T / NOPB |
IC VRED 1.2 V-37 V V Whakahaere Manaakitanga pai, PSFM3,
Ko te Roshs e tutuki ana, he kirihou, ki te-220, 3 Pin, he whakaputa pai kotahi
Regalour |
National Seconductor Corporation |
|
Lm317t2 |
1.2 V-37V Ka taea te whakatika tika, PSFM3, kirihou,
Ki-220, 3 pine |
I runga semiconductor |
Ko etahi atu taapiri LM317T taapiri:Lm317empKāore,Lm317aempKāore,Lm317lidrKāore, Lm317lmxme etahi atu.
Ka kitea e te LM317 te whakamahi i roto i te rereketanga o nga tono hiko hiko e tika ana kia kaha ki te whakatika i nga taumata huringa whakaputa.I roto i nga taiao maatauranga me nga taiwhanga hikohiko, e tautoko ana i te whakawhanaketanga me te whakamatautau o nga waahanga rereke.Ma te huringa putanga ngawari mai i te 1.25v ki te 37V, he pai ki te whānuitanga o nga mea ka taea.
Mo nga tono e hiahia ana ki te aukati i te waa, ka tukuna e te LM317 te huarahi whai hua me te tika.Ko tenei ahuatanga e whakaatu ana i nga painga ki nga kaitoha hiko me nga punaha whakahaere mana kei te hiahiatia te tiaki i nga mahi kino.Ma te whakauru i tetahi kaiwhakamaori i roto i te raupapa me te whakaputanga e whakarite ana i te mana whakahaere i roto i nga here pumau, e pupuri ana i nga punaha mana me nga taputapu honohono me nga taputapu hono.Ko taua tikanga ka tino whakanui i te taputapu i te wa roa me te tiimata.
Ko te whakakotahitanga o te LM317 e whakawhānui ana i tana whaarangi ki nga kaiwhakarato motuka, kei te whakahaere i nga ngaohiko mo nga motuka DC i roto i nga robotics me nga tautuhinga miihini, te tuku i te mana tere o te motuka.Ko tenei Regalulator e tarai ana i nga whakawhitinga maeneene hei whakatere me te tinihanga, e whakamahia ana mo nga tono e tono ana i nga nekehanga, me nga miihini miihini CNC ranei CNC miihini CNC.Ko tōna kaha ki te whakarato i te mahi o te motuka i raro i te whakarereke i nga tikanga kawenga e whakanui ana i tana whaihua i roto i nga ahuatanga ahumahi rereke.
Ahakoa ona ahuatanga pakari, ko te huringa heke o te LM317 o te LM317 te 2.5v extge 27 me aro ki te aromātai.Ko tenei ahuatanga e pa ana ki tana tono i roto i nga ahuatanga o te ngaohiko te waahi ka iti te rereketanga o te whakauru.Me whakamana e koe ko te huringa whakaurunga e hiahiatia ana e te putanga e hiahiatia ana e tenei uara maturuturu hei whakarite kia pai te whakahaere.I roto i nga keehi ka taea e te ngaohiko te aukati i te mahinga, ka whai waahi ki nga kaiwhakarato iti-whakaheke (LDo), hei whakapiki i nga tikanga hangarau me nga otinga auaha.
Ka kitea e te LM317 te whakamahi whanui puta noa i nga hiko hiko penei i nga PC me nga kaitakaro DVD.Ko te whaikorero me te ngawari ki te mahi ki nga mahi ture mana, ka ahu mai i te mana arorau ki te whakarite i nga huringa mo nga waahanga taapiri.Ko tenei pukenga e whakaatu ana i te mahi a te LM317 i roto i te whakatipu i nga mahi a te taputapu me te pono, te koha ki te mahi kaore i te ngoikore o nga taputapu o te whare.
Ko te kaha o te putanga o te LM317 e taea ai te pupuri tonu i nga putanga o te ngaohiko ahakoa te rereketanga o te whakaurunga, te utaina ranei i nga tikanga, me whakarite nga taputapu hikohiko tairongo.Ko te ture o te ngaohiko te mahi i nga mahi ki nga tono penei i nga kaikorero o te pākahiko me nga taputapu kawe.Ka taea e te taumata huringa pumau te whakawhānui i te ora o te pākahiko me te whakarei ake i nga mahi o te taputapu.
Ko te tatauranga o naianei he mea nui hei aukati i nga tikanga o te kino ka taea pea e nga waahanga porowhita.Ma te whakatikatika aunoa i te whakahaere i nga rerenga o naianei, ka mahi hei whakangungu rakau i runga i nga ahuatanga o te waa kaore i tino kitea.I roto i nga tautuhinga whaihua, e hiahiatia ana i roto i nga waahanga e whakauru ana i nga waahanga rereke me nga whakataunga o naianei, te pupuri i te mahi haumaru me te kore e tino kaha.
Ko te aukati poauau e whakaatu ana i nga take noa penei i te he o nga hononga o te mana kore i te nuinga o te wa e pa ana ki te whakarereke i nga hua, i nga whakaritenga whakatikatika ranei.Ko te hoahoa a tawhio me te tiakitanga e whakaatu ana i te uara o te tiaki poauau ki te whakarite i te roa o te waa-roa me te mahi pono i raro i nga ahuatanga whakahaere.

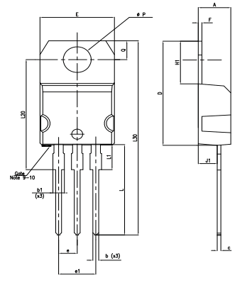
Ki te-220 (nga tohu kotahi)

Ki te-220 (te reera kotahi) raraunga miihini
Ko Stmicroelectrocs e tu ana i roto i te umanga semiconductor, e whakatairanga ana i te whanaketanga me te auaha o te punaha i runga i te hangarau (SoC) Hangarau.Ko nga paanga o te kamupene puta noa i nga momo tono microelectronics, e awe ana i nga umanga a te ao me te poipoi i te whakakotahitanga o nga hangarau rereke.Ko te Stmicroelectrocs he rongonui mo te ahunga whakamua i roto i nga rongoā o te SoC, te whakakotahi i nga momo mahi ki te maramara kotahi.Ko te whakauru i te whakarei ake i te whakapai ake i te mahi, te whakaheke i te whakamahi mana, ka huri i te rahi o te punaha.Ko te whakapumautanga o te stmicroelectrocs ki te whakahoahoa i nga waahi hou i roto i te microelectrocs, te akiaki i te whanaketanga tonu o nga kaha.Ko a raatau kaupapa rangahau me te whanaketanga kaore anake e hiahia ki te whakatairanga i nga hangarau o naianei engari ki te whakatauira i nga tauira hou e rite ana ki te tiaki i nga ra hou e rite ana ki te tiaki i nga ra hou.
Tena koa tukuna mai he uiui, ka whakautu wawe taatau.
He rereke ki te LM337, ka tukuna e te LM317 he whakaputa whakatikatika e mau ana i te tini o te mara hiko.Ka ngawari te hoahoa i nga waahanga tohu i te whakarei ake i nga ahuatanga o te ture, e pai ana ki te rapu i nga otinga whakahaere mana pono.He maha nga wa e pai ai te whakariterite i roto i nga taonga hiko ritenga, i whakanuia mo tana mahi e whakawhirinaki ana.
Ko te kaha o te LM317 ki te whakarato i nga putanga huringa rereke te tino uara.He maha nga whakamahinga i roto i nga tono me te mana motuhake, whakauru, me nga whakaritenga kawenga.Ko enei whakaritenga whakahiatotanga e tino tutuki ana i nga waahanga ahumahi me nga kaupapa DIY e hiahiatia ana, hei whakatutuki i nga hua e hiahiatia ana.
I tetahi wa ka pohehe i tetahi wa, ko te LM317 te mahi a te LM317 hei whakahaere i nga waahanga ngaohiko kano ka taea te whakarite.He mea nui tenei arotahi motuhake ki te ture o te ngaohiko, penei i nga taonga hiko o te taiwhanga, i te ahunga whakamua ranei, e hiahiatia ana i te putanga o nga tikanga whakaurunga.
Ko te LM317T e wehe ana i a ia ano na roto i te whare kirihou ki te 220 kirihou e whakarato ana i nga ahuatanga penei i te roa o te roa me te ngawari ake.Ko enei ahuatanga ka riro i roto i nga ahuatanga ka taea te whakahaere i te wera me te tiaki i te waahi, na reira ko te rerekee o tenei momo i roto i nga ahuatanga e hiahia ana kia pai te mahi ahumoana.
Ahakoa te whakaputanga o te raupapa LM78XX me te Ture Whakatikatika a te LM317, ka whiti te ngawari o muri ki nga waahanga ka hiahiatia hei whakarereke i nga mea e hiahiatia ana.Ko te tino whai hua e whai hua ana ki nga punaha hoahoa e pai ana te whakautu ki nga taiao hangarau hihiri ranei, e tuku ana i nga painga ngawari ki runga i ona hoa pumau.
i te 2024/11/19
i te 2024/11/19
i te 8000/04/18 147776
i te 2000/04/18 112018
i te 1600/04/18 111351
i te 0400/04/18 83777
i te 1970/01/1 79572
i te 1970/01/1 66964
i te 1970/01/1 63104
i te 1970/01/1 63041
i te 1970/01/1 54097
i te 1970/01/1 52187