
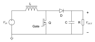
Whakaatu 1. Tirohanga Kaihuri Hiko Motuhake vs
Ko te kaitahuri hiko motuhake he momo ara iahiko hurihuri hiko e whakawhiti ana i te kaha i waenga i te whakauru me te whakaputanga kaore he hononga hiko tika.Ko tana kaupapa tuatahi ko te whakarato i te haumaru hiko me te wehe haruru ma te wehe i te papa whakauru me te papa whakaputa.Ka tutuki tenei wehenga na roto i te wehenga piauau, e aukati ana i te rere tika i waenga i nga taha e rua.Engari i te ara kawe, ka whakawhitia te hiko ma te reo takawaenga, ma te whakamahi i te hononga autō, te hono whatu ranei.Ka awhina tenei hoahoa ki te tiaki i nga waahanga tairongo mai i nga koikoi ngaohiko, nga hapa ranei i te taha whakauru.Ko nga kaitahuri hiko motuhake e tautuhia ana e to raatau kaha ki te pupuri i te mana motuhake o te hiko i waenga i te whakauru me te whakaputa i te wa e tukuna tonu ana te mana whakahaere.
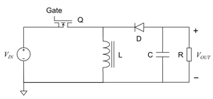
Ko te kaitahuri hiko kore-motuhake he ara iahiko huri hiko i reira te whakaurunga me te whakaputanga e tiritiri hononga hiko tika.Ko tana kaupapa matua ko te whakahaere tika i nga taumata ngaohiko i roto i nga punaha kaore e hiahiatia te wehenga hiko.I roto i tenei hoahoa, ko nga taha e rua he waahi kotahi, ka taea te rere tika i waenga i te whakauru me te putanga.Ko tenei tohutoro tiritahi ka ngawari te hanganga ara iahiko me te whakaiti i te tatau wae.Na te mea karekau he wehenga piauau, ka honoa te whakauru me te whakaputanga i nga wa katoa.Ko nga kaitahuri hiko kore-motuhake ka tautuhia e to raatau ara whakahaere tonu me te turanga noa i waenga i te puna me te uta.

Whakaatu 2. Whakawhiti Whakawhiti Hoahoa
Ka mahi nga kaitahuri taratahi ma te whakawhiti i te kaha ma te hononga autō, kaua ki te kawe hiko tika.Ka tere te huri i te ngaohiko whakauru, ka whakawetohia e te taputapu whakawhiti, ka puta he ia wa-rereke i roto i te awhiowhio tuatahi o te huringa.Ko tenei au hurihuri ka puta he papa autō i roto i te matua whakawhiti, e hono ana ki te awhi tuarua.Ko te papa autō ka whakaawe i te ngaohiko ki te taha tuarua, ka taea te whakawhiti hiko puta noa i te arai wehe.Na te mea kaore he ara whakahaere i waenga i nga awhiowhio, ka mau tonu te wehenga hiko puta noa i te tukanga.Ko te taha putanga ka huri i te tohu whakaawe ki te ngaohiko DC ka taea te whakamahi ma te whakamahi i nga waahanga whakatika me te tātari.Ma tenei tikanga e whakarite te whakawhiti hiko i te wa e pupuri ana i te wehenga piauau i waenga i te whakauru me te whakaputa.

Whakaaturanga 3. Takiwa Whakawhiti Kore-Tatahi
Ko nga kaitahuri kore-motuhake e whakahaere ngaohiko ma te mahi whakawhiti i roto i te ara hiko tonu.Ka tere te huri me te whakaweto o te whakakā semiconductor hei whakahaere i te rere o te hiko mai i te whakauru ki te putanga.I te wa e huri ana, ka penapenahia e te inductor te hiko mo te wa poto i roto i tana papa autō ka tukuna ki te uta.Ka whakamahia nga puri hei whakaene i te putanga me te pupuri i te taumata ngaohiko pumau.Na te mea ko te whakaurunga me te whakaputanga he whenua kotahi, ka puta tika te whakawhiti hiko i roto i nga waahanga iahiko.Ko te tukanga whakawhiti ka whakatika i te huringa mahi ki te whakahaere i te ngaohiko whakaputa kia rite ki nga whakaritenga a te punaha.Ma tenei huarahi ka taea te huri ngaohiko pai me te kore e hiahiatia nga waahanga wehe.
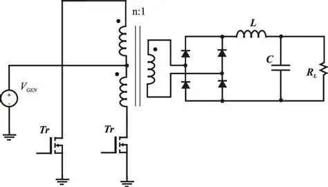
1. Flyback Converter

Whakaatu 4. Flyback Converter Circuit Diagram
Ko te kaitahuri flyback he kaitahuri hiko taratahi ngawari e pupuri ana i te kaha i roto i te hurihanga ka tukuna ki te putanga.Ka whakamahia e ia he kaitahuri me nga awhiowhio tuatahi me te tuarua, kei reira te taha tuatahi e whakahaerehia ana e te taputapu whakawhiti.I te wa e mahi ana te pana, ka penapena tuatahi te kaha ki roto i te huringa katahi ka whakawhitia ki te taha tuarua.Kei roto i te ara iahiko tuarua he diode me te capacitor hei huri me te maeneene i te ngaohiko whakaputa.Ka taea e tenei hanganga te huri ngaohiko me te wehe i roto i te hoahoa kiato.Ko te ara iahiko e whakaatuhia ana e whakaatu ana i te whakaritenga taketake o te hononga whakawhiti, te mana whakawhiti, me te whakatika putanga.Ko nga kaitahuri Flyback e mohiotia ana mo te ngawari me te pai ki nga tono hiko iti-ki-waenga.
2. Kaihuri Whakamua

Whakaatu 5. Hoahoa Arawhiti Whakawhiti Whakamua
Ko te kaitahuri whakamua he kaitahuri hiko motuhake e whakawhiti tika ana i te hiko mai i te whakauru ki te whakaputa i te waa whakawhiti.Ka whakamahia he huringa ka rere te kaha ki te taha tuarua i te wa e kaha ana te pana.Kei roto i te ara iahiko he pana whakahaere i te taha tuatahi me tetahi kaiwhakatikatika me nga waahanga tātari kei te taha tuarua.Kaore i rite ki nga hoahoa e ahu mai ana i te rokiroki hiko, ka tukuna tonu e te kaihurihuri te mana i roto i nga waa whakahaere.E whakaatu ana te hoahoa i te ara marama o te whakawhiti hiko ma te hurihanga ki te wahanga whakaputa.Ko tenei hanganga e tautoko ana i te huringa ngaohiko pumau i te wa e mau tonu ana te wehenga hiko.Ka whakamahia nga kaitahuri whakamua ki te hiahia kia pai ake te kaha me te tuku hiko whakahaere.
3. Pana-Kume Converter

Whakaatu 6. Push-Pull Converter Circuit Diagram
Ko te kaitahuri pana-pull he kaitahuri hiko taratahi e whakamahi ana i nga taputapu whakawhiti e rua hei peia te hurihuri.Kei roto i te kaitahuri hurihuri tuatahi, ka taea te rere o naianei ki nga huarahi rereke i ia huringa whakawhiti.Ka mahi tahi ia pana, ka whakakaha i te haurua o te hurihanga i ia wa.Ko tenei mahi rereke ka whakapai ake i te whakamahinga o te kaihurihuri me te tautoko i te whakawhiti hiko pai.Ko te taha tuarua ko te whakatikatika me te tātari kia puta he ngaohiko putanga pumau.E whakaatu ana te hoahoa i te whakaritenga hangarite o nga whakawhiti me nga awhi whakawhiti.Ko nga kaitahuri pana-pull e whakamahia nuitia ana i roto i nga tono reo-hiko e hiahia ana kia taurite te mahi.
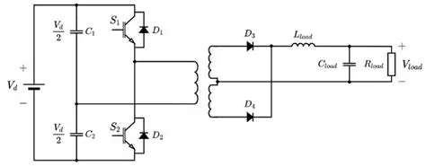
4. Hawhe-Bridge Converter

Whakaahua 7. Haurua-Bridge Converter Circuit Diagram
Ko te kaitahuri haurua piriti he kaitahuri hiko taratahi e whakamahi ana i nga huringa e rua hei peia te kaitahuri mai i te ngaohiko whakauru wehe.Ka wehea e te ara iahiko te tuku whakauru ki nga haurua e rua ma te whakamahi i nga punga, hei tohu tohutoro waenga.Ka mahi tahi nga pana ki te tuku ngaohiko puta noa i te hurihanga tuatahi.Ma tenei whirihoranga ka taea te whakawhiti hiko whakahaere i te wa e whakaitihia ana te ahotea ngaohiko i ia pana.Ka tukuna e te kaihurihuri te kaha ki te taha tuarua, ka whakatikahia, ka tātarihia.Ko te hoahoa e whakaatu ana i te whakaritenga taurite o nga huringa e rua me te atanga whakawhiti.Ka whakamahia nga kaitahuri haurua piriti i roto i nga punaha hiko ngawari-ki-te teitei me te mana whakawhiti pai.
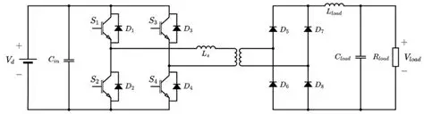
5. Kaitahuri Piriti-Katoa

Whakaahua 8. Whakahoahoa Whakawhitinga Piriti-Katoa
Ko te kaitahuri piriti-katoa he kaitahuri hiko motuhake e whakamahi ana i nga taputapu whakawhiti e wha hei taraiwa i te huringa.Kua whakaritea nga huringa i roto i te whirihoranga H-piriti, ka taea te whakamahi katoa o te ngaohiko whakauru.Ma te huri i nga takirua whakawhiti, ka tukuna e te ara iahiko he ngaohiko arongarua puta noa i te whakawhiti tuatahi.Ma tenei ka taea te whakawhiti hiko pai me te tautoko i nga mahi kaha-kaha.Ko te taha tuarua kei roto ko te whakatikatika me te tātari hei whakaputa i te putanga DC pumau.Ko te hoahoa e whakaatu ana i te whakaritenga whakahuri e wha e hono ana ki te hurihanga me te atamira whakaputa.Ko nga kaitahuri piriti-katoa e whakamahia nuitia ana i roto i nga tono kaha-nui e hiahia ana kia kaha, kia pai hoki te hurihanga kaha.
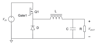
1. Kaitahuri Buck (Taka-Raro)

Whakaahua 9. Buck Converter Circuit Diagram
Ko te kaitahuri peera he kaitahuri DC-DC kore-motuhake e whakaiti ana i te ngaohiko whakauru teitei ake ki te ngaohiko whakaputa iti.Ka whakamahia e ia he taputapu whakawhiti hei whakahaere i te nui o te kaha ka tukuna mai i te puna ki te utaina, i te mea ka awhina te inductor ki te maeneene i te rere o naianei.Ka hoatu e te diode he ara o naianei ina ka weto te pana, ka awhina te puritanga ki te pupuri i te ngaohiko whakaputa.Ko tenei hanganga taketake e hanga ana i te kaitahuri peera tetahi o nga momo kaitahuri hiko hikoi i roto i nga punaha hiko.Kei roto i te whakaritenga ara iahiko he pana, diode, inductor, me te pūnga iahiko e hono ana i roto i te tahora kiato kore-taratahi.Na tenei topology ngawari, ka whakamahia nga kaitahuri peera ki nga waahi katoa e hiahiatia ana te whakaheke ngaohiko pai.I roto i te hikohiko hiko, ka whakatauhia te kaitahuri peera hei otinga whaihua mo te whakaputanga ngaohiko iti mai i te tuku DC teitei ake.
2. Kaitahuri Whakanuia (Taka-Whakarunga)

Whakaatu 10. Whakanuia te Whakawhitiwhiti Hoahoa Arahiko
Ko te kaitahuri whakanui he kaitahuri DC-DC kore-motuhake e whakanui ana i te ngaohiko whakauru iti ki te ngaohiko putanga teitei ake.Ka mahi ma te pupuri i te kaha ki roto i te inductor katahi ka tuku i taua kaha ki te hiki i te ngaohiko whakaputa ki runga ake i te taumata whakauru.Kei roto i te ara iahiko he inductor, whakawhiti, diode, me te capacitor, ka hanga he anga kaitahuri hikoi.I te wa e neke haere ana te hiko i roto i nga huarahi utu me te tukunga o te inductor, ka hangaia te putanga me te pumau mo te kawenga.Na tenei ka waiho te kaitahuri whakanui hei whiringa whanui i roto i te hoahoa whakangao hiko ina hiahiatia he ngaohiko DC teitei ake mai i te puna iti.Ko tana whirihoranga kore-motuhake ka pupuri i te ara iahiko kiato me te hiko tonu mai i te whakauru ki te whakaputa.Mo te maha o nga punaha hiko, ko te kaitahuri whakanui he huarahi tika ki te whakatutuki i nga hikoi hiko pai me te kore he waahanga wehe.
3. Kaitahuri Buck-Boost (Taka-Whakarunga/Whakararo)

Whakaatu 11. Buck-Boost Converter Circuit Diagram
Ko te kaitahuri peera he kaitahuri DC-DC kore-motuhake ka taea te whakaheke, te whakanui ranei i te ngaohiko whakaputa i runga i nga whakaritenga ara iahiko.Ka whakakotahihia e ia nga mahi whakawhiti me te whakawhiti hiko-a-inductor hei whakarato i nga ture ngaohiko ngawari mai i te topology kotahi.Ka whai hua tenei kaitahuri ka eke te ngaohiko whakauru ki runga ake, ki raro ranei i te taumata whakaputa e hiahiatia ana i te wa e mahi ana.Kei roto i tana hanganga ara iahiko he pana, diode, inductor, me te pūnga iahiko kua whakaritea hei tautoko i te huringa takahanga-iho me te huringa-ake.I etahi whirihoranga, ka taea te huri i te polarity whakaputa, i etahi atu ka hangaia te ara iahiko mo te whakaputanga kore-kore.Ko te topology e whakaatuhia ana e tenei momo ara iahiko e whakaatu ana i tona kaha ki te urutau i nga taumata ngaohiko me te kore e whakamahi i te huringa.Na tenei ngawari, ko te kaitahuri peera he momo kaitahuri kore-motuhake i roto i nga hiko hiko hou.
• Ka whakarato i te wehenga hiko i waenga i te whakauru me te whakaputa.
• Te whakapai ake i te haumaru o te kaiwhakamahi me te taputapu.
• Ka awhina i te whakaheke haruru i waenga i nga taha ara iahiko.
• He pai ake te tautoko i te huringa ngaohiko teitei.
• Whakaaetia nga tohutoro whenua rereke ki ia taha.
• He kaha te hangawari i roto i nga punaha hiko.
• He pai mo nga hoahoa tuku hiko maha-putanga.
• Ka awhina i te tiaki iahiko tairongo whakararo.
• Ka tukuna he pai te hurihanga i roto i nga hoahoa maha.
• He iti ake nga waahanga me nga whakatakotoranga ngawari ake.
• Ka whakaiti i te rahi o te ara iahiko me te taumaha.
• Whakahekea te utu hanga me te utu hoahoa.
• Ka tautoko i te whakauru hiko hiko.
• He pai te whakautu i nga punaha DC ngaohiko iti.
• Ka whakangwari ake i te hoahoa papa me te papa-papa.
• He ngawari ki te uru ki nga taputapu hiko mokowhiti.
1. Pūnaha Whakahaere Ahumahi
Ko nga kaitahuri hiko motuhake e whakamahia nuitia ana i roto i nga punaha whakahaere ahumahi penei i nga PLC, nga motuka motuka, me nga taputapu miihini wheketere.He maha nga wa e whakahaerehia ana e enei punaha nga rohe ngaohiko rereke, na reira me wehe te hiko i waenga i nga waahanga mana me te hiko.Ka whakamahia hoki nga kaitahuri kore-motuhake i roto i nga hikoiti iti-ngaohiko e tika ana te ture tika.Ko te mea nui ki roto i nga taputapu ahumahi kei roto i te tuku mana pumau ki te aro turuki, arorau, me nga waahanga taraiwa.
2. Taputapu Waea
Ka whakamahi nga punaha waea i nga kaitahuri taratahi me te kore-motuhake i roto i nga pouara, teihana turanga, nga huringa, me nga waahanga korero.Ka whakamahia nga kaitahuri taratahi ki nga waahanga e hiahia ana te wehe haumaru me te whakahaere haruru i waenga i nga waahanga hiko.He maha nga wa ka whakanohohia nga kaihurihuri kore-motuhake ki te taha o nga tukatuka me nga maramara korero mo te ture ngaohiko rohe.He mea nui enei kaitahuri na te mea ka pa tika te tuku hiko pono ki te tukatuka tohu me te wa mahi whatunga.
3. Hiko Kaihoko
Ko nga taputapu penei i nga pouaka whakaata, rorohiko rorohiko, punaha petipeti, me nga hua kaainga atamai ka whakawhirinaki ki nga kaitahuri hiko hei tuku i nga ngaohiko o roto e hiahiatia ana.He maha nga wa e whakamahia ana nga kaitahuri taratahi ki nga waahanga urutau AC-DC, ki nga taputapu hiko ranei me wehe te taha kaiwhakamahi mai i te taha matua.Ko nga kaitahuri kore-motuhake ka whakamahia i roto i te taputapu mo te huringa ngaohiko o runga.Ko to ratou hiranga ka ahu mai i te whakaahei i te mana kiato, pumau, me te whakahaere tika i roto i nga mahi hiko maha.
4. Hiko Motu
Ko nga waka hou e whakamahi ana i nga huringa hiko i roto i nga punaha infotainment, nga rama rama, nga punaha whakahaere pākahiko, nga pūoko, me nga wae whakahaere.He mea nui nga kaitahuri taratahi ki nga waahanga ngaohiko teitei o nga waka hiko me noho wehe nga waahi hiko rereke.Ko nga kaitahuri kore-motuhake e whakamahia nuitia ana mo te piki ngaohiko ki runga, ki raro ranei i roto i nga iahiko miihini iti-ngaohiko.Ko enei kaitahuri e hiahiatia ana na te mea e hiahia ana te hikohiko miihini ki te mana whakawhirinaki i raro i nga tikanga whakahaere.
5. Taputapu Taonga
Ko nga taputapu rongoa penei i nga kaitirotiro manawanui, nga punaha whakaahua, nga taputapu tātari, me nga hua tiaki hauora kawe e whakawhirinaki ana ki te huringa hiko tika me te pumau.He mea tino nui nga kaihurihuri motuhake i roto i nga taputapu rongoa na te mea he maha nga wa e hiahiatia ana te wehenga hiko i waenga i te taha e hono ana ki te manawanui me te puna hiko.Ka taea tonu te whakamahi i nga kaitahuri kore-motuhake i roto i nga waahanga ngaohiko iti o roto e tika ana te huri tika.He mea nui to raatau mahi na te mea me mau tonu te mana o nga punaha rongoa mo nga mahi hiko tairongo.
6. Pūnaha Pūngao Whakahou
Ko nga punaha hiko o te ra, nga waeine rokiroki hiko, me nga kaiwhakahaere e pa ana ki te whakamahi i nga kaitahuri hiko hei whakahaere i te huringa ngaohiko i waenga i nga puna, nga pākahiko, me nga uta.Ka whakamahia nga kaitahuri taratahi ka hiahiatia te wehenga hiko i waenga i nga waahanga punaha rereke, atanga ranei.He maha nga wa e whakamahia ana nga kaitahuri kore-motuhake i roto i nga huarahi ture DC mo te utu, te aro turuki, te whakamaarama hiko rohe ranei.He mea nui enei kaitahuri na te mea me whakahaere e nga punaha hiko hou te whakarereke i nga tikanga whakauru me te pupuri i te mana whakaputa.
7. Taputapu Rorohiko me te Tukatuka Raraunga
Ka whakamahia e nga tūmau, nga papa whakauru, nga taputapu rokiroki raraunga, me nga taputapu whatunga maha nga reera hiko mo nga tukatuka, mahara, me nga iahiko tautoko.He mea noa nga kaitahuri kore-motuhake i roto i enei punaha na te mea he pai te whakahaere i nga ngaohiko taumata-poari mai i nga pahi DC takawaenga.Ka puta ano nga kaitahuri taratahi i roto i nga waahanga whakawhiwhi hiko matua, i nga atanga korero ranei me wehe.Ko to ratou hiranga kei te tautoko i te mahi pumau o nga punaha matihiko me nga whakaritenga ngaohiko rereke.
8. Aerospace and Defense Electronics
He maha nga wa e whakamahia ana e te hikohiko wakarere, nga puunaha peerangi, me nga taputapu whakamarumaru i nga waahanga whakawhiti hiko motuhake kia rite ki nga whakaritenga a te punaha.He maha nga wa ka kowhiria nga kaitahuri taratahi i te waahi e tika ana te wehenga haumaru, te whakahaere haruru, te whakatuu whenua motuhake ranei.Ka whakamahia hoki nga kaitahuri kore-motuhake i roto i nga waahanga iti-ngaohiko kua whakauruhia ki te waahi me te taumaha.He mea nui enei kaitahuri na te mea e hiahia ana te hikohiko e arotahi ana ki te miihana ki te mana pono puta noa i nga taiao whakahaere uaua.
|
Ahuatanga |
Mana Motuhake
Kaihurihuri |
Kore-motuhake
Kaihuri Hiko |
|
Wehenga
whakatauranga ngaohiko |
Ko te tikanga 500 V
ki te 5 kV arai wehe |
0 V (kao
arai wehe) |
|
Ara hiko |
Pūngao
whakawhitia kahore ara conductive |
Tonu
ara conductive mai i te whakauru ki te putanga |
|
Te kaha o te whenua
rerekētanga |
Ka taea te hapai nui
rerekētanga whenua (>100 V) |
He iti noa iho
pūmanawa whenua (≈0 V rerekētanga) |
|
Haumaru
tautukunga |
Ka tutaki
nga paerewa whakamarumaru whakakaha / taketake (IEC / UL) |
Kaore e pai mo
nga paerewa wehe haumaru |
|
Kaihurihuri
aroaro |
Ka whakamahia te hurihanga
he huānga hono taratahi ranei |
Kaore he huringa
whakamahia |
|
Whakawhiti
awhe auau |
Ko te tikanga 20 kHz
ki te 500 kHz |
Ko te tikanga 100
kHz ki te 2 MHz |
|
Awhe kakama |
~70% ki te 90%
i runga i te topology |
~85% ki te 98%
i runga i te hoahoa |
|
Kiato mana |
Raro na te
wāhanga autō |
Te teitei ake na te
hoahoa kiato |
|
Tatau wae |
Teitei ake (10–30+
nga waahanga angamaheni) |
Raro (5–15
nga waahanga angamaheni) |
|
Te rahi o te tinana |
Nui ake na te
hurihanga me te mokowā |
Iti ake,
Ka taea te whakauru PCB-taumata |
|
Taumaha |
Te taumaha ake na te
matua autō |
Maama me
autō iti |
|
EMI mahi |
He pai ake te wehe
ka whakaiti i te haruru whakahaere |
He kaha ake
whakahaere haruru hononga |
|
Ngaohiko
ōwehenga hurihanga |
Whānui me
ngawari (hei tauira, 400V ki te 5V) |
He iti
awhe tahuri (hei tauira, 12V ki te 5V) |
|
Te whakauru
taumata |
He maha nga wa ka whakamahia hei
kōwae mana motuhake |
Ngawari
kua whakauruhia ki roto i nga kaiwhakahaere-a-IC |
1. Tirohia mehemea e hiahiatia ana te wehenga hiko
Me timata ma te whakatau mehemea me wehe hiko te whakaurunga me te whakaputanga mo te whakamarumaru o te punaha ranei.Koinei te waahi tuatahi me te mea nui i roto i te hoahoa kaitahuri hiko.Mena me aukati te punaha i te whakapiri hiko tika i waenga i te puna me te uta, ko te kaitahuri taratahi te tikanga pai ake.Mena kaore e hiahiatia he wehewehenga penei, ka ranea te kaitahuri kore-motuhake.Ka awhina tenei taahiraa ki te whakawhāiti i te whakatau i runga i nga whakaritenga punaha matua.
2. Tautuhia te Hononga Ngaohiko Whakauru me te Putanga
I muri mai, tirohia nga taumata ngaohiko e waatea ana i te puna me te ngaohiko e hiahiatia ana e te kawenga.Ko etahi o nga punaha e hiahia ana ki te whakarereke ngawari ki raro, ki runga ake ranei i roto i te papa hiko kotahi, e pai ana ki nga hoahoa kore-motuhake.Ko etahi atu punaha he nui ake te rereketanga o nga ngaohiko, nga rohe hiko wehe ranei e pai ana ki nga otinga motuhake.Ka pa ano te hononga ngaohiko ki te kowhiringa topology me te whakatakotoranga punaha.Ma te whainga ngaohiko maamaa ka pai ake, ka tika hoki te kowhiringa kaitahuri.
3. Aromātaihia nga Whakaritenga Haumaru me nga Whakaritenga Ture
Te arotake mehemea me tutuki te hua ki nga paerewa haumaru e pa ana ki te whakamarumaru o te kaiwhakamahi, te whakamaarama, te wehenga taputapu ranei.I roto i te maha o nga punaha whakahaere, ina koa ka uru nga ngaohiko morearea, ka hiahiatia kia wehea e nga ture hoahoa me nga hiahia tiwhikete.Ko nga kaitahuri kore-motuhake he pai ake i roto i nga punaha ngaohiko iti kaore e pa ana aua whakaritenga.He mea nui tenei taahiraa i roto i nga hua mo te iwi whanui, ahumahi, taiao tairongo ranei.Ko te hanganga ture me whai whakaaro i nga wa katoa i te timatanga o te mahi hoahoa.
4. Whakaarohia nga Tepe Mokowā, Taumaha, me te Tahora
Ka kaha te pa o te rahi o te tinana ki te whiringa kaitahuri pai rawa atu, ina koa ki nga hua hiko kiato.Ko nga kaitahuri kore-motuhake he maha nga wa e pai ake ai te hoahoa me noho iti, maamaa, me te ngawari ki te whakauru ki runga PCB.Ka hiahia pea nga kaitahuri taratahi kia nui ake te mokowhiti na te mea ko te nuinga o te waa kei roto etahi atu waahanga autō me nga waahanga e pa ana ki te whakamatao.No reira me arotake te waahi o te poari me te rahi o te papa i mua i to whakatau.Ma tenei taahiraa ka tino uru te kaitahuri kua tohua ki te hoahoa hua.
5. Whakaritea he Utu Utu mo te Waahi Hiko
Ko te tahua moni tetahi atu take nui ina whiriwhiri i waenga i nga kaitahuri hiko motuhake me te kore-motuhake.Ko nga hoahoa kore-motuhake he iti ake te utu na te mea he iti ake nga waahanga me nga hanganga ngawari ake.Ka taea e nga kaitahuri taratahi te whakanui ake i te utu rawa me te utu hoahoa na te taapiri i nga waahanga wehe me te mahi uaua ake.Ko te kowhiringa tika ka whakawhirinaki ki te kaupapa matua o te tono ki te utu iti, ki te taapiri hiko ranei.Ka awhina tenei taahiraa ki te whakataurite i nga hiahia hangarau me nga whaainga utu hua.
6. Whakatauritehia te Kaitahuri ki te Whakamutunga Taupānga
Ko te whakatau whakamutunga ka whakaatu i te taiao whakahaere me te kaupapa o te punaha.Ko te kaitahuri e whakamahia ana i roto i nga taputapu ahumahi, rongoa, ngaohiko teitei ranei ka hiahia mokemoke na nga whakaritenga hoahoa o te tono.Ko te kaitahuri e whakamahia ana mo te ture DC i runga i te papahiko i roto i te hikohiko kiato ka nui ake te painga mai i te huarahi kore-motuhake.Ko te titiro ki te horopaki tono katoa ka awhina i te karo i te kowhiri i runga i te take kotahi anake.Ko tenei taahiraa e hono ana i te momo kaitahuri ki te whakamahi punaha.
7. Te arotake i te Waa-roa Hoahoa Hangawari
He pai hoki ki te whakaaro mo nga whakamohoatanga a meake nei, te roha o te punaha, te whakamahi ano ranei i te hoahoa.Ka taea e te kaitahuri taratahi te whakangawari ake i te wa e tumanakohia ana nga papa motuhake, nga putanga maha, me nga huringa punaha whanui ake i muri mai.Ko te kaitahuri kore-motuhake te mea pai ake ina whakaritea te hoahoa me te arotau mo te mahi kiato.Ka taea e te whakamahere mo nga hiahia a meake nei te whakaiti i nga mahi hoahoa hou me te whakapai ake i te punaha.Ka awhina tenei mahi whakamutunga ki te whakarite kia pai tonu te kaitahuri ki tua atu i te putanga tuatahi o te hua.
Ko te rereketanga nui i waenga i nga kaitahuri taratahi me te kore-motuhake ko te mea kua wehea te whakauru me te whakaputanga hiko.He pai ake te haumaru me te whakamarumaru o nga kaitahuri taratahi, engari he maamaa ake, he iti ake, he pai ake nga kaitahuri kore-motuhake.He rereke nga hoahoa o ia momo e pai ana ki nga ngaohiko me nga hiahia punaha.Ko te whiriwhiri i te mea tika ka whakawhirinaki ki te haumaru, nga taumata ngaohiko, te rahi, te utu, me te pehea e whakamahia ai te punaha.
Tena koa tukuna mai he uiui, ka whakautu wawe taatau.
Ka whakawhitihia e nga kaihurihuri te hiko ma roto i nga papa autō i te wa e wehea ana te whakauru me te whakaputanga hiko.Ka taea hoki e ratou te whakaheke ngaohiko me te tautoko i nga taumata whakaputa maha.
Ae, ka taea e nga kaitahuri taratahi te tautoko i nga putanga maha ma te whakamahi i etahi atu awhiowhio whakawhiti.Ma tenei ka whai hua i roto i nga punaha toha hiko uaua.
Kao, ka mahi tahi nga kaitahuri kore-taratahi me te urunga DC.Me tahuri te AC ki te DC i mua i te whakamahi i nga topologies kore-taratahi.
Ko nga kaitahuri kore-motuhake he pai ake na te mea he maamaa, he pai, he pai hoki mo nga punaha DC ngaohiko iti penei i nga pākahiko.
Ae, he maha nga punaha e whakamahi ana i nga mea e rua.Ko te atamira taratahi ka mau i te haumaru me te hurihanga matua, ko nga waahanga kore-motuhake ka whakahaere ngaohiko i roto i te ara iahiko.
i te 2026/04/8
i te 2026/04/7
i te 8000/04/17 147713
i te 2000/04/17 111720
i te 1600/04/17 111322
i te 0400/04/17 83606
i te 1970/01/1 79256
i te 1970/01/1 66774
i te 1970/01/1 62944
i te 1970/01/1 62820
i te 1970/01/1 54028
i te 1970/01/1 51981