
Irlml2502 i hangaia me te arotahi ki te whai hua me te pono.Ka tukuna e ia he tuukino-iti-ātete, e tika ana mo nga ahuatanga e whakaiti ana i te mana o te mana te kaupapa matua.Ko tenei Mosfet o n-Channel e whakamahia nuitia ana i nga tono e hiahia ana ki te huri me te mahi pumau i raro i nga ahuatanga maha.Ko te hangarau matatau i muri o tenei waahanga ka whakarite kia pai te mahi, ahakoa i roto i nga hoahoa taapiri, whakawhetai ki tana tapuwae iti.Ko te hanganga o te mosfet ka taea e ia te whakahaere i nga taiao, e whakarato ana i nga mahi puta noa i te maha o nga tono.
Ko tana kete micro3 ™ tino whai hua mo nga ahuatanga e piri ana te waahi.Mena kei te mahi koe i tetahi kaupapa i te mea he iti noa te waahi i roto i te hikohiko kawe, i nga kaari PCMCIA ranei - ka pai tenei mosfet.Ko te kōtaha iti o te kete ka ngawari ki te whakauru ki nga taputapu maamaa e mau tonu ana i te whakahaere waimaa, hei awhina i te pai o te taputapu.




I hangaia tenei mosfet me te whakaeke-iti o te-ātete, e awhina ana i te whakaheke kaha i te wa e whakahaerehia ana.Ka kitea e koe tenei whai hua i te wa e mahi ana i nga kaupapa e tika ana kia whakahaeretia te mana whakahaere.
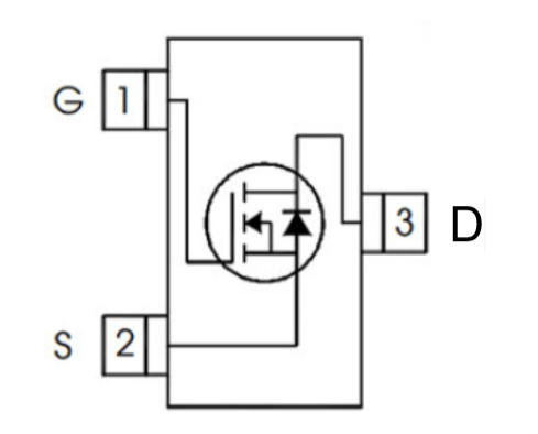
Ko te irlml2502 he mosfet n-hosfet, ko te tikanga ka whakahaere i te waa ma te whakamahi i tetahi ngaohiko pai ki te kuwaha.Ko tenei momo Mosfet e whakamahia whānuitia ana mo te huri me te whakarangatira i nga momo waahanga.
Ko tona tapuwae iti-23 te mea ngawari ki te whakauru ki nga hoahoa taapiri.He tino whai hua tenei ki te mahi koe me nga tono kua tohatohahia, me hiahia ranei ki tetahi waahanga maama.
Ma te iti o te korero iti iho i te 1.1mm, he pai te uru o tenei mosfet ki nga taputapu maamaa.He pai tenei waahanga mo nga hikohiko me nga tono kei reira nga waahanga o nga take o te waahi.
Kei te waatea te IRLML2502 i te taapiri me te reel Paraka, he waatea mo nga raina whakaputa aunoa.Ma tenei e whakarite te ngawari o te whakahaere me te whakanoho i te wa e hangaia ana.
Ko te kaha tere o te huringa tere o te Mosfet e tuku ana mo nga whakawhitinga tere i waenga i nga whenua o waho.Ka kitea e koe tenei waahanga tino nui i te wa e mahi ana i nga waahanga e hiahia ana ki te mahi tere.
Ka whakamahi i te hanganga pūtau mahere ka whakarei ake i tana rohe whakahaere haumaru (saa).Ma tenei e whakarite te mahi pono i raro i nga tikanga rereke, ka awhina koe ki te karo i te kino o nga tini o nga waa, i nga waahanga ranei.
Kei te waatea tenei mosfet ma nga hoa tohatoha, ko te tikanga kaore koe e raru mo o kaupapa.He pai te whiriwhiri me te tino kaha.
Ko te Irlml2502 kua tohungia i muri i nga paerewa a te jedc, na reira ka taea e koe te whakawhirinaki ki te whaikorero me te whakatutukitanga mo te whakamahi mo te waa roa.
Ko tana hoahoa silicon e arotau ana mo nga tono e hiahiatia ana kia huri i raro 100khz.Na tenei ka pai ake te whiringa mo nga waahanga hurihuri iti-roa.
Ko te irlml2502 ka tae mai ki te kete-runga o te paparanga-paparanga, he mea ngawari ki te mahi ma te nuinga o nga hoahoa, te whakarite i te hototahi ki nga punaha me nga waahanga.
Nga whakaritenga hangarau, nga tohu, nga tohu, me nga waahanga whakarite mo te INLML2502TR.
| Tuhinga | Parapara |
| Momo Momo | Maunga Matapihi |
| Paati / Take | Ki-236-3, SC-59, SOT-23-3 |
| Maunga Matapihi | Āe |
| Nga rauemi a Transitistor | Kupu siliken |
| Ko te waa - haere tonu (ID) @ 25 ℃ | 4.2a Ta |
| Te maha o nga waahanga | 1 |
| Pāmahana whakahaere (max.) | 150 ° C |
| Whiu | Tapahia te taapiri (CT) |
| Rārangitanga | Hexfet® |
| Whakaputaina | 2003 |
| Waehere Jesd-609 | e3 |
| Wahanga Mana | Whakamutu |
| Taumata Maha Kore (MSL) | 1 (mutunga kore) |
| Tuhinga o mua | 3 |
| Waehere Eccn | Taringa- |
| Whakamutu mutunga | Matte tin (sn) |
| He taapiri taapiri | Tino whai kiko |
| Tūnga kāpene | Takirua |
| Puka Tono | Wilm Wilk |
| Pikitia te pāmahana (° C) | 260 |
| Te wa @ Takahi Whakamatautau O Templo (s) | 30 |
| Waehere Jesd-30 | R-pdso-g3 |
| Te tohu tohu tohu | Ehara i te tohu |
| Whiringa | Kotahi me te diode hanga-i roto i te |
| Aratau Whakahaere | Aratau Whakanui |
| Momo momo | N-hongere |
| Tono Tono | Hurihuri |
| RPS ON (MAX) @ ID, VGS | 45mω @ 4.2a, 4.5v |
| VGS (th) (Max) @ ID | 1.2v @ 250μA |
| Uput Caupicitance (Ciss) (Max) @ VDS | 740pf @ 15v |
| Taputapu tatau (QG) (Max) @ vgs | 12nc @ 5v |
| Whakanohia ki te ngaohiko puna (VDSS) | 20V |
| Waehere jedec-95 | Ki-236ab |
| Whakawhitihia te-a-roto (abs) (ID) | 4.2A |
| Te rerenga-te puna i runga i te aukati-max | 0.045ω |
| Ka toia te kauri-a-roto (IDM) | 33A |
| Ds pakaru te huringa-min | 20V |
| Te mana wehenga-max (abs) | 1.25w |
| Te mana o te rohs | Kore-rohs tutuki |


| Tau waahanga | Whakaaturanga | Kaimahitaonga |
| Irlml2502tr Waka whakahaere | Trawer Ford-Pānga Tuturu, 4.2a I (D), 20V, 0.045ohm, 1-huānga, N-Channel, Sicon, Micco-3 | Raarangi Rangatira o te Ao |
| IRLML2502PBF Waka whakahaere | Trawer-PāngaWhakaahuatanga-Taonga, 4.2a I (D), 20V, 0-huānga, N-Channey, Sicon-CADIE, Halogen and Lances, Micro-3 | Raarangi Rangatira o te Ao |
| Irlml2502 Waka whakahaere | Trawer Ford-Pānga Tuturu, 4.2a I (D), 20V, 0.045ohm, 1-huānga, N-Channel, Sicon, Micco-3 | Raarangi Rangatira o te Ao |
| IRLML2502GTRPFF Waka whakahaere | Whakawhitinga mara-mana, 4.2a I (D), 20V, 0-huānga, N-Channery, Sicon-CADIOTE, KI TE-AKO, MOBRO-3 | Infoon Technologies ag |
Mena kei te mahi koe me nga motuka DC, ka taea e te Irlml2502 he taapiri awhina.Ko tana tere-kore-tere me te tere tere tere kia pai ai te whakahaere i te tere o te motuka me te kaha.Ka kitea e koe ka taea te whakahaere i nga tono a nga motuka motuka, te pupuri maeneene me te rite tonu.
Ko te Irlml2502 he whiringa pai ina tae mai ki nga kaiwero.Na te kaha o te kaha hurihuri tere, ka awhina i te whakarereke i te DC ki te AC.Ka kite koe i te mahi pai o tenei Mosfet i roto i nga tatūnga e hiahia ana koe ki te mahi pono i roto i te waa.
Mo nga taonga hiko-whakawhiti-ara-ara, ka tukuna e tenei mosfet te ngaro o te mana me te kaha nui ka hiahia pea koe.Ko tana tohu iti me te kete taapiri kia ngawari ki te whakauru ki nga hoahoa SMPS, ina koa ka pa ana koe ki nga waahi uaua.
I roto i nga tono rama, ka taea e te Irlml2502 te awhina ki te whakahaere i te mana e haere ana ki nga kaupapa, ki etahi atu maarama marama ranei.Ka kitea e koe tona kaha me te kaha ki te whakahaere i nga mea e whai hua ana i te wa e mahi tahi ana me nga punaha rama iti me te rahi.
Ko te kaha o te aukati me te kaha o te ao o te Mosfet me te kaha ki te whiriwhiri i nga huringa uta.Ahakoa kei te whakahaere koe i nga mana ki nga waahanga rereke o te taputapu, te whakawhiti ranei i waenga i nga kawenga, ka taea e tenei waahanga te whakahaere maeneene.
Mena kei te hoahoa koe i nga taputapu-pākahiko, ka tukuna e te Irlml2502 te kaha e hiahia ana koe ki te whakawhānui i te koiora o te pākahiko.Ko tona mana iti te tikanga ka taea e to taputapu te roa ake i runga i te utu kotahi, he pai ki te hiko hiko, ki etahi atu punaha whakahaere ranei.

Hangarau Hangarau Inia, i mohiotia i mua ko Siemens Siconductor, e kawe ana i te ahua o te wheako ki te tepu.Ma te arotahi ki runga i nga mahi hou me te ahunga whakamua, kua riro i te infoon te kaiwhakarato nui o nga waahanga microelectronic.Ko te whānuitanga o nga hua ka hangaia hei whakatutuki i nga hiahia o nga ahumahi, mai i te hikohiko kaihoko ki nga tono ahumahi.Ka whai hua tenei Mosfet mai i te pono o Infiaon ki te hanga-kounga nui me te whakawhanaketanga hua.Kei te haere tonu te kamupene ki te whanaketanga i roto i te ahumoana Microelectronics huri noa i te umanga a te Microelectrocs, te tuku i nga waahanga e tutuki ana i nga hiahia o te hangarau hou.Ko ta raatau kohinga hua hua noa kaore noa i te whakauru noa engari ka whakaarohia ano hoki nga taputapu semiconductor, me te whakarite kia kitea e koe nga otinga kua whakaritea ki nga whakaritenga motuhake o to kaupapa
Tena koa tukuna mai he uiui, ka whakautu wawe taatau.
i te 2024/10/24
i te 2024/10/24
i te 8000/04/18 147757
i te 2000/04/18 111934
i te 1600/04/18 111349
i te 0400/04/18 83719
i te 1970/01/1 79508
i te 1970/01/1 66899
i te 1970/01/1 63014
i te 1970/01/1 63010
i te 1970/01/1 54081
i te 1970/01/1 52120