
Te Ad5535abc he 32-hongere, 14-bit dac me te whakanui-hanga-nui-hanga, i hangaia mo nga tono mehua optical.E whakarato ana i tetahi waahanga whakaurunga huanga e whakahaerehia ana e te Ref_in Pin-mai i te 50 v ki te 50 V. I te 4 V. Ko ia hongere e kii ana i te 7 V. Ko ia e pai ana ki te whakahaere i te whakamarumaru whakaata.
Ma te atanga rangatū 3-waea, ka tautokohia e ia nga utu o te karaka tae atu ki te 30 MHz, ko te whakarite i te whakawhitiwhiti korero maeneene me te DSPS me nga Microcontrols.Ka whakahaerehia e Avcc (4.75 v ki te 5.25 v), DVCC (2.7 v ki te 5.25.75 v to -5.25 v ki te 5.25 v), me te VPP (210 V).
Ko te Ad5535ABC he tino tika mo nga punaha whakahaere tino nui.Ko nga ota nui e waatea ana ki a maatau mo te utu whakataetae!

| PIN tau | Ingoa Pouaka | Whakaaturanga |
| A1 | Nc | Kaore he hononga |
| Arahi | Vout1 | |
| A4 | Vout7 | |
| A6 | Vout11 | |
| Ā8 | Vout16 | |
| A10 | Vout20 | |
| A12 | Vout25 | |
| A14 | Nc | Kaore he hononga |
| Pē1 | Vout0 | |
| B3 | Vout4 | |
| B5 | Poraka | |
| B7 | Vout13 | |
| Pē | Vout17 | |
| B11 | Vout21 | |
| B13 | Vout26 | |
| C2 | Pōro3 | |
| C12 | Vout22 | |
| C14 | Vout29 | |
| D1 | Vout2 | |
| D13 | Vout23 | |
| E2 | Ihu nui | |
| E4 | Waka taki | |
| E6 | Vout12 | |
| E8 | Vout15 | |
| E10 | Vout19 | |
| E12 | Vout24 | |
| E14 | Vout31 | |
| F3 | Vout6 | |
| F5 | Vout10 | |
| F7 | Vout14 | |
| F9 | Vout18 | |
| F13 | Vout30 | |
| G14 | Vout28 | |
| H1 | Vpi | |
| H2 | Vpi | |
| H4-H11 | Taupunga | Whenua tā |
| H13 | Vout27 | |
| J3-J12 | Taupunga | Whenua tā |
| K1 | V + | |
| K2 | V + | |
| K3-K14 | Taupunga | Whenua tā |
| L1 | Pō | |
| L2 | Pō | |
| L3-L13 | Taupunga | Whenua tā |
| L14 | Dac_gnd | |
| M1-M12 | Taupunga | Whenua tā |
| M13 | Avcc | |
| M14 | Avcc | |
| N1 | Hg | |
| N2 | Hg | |
| N3 | Kaiaka | |
| N4 | Kāhona | |
| N5-N14 | Taupunga | Whenua tā |
| P1 | Nc | Kaore he hononga |
| P2 | Ref_in | |
| P3 | Dac_gnd | |
| P4 | Tautuhi anō | |
| P5 | DVCC | |
| P6 | Tā | Papa Mamati |
| P7 | Whakamātautau | |
| P8 | Din | |
| P9 | Wero | |
| P10 | Tukutahi | |
| P11-P13 | Taupunga | Whenua tā |
| P14 | Nc | Kaore he hononga |
Ko te Ad5535ABC kua hoahoatia mo nga tono e hiahia ana kia maha nga putanga-nui, e 32 ana nga waahanga DAC 14-Bit DAC.Ma tenei ka taea ai te whakahaere tika ki nga momo putanga, kia pai ai mo nga miihini optical me nga punaha-pana.
Ko ia hongere DAC ka haere mai me te whakakii i te Whakaputanga o te Whakanui-nui, te whakakore i te hiahia mo te whakaurutanga o waho.Ka taea te whakamahere i te nekehanga putanga mai i te 50 v ki te 200 v, i runga i te whakaurunga tohutoro (Reff_in), whakarato i te waatea mo nga tono rereke.
Ko te Ad5535ABC ka whakamanahia kia waiho hei rongoa, ko te tikanga ka piki haere te putanga, ka heke haere ranei te peke kore.Ka whakarite tenei i nga mahi pumau, he mea tino mohio ki nga tono tohu penei i te miihini whakaata me te mahi a te kaiwhakahaere.
Ma te 15 mm × 15 mm csp_bga (te kete maramara-papa, te ad5535aBC e tuku ana i tetahi waahanga hanga taapiri, he ngawari ki te whakauru ki nga papa huringa-waahi.Ahakoa tona rahi iti, ka whakarato i te kaha o te rahinga nui, te tuku mo nga putanga-nui-nui i roto i te kete kotahi.
Ko ia hongere DAC he kaha taraiwa ki te 700 μA, e pai ana ki nga tono e hiahia ana ki nga putanga-nui-nui.Ma tenei ka tino whai hua mo te taraiwa whakaata me nga taputapu o te Electro-Optic, me etahi atu punaha whakatika i hiahiatia ai te mahi whakahaere.
Hei whakarite i nga mahi rite, kei roto i te ad5535AB te taapiri i te diodicon whakakotahi mo te tirotiro pāmahana.Ma tenei e taea ai mo te whakahaere-wa-wa-wa, me te whakarite kia whakahaerehia te taputapu i roto i nga rohe o te pāmahana haumaru, kia pai ake ai te whaikorero mo te wa roa.
Ko te Ad5535ABC e tautoko ana i te atanga rangatū tere-tere me nga reiti karaka tae atu ki te 30 MHz, he hototahi ki te DSPS me nga Microcontrols.Ma tenei ka taea e tenei te whakawhitiwhiti korero, me te whai hua, te whakaiti i te ngawari me te whakapai ake i nga mahi a te punaha.
Ki te 1.2 Whakahoutanga Whakahoutanga Channel Channel, ka whakarite te AD5535ABC ka whakahoutia te tere o ia awa DAC, ki te whakarato i nga waa whakautu tere.He tino whai hua tenei waahanga ki nga tono e hiahiatia ana e te whakatikatika huringa tere, penei i te urungi i te kowhiringa ko te urungi.
Ko te Ad5535ABC e whakaatu ana i te mahi reti tere, ka taea e koe te tautuhi i nga waahanga katoa o te DAC ki te whenua rongonui.Ma tenei ka taea e tenei te whakahoki mai i te punaha mai i nga tikanga ohorere, te aukati i nga hapa me te pupuri i nga mahi pumau.
I hangaia kia mahia pono ki nga momo taiao, ka whakahaerehia te ad5535AB i roto i te pāmahana o te -10 ° C ki + 85 ° C.Ma tenei ka pai ake mo te tono tono, ma te whakarite i nga mahi rite ki te hikohiko me te whakatika.
Nga Taonga Hangarau o nga Aramatanga Anei, Inc., AD5535ABC.
| Huanga hua | Uara huanga |
| Kaimahitaonga | Aneinga Anei, Inc. |
| Ko te kete taputapu taputapu | 124-CSPBGA (15x15) |
| Paati / Take | 124-LBGA, CSPBGA |
| Pūhera | Heri |
| Momo Momo | Maunga Matapihi |
| Tau hua hua | Ad5535 |
| Taumata Maha Kore (MSL) | 3 (168 haora) |
| Awa | Taringa- |
| HTSUS | 8542.39.0001 |

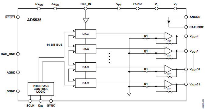
Ko te raarangi poraka Ad55535AB e whakaatu ana me pehea te huri i nga tohu mamati ki nga putanga o te taatai.Hononga Mana (DVCC, Avcc, avc_fin, VPP, PGND, VKo te pahi 14-bit te kai maha o nga DAC, ka huri i nga raraunga mamati ki nga puia Anei.Ko ia putanga DAC e haere ana i roto i te waahanga Amplifier me te aukati (R1 me RF) hei whakarite i nga tohu pumau i mua i te taenga atu o Vout0 ki Vout31.Ko te diode o roto (hede, te caethode) kei te whakauruhia mo te inenga pāmahana, me te arorau o te atanga e whakakotahi ana.

Ka whakamahia te ad5535ABC i roto i te huringa o te whatu-a-whatu hei whakahaere i nga whakaata iti e tika ana te maama.Ko te tohutoro o te tuhinga a te Ref198 e whakarato ana i te whakauru 4.096v i te wa e whakaputa ana te Ad5535ABC i nga putanga ingoa-nui (0V ki te 200v) ma te whakamahi i ona DAC 14-bit.Ko enei putanga ka pana i nga kaiwhakaari whakaata whakaata, te whakatikatika i to raatau turanga.Kei roto i te punaha tetahi sensor e aro turuki ana i nga whakaata, ma te whakamahi i te whaa 4-ki-1 ranei (adg739) ranei he whakarei 32-ki-1 ki te kowhiri i nga tohu.Ko nga tohu kua tukatukahia ka tukuna ki te ADC 8-Channel (AD7856), he taapiri ranei adc (ad7671) mo te hurihanga ki nga raraunga mamati.He DSP (AdSp-21065L) whakahaere i te katoa o te whakahaere, me te whakarite i te mana whakahaere o te huringa optical.
Ko te ad5535ABC e whakamahia whānuitia ana i nga taputapu Mem optical, kei te hiahiatia te mana o te riipene mo te whakaata me te urungi.Ma te whānuitanga o nga waahanga putanga nui me te reiti whakahou tere, ka taea e ia te whakatika maeneene me te tika, hei whiringa pai mo nga tono e hiahia ana ki te whakahoahoa honohono hihiri.
I roto i nga whatunga whakawhitiwhiti korero-muka o te muka, ka whai waahi nga huringa tiriti ki nga tohu.Ko te ad5535ABC e whakarato ana i nga putanga-nui-nui, whakahohea te mahi a te hunga hiko o Mems i roto i enei huringa.Ko tana waa whakautu tere e whakapumau ana kua hurihia nga tohu kaore i te roa, te ngaro ranei o te kounga, te whakapai ake i nga mahi a te punaha.
Ko nga kaiwhakaari o Piezoelectric me whai mana te mana o te whakatau-tino nui i roto i nga tono penei i te whaikorero, te hanga semiconductor, me nga robotics orite.Ko te ad5535ABC e tuku ana i te ngaohiko tika, e hiahiatia ana mo te mana o te nekehanga pai, kia mau tonu ai te whakatikatika i nga tuunga turanga.
Ko nga punaha whakamatautau automotive aunoa e whakawhirinaki ana ki te mana o te ngaohiko-nui ki te whakarite me te whakariterite i nga taumata sensor.Ka awhina te AD5535ABC ma te whakarato i nga putanga-hau nui rawa atu, ka taea e koe te whakarite i nga ahuatanga o te sensor i nga wa o te tātaritanga ahuru me te whakamaoritanga.Ko te kaha o te waa-kore e pai ana mo te whakahaere i nga waahanga whakamatautau maha, ko te whakapai ake i te kaha ki nga huinga whakamatautau aunoa.

Ko nga Raarangi Ad5535ABC e whakaatu ana i te rahi o te tinana me te papaaho o te BGA CHIP (POP SID Brid).Ko te tirohanga o runga e whakaatu ana ko te maramara he 15mm X 15mm Square.Ko te tirohanga o raro e whakaatu ana i te papa o te poro, i te wa e whakarite ana ia PIN ki te rarangi a ki te P me nga pou 1 ki te awhina i te kokonga A1.Ko te tirohanga taha (taipitopito a) ka whakawhiwhia ki nga inenga o te pōro, te coplanity, me te raima noho, ko te rahi o te pōro ko te 0.46mm i roto i te mata o te 0.60mm.Ko te kete e whai ana i nga paerewa mo te 192-aae-1, me etahi o nga mea rereke kua tohua e te Asterisk.Ko enei korero ka awhina i te whakarite me te whakarereke i te wa e piki ana te maramara ki te poari porohita.
| Tau waahanga | Kaimahitaonga | Nga waahanga matua | Whakamahia te keehi / tuhipoka |
| Ad5532hsabcz | Anulog Agoces Inc. | Ko te 74-CSPBGA (12x12) te taputapu kapi i hangaia mo te hurihanga a-roto-ki-tohora.Kei roto i te hoahoa papa-maunga mo nga tono taapiri. | He pai mo nga punaha whakahaere tika, te ahonoa Ahumahi, me te Tohu Tohu Tohu Nui. |
| Ad55322abcz-5 | Anulog Agoces Inc. | He tika-tika te DAC i te kete 74-CSPBGA (12x12) te kete, e whakarato ana i te hurihanga tohu pono me te pumau.Ka tae mai ki te kete taapiri mo te mahi ngawari. | He pai mo te taonga, taputapu whakamatautau aunoa, me nga tono tukatuka tohu tohu. |
| Ad5532bbbb-1 | Anulog Agoces Inc. | Whakatakotoranga 74-CSPBGA (12x12) te papa-Maunga DAC me te kaha o te mahi me te kaha o te tukatuka tukatuka tika. | Whakamahia ai i roto i nga punaha whakawhitiwhiti, nga waeine whakahaere ahumahi, me nga taputapu inenga kawa. |
Ko nga taputapu Aneilog, Inc. he kamupene rangatira i roto i te tukatuka tohu me nga hikohiko teitei.Ki nga tekau tau o te wheako, e aro ana te kamupene ki te whakawhanake i nga rongoā semicondictor matatau e rite ana ki nga whakawhitiwhitinga, hauora, automative, me nga miihini.E mohiotia ana mo te tino tika me te pono e whakarato ana i nga tuhinga taatai e whakarato ana i nga waahanga tapahi e awhina ana ia koe ki te hanga i nga punaha whai hua me te mahi nui.Ahakoa kei te mahi koe i runga i te Mems, te hurihanga raraunga, te whakahaere mana ranei, ka hangaia o raatau hua ki te tuku i nga hua riterite me te tika ki nga tono tono.
Ko te ad5535ABC he kaha e 32-hongere ki te putanga-nui, he pai te whiriwhiri mo nga tono penei me nga tohu whakaata me te whakataurite.Kei te tuku i nga huringa ngaohiko ngawari, he atamira rangatū tere, me te whakatipu-hanga, te whakarite kia pai te mahi.Ma tana hoahoa whakahiato me te mahi pono, he pai ki nga punaha hikohiko e hiahia ana kia pai te whakahaere.Mena kei te rapu koe mo te DAC tino mahi mo to kaupapa, ko te Ad5535ABC he whiringa totika.
Tena koa tukuna mai he uiui, ka whakautu wawe taatau.
Ko te ad5535ABC he DAC e 32-home i hangaia mo nga tono e hiahiatia ana Ko te mana o te ngaohiko-nui, penei i te whakaata whakaata i te whakanoho, te optical hurihuri, me te mahi whakahaere.
Ko te whānuitanga nekehanga putanga ka whakawhirinaki ki te ngaohiko ref_in.Ka ref_in IS 1V, ka taea e te putanga ake te 50v, a, ko te ref_in he 4V, te putanga tae ki te 200v.
Ka whakamahi i te atanga rangatū 3-waea waea (sclk, din, tukutahi) me Ka tautokohia nga utu o te karaka tae atu ki te 30 mhz, ka taea te whakawhitiwhiti korero ngawari ki Microcontroller me DSPS.
Ka whakahaerehia me AVCC (4.75V ki te 5.25v), DVCC (2.7V ki te 5.25v), v + (4.75v ki te 5.25v), v- (-4.75v ki -5.25v), me te VPP (tae atu ki te 210v) ki te mana Te putanga-nui-nui.
Ae, kei roto i te diode o roto (herode me te caetde) mo te inenga pāmahana, te awhina i te whakahaere pūmau.
i te 2025/03/7
i te 2025/03/6
i te 8000/04/18 147778
i te 2000/04/18 112038
i te 1600/04/18 111352
i te 0400/04/18 83794
i te 1970/01/1 79602
i te 1970/01/1 66978
i te 1970/01/1 63113
i te 1970/01/1 63044
i te 1970/01/1 54097
i te 1970/01/1 52198