
Ko te Hononga HT12E RF te waahanga nui kei te ao o RF me IR nga punaha whakawhitiwhiti korero.Ko tana mahi matua ko te whakauru i nga tohu ki te hanganga 12-iti, ka taea te tuku raraunga haumaru me te pono.Ko tenei tukanga whakauru ka whakarite i nga raraunga whakawhiti ka whakaritea i roto i te whakatakotoranga e mohiotia ana, e taea ana e nga waahanga whiwhi.Ko te HT12E e mahi ana i tana hoa, ko te decoden HT12D iC, ko te waihanga i tetahi hononga whakawhitiwhiti korero i waenga i te whakawhiti me te whiwhi taputapu.Ko tetahi painga nui o te HT12E ko tona kaha ki te huri i nga whakauru raraunga rite ki nga putanga rangatū, he waahanga e whakarei ana i te pono o te raraunga me te haumaru.Na tenei ka whai hua nui ki nga tono penei i nga mana whakahaere me nga punaha whakaohooho, kei te hiahiatia te tuku tohu me te whakawhirinaki mo te mahinga tika.

|
PIN tau |
Ingoa pin |
Whakaaturanga |
|
1 ki te 8 |
A0, A1, A2, A3, A3, A4, A5, A6, A6, A7 |
Koinei nga waahanga o te wāhitau 8-bit i whakamahia hei tiaki i nga raraunga.
Ko enei waahanga me whakanoho i roto i te tauira kotahi i runga i te kaimau me nga mea taapiri ki
takirua. |
|
9 |
Whenua / VSS |
Hono ki te papa o te waahi. |
|
10 ki te 13 |
AD0, AD1, AD2, AD3 |
Ko enei pi e wha ka whakamahia hei tuku raraunga.Ko nga raraunga kua whakauruhia
Anei ka whakatauhia i runga i te HT12D i te tiritiri i te taua waahi. |
|
Rongo 14 |
Whakawhiti (te) |
Me hono tenei pine ki te whenua (0V) kia taea ai te
Tuhinga o mua. |
|
15 me te 16 |
Ko te Oscillator te 1 & 2 |
Ko te IC he Oscillator i hangaia.Tūhono i enei titi e rua
na roto i te arai 1m hei whakamahi. |
|
17 |
Whakaputanga |
Ko nga raraunga whakauru 12-bit ka taea te whiwhi mai i tenei
PIN. |
|
Ng 18 |
VCC / VDD |
Ka taea e tenei titi te ic, te nuinga o te 5V e whakamahia ana.Taea te whānuitanga
Mai i te 2.4v ki te 12v. |
|
Āhuatanga |
Whakaaturanga |
|
12-bit whakamuna |
I hangaia kia whakamahia me te HT12D mo te whakauru raraunga. |
|
Nga raraunga whakauru |
Kei roto i nga waahanga raraunga 4 me te 8 nga waahanga waahi, e hanga ana i te katoa
o 12 nga waahanga (8 + 4 = 12 nga waahanga). |
|
Whakawhiti Ahokore |
Ko te nuinga o te tuku mo te RF me te Whakawhiti Ahokore
Tono. |
|
Hokona te waahanga ngaohiko |
Whakahaerehia me te whānuitanga o te kohinga totika mai i te 2.4v ki
12V, ka whakamahia te 5V te 5V. |
|
Tuhinga o mua |
Ka pau i te waa o te waa o te 0.1μa i Vcc = 5V,
te whakarite kia whai hua te kaha. |
|
Kōwhiringa mōkihi |
Kei te waatea i roto i te 16-pine me te 20-pine o nga paanui mo te
whakaurunga ngawari ki nga waahanga porohita. |
• PT2262
• 74c922
Ko te HT12E IC e whakamahia whānuitia ana i roto i nga punaha whakawhiti raraunga, ina koa i te RF me nga whakawhitiwhiti korero ahokore me nga tono whakahaere mamao.Ka takirua me te decoder HT12D hei hanga i te anga haumaru, ma te whakamahi i te whirihoranga-a-waahi hei aukati i te uru kore.Ko nga whakamahinga noa ko nga tatau karati, te miihini kaainga, me nga punaha rama, kei te waatea te tikanga taapiri ngawari ngawari ki te whakamahi me te pono.Ahakoa te tautoko noa i te tuku raraunga 4-bit anake, he mea pai mo nga punaha whakahaere mo nga waahanga poto e whakarite ana i te haumarutanga me te mahi.He maha nga wa e whakarite ana i nga tautuhinga wāhitau ki te whakatutuki i nga hiahia o te kaupapa motuhake, ko te mahi i te HT12e he whiringa mohio mo nga tono e hiahia ana i te tino uaua me te pakari o te pono.
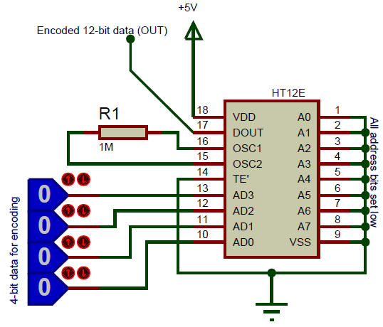
Ko te Hononga HT12E AC he waahanga nui mo te tuku raraunga i roto i nga punaha whakahaere mamao.Hei whakahaere i te reira, hono atu i te IC ki te puna kaha 5V pumau me te whenua ka taea te titi hei whakahohe i tana aratau tuku raraunga.Ko te oscillator o roto e hiahia ana ki te miihini 1M e hono ana ki nga pine OSC1 me te OSC2 me te whakarite kia pai te waa me te whakatutukitanga o te waa.Mo te whakauru raraunga, whakamahia te whirihoranga 4-bit i runga i nga pine i runga i te PING AD0-AD3, me te hono ki te Wāhitau Ora (A0-A7) kia tau ki te wahitau a Decoder kia kore ai e hapa nga whakawhitiwhiti korero.Ko nga raraunga whakauru ka puta mai i te PIN raraunga ka taea te tuku ki te kaikohuru HT12D ma te hononga honohono, hangarau ahokore penei i te RF, i Ir ranei.Ahakoa he pono nga hononga o nga hononga mo te tawhiti poto, ko nga tikanga ahokore ka kaha ake, ka whai kiko, ka pai ake mo te maha o nga tono.

He hoahoa hononga mo te HT12E IC
Ko te Hit12E Kaitirotiro e whakamahia whānuitia ana i roto i nga punaha whakahaere mamao penei i nga kaera waka waka hei whakapai ake i te mahi.Ka hurihia e ia nga raraunga taapiri hei whakarite mo te whakawhiti RF, kia pai ai te whakawhitiwhiti korero i waenga i te tawhiti me te kaiwhiwhi.Ka whakatauritea ki nga punaha ingoa, ka tere te tuku i te HT12E me te kaha ake o nga mahi.
I roto i te Automation Kaainga, ka whai waahi te HT12E ki te huri i nga raraunga rangatū mo te whakauru i nga punaha.Ka taea e ia te whakahaere i nga mahi maha o nga mahi, penei i te huri i nga rama i runga, i te tango ranei i nga taputapu taapiri mamao.Kaore tenei enstander anake te whakarei ake i te waatea engari e whakatairanga ana i te mana whakahaere o nga punaha kaainga, te whakatutuki i o hiahia mo te whakamarie me te pumau.
Ko te HT12E te whakapai ake i nga punaha haumarutanga, penei i te tahae me nga whakaoho ahi, ma te whakarite i te whakawhiti raraunga tika me te tika.Ko te whakaurunga pono e whakarite ana i nga tohu ohorere, penei i nga tohu wawao, ki nga whakatupato ahi ranei, e tukuna ana ki te aro turuki i nga kaikorero mo nga kaikorero ranei.Ka whakarei ake tenei i te haumaru me te whakautu i nga punaha penei i nga ahuatanga nui.
Ko nga aromutanga mara e whakaatu ana ko te HT12E te tuku i nga mahi pono, ara i nga taiao wero me te pokanoa hiko.Ko tona oranga me te mohio puta noa i nga momo tono ka waiho hei otinga tuuturu i roto i te whakawhitiwhiti ahokore, hihiri ki te torotoro i nga whakamahinga me te whakanui i ona painga.

Tena koa tukuna mai he uiui, ka whakautu wawe taatau.
i te 2024/12/20
i te 2024/12/20
i te 8000/04/18 147770
i te 2000/04/18 111999
i te 1600/04/18 111351
i te 0400/04/18 83767
i te 1970/01/1 79560
i te 1970/01/1 66958
i te 1970/01/1 63098
i te 1970/01/1 63039
i te 1970/01/1 54095
i te 1970/01/1 52179