
He rua-huarahi whakawhiti Ka taea e koe te whakahaere i tetahi rama kotahi, i te utunga hiko ranei mai i nga waahi e rua.Ka whakamahia e ia e rua nga SPDT (kotahi te pou Tīparoa Takirua) Ka huri ngatahi i roto i te waahi kotahi.E toru nga waahanga o ia huringa: L1Kāore, L2, me Comato (noa).Ma te huri noa i te whakawhiti, ka taea e koe te whakaoti, te pakaru ranei i te waahi, ka taea te huri i te maama ki te huri i tetahi waahi ranei.

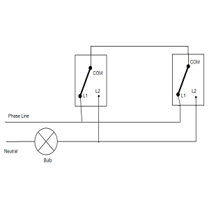
Whakaahua 2. E rua-huarahi hurihuri me nga waahanga
I te ahua, ko te tuara o te huringa e whakaatu ana i nga waahanga matua e toru: L1 me te L2 (i whakamahia ki te hono i nga waea haere) me te com (e hono ana ki te waea ora ranei.I te wa e whakamahia tika ana nga huringa, ka huri tetahi ki te whakarereke i te huarahi o te waa, te whakahaere i te maama mai i nga pito e rua.Ahakoa kei te piki haere te rongonui o nga punaha rama maamaa, kia rua nga huringa e whakamahia katoatia ana.He maamaa, he mea e whakawhirinaki ana, e kore e hiahiatia he punaha, he honohono ranei.
Ko te punaha whakawhiti-rua ka taea e koe te whakahaere i tetahi maama mai i nga waahi e rua.E toru nga waahanga o ia huringa: kotahi (com) me nga kaihaerere e rua (L1 me L2).Ko nga huringa e rua e hono ana e nga waea haereere (L1 ki te L1, L2 ki te L2).Ko te waea ora (te Wahanga) e hono ana ki te huringa noa o te whakawhiti 1, a ko te huringa noa o te hurihuri 2 e hono ana ki te rama.Ko te rama o te rama ka haere ki te koretake.Ka huri te marama i te wa e rere ana nga huringa e rua ki te waea haereere (L1-L1, L2-L2) ranei, e whakaoti ana i te waahi.Ka tahuri atu i te wa e hono ana nga huringa ki nga hunga haereere rereke, ka takahi i te waahi.Koinei te tikanga ka taea e te huringa te huri i te maama ki runga, ki waho ranei, ahakoa ko te tuunga o tetahi atu.

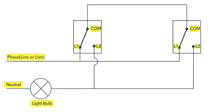
Whakaahua 3: Tuhia nga tohu whakawhiti-rua
Ko tenei huinga e mahi penei i te Gate Gate: Kei te rereke te maama i te wa e rere ke ana, ka rite ki ta raatau.He tino miihini, kaore he hikohiko, he taputapu ranei e hiahiatia ana.He maamaa, he pono, me te whanui i roto i nga waahi penei i nga tiriti me nga huarahi.Ko te raarangi e whakaatu ana i te waahanga hono ki te whakawhiti i nga mea noa, ko nga kaihaere i waenga i nga hurihuri, a, ko te putanga mai i te hurihuri 2 e haere ana ki te rama.Ka whakaoti a Nutral i te waahi i tera taha o te rama.
E rua nga huarahi matua hei waea i te waahanga whakawhiti rua-ara: te tikanga 3-waea me te tikanga 2-waea pakeke.
Koinei te tikanga pai mo te whakaurunga hou.I roto i tenei huinga, ka hono te waea (Live) ki te taha tuatahi i te huringa tuatahi, i te wa e hono ana te huringa tuarua ki te rama rama.Ko te waea wailral e hono tika ana mai i te puna kaha ki tera taha o te umanga.Ko nga huringa e rua e hono ana e nga waea haere e rua, honoa te L1 ki te L1 me te L2 ki te L2 ki te hurihuri e rua.
Ko tenei tikanga ka mau tonu nga kaiwhakahaere katoa i runga i te waahi kotahi, me te whakarite i te huringa rite me te mahi haumaru.Ka aro ano hoki ki nga waehere hiko hou me te whakaiti i te wawaotanga.Na te mea he ma te horoi me te arorau, ka pai ake te tiaki me te whakahoutanga penei i te whakauru i nga huringa SMART.
Ko te hoahoa e whakaatu ana i te huinga waea 3-3 hou.Ko te waea ora e huri ana i te com's, e rua nga waea haere i waenga i te L1 me te L2 o nga huringa e rua, a ka puta te putanga mai i te COM 2Ko te waea kore e rere tika ana ki tera taha o te rama rama.I te wa e huri ana nga hurihuri, ka oti te huringa me te marama o te marama;te whakarereke i te hurihuri hurihuri ranei ka whakaora i te rere.

Whakaahua 4. Te tikanga waea 3 hou
Ko te Tikanga 2-Taonga Waea he rite tonu te ahua o nga kaainga tawhito i kitea i roto i nga kaainga tawhito.I roto i tenei huinga, kei te hono te aukati i te hunga haere (L1 me L2) i waenga i nga huringa e rua, penei i te tikanga hou.Heoi, ko nga tikanga noa e whakamahia ana: ka hono tetahi ki te waea ora (waahanga), ka hono atu tetahi ki te uta (rama rama).
Ko tenei tikanga e mahi ana i te taua ki te whakawhiti: ka huri te marama ki runga ranei i te waahi o nga huringa.Engari na te mea ka puta mai te mana me te kawenga mai i nga waahanga rereke, ka taea e tenei tatūnga te whakauru i nga tupono haumaru.Ka waihangahia pea te LOOP Vaoop, nga ngoikoretanga o te ngaohiko, te wawaotanga ranei he kino rawa atu i te wa e tiakina ana, e whakahoutia ana ranei.He uaua ake ano te whiu i nga hapa, i te mea kaore i te waahanga o te waatea o te waatea.
I roto i te hoahoa, ka hono atu te waea ora ki te tauranga noa o te huringa tuatahi, i te wa e hono ana te huringa tuarua o te huringa tuarua ki te maama.Ko nga waea haere e rua e rere ana i waenga i te L1 me te L2 o nga huringa e rua.Ka haere tika te waea Nutral mai i te puna kaha ki te rama.Ahakoa ko tenei tahora ka penapena waea, ka piki ake te awangawanga me te haumaru.

Whakaahua 5: Te tikanga 2-taonga waea
Ko te huringa rua-gang e rua nga waahanga o te huringa totika o te huringa Spdt, ka whakamahia i roto i nga papa taiepa.E toru nga waahanga o te mutunga: com (noa), l1, me te l2.I roto, ka raru te hononga i waenga i te com me te L1, l2 ranei.
I te wa e takirua ana me tetahi atu Spdt Spdt, e mahi ana i te ara ano he waahanga rua-ara-rua.He maha nga wa e whakamahia ana i nga waahi taapiri, penei i nga whare noho, te whakauru ranei i nga whakaurunga, kei te iti noa te ruma o te moana.Ka taea hoki e te huringa te mahi i roto i te whakarite-kotahi ma te whakamahi i nga waahanga e rua anake (com me te l1).
Me whakarite tika te whakaurunga.Ko te whakamahi i te aukati he ka taea te aukati i te huringa mai i te mahi tika, i te waa ranei i nga waahanga poto.Ahakoa tona rahi iti, ka tukuna e tenei huringa te mana e rua-huarahi i te wa e tuku ana i te whakahoahoa me te whakauru ngawari o te roopu.

Whakaahua 6
Ka taea te whakahaere te rama i te neke atu i te rua o nga waahi, ka uru mai te hurihuri maha.Ka taapirihia e tenei punaha tetahi, neke atu ranei nga huringa takawaenga i waenga i nga huringa matua e rua.
Ko nga huringa takawaenga te nuinga o te DPDT (takirua takirua takirua) nga momo.Ko enei huri noa i te whakawhiti, te pupuri ranei i nga huarahi waea haere, i runga i to raatau turanga.Ko te punaha katoa ka hangaia he huarahi e kati ana, e whakatuwhera ana ranei i runga i te whakahoutanga o nga huringa katoa e pa ana ki a raatau.
He noa tenei huarahi i roto i nga waahi nui penei i nga whare putunga, nga maaka roa, nga ruma ranei me nga tomokanga maha.Ahakoa he uaua ake ki te waea waea, ka tukuna e ia te mana ngawari mai i tetahi waahi.Ko te tuhi i nga whakaahua me nga tohu tohu me te tapanga maamaa e hiahiatia ana, me te he i tetahi waahanga ka taea te aukati i te punaha mai i te mahi katoa.

Whakaahua 7. Te hurihuri maha
|
Āhuatanga |
Kotahi-ara whakawhiti |
Rua-huarahi whakawhiti |
|
Ngā Putanga Mana |
Te whakahaere i te maama mai i te waahi kotahi |
Te whakahaere i te maama mai i nga waahi rereke e rua |
|
Momo Whakawhiti |
SPST (kotahi te pou kotahi) |
SPDT (Kotahi Kotahi Tuhi Tuarua) |
|
Tuhinga o mua |
2 |
3 (COM, L1, L2) |
|
Whirihoranga Matapihi |
Ngawari;Ko te raina kotahi e hono ana, e hono ana ranei i te mana ki te
te kawenga |
Ko nga waea haereere ka hangaia he kete;Ko nga huringa e rua e awe ana i te
arā iahiko |
|
He matatini |
Pāpaku;He iti ake nga waea me nga hononga taapiri |
Teitei ake;me nui ake te tuhi me te whakamahere i waenga
huri |
|
Whakawhiti i te whanonga tūnga |
Kua tautuhia te tūnga / OFF te tohu |
Kaore i whakaritea ki runga, ki waho ranei;ka whakawhirinaki ki te ahua o tetahi atu
pana |
|
Nga utu whakaurunga |
Raro;He iti ake nga waahanga me te iti o te mahi
|
Teitei ake;He maha nga taonga me te waa whakaurunga |
|
Te wa whakauru |
Tere ki te tāuta;Nga waahanga iti e hiahiatia ana |
Te wa ka pau te waa mo te waea taapiri |
|
Nga whakaritenga o te waahi |
Whakaiti;Ko te pouaka Whakawhiti Paerewa e uru ana |
Me whai waahi mo te whakawhiti mo nga waea haere i waenga i nga waahi |
|
Te mana whakahaere hiko |
Ko te whakahaere i tetahi kawenga mai i tetahi waahi |
Ko te whakahaere i tetahi kawenga mai i nga waahanga motuhake e rua |
|
Te ngawari o te whakamahi |
He tino ngawari;Ko te peke ake kei runga, ko te peke ki raro (he mea nui ranei
versa) |
He ngawari tonu te whakamahi, engari ko te / atu pea ka rereke te ahua o te tokorua
Nga Tikanga Whakawhiti |
|
Tohu Kore |
He iti ake;Ko te hoahoa ngawari e whakaiti ana i nga hapa waea |
He matatini;Ko nga waea taraiwa e kore e taea
mahi whakakore |
|
Te ngawari me te tauiī |
Whāiti;e kore e taea te tuku atu ki te neke atu i te kotahi o te
mana whakahaere |
Ngawari;ka taea te whakawhānui ki te 3 neke atu ranei nga tohu whakahaere ma te whakamahi
Huringa takawaenga |
E rua-huarahi e whakaatu ana i te mana o te rama rama mai i nga waahi e rua, ka pai ake i roto i nga tautuhinga noho noho me nga tauhokohoko.Ko nga tauira noa ko:
Ko nga papaahi tetahi o nga waahi pai hei whakamahi i nga huringa e rua.Mena kei a koe nga papa i te kainga, e mohio ana koe ka taea te raru me te kino ki te haere ki runga, ki raro ranei i te pouri.Ma te hurihuri e rua, ka taea e koe te huri i te rama ki raro o te arawhata i mua i to haerenga atu, ka huri atu i te tihi.Ranei, ki te haere koe ki raro, ka taea e koe te huri i te maama ki runga, ka huri i te raro.Ma tenei ka pai ake te haere i runga i nga pikinga, ina koa i te po ka pouri te whare.
I roto i nga ruma hotera, ko nga huringa e rua-huarahi e pai ake ai nga mea mo nga manuhiri.Ko tetahi huringa ko te tatau i te tatau ka haere koe, ka tata tetahi ki te moenga.Ko te tikanga ka taea e koe te huri i nga rama i te wa e uru ana koe ki roto i te ruma, ka huri atu i te moenga.He tino awhina tenei i te wa e ngenge ana koe, kua rite ranei ki te moe.Ka whakawhiwhia hoki ki te ruma he hoahoa whakamarie me te whakaaro nui, ka nui ake te whakaaro o nga manuhiri i te kainga.
Ko nga whare tuwhera-mahere he nui nga waahi kei reira te kihini, te kai, me nga waahi noho.He maha atu nga waahanga o enei ruma i roto i te neke, na he awhina nui kia taea ai te whakahaere i nga rama mai i nga waahanga rereke.Hei tauira, ka huri pea koe i nga rama mai i te ara, ka huri atu i te taha kihini.Ko nga huringa e rua-ara e ngawari ana ki te whakahaere i te rama ahakoa ko tehea te huarahi ka haere koe ki waho ranei.He maha nga whakamarie ka taea e koe te awhina i a koe ki te penapena hiko, mai i te mea kaore koe e wehe i nga rama i te wa e kore koe e whakamahi.
Kei te pukumahi nga karaati me nga awheawhe kei reira nga taonga toa, mahi ki nga kaupapa, ki te whakanoho waka ranei.He maha tonu atu i te kotahi o te tatau, penei i roto i te whare me te tangata e tuwhera ana ki te takiwa.E rua-huarahi e huri ana i te mea ngawari ki te huri i te maama mai i te tomokanga ranei.He tino whai hua tenei ki te ki tonu o ringaringa, ki te mea he pouri te waahi, he uaua hoki ki te neke haere ma te haumaru.Mo te hunga e whakamahi ana i a raatau karati, awheawhe ranei, ka taea e tenei momo tohu rama te ngawari me te haumaru ake.
Ko nga waahanga o waho penei i nga hikoi, me nga huarahi kari, me nga huarahi e hiahia ana ki te maama i te po mo te haumaru me te haumaru.Ki nga huringa e rua-huarahi, ka taea e koe te whakahaere i enei rama mai i te whare me tetahi atu waahi ano he kuaha, i te karati ranei.Hei tauira, ka taea e koe te huri i nga rama rama i mua i te wehe i te whare ka huri atu i a koe i waho.A, ki te hoki koe ki te kaainga i te po, ka taea e koe te huri i nga rama i te kuwaha ka peka atu ka uru koe ki roto.Ka awhina tenei i a koe kia kaua e haere i te pouri, me te pupuri ano hoki i to kaainga ma te whakarite kia pai nga waahi o waho.
Hei whakauru i te punaha whakawhiti-rua-huarahi kia pai:
1. Kohikohia nga taputapu katoa me nga taonga katoa
I mua i to tiimata, kia mohio kei a koe nga mea katoa e hiahia ana koe.Ka hiahia koe kia rua nga spdt (kotahi te pou rua) ka huri te rua, he roa o te taura e toru-core (kei te noho tonu, me nga taputapu haumaru.Ko te whiwhi i o rauemi katoa ka rite ki te awhina i a koe kia arotahi me te karo i nga hapa kaore e pai ana, e whakaroa ana ranei.
2. Tahuri te mana matua i te wahanga o te wahanga
Me tiimata tonu ma te huri i te hiko mai i te punaha mana nui.Koinei te taahiraa haumaru tino nui.Ko te mahi me nga waea ora he kino, ka taea e te whara whara.Kia mahara ki te waahi ka mahi koe i runga i te pouaka poraka, ka whakamahi i tetahi tohu tohu ki te tirotiro takirua kaore he mana e rere.
3. Hono i te waea ora (wera) ki te tauranga noa o te huringa tuatahi
Tangohia te waea ora mai i te puna mana ka hono atu ki te tauranga noa (com) i te huringa tuatahi.Ko te tauranga noa e tohu ana, he tae rereke ranei mai i era atu e rua nga waahanga (L1 me L2).Koinei te waea e kawe ana i te mana ki roto i te punaha, me hono tika kia pai ai te whakarite i tetahi waahanga mahi.
4. Whakahaerehia e rua nga waea haere i waenga i nga waahanga L1 me te L2 o nga huringa e rua
Na, tangohia nga waea e rua e kiia ana ko nga waea haereere me te hono i te tauranga L1 i te waa tuatahi ki te huringa tuarua, me te mahi i nga mutunga o te L2.Ko enei waea ka hangaia te huarahi e taea ai e te rua nga huringa ki te "korero" ki a raatau ano, ka whakahaere i te maama mai i nga pito e rua.Kia mahara ka mau tonu enei hononga, kaore ano hoki he whenu o te waea.
5. Tūhono te huringa noa o te huringa tuarua ki te whakauru o te koiora
Panuku, honohia te tauranga noa i runga i te huringa tuarua ki te tauranga ora ki te marama o te marama.Ko tenei waea e kawe ana i te mana ki te maama i te wa e whakaoti ana te huringa i te waahi.Ki te kore tenei hononga, kaore te rama e whiwhi hiko, ahakoa he tika te whakauru o nga waea haere.
6. Tūhono te waea kūpapa o te marama ki te kūpapa o te pūtake
Whakahaerehia he waea Nutral mai i te mutunga o te marama o te marama ka hoki mai ki te waea Nutu mai i te puna mana.Ka tutuki tenei i te waahi ma te tuku i te hiko hiko.Me mahi tonu tetahi waahanga marama e mahi ana i te ora me te waea kore.
7. Te Hangaia Nga Pouaka Matapihi Katoa me nga Kaahuri Whakawhiti Ma te whakamahi i te Wahanga (Whenua) Waea
Mo te haumaru, he mea nui ki te whakarite i nga pouaka hurihuri katoa me nga hipoki ki te whakamahi i te waea whenua.Ka tiakina e koe te keehi ki a koe i te he o te he hiko ma te tuku hiko hiko he huarahi haumaru kia puta.Ka awhina hoki i te aukati i nga poro hiko me nga tupono ka pa ki te ahi.Kia mohio ki te hono i te waea o te whenua ki nga whiu whenua, ki nga aukati ranei e whakaratohia ana i nga pouaka.
8. Whakamahia he hikareti hei tirotiro mo te haere tonu i mua i te whakahoki i te mana
I mua i te huri i te hiko, ka whakamahi i te papatono hei whakamatautau i te mau tonu o to waea.Ko te tikanga o te tirotiro mehemea ka taea e te hiko te rere tika ma te waahi.Kei te hiahia koe ki te whakarite kia kore he pakaru, he hononga ranei.Ma tenei mahi ka taea e tenei te hopu i nga hapa ka neke atu i te maama kore mahi, he kino ranei, he waahi poto.
9. Whakamatauhia nga huringa mai i nga waahi e rua hei whakaū i te mahi tika
Ka maia koe ki nga mea katoa ka tika te utu, hurihia te mana i te taha o te kaihoroi.Na, whakamatautauria nga huringa e rua ma te huri i te maama me te wehe atu i nga waahi e rua.Me huri te marama ki runga, kaore ranei tetahi mea e huri ana koe.E whakaū ana kei te mahi koe i to punaha e rua-huarahi.
10. Tirohia-takirua nga hononga waea haere-rua mena kaore e tika te mahi
Mena kaore te rama e mahi i te mea e tika ana kia huri noa mai i tetahi huringa, kaua hoki e huri, kia takirua te hono ki nga hononga waea haere.Koinei nga tohu tino noa o te he i roto i te huinga whakawhiti rua-huarahi.Kia mahara ki te hono a L1 ki te L1 me te L2 ki te L2 puta noa i nga huringa e rua.Ano hoki, whakarite kia tika te whakamahi i nga kohinga ki te puna mana me te maama.Ko te tapanga o ia waea i te wa i te whakaurunga ka taea te awhina i nga hapa me te ngawari ki te raru mehemea kei te he tetahi mea.
Ko nga huringa e rua ka rite ki te ahua iti, engari he maha nga painga o te mahi.
• Te mana o te rama: Whakawhitiwhiti-huarahi kia whakahaere koe i te maama mai i nga waahi rereke e rua.Ma tenei ka ngawari ake te koiora i nga waahi penei i nga tiriti, nga ara, me nga ruma nui.Ka taea e koe te huri i te maama ki te wa e uru ana koe ki te wehe atu i tetahi atu waahi, kaore e haere haere ki te huringa tuatahi.
• Te penapena pūngao: Ma te tuku rama hei whakaweto i te neke atu i te kotahi o te waahi, ko nga huringa e rua-huarahi e awhina ana ki te whakaiti i te hiko hiko.Ka iti ake pea koe ki te waiho i te maama ki te mea noa na te mea kei tawhiti noa te huringa, he mea whai hua ki nga kaainga me nga papa roa, he ngawari ranei.
• He pai mo nga waahi nui: Ko enei huringa he tino tika mo nga kaainga nui, tari, me nga whare whanui.I roto i nga waahi me te neke atu i te kotahi te tomokanga, te putanga ranei, ka taea te whakahaere i nga rama mai i nga ahuatanga rereke ka pai ake te haumaru mo nga taangata katoa.
• Hangarau ngawari me te pono: Ko nga huringa e rua-huarahi he miihini, kaua e mamati.Koinei te tikanga kaore ratou e whakawhirinaki ki te raupaparorohiko, taupānga, hononga ipurangi ranei hei mahi.He tino pono, he uaua hoki te kore, ko te mea he otinga roa-roa me te tiaki iti e hiahiatia ana.
• Mahi me nga punaha atamai: Ahakoa he taputapu ngawari noa ratou, ka taea tonu te whakamahi i nga huringa rua-ara ki te taha o nga punaha kaainga hou o te kaainga hou.Ka taea e raatau te mahi me nga kaiwhakatuma nekehanga, nga tohu, nga waahanga automation ranei, kia pai ake ai to whakahoutanga i to kaainga i nga ra kei mua.
• Utu iti, uara nui: Ko nga huringa e rua-huarahi e waatea ana, he ngawari hoki ki te whakauru, heoi he nui te utu mo to tautuhi rama.Mo tetahi haumi iti noa iho, ka pai ake te whakahaere o te rama, te whakapai ake i te haumaru, me te tautoko i nga tikanga whakaora-kaha i roto i te waa.
Ahakoa te hurihuri e rua-huarahi e tuku ana i nga painga maha, kei reira ano etahi o nga raru me nga wero hei whakaaroaro.
• Hiahia kia nui ake te utu: Ko nga huinga whakawhiti e rua me nga waea taapiri e rite ana ki nga huringa kotahi.Ka taea e tenei te raru i nga kaainga tawhito kei reira nga pouaka hiko me nga tikanga kaore i hangaia hei pupuri i nga waea taapiri.I etahi keehi, me whakatuwhera pea nga taiepa ki te whakauru i nga taura hou, ka taea e te utu te utu me te mahi.
• Kaore i te hototahi me nga huringa SMART: He maha nga huringa maamaa e hiahia ana kia pai te mahi a te waea.Ko nga huinga whakawhiti takirua e rua kaore i te pai te waea, kia kaha ake ai te whakauru i nga taputapu mohio kaore he whakawa.Ka taea e tenei te whakawhiu i o whiringa whakahoutanga mena kua rite koe mo nga mahi hiko nui ake.
• Ka taea e te uaua i roto i nga whakaurunga, i nga whakaurunga ritenga ranei: I roto i nga whare tawhito, i nga punaha ranei me nga waea whakahaere, kaore pea te whai i nga paerewa hou.Ka taea e tenei te whakauru i te whakahou, te whakahou ranei i nga huringa e rua-huarahi e uaua ake ana.
• Nga rereketanga o nga waehere rohe: Ko nga waehere hiko me nga ture tirotiro ka rereke nga rereke o te whenua, i te taone ranei.Ko te huinga e ture ana i roto i tetahi rohe kaore pea e tirotiro i tetahi atu.He mea uaua tenei, ina koa i nga kaupapa arumoni, ki te hoko kaainga ranei, me tutuki nga mea katoa ki nga paerewa mana.
• He nui ake te wa e raru ai te raru: Ki te he tetahi mea kei roto i te punaha e rua, ka uaua ake te whakaaro ki te raru.Ko te mea na te mea e pa ana ki nga huringa e pa ana ki te ahua o te maama.Ko te whakatau i tetahi take e hiahia ana ki te tirotiro i nga huringa e rua, nga waea haereere, me te whakamahi i nga taputapu penei i te tini o te hika ki te tirotiro hononga.
• Me whakamahere tupato me te tapanga : Na te mea he nui ake te wahanga, he ngawari ki te mahi he i te wa e whakauruhia ana mena kaore nga waea e tino tapaina, kaore ano hoki e tika te whai i nga waahanga.Ko te whakamahere ngoikore ka taea te whakama ki te whakama, ki nga tupono haumaru ranei, na reira e whai waahi ana ki te mapi i te punaha he mea tino nui te punaha.
Ko nga huringa e rua-huarahi kia ngawari ake, kia pai ake ai te whakahaere i nga rama mai i te kotahi waahanga.He nui ratou mo nga waahi ano he arawhata, roa, he ruma ranei, neke atu i te kotahi te tomokanga.Ka taea e koe te huri i te maama i te wa e uru ana, ka wehe atu i te kore e haere whakamuri.He maamaa, he iti, kaore e hiahia ki nga taupānga, ki Wi-Fi ranei.Ahakoa e hiahia ana ratou ki te maha atu o nga waea waea me te whakarite tupato, he pai ta ratou mahi mo nga kaainga me nga kaainga mohio.Me whakamahere noa te tuhi, te whai i nga taahiraa haumaru, ka tirohia nga mea katoa i mua i te huri i te mana.
Tena koa tukuna mai he uiui, ka whakautu wawe taatau.
Ko te huringa kotahi te whakahaere i te maama, te taputapu ranei mai i tetahi waahi anake.Ka taea e koe te huri i runga i te whakamahi ranei i te whakamahi i tetahi hurihuri kotahi, he pai mo nga ruma iti ano he kaukaukau me nga kati ranei.Ko te huringa rua-ara, heoi, ka taea e koe te whakahaere i te maama ano mai i nga waahi rereke e rua.He whai hua tenei ki nga papaahi, kaainga, ruma nui ranei me nga tatau maha.Ka whakamahia e ia nga huringa e rua e hono tahi ana, kia taea ai e tetahi te huri i te maama ki runga, ki waho ranei.Ko te rereketanga nui ko te huringa kotahi te mana mai i tetahi waahi, i te wa e rua nga waahanga e whakahaere ana i nga pito e rua.
Hei tirotiro mehemea he rua nga waahanga (3-ara i Amerika Te Tai Tokerau), tirohia te tuara mo nga whiu.E toru nga waahanga hurihuri e toru: kotahi nga kaihaere me te tokorua.Mena ka kite koe e toru nga piripiri (kaore i te whenua), ko te mea e rua-huarahi ranei e huri ana.Mena e wha nga waahanga, he whakawhiti takawaenga, 4-huarahi ranei, e whakamahia ana i roto i nga punaha me te neke atu i te rua nga waahanga mana.Ka taea hoki e koe te tirotiro i te wiwi: e rua nga huringa e hono ana ki a raatau ano me nga waea haere e rua ka whai noa i ia huringa.Mena he waahanga o te tatūnga whakawhiti-maha, e wha nga waahanga, kaore he huarahi e rua.
Mena he hē te huringa e rua-huarahi, kaore pea te maarama e mahi.Ka taea pea te noho i nga wa katoa, kaua e huri i te katoa, ko te urupare noa ranei ki tetahi o nga huringa.Ko te hapa e tino uru ana ko te whakaranu i nga waea haereere, te hono ranei i te mana, te waea maama ranei ki te tauranga he.Ka raru tenei i te arorau hurihuri ka pakaru i te rerenga rerenga.I etahi keehi, ka taea hoki te waihanga i tetahi huringa poto, i te mea ranei e hangai ana mena kua hangaia nga putunga hiko.Hei karo i tenei, me whai tonu i nga tohu Whakamutunga Whakatikatika (com, L1, L2) ka whakaū i te haere tonu i mua i te kaha o te kaha.
Hei waea i te huringa rua-rua, tiimata ma te hono i te waea pai mai i te 12V mana ki te tauranga noa o te huringa spdt tuatahi.Na, rerehia nga waea e rua mai i te L1 me te L2 o te huringa tuatahi ki te L1 me te L2 o te huringa tuarua.Panuku, honohono te tauranga noa o te huringa tuarua ki te taha pai o te taputapu 12V, ano he kaiarahi.Hei whakamutunga, honoa te huringa kino o te taputapu ki te taha kino o te tuku hiko.Ka taea e tenei huinga te huri i te taputapu ki runga, ki te whakawhiti ranei mai i te huringa, penei i te waea mahi engari ma te whakamahi i te mana DC-kore-iti.
Ko te waea noa i runga i te huringa rua-huarahi ko te mana e whiwhi ana i te mana, ka tukuna ranei ki te maama, i runga i te turanga o te huringa i te whakatakotoranga.I te huringa tuatahi, ka hono noa te kaupapa ki te waea ora mai i te puna mana.I te huringa tuarua, ka hono noa te hononga ki te urunga ora o te maama.Ko nga waea haereere (L1 me L2) hono noa i nga huringa e rua.Mena he pohehe noa te punaha, kaore e pai te mahi a te punaha, kaore ano hoki te maarama e huri, kotahi noa te huringa.Ko te tono tika i nga tikanga noa he mea nui mo te punaha e rua-huarahi.
i te 2025/06/3
i te 2025/06/2
i te 8000/04/18 147757
i te 2000/04/18 111934
i te 1600/04/18 111349
i te 0400/04/18 83719
i te 1970/01/1 79508
i te 1970/01/1 66899
i te 1970/01/1 63014
i te 1970/01/1 63010
i te 1970/01/1 54081
i te 1970/01/1 52120