
Te Gc5330iizev Ko te whakawhiti whanui-tango i te Kaituku tohu mamati (DSP), i hangaia mo nga punaha whakawhitiwhiti korero ahokore matatau.Ka tautokohia e tenei DSP te whānuitanga o nga paerewa penei i te CDMA, GSM, TD-SCDMA, W-CDMA, me te Wimax, he tino mohio ki nga hanganga whakawhiti korero.Kei roto i te kohinga Grid Grid 484-Ball (BGA) e tika ana mo nga tono hangarau-Maunga, kia pai ai te whakauru i nga taapapa ki nga huihuinga hiko hou.Ko tetahi waahanga o te whanau GC55330, ko te GC5330izev e hono ana i tetahi hoahoanga matua me ona tuakana, e whai ana ki te aro ki te aukati i te whakawhiti whanui.
Mena kei te hiahia koe ki te raka i roto i te DSP e whakawhirinaki ana mo o punaha, inaianei he wa nui ki te whakaaro mo te whakatakoto i te ota nui ki a maatau mo te GC5330IZEV.

Tohu GC5330izev

Te tapuwae GC533000

Tauira GC5330izeV 3D
• Tuku whakauru me te whiwhi mamati ki te otinga: Ko te DSP kei roto i te Upconververtor emati ana (DUC) me nga mahi a te DICITSververter (DDC).Ma tenei whakaurutanga e tuhi ana i te mekameka tukatuka tohu ma te whakakotahi i nga mahi maha ki tetahi otinga whakahiato, na reira ka whakaiti i te uaua me te rahi o te punaha.
• Tautoko Channem maha: Ka tautokohia te GC5330izev ki te 4 Whakawhiti (TX) me te 8 nga wa (RX).Ma tenei ahuatanga e taea ai te whakahaere i nga punaha maha-antena matatini, he mea nui mo nga hangarau whakawhitiwhiti korero mo te ahokore e hiahia ana ki te whakauru raraunga me te whakarei ake i te pono.
• Whakawhiti i nga mahi huarahi: Ko nga mahi matua i roto i te Whakawhiti o te GC5330000 te whakauru i te whakahekenga o te Fast (CFR), Putanga Mamati (DPD), ka tuku i te Whakariterite.Ko enei waahanga hei whakapai ake i te kounga tohu me te rahinga, i te wa e pai ake ai te kaha me te mahi i nga punaha whakawhitiwhiti.
• Te kaha o te tukutahi: Kua whakauruhia te taputapu ki te rua o nga taapiri whakauru LVDS (tukutahi me te tukutahi) me te tukutahi o nga LVDS putanga.Ko enei kaha tukutahi e whakarite ana i te whakahāngai i nga waa maha puta noa i te punaha, mo te pupuri tonu i te pono me te piri ki te tuku raraunga.

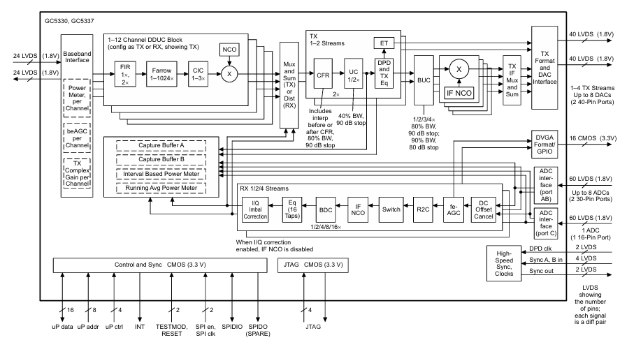
Ko te raarangi poraka o te GC5330 / GC5337 e whakaatu ana i te otinga tuku-a-Maatauranga i hangaia mo nga punaha teihana turanga.Ka tiimata me te Atanga Topa, te whiwhi ki te 24 lvds takirua rereke i te 1.8v, e kawe ana i nga raraunga baseband mamati ki te maramara.Kei roto i tenei atanga te nuinga o nga miihini hiko me te Agc (Te mana whakahaere aunoa) Hei whakarite i nga taumata tohu tino pai.Te Mamati i raro / Up Converter (DRAD) poraka kua taea te whakarite mo te tuku (tx) ka whiwhi ranei (RX) me te tautoko ki te 12 nga awa.Ka tukatuka i te tohu baseband ma te maha o nga waahanga tātari penei i te Fir, i te nui, me te cic ki te whakatika i nga reiti tauira me te whakamahi i te haangai, te whakaurua ranei.He whiringa Ko te Oscillator Whakahaerenga (NCO) Kei roto hoki mo te whakamaoritanga o te waa.Ina tātarihia, ka taea te tohu, ka uru atu te tohu ki te huarahi TX, ka whakahekehia e te CFR (Crest Dections Deviction) me te DPD (Magital Prestuty) Poraka.Ko enei waahanga e arotau ana ki te whānuitanga hihiri o te tohu me te whakariterite i te tuku tika.Ko te et (te whaiwhai i te envelope) me te buc (aukati i te kaitahuri) e whakarite ana i te tohu mo te whakatikatika-nui.Ko te mea ki te huri te tohu NCO i te tohu ki te tau takawaenga i mua i te tuku ki te paanui TX me te putanga ake ki te 4 nga waahanga tae atu ki te 40 nga rarangi LVDS.
I te taha o te taha, ka hopu te punaha i nga raraunga ADC tere-tere i roto i nga raina 60 LVDS.Ka tukatukihia nga raraunga ma te whakakore i te DC, te FE-AGC, huri, me te ki te poraka NCO.Ka haere ki te R2C me te BDC, me te haere i te taurite, me te wahanga i te tikanga o te whakatikatika, i mua i te hopu whakamutunga me te inenga hiko.Ka tautokohia e tenei tukanga nga hōkaiipurangi ngawari me nga reiti whakatauranga.I te raro o te hoahoa, he maha nga whakahaere whakahaere me te tukutahi e whakaatuhia ana.Kei roto i enei ko te miiharo microprocessor mo te whakahau whakahau me te whakauru raraunga, JTAG mo te whakamatautau me te tuku, me te spi mo te whirihoranga.Ko nga karaka tere-tere me nga tohu tukutahi e pai ai te whakarite i te waa i waenga i te whakauru, te tukatuka, me nga poraka putanga.I roto i te katoa, kua whakahoutia te hoahoanga GC5330 / GC5337 mo te tuku mamati-kaha ki te tuku i nga tikanga ngawari mo nga momo paerewa ahokore.
|
Tuhinga |
Parapara |
|
Kaimahitaonga |
Texas taputapu |
|
Whiu |
Mōmona |
|
Wahanga Mana |
Neha kē |
|
Mahi |
Kaituku tohu matihiko |
|
Momo RF |
CDMA, GSM, TD-SCDMA, W-CDMA, WiMax |
|
Momo Momo |
Maunga Matapihi |
|
Paati / Take |
484-BGA |
|
Ko te kete taputapu taputapu |
484-BGA |
|
Tau hua hua |
GC5330 |
Nga punaha whakawhitiwhiti ahokore
Ko te GC5330ZizeV i hangaia hei hapai i nga tikanga ahokore Arā ki te CDMA, GSM, TD-SCDMA, W-CDMA, me Wimax.Ma tenei ka tino pai te whakamahi i nga teihana turanga hou me nga angaanga ahokore.Ko tana whakakao whakahoahoa honohono me nga waahanga whakaheke, me te tautoko i te hongere hongere, kia pai ai te whakahaere i te tohu tohu RF whanui.Ka whakareihia e te taputapu te mahinga o nga punaha whakawhitiwhiti ahokore ma te whakaiti i te maha o nga waahanga o waho me te tuku i te pono o te tohu tohu.
Ka tukurua ahokore
I roto i nga tono tukurua ahokore, ko te GC5330izev e mahi ana hei piriti i waenga i te tango me te tuku i nga mekameka.Ka whakaratohia e ia te tātari mamati, te heke iho o nga tohu taumai, me te whakahou i nga tohu putaatu.Ma tenei ka taea e nga turaki nga toenga ki nga tohu whakawhitiwhiti korero mo te roa ake o te tawhiti kaore he wehewehe.Ko te whakaurunga o nga waahanga penei i te whakahekenga o te kaupapa o te whakangao me te tohu mamati e tino pai ana mo te pupuri i te kounga o te tuku i nga huarahi hii.
Nga taputapu whakamatautau me te inenga
He mea nui te GC53300izev i roto i nga whakamatautau me nga taputapu inenga.Ko tana kaha tukatuka kaha me te whakahaere i te awa tere ka taea te whakarite, te tukatuka, me te tātari i nga tohu puta noa i nga tikanga ahokore.Ko te tika o te tukutahi me nga tohu tohu tohu e awhina ana i nga waahanga pono me te tukurua i roto i nga taiao whakamatautau me te mara.
Radios-ki-ira
Kei te pai te GC53300izev mo te whakamahi i roto i nga miihini miihini-ki-te-waahi irirangi-ngaru.I roto i nga punaha taua punaha, te tuku i te reiti o te raraunga me te whakaurunga he DSPS e kaha ana ki te whakahaere i nga bandwiduth whanui me te whakapiri.Ka tautokohia e tenei taputapu nga hiahia me tona pai ki te tukatuka mamati, ka taea te whakawhitiwhiti korero pono i roto i te whakauru ahokore, nga hononga backhaul, hononga hononga ranei.
• GC53188
• GC5328ER
Te Whakanuia Te Mana Whakanuitanga
Ko te GC533000IZEV e tuku whakapainga i roto i te kaha o te punaha whakahaere ma te whakauru i te whakahekenga o te kaiwhakaari (CFR) me te tupapaku mamati (DPD).Ko enei hangarau e mahi tahi ana ki te whakaheke i te ōwehenga o te RF (Par) o nga tohu RF me nga mahi kore-kore i roto i nga kaiwhakamaori hiko.I te mutunga mai, he pai ake te mahi a nga kaiwhakamaori, te whakaiti i te tarukino me te whakatipu wera.Ka arahi tenei ki te penapena utu mo nga kaiwhakahaere o te punaha me te whakarahi i nga mahinga whakahaere o nga waahanga RF.
Te whakauru pūnaha ngawari
Mauruuru ki tana tautoko mo nga whirihoranga miMo penei i te 2 × 4 × 8, tae atu ki te 4 × 8 ranei, me te whakahiato, ko te GC5330izev he tino pukumahi.Ka taea e koe te whakamahi i tetahi papaaho kotahi puta noa i nga momo hanganga whakawhitiwhiti korero, te whakaiti i te uaua o te whakawhitiwhiti, te maakete-a-wa, me te hiahia ki te whakahaere i nga otinga DSP maha mo nga hononga rereke.
Ko te tatauranga me te utu
Ma te whakauru i nga mahi tukatuka maha penei i te whakakao mamati, ka tau te whakanikoniko ki te taputapu kotahi, ka whakaitihia e te GC5330izev te hiahia mo nga waahanga tautoko a-waho.Ehara tenei i te mea noa i te tahora PCB engari ka whakaheke i nga utu-a-pepa (te bim) me te tapuwae o te punaha.Ko te hua mutunga ko te hoahoa taapiri, he mea whai hua-utu e ngawari ake ana ki te hanga me te pupuri.
Te pai ake o te tohu tohu me te pono
Ma te tukatuka tohu kua hangaia penei i te CFR, DPD, me te tuku i te Whakariterite, ka whakarei ake te GC5330izev i te maarama me te whakaiti i te riihi taapiri-piri.Ko tenei hua ka nui ake te kaha o te hongere whakawhitiwhiti korero me te wawaotanga, kia whiwhi ai nga kaiwhakamahi i nga momo kounga teitei me te kounga kounga ranei i nga ahuatanga o te ao.
1. Whiriwhiringa Atanga: Ko te taahiraa tuatahi i roto i te papatohu Ko te GC5330izev e uru ana ki te kowhiri i te atanga whakawhitiwhiti korero tika.Ka tautokohia e tenei taputapu tetahi atanga microproceser waeine (MPU) atanga me te atanga tuuturu Serial (SPI).Ko te whiringa ka whakawhirinaki ki te hoahoanga o te punaha me nga whakaritenga whakahaere raraunga.Ko te atanga o te spifena anake i te wa e whakauruhia ana te EMIFEina) PIN ki te arorau.Me whakarite e koe te whirihoranga taputapu tika kei te waahi i mua i te tiimata o te whakawhitiwhiti korero.Ka whakatauhia e tenei whakatau he pehea te whakahaere o nga mana whakahaere, me nga korero whirihoranga, me nga korero mana i waenga i te kaiwhakahaere ope me te GC5330.
2. Whirihoranga Karaka: Ina whakapumautia te atanga, ko te mahi i muri mai ko te whirihora i nga tohu karaka.Ko te GC53300izev e whakahaere ana i nga karaka e rua: Ko te karaka i mua i te huringa (DPDCCK) me te karaka baseband (BBCCK).Ko enei karaka e tarai ana i te paipa tukatuka raraunga o roto.Ka tautokohia e te DpdClk nga huringa tae atu ki te 310 mhz, i te wa e tautoko ana a Bbcck ki te 290 mhz.Me tika te whakarite kia tutuki ai te roopu me te waa mo te paerewa whakawhiti ahokore.Ko te taapiri tika i waenga i enei rohe Karaka e whakarite ana ko nga waahanga tukatuka tohu penei i te tātari, te whakauru, me te whakaranu i te mahi pono.
3. Tukutahi: Ko te tukutahi he mea nui mo te whakahaere i nga wa kua whakaritea puta noa i nga momo waahanga i roto i te GC5330IZEV.Ko te maramara e whakarato ana i nga tohu tukutahi whakaurunga i roto i te tukutahi me te tukutahi, me te tohu tukutahi tohu whakaputa.Ko enei tohu e whakamahia ana hei whakahāngai i nga kaupapa o roto penei i te Metering mana, te tohu tohu, te whakahou i te DPD ranei.I roto i nga punaha maha-chiphen, maha ranei, me whakarite nga punaha o waho o waho, te whakarite i nga taapiri tukutahi hei whakarite kia pai te tukatuka i nga matapihi tukatuka.Ma te whakariterite i nga rehitatanga o te tukutahi, ka taea e koe te whakarite me pehea me te wa e puta mai ai nga kaiwhakariterite, kia pai ai te whakahaere i nga ahuatanga o te punaha hihiri.
4. whakahōputu raraunga : Ko te GC53300IZEV e tuku ana i nga waahanga whakahōputu raraunga ngawari mo tana tuku me te whiwhi huarahi.Me whirihora e koe te whakatakotoranga whakauru ki te tuku-papa mo te whakawhiti me te whakatakotoranga whakaputa baseband mo te huihuinga.Ka uru atu tenei ki te kowhiri i nga waahanga raraunga e tika ana me nga whakatakotoranga, penei i te rangatū, byte-ritellel, he taera-kore ranei.Ko te whakatakotoranga raraunga tika ka whakarite i te hototahi ki te kaiwhakamahara baseband ranei te whakahaere i te whakahaere i te whakahaere i / q nga awa.Ko nga whiringa whakahiatotanga whaihua e tuku ana mo nga tohu whakahiatotanga me nga raarangi raraunga mo nga punaha e whakamahi ana i nga hanganga whakahiato, hei whakamahi ranei i nga whakawhitinga hihiri.
5. DUC me te whirihoranga DDC: Ko te mahi nui o te GC5330izev ko tona whakakahatanga mamati (duc) me te kaha o te kaha (DDC).Ko enei poraka ka whirihora hei whakahaere i te whakauru tohu, te whakatau, te tātari, me te whakamaoritanga.I te taha whakawhiti, ka piki ake te utu o te DUC ka huri i te tohu ki te roopu e hiahiatia ana, kua rite mo te hurihanga RF.I te taha o te taha, ka whakaitihia e te DDC te utu tauira me te tātari i nga waahanga koreutu.He pai nga tautuhinga DDC me te DDC mo te tino tohu tohu tohu, ka whakaiti i te whakahawea, me te whakarite i te whakamahi bandwidth.Ko nga tohu whirihoranga ko te whakauru i nga reiti / Whakatauranga Whakataunga, tātari taapiri, me nga tautuhinga whakaranu.
6. Kia whiwhi mana: Ko te mana whakahaere aunoa (AGC) i roto i te GC53300izev kua wehea ki nga waahanga matua e rua: ko te AGC-mutunga o mua (Feagc) me te AGC-mutunga (Beagc).Ko enei poraka e awhina ana kia mau tonu nga taumata tohu tino pai hei tohu e neke ana i te mekameka tukatuka.Ko te feagc te mea tuatahi mo te taumata tohu taumai, te whakatikatika i nga hua hei aukati i te kukume, te kuhu ranei.Ka arotahi te beagc ki te tohu tukatuka, me te whakarite kia noho tonu i roto i nga waahanga hihiri e hiahiatia ana mo nga mahinga mamati o muri.Me whai koe i nga paepae AGC, te whakaeke / reeti utu, me te whai i nga waahanga hei whakahaere i nga tikanga tohu rereke penei i te ngoikore, te huringa ranei i te mana tohu.
7. Te Kaha Rawa me te Tatūnga whakaoho: Ko te GC53300IZEV kei roto i nga waahanga o te mana nui o te mana whai mana ki te aro turuki i nga taumata tohu.Ko enei mita te awhina ki te kite i nga mea kino penei i nga ngaru hiko, maturuturu, i waho-ture ranei.Ka taea te whirihora i nga whakaohooho hei hangai i runga i nga paepae o te punaha, te whakahohe i te mahi whakamarumaru, te whakatika ranei i nga mahi whakatikatika, he hapa ranei.Me whakarite e koe nga poraka mita ma te whakatakoto i nga rahi o te matapihi, nga taumata paepae, me nga tautuhinga tātari.He mea nui tenei mahinga i roto i nga punaha e kii ana i te tino tuuturu, penei i nga teihana turanga, me whakatutuki i te hanganga ture me te haumaru whakahaere.
|
Parapara |
Rahi (MM) |
|
Rahi o te tinana (te nuinga) |
22.80 - 23.20 |
|
Rahinga rahinga (tapawha o roto) |
19.30 - 19.70 |
|
Poro Ball (angamaheni) |
1 |
|
Tuhinga o mua |
22 × Ab (Huihuinga Grid) |
|
Te teitei o te kete (tinana) |
1.12 - 1.22 |
|
Te teitei o te kete kete (katoa) |
2.48 |
|
Diameter pōro |
0.50 - 0.70 |
|
Te teitei o te pōro i runga ake i te waka rererangi |
0.40 - 0.60 |
|
Te Whakapono Bae |
± 0.10 |
|
Pouaka Pouaka (rererangi noho) |
0.15 |

Ko te GC5330izeV ka hangaia e Texas taputapu, he kaiarahi rongonui a te ao i roto i te hoahoa me te hanga o te taatai me te whakauru i nga siconductors tukatuka.Ko te upoko i Dallas, Texas, Nga Tohutoro Texas (TI) he ingoa roa mo te mahi hou me te pono ki te whakamahi i nga waahanga hiko, te whakamahi i nga waahanga miihini, te whakawhitiwhiti korero, te whakawhitiwhiti korero.Kei te mohiotia a Ti mo tana kopaki i nga waahanga honohono-nui, a ko te GC5330IZEV e whakaatu ana i nga tohungatanga a te kamupene ki te tuku i nga otinga irirangi a-iwi.Ma te arotahi ki te kounga, te taatai, me te tautoko mo nga paerewa whakawhitiwhiti korero, ko nga taonga o Texas penei i te whakatutukitanga o te GC53300izev i nga whakaritenga o te RF hou me nga tono tukatuka o te RF me nga tono tukatuka o te RF.
Ko te GC53300izev e tu ana hei otinga o te DSP tino mahi i hangaia hei whakatutuki i nga tono kaha o te hanganga ahokore ahokore.Ko tana tautoko i te hongere tere, he poraka tukatuka, me te whakakapi i te kaha ki te whakaheke i te uaua, te whakapai ake i te kaha o te hiko, me te tino rangatiratanga.I tautokohia e te ingoa o Texas 'te ingoa mo te pono me te auahatanga, ko te GC5330izev he kowhiringa, e whai ana ki te hanga i nga punaha RFalable me te iti o runga.
Tena koa tukuna mai he uiui, ka whakautu wawe taatau.
Ae, he tino hototahi te GC5330izeV ki nga punaha FPGA-ritenga.Ko ona hononga a Magital e hainatia ana me nga whiringa taapiri raraunga kia ngawari ki te whakauru me nga papaa arorau.Ka taea e koe te whakamahi i nga hononga Raraunga LVDS, SIP, ko te microprocesor ranei hei whakawhiti i waenga i to FPGA me te mahi tohu DSP, me te whakamahi i nga tohu tohu.
Kaore i rite ki nga whakatakotoranga tuku iho e whakawhirinaki ana ki nga waahanga DSP rereke, ka whakatauhia e te GC5330izev nga waahanga matua penei i te whakahekenga o te kaupapa o te kaupapa (CFR), me te tātari matatau (DPD).Ko tenei whakaurutanga he nui ake te mana whakahaere mo te pono o te tohu, me te taapiri pai ake, ka pai ake te whakahaere i te hapa o te hapa vector (evm) me te whakaheke i te wawaotanga awa.
Ahakoa ko te GC53300izev i hoahoatia mo te 3G me te 4G nga paerewa ahokore, ka taea tonu te mahi hei aukati i nga punaha 5g GHZ i roto i nga punaha 5g GHZ e kore e hiahiatia kia uru ki te ngoikore o te ultra-iti.Ko tana tautoko bandwidth teitei me te maha o nga TX / RX ka taea te awhina i nga tohu tohu whanui me te tautoko i te uru ahokore, te tuururu ranei i roto i nga tuku 5G Whakawhitiwhiti.
Ae, ka taea e te GC53300izev te tautoko i nga punaha-a-roto-maha na roto i tana hoahoanga tukatuka maha-a-riipene.Ka taea te whakahaere i te wa ano ki te 4 TX me te 8 RX nga awa, e taea ai te whakatinanatanga o te whakatipu kawe i nga roopu o te waa, ina koa i nga ahuatanga o te RF.Ko nga tautuhinga karaka me te taapiri me te tukutahi e tika ana mo te mahinga tino pai.
Ae.Ko te GC53300izev he hototahi ki nga hoahoanga SDR, ina koa ko te hunga e hiahia ana i te papatono i whakatapua mo te tukatuka baseband kaha.Ko ona ahuatanga o te hurihanga mamati-a-waa me te tuku i nga mahi taimaha-taimaha mai i te kaiwhakawai matua i roto i te taiao SDR.
i te 2025/04/1
i te 2025/04/1
i te 8000/04/18 147778
i te 2000/04/18 112033
i te 1600/04/18 111352
i te 0400/04/18 83792
i te 1970/01/1 79598
i te 1970/01/1 66976
i te 1970/01/1 63111
i te 1970/01/1 63044
i te 1970/01/1 54097
i te 1970/01/1 52197