
Te Bav70, I whakanuihia mo tana tere me te ti'aturi, ka uru atu ki roto i te sot233 (ki te-236ab) kete kirihou SMD.Ko tenei diody takirua tere tere e kitea ana he whaipainga i roto i te maha o nga tono hiko.Ko tana mahi e huri ana i nga waahanga porowhita, nga punaha kitenga, nga waahanga whakatika-nui, me nga mana whakahaere.
Ko te Bav70 e kaha ana ki te whakahaere me te arahi i nga tohu hiko me te tino tika.Ko tana huringa iti i mua i honoa me te huringa pakaru tino nui ka whai hua mo nga punaha kitenga e kii ana i te mohio me te pono.He maha nga mahi i roto i nga waahanga whakatika tere-nui na te tere o te whakautu urupare me te iti o te tohu tohu, whakarite i nga mahi taapiri i roto i nga taiao hiko hihiri.
I roto i nga mana whakahaere, ka whai waahi te Bav70 ki nga waahanga taapiri mai i nga waahanga totika, ka huri i te kaha me te roa o nga punaha hiko.Ko tana hoahoa e whakaatu ana i te tuuturu, ka kitea i roto i nga tohu taiwhanga me nga whakatinanatanga katoa.I roto i nga taiao e whakaatuhia ana e nga rereketanga tohu maha, ka whakamahia enei waahanga mo te tautoko i te pono o te punaha me nga mahi kino.

|
PIN tau |
Ingoa pin |
Whakaaturanga |
|
1 |
Diode 1 anide |
Tuhinga o mua |
|
2 |
Diode 2 cathode |
Cathode Pin o 2nd diode |
|
3 |
Diode 1 cathode didee 2 anide |
Ko te PIN Catade o te 1 o Diode me te PIN o te 2nd Diode |



|
Tuhinga |
Parapara |
|
Te mana koiora |
Nga Tukunga Whakamutunga (Whakahoutia Whakamutunga: 1 Wiki o mua) |
|
Whakapā whakapā |
Tīni |
|
Momo Momo |
Maunga Matapihi |
|
Tuhinga o mua |
3 |
|
Whiu |
Tape & reel (tr) |
|
Wahanga Mana |
Neha kē |
|
Te pāmahana whakahaere a Max |
150 ° C |
|
Whakapau kaha |
1.5pf |
|
Te whakatauranga o naianei |
200Ma |
|
Ngaohiko |
75V |
|
Tere |
Tohu iti <= 200mA (Io), Any Speed |
|
Momo diode |
Takoto |
|
Te wehenga mana |
350mw |
|
Whakamua |
200Ma |
|
Te wa nui o te wheketere |
42 wiki |
|
Maunga |
Maunga Matapihi |
|
Paati / Take |
Ki-236-3, SC-59, SOT-23-3 |
|
Ko te kete taputapu taputapu |
SOT-23-3 (ki te-236) |
|
Whakaputaina |
2004 |
|
Taumata Maha Kore (MSL) |
1 (mutunga kore) |
|
Min whakahaere pāmahana |
-55 ° C |
|
Ngaohiko - tohu DC |
70v |
|
Tau waahanga |
Bav70 |
|
Whirihoranga Huarahi |
Cathode noa |
|
Kua tū kē |
2a |
|
Nō nāianei - Lowra Leakage @ vr |
57 @ 70v |
|
Ngaohiko - whakamua (vf) (max) @ mena |
1.25v @ 150ma |
|
Te pāmahana whakahaere - Junction |
150 ° C Max |
|
Max Whakahau i naianei |
2a |
|
Nāianei - toharite whakatika (io) |
200Ma |
|
Taonga Whakaheke (DC) |
70v |
|
Te wa whakaora |
6 ns |
|
Max Whakaputanga Taha Whakahuri (Vrrm) |
70v |
|
Whakaheke |
70v |
|
Max Whakapaipai i te ao (IFSM) |
2a |
|
Te pāmahana max |
150 ° C |
|
Roa |
2.92mm |
|
Tae ki te svhc |
No svhc |
|
Te mana o te rohs |
Ka tutuki a Rohs |
|
Ngaohiko - DC whakamuri (vr) (max) |
70v |
|
Tuhinga o mua |
1V |
|
Kua tautuhia te reanga toharite |
200Ma |
|
Peke whakamuri |
100μa |
|
Peak Whakapaa-kore-Tuuturu i naianei |
2a |
|
Te Whirihoranga Diode |
1 takirua cathode noa |
|
Te wā whakaora |
6 ns |
|
Tōroa |
1.2mm |
|
Whānui |
1.3mm |
|
Whakapiki te radiation |
Kāo |
|
Ārahi |
Ārahi |

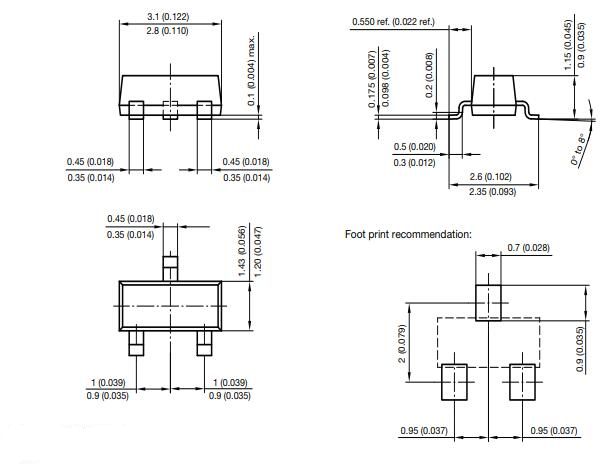
Ko te Bav70 te whare whakapaipai i roto i te kete-23, me te papatipu pai o te 8.8 milligrams.Ko tenei hanganga whakahiato e hangaia ana hei whakanui i te whakamahinga o te waahi iti i runga i nga papa huringa taia.Ko te papa whenua o tenei ra e tono ana i nga waahanga penei i te Bav70 e kaha ana ki te tautoko i nga raina huihuinga aunoa, e whakamarama ana i nga momo taapiri nui e rite ana ki nga mahi-peia.Ko tenei rautaki hoahoa e whakaarohia ana ehara i te mea ko nga raru o te he i te huihuinga, he mea e mau ana i te taumaha i roto i te tino hiko me te ti'aturi.
I te ngakau o te hoahoa Bav70 e whakaatu ana i tana ahuatanga o te miihini rongonui, i te wa i pa ai ki nga wero wera i nga waahanga hiko.Ko nga kaha o te haumanu he mea whatu ki te hoahoa nui o te kete o te Oro-23, me te whakarite kia rite tonu te mahi a te mahi mo nga waa roa.Ko te whakaaro i konei ko te mau tonu he nui te kaupapa hoahoa na te mea he kaupapa nui te hanga.
Ko tenei Diode e hangaia ana mo te mahi pai, me tana tere tere tere te whai hua ki nga taiao ki nga rereketanga o te waa.Ko te huringa tere-tere te whai hua ki te whakapiki ake i te tika ki te tukatuka i te tukatuka tohu, he mea nui ki te tiaki i te pono o te punaha i roto i nga hanganga hiko.
Ko te whakaiti i te kaha ki te tuku i te painga rongonui ma te whakaiti i te tupono o te hononga tohu kore, he wero maha i roto i nga hoahoa a-rohe RF.Ma te whakaiti i tenei take, ka whakareihia te tika o te tuku tohu, te whakapai ake i te tiimata o te punaha.Telemetry, te maamaa ranei e aro nui ana ki nga waahanga ngoikore-iti hei pupuri i te kounga o nga raraunga, ki te whakatutuki i te toenga i waenga i te kaha me te kaha.
He pai te riihi i te waa e pai ana ki te whai hua kaha, ina koa i roto i nga punaha whakahaere i nga rahui mana kua oti te aukati.He painga tenei ki nga hangarau kawe me te kaha ki te whakawhānui i te ora o te pākahiko.Ma te whakaiti i te riihi, i tenei Airo Diode i roto i te Whakahaere Pūrere, te tuku i te whakamahinga i waenga i nga utu, he mea nui te whakaaro mo nga kaihanga kia pai ake ai nga Kaihanga.
Ko te papaahi o te Bav70, he hoahoanga mata-papa-papa e tino aro ana ki te waahi poari, ka nui ake te mea nui kia rite ki nga taputapu hiko.Ko tenei kounga e tautoko ana i te ahunga whakamua a te umanga ki te iti, te whakahohe i nga hoahoa whakamua i roto i nga waahi kua whakatauhia.
Ko nga tono hurihuri tere-tere e kaha ana ki te whakawhiti i nga whakawhitinga Swift, te whakaiti i te kaha me te whakahaere i te kaha.Ko nga ahuatanga whakaora a Bav70 e pai ana ki te whakaputa i nga waahanga porowhita kei reira te tika o te tika.Kei te whakahaerehia i roto i te whakawhitiwhiti korero me nga taputapu whakahiato, kia pai ake te tere o nga waa tukatuka raraunga me nga whakautu urupare, e tika ana te mahi tere me te tere.
I roto i nga waahanga e whakahaere ana i te whānuitanga o nga mahi, ko te whakahaere i te kaupapa-a-roopu he mahi nui.Ko te kaha o te Bav70 ki te pupuri i te pono me te whai huatanga puta noa i nga waahanga o te ngaohiko ka taea te whakamahi i nga waahanga, mai i te hikohiko ki te miihini whakauru.Ko tana mahinga i roto i nga waahanga rereke e whakaatu ana i te hiranga o te whai waahi ki nga waahanga hiko o naianei.
I te wa e hurihuri ana te poauau ki te pono o te papatahi, ka tukuna e Bav70 tetahi otinga pai ma te mahi hei tiaki i nga punaha tuku hiko.Ko tenei tikanga aukati kaore i te whakatairanga noa i te haumaru engari ka hora ano i te koiora o nga waahanga.Ko tana whakamahinga nui i roto i te hiko-hiko hiko ka tiakina e ia nga hapa whakauru, te whakaatu i tona kaha ki te aukati i nga take me te whakaatu i te arotahi ki te haumaru.
He whai hua a Bav70 ki te tarai me te aukati i nga mahi mo te pupuri i te ma o nga tohu.He pai enei mahi i roto i nga punaha oro me nga ataata, kei hea te aukati i te aukati tohu.Ko te mahi Bav70 e whakarite ana kia noho nga tohu i roto i nga rohe kua whakaritea, na reira e pupuri ana i te kounga me te pono o te mahi.
Ko nga huringa tiaki e pupuri ana i tetahi mahi ki te tiaki i nga waahanga tairongo ki nga tihi ngaohiko ka nui.Bav70, he maha nga waahanga o enei waahanga, ka whai wāhi nui te maatauranga kaha.He tino rongonui tenei mahi i roto i nga punaha pūngao hou, kei te kaha te rereketanga o te ngao o te Diodo ki te whakatairanga i nga otinga hangarau pumau.
• Bav99
• Baw56
• MMBD1503

Kei te noho a Onsemi i tetahi tuunga rongonui i roto i te semiconductor Arena, i whakanuia mo tana whakahoutanga ki te hanga mana whakahaere me nga taputapu tohu.Ko enei waahanga katoa e whakaatu ana i ana ake wero me nga tono.Ko te mahi a Onsemi i roto i te umanga automotive e tu ana, ina koa i nga punaha taraiwa taraiwa tere (ADAS) me te rongoa kaha kaha mo nga waka hiko (EVS).He mea nui o raatau waahanga ki nga punaha e whakarite ana i nga mahi haumaru me te kore e aro ki te pono.Ko te whakarite i enei waahanga ka taea te whakarei ake i te mahi waka, te poipoi i te whakawhirinaki me te makona.Ko nga whiringa rautaki a Onsemi, penei i te whakanui i nga whakaritenga pumau me te hangarau pioni, te whakaata i tana whakatapu ki te whakatutuki i nga wero a meake nei.
Tena koa tukuna mai he uiui, ka whakautu wawe taatau.
Ko te Bav70 e haangai ana i roto i te SOT23 (ki te-236ab) te taputapu-whaanui.Ko tenei whakatakotoranga e tino manakohia ana mo tona rahi taapiri, tuku i te whakauru ngoikore ki nga waahanga hiko hou.
Ka kitea e te Bav70 tona waahi i roto i te tini o nga punaha hiko.Ka mahi nga mahi ki nga huringa whakawhiti me nga waahanga kua kitea, hei whakarite i te hurihanga tohu tika.I roto i te whakatikatika-tino-nui, he nui te whakatikatika i te huringa tere me te kaha ki te whakahaere i te mahi pai mo te mahi pai.Ka whiwhi ano hoki nga punaha whakahaere aunoa i te Bav70, na te mea e whakaputa ana i nga taurangi hiko, te whakanui i nga mana o nga taputapu mohio.
I hangaia te Bav70 ki te whakahaere ki te 75V, te whakatutuki i nga tono kei reira nga rereketanga o nga rereketanga o te rereketanga.E whai kiko ana te pakari e pai ana mo nga waahanga e whakawhirinaki ana ki te ture orite tonu.
He pai te mahi a te Bav70 i roto i te whānuitanga o te -55 ° C ki te 150 ° C.E whakamanahia ana e tenei ngawari te whai kiko ki nga ahuatanga o te taiao, ki te whakarei ake i tana roa i roto i nga taputapu whakahaere i raro i nga pāmahana tino.Ka tautokohia e rua nga hikohiko me nga taputapu ahumahi, kia uru ki nga nekehanga o te pāmahana i roto i enei mara.
Ko te whakaatu e toru nga titi, ka hangaia te Bav70 ki te arotau i te hononga me te taumahinga i roto i nga waahanga hikohiko.Ko tenei hoahoa whakaaro e tautoko ana i te pauna haangai i waenga i te uaua me te ngawari i te wa kotahi, ma te tuku i te mahi huihuinga.
i te 2024/11/8
i te 2024/11/8
i te 8000/04/18 147757
i te 2000/04/18 111931
i te 1600/04/18 111349
i te 0400/04/18 83719
i te 1970/01/1 79508
i te 1970/01/1 66886
i te 1970/01/1 63010
i te 1970/01/1 62983
i te 1970/01/1 54081
i te 1970/01/1 52108