




Te 88e1512 Ko te Gigabit tino nui o te Ethernet whakawhiti.Ka tautokohia te 1000base-t, 100base-TX, me nga paerewa 10base-T, ko te whakarite kia pai te tuku raraunga.Ko tenei rereketanga o nga paerewa ka taea e ia te whakatutuki i nga tono o nga punaha whatunga hou, e tuku ana i nga hononga rereke.
Ki nga hononga e waatea ana i roto i nga hononga GMII me RGMiii, ko te kaiwhakamaori e whakahaere ana i te whakauru maeneene ki nga momo hanganga whatunga.Ko tenei whakariterite takirua ki nga hoahoanga o te whatunga rereke, e whakarato ana i a koe ki te waatea ki te whakarei ake i te mahi a te punaha.Ko te ngawari o te whakauru ki roto i nga punaha kei reira ka aro nui ki te punaha, ka whakanui i te ahua me te kaha.Te tautoko i te parahi, te muka, me nga whakatakotoranga sgmii, kua rite te 88e1512 ki te urutau ki te whānuitanga o nga ahuatanga whatunga.I roto i nga taiao ka huri te tono whatunga, ka taea e tenei kaha te whai painga.Ko te kitenga mo te taatai a-tuhi aunoa ka whakaiti i te matatini, te whakahaere i te whatunga whatunga.
Ko nga kaikorero mo te whakamutu i te MDI whakauruhia he waahanga o te hoahoa pai o te 88E1512, he taapiri i nga papaaho me te whakaheke i nga utu e pa ana ki nga taonga me nga mahi.Ko tenei hoahoa whakaaro e whakaarohia ana me nga paerewa ieee, me te whakarite i nga mahi rite tonu.Ko nga taonga e kaha ana ki te tuku i nga punaha e tika ana kia tika te tuku.Te toenga o te whakahaere tika me te whakahaere utu e tukuna ana e te 88e1512 e rapuhia ana.Ma te whakaputa i nga rongoā kounga e pa ana ki nga tahua tahua, ka taea e nga kaupapa te whakatutuki i te pumau me te taatai.Ko tenei taurite e kitea ana i roto i te angitu angitu, te taraiwa i te ahunga whakamua o te whatunga mo te wa roa.
|
Āhuatanga |
Whakaaturanga |
|
Ieee |
10/100 / 1000base-T ieee 802.3 Te Tino |
|
He maha nga waahanga whakahaere |
- rgmii ki te parahi |
|
- Sgmii ki te parahi (88e1512 / 88e1514 anake) |
|
|
- RGMII ki te muka / sgmii (88e1512 anake) |
|
|
- RGMII ki te parahi / Fiber / sgmii me te tirotiro-auto
(88e1512 anake) |
|
|
- Copper ki te muka (1000base-x) (88e1512 / 88e1514) |
|
|
RGMII TE WHAKAMAHI KI TE WHAKAMAHI |
E wha nga wa o te waa RGMII me nga waahanga whakauru,
Te whakakore i te hiahia mo te roa o te ara PCB |
|
Tautoko a Atanga Atanga Fiu |
Ka tautokohia te 1000base-x me te 100base-fx me te sgmii (88e1512
anake) |
|
RGMII LVCMOS Paerewa |
Ka tautokohia te LVCMOS / 0 i runga i te rgmii |
|
Eternnet Eternet Edgy (Eee) |
Ieee 802.3az-2010 Te whakatutukitanga, me te taha o Eee
Macs taonga tuku iho |
|
Te kaha kaha |
Te mana-iti-iti, me te whakamutu MDI whakauru
ihu |
|
Whakawhitiwhiti ngaohiko |
Whakaurua te Whakawhiti Whakawhitiwhiti Whakawhiti |
|
Tautoko Green Ethernet Green |
- Te aratau mana kaha |
|
- Ka kitea te kaha me te kaha o te kaha ki te rapu i nga momo mana iti |
|
|
Ieee1588 v2 |
Te tautoko i te waa |
|
Te Iternet Sytchton (Synce) |
Te whakaora karaka |
|
Nga Taonga Loopback |
E toru nga taapiri mokamoka |
|
Aratau Downshift |
Tautoko mo nga whakaurunga taura takirua takirua
|
|
Whakariterite Whakatika |
Whakaurua katoa nga Agricated Agrications, echo
Ko nga Kaihoko, me nga Kaihoko Crostalk |
|
Te Whakatikatika i te Whakatikatika |
Papamuri Pakihi Mamati Adval |
|
MDI / MDIX |
MDI / MDIIX Aunoa i nga tere katoa |
|
Whakatikatika Poari |
Whakatuturutanga Motuhake Aunoa |
|
Whakawhitiwhiti-Whakawhiti |
Ieeee 802.3 Te Tino |
|
Nga Taonga LED |
Ko nga momo mahi a te raupaparorohiko, tae atu ki te whakamatautau a LED |
|
Atanga whakahaere |
Atanga Whakahaere MDC / XMDIO |
|
Taputapu tātari |
Checker Checker, Packet Counter, whakatipuranga pacet |
|
Wake i runga i LAN (WOL) |
Te Whakamatau Takahanga Takahanga |
|
Taakaha Taputapu mariko (VCT) |
Ko te tohu taura mariko matatau mo te taatai |
|
Aunoa-Aunoa |
Mo nga putanga ACICA MAC |
|
Pūoko pāmahana |
Tuitui |
|
Taha Uira |
Kotahi 3.3v tohaina me te kaiwhakahaere whakawhiti a roto
tautoko |
|
I / O Nga Taapiri |
1.8V, 2.5v, 3.3v mo I / O nga papa |
|
Kōwhiringa Akomanga |
Ko nga tohu hokohoko me nga ahumahi (88e1510 me te 88e1512
anake) |
|
Pūhera |
- 48-Pin QFN 7mm X 7mm Green me EPad (88e1510 me
88e1518) |
|
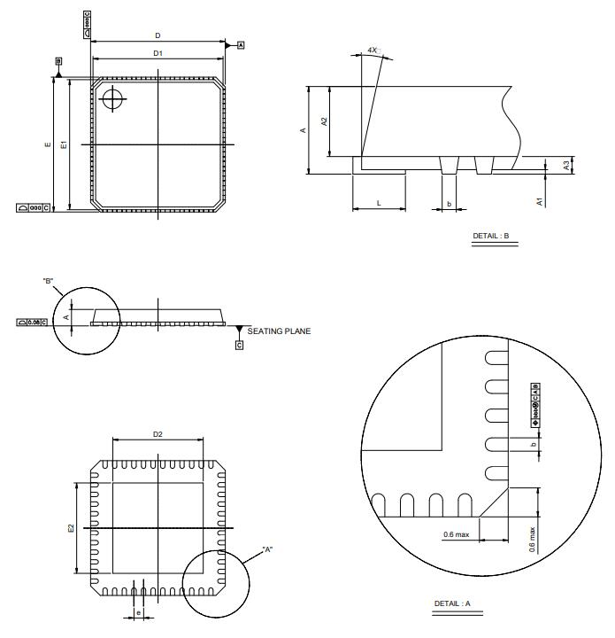
- 56-Pin QFN 8mm X 8mm Green me EPad (88e1512 / 88e1514) |
Ko te 88e1512 Eternet Phy e tuku ana i te turanga ngawari mo te ahunga tere i roto i nga whenua mamati.Ko tenei waahanga nga punaha gigabit puta noa i nga tini waahanga, penei i te hinonga, nga rongoā whakauru, nga miihini kaihoko, me nga whatunga Metro / Ratonga.
• Te whakarei ake i te hanganga whatunga: I nga whatunga hinonga, i te 88e1512 whakakaha te hono me te whakanui i nga reiti whakawhiti raraunga.Ka whai oranga i roto i nga taiao e tono ana i te tere raraunga, me te taapiri i nga whakawhitinga raraunga, penei i nga pokapū raraunga me nga hononga umanga.
• Te whakauru o te pokapū raraunga: Ko nga pokapū raraunga ka whai hua mai i te 88e1512 o te kaha o te 88e1512, ko te whakarite i nga raraunga maeneene e tika ana mo te rokiroki me te tukatuka.Ka whiua te toenga i waenga i te tere me te pono, ka waiho hei kaupapa matua i roto i nga hoahoa o te pokapū raraunga o naianei.
I roto i nga punaha whakauru, ka taea e te waahanga te whakakii me te pai o nga whakatakotoranga mo te iot me te aukati.Ka poipoihia te whakauru i nga tono me nga tono whakautu, te taraiwa i nga hangarau kaainga atamai me nga miihini ahumahi.
Ko te 88e1512 e tutuki ana i te pikinga o te tono mo te ipurangi-tere i roto i nga taputapu kaihoko.Ko nga TV SMART me nga Whare Taakaha, hei tauira, te whakamahi i to raatau kaha mo te rere pai me nga wheako petipeti, whakarei ake i to paanga me te whakataetae.
• Te pupuri i te honohono: I nga whatunga metro me nga kaiwhakarato ratonga, ko te 88e1512 te whakarite kia mau tonu te hononga.Ma tona urunga e taea ai e ia nga kaiwhakarato ratonga ki te kawe i te uru Ipurangi kounga me te aukati iti, te painga o nga umanga me nga kaainga e rua.
• Te whakarei ake i te tuawha whatunga whatunga: Ko tana mahi i nga whatunga Metro e tautoko ana i nga hanganga e tika ana, e pai ana ki te whakahaere i nga huarahi whakawhitiwhiti korero me te whakauru i nga kawenga raraunga nui.He mea nui ki te mau tonu i nga whatunga whakawhitiwhiti Uruban, me whakarite te kaha me o raatau oranga.
• 88e1512-A0 - NNP2I000
• 88e1512-A0-NNP-2i000
• 88e1512-a0nnp2i000
• 88e1512a0nnp2i000


Marvell, mohiotia mo te pana i te kōpaki i roto i te rokiroki mamati, ka pakaru tonu te whenua hou puta noa i nga waahanga maha.Ko o raatau rongoā semicondictor matatau te whai waahi ki te whakatau i nga rahui o te raraunga, me te whai hua ki te umanga, te kapua, te maakete a Ahumahi.Ko tenei rautaki maori te whakaatu i ta raatau whakatapu ki te whakapiki i te kaha whakahaere raraunga me te tauine.
I roto i nga waahanga hinonga e rua me te kapua, ka whakarei ake te Marvell i nga rerenga raraunga me te pai o te rokiroki.Ko te kaha haere o te tohu whakahiato kapua mo te pakari, nga mahi hou.Ma te whakakii i nga algorithms matatau ki te taha o nga hoahoa-kaha-kaha, ka uru a Marvell e nga wero, e whakarato ana i te uru ki nga tikanga tere mo nga umanga e hiahiatia ana mo nga umanga.Mo nga Automotive me nga whakamahi ahumahi, ka tukuna e Marvell nga otinga e hangaia ana hei whakamana i nga ahuatanga uaua.Ko o raatau semiconductors e tuku pono ana, te tukatuka raraunga-kaha mo te whanaketanga o nga waka a nga waka maamaa me te hangahanga hanga.Ko te whakauru i nga kaha AI e tautoko ana i te whakatau me te whakatau i te whakatau me te tiaki i nga waahanga o enei waahanga.
Anei te tepu mo te Marvell Seconductor, Inc. 88e1512-A0-NNP2I000 whakaritenga hangarau me nga tohu.
|
Tuhinga |
Parapara |
|
Te wa nui o te wheketere |
16 wiki |
|
Maunga |
Maunga Matapihi |
|
Momo Momo |
Maunga Matapihi |
|
Paati / Take |
56-VFQF PAD FAPED |
|
Taumata Utu |
Papamahi Ahumahi |
|
Pāmahana whakahaere |
-40 ° C ~ 85 ° C (ta) |
|
Rārangitanga |
Alaska® |
|
Whakaputaina |
2011 |
|
Wahanga Mana |
Kakama |
|
Taumata Maha Kore (MSL) |
3 (168 haora) |
|
Tuhinga o mua |
56 |
|
Tuhinga |
Kawe |
|
Ngaohiko - toha |
1.71v ~ 1.89v, 2.38v ~ 2.62v, 3.14v ~ 3.46v |
|
Tūnga kāpene |
Quad |
|
Puka Tono |
Kahore he arahi |
|
Te maha o nga mahi |
1 |
|
Taha Taha |
3.3v |
|
Waehere Jesd-30 |
S-XQCC-N56 |
|
Tuhinga o mua |
4 |
|
Āati |
Ithernet |
|
Te reiti raraunga |
10Mbps, 100Mbps, 1GBPS |
|
Kawa |
Ieee 802.3, IEEE 1588 |
|
Te maha o nga taraiwa / kaiwhiwhi |
4-APR |
|
Tāwhahanga |
Ki tonu, hawhe |
|
Tuhinga o mua |
1 |
|
Simplex / duplex |
Tāwhahanga |
|
Te pāmahana max |
125 ° C |
|
Te whānuitanga o te pāmahana teitei |
85 ° C |
|
Tōroa |
1mmm |
|
Te mana o te rohs |
Ka tutuki a Rohs |
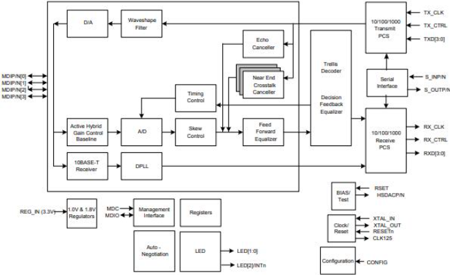
Te 88e1512 transcound I hoahoatia mo nga tatūnga whatunga whaihua, te tautoko i nga momo mahi e rima ki te pai Nga hiahia motuhake.Rgmii e whakarei ake i te whakawhitiwhiti korero mamati I waenga i a Mac me Phy, e whakaatu ana i te tuku raraunga me te whakaiti i te hoahoa He tino uaua, he pai mo nga hononga parahi i roto i nga whakaurunga maha.Sgmii Ko te kawa taapiri me nga takirua rereke mo te pono o te tohu tohu me te tatau titi iti, te tautoko i te parahi me te hononga muka, ka whakamahia whānuitia mo tana Te mana iti me te whakakotahitanga.RGMII ki SGMII Whakawhiti Whakawhiti Te hononga honohono ma te whakahohe i nga whakawhitinga rgmii-ki-SGMii me te whirihoranga Kōwhiringa kia pai ai te whakakotahi puta noa i nga huinga rereke.He parahi me te muka Tautoko SGMII Tautoko i te parahi e rua (pumau, utu-whai hua) me te muka (te tere-tere, te roa-tawhiti) hononga, me te whakamahi-aunoa mo te whakarite whakatika.Whakawhiti Fiber (1000base-X) te whakahaere Ko nga whakawhitinga kore i waenga i te parahi me nga momo miihini, ka whakahoutia ki te noho noho me nga taiao arumoni e pa ana ki nga whakaritenga me nga tohu tohu.
Kei roto i te kaiwhakamaori te whakahaere i te kaupapa arotahi ki te 3.3V ki te tautoko i nga puia LVCMOS maha: 1.8V, 2.5V, me te 3.3V.Ma tenei whakatauira e tuku te whakauru ki roto i nga punaha me nga waahanga hiko rereke.Ko te whiriwhiri i nga paerewa ngaohiko e awe ana i te kaha o te whakahaere me te kaha ki te taakaro i nga mahi rongonui i roto i nga wero o te miihini.Ma te haere ki enei waahanga, ka taea e koe te roa o te mahi mo te mahi mo te taputapu pumau.
I roto i te kete 56-titi QFN QFN, ko nga waahanga transceriver ko te 8mm x 8mm.Kei te whakamahia tenei hoahoa mo te whakarahi i te waahi ki nga papa huringa tuuturu, e tika ana mo nga tono tino nui.I te wa e noho tonu ana te hikohiko ki nga rahi iti rawa atu, ko te whiriwhiri i nga waahanga taapiri me te kore e ngaro te mahi nui.Ko te kete QFN kaore anake te whakapai ake i nga mahi whakaipoipo engari ka whakaiti hoki i te tapuwae, ka whai hua te hua me te whakautu ki te maakete.
Tena koa tukuna mai he uiui, ka whakautu wawe taatau.
i te 2024/10/29
i te 2024/10/29
i te 8000/04/17 147721
i te 2000/04/17 111779
i te 1600/04/17 111327
i te 0400/04/17 83649
i te 1970/01/1 79340
i te 1970/01/1 66805
i te 1970/01/1 62965
i te 1970/01/1 62854
i te 1970/01/1 54046
i te 1970/01/1 52032