
Te 74hc02 Ko te huringa tuitui e wha nga waahanga motuhake me nga tatau ranei.Kei ia kuwaha te whakauru i te aukati whakauru, e mahi ana i te ringa ki te whakahaere i nga wa o naianei ki te whakahaere i nga uara whakauru atu i te VCC.I roto i te whenua o te mamati porowhita, ko te taha o te keti e tu ana hei waahanga arorau tuatahi.Ko te ngawari o tana mahi i roto i tana mahi: ka whakaputahia he tohu nui i te wa e iti ana nga whakauru.Na reira, ko te 74hc02 te waahanga e hiahiatia ana mo te waihanga i nga momo mahi arorau.
I roto i nga kupu whaitake, ka taea e te 74HC02 te whakatau i nga hoahoa aratohu ma te whakaiti i te waahanga e hiahiatia ana mo nga mahi arorau.Ka whiti te taha o te taha o te taha ki te rua, ki te nui ake ranei o nga tikanga kia tutuki i te whakaputa.Ko nga hikohiko kaihoko e mahi ana hei tauira whakaatu.Ka taea e koe te huri pinepine ki tenei mahi ki te whakatere i nga mana whakahaere e tika ana i raro i nga tikanga motuhake-penei i nga waahanga tuuturu aunoa e kitea ana i roto i nga pouaka whakaata.
Ko te whakakotahitanga o nga manga 74hc02 mai i nga tono kura, ka kitea tona waahi i roto i nga punaha whakatipu.Ka waiho hei kaupapa matua ki te hanga i nga piripiri-paraihe me nga kara.Ko enei waahanga e whakamahia ana i roto i nga waahanga wahanga kei roto i nga maramara mahara me nga kaituku.Ano, ko te 74hc02 e whakaatu ana he kohinga ngoikore mo te whakahoutanga me te whakatikatika, i reira e pa ana ki te arorau i te huarahi mo te waiaro.
|
Āhuatanga |
Whakaaturanga |
|
Te Whawhai Ora |
Whānuitanga o te 2.0 v ki te 6.0 v |
|
Te wehenga mana |
Te kohi kaha me te hangarau CMOS |
|
Te mate ohorere |
Te Whakanoho Nui |
|
Te mahi-a-ringa |
Te kaha o te mahi-ake i te mahinga nui atu i te 100 MA (Jesd 78
Taumata II Taumata B) |
|
Taumata whakauru |
- 74HC02: CMOS taumata |
|
- 74Hct02: TTL taumata |
|
|
Te hanganga ture mo nga paerewa a te jedec |
- Jesd8c: 2.7 v ki te 3.6 v |
|
- Jesd7a: 2.0 v ki te 6.0 v |
|
|
Tiaki ESD |
- HBM Jesd22-A114F: neke atu i te 2000 v |
|
- MM Jesd22-A115-A: Nui atu i te 200 v |
|
|
Kōwhiringa mōkihi |
He maha nga whiringa kete e waatea ana |
|
Whakaritenga whakarite pāmahana |
Whakaratohia te -40 ° C ki te +85 ° C me -40 ° C ki te +125 ° C |
|
Tuhinga |
Parapara |
|
Te wehenga mana Max |
500mw |
|
Whakaroa wehenga |
15 NS |
|
Ko te waa o naianei |
2μA |
|
Tahuri i te wa roa |
7 NS |
|
Taumata Moko - iti |
0.5v ~ 1.8v |
|
Taumata arorau - teitei |
1.5v ~ 4.2v |
|
Nō nāianei - Te whakaputanga teitei, iti |
5.2ma, 5.2ma |
|
Whakaputa i naianei |
25MEME |
|
Te maha o nga mahi |
4 |
Ko nga whare 74h02 e wha nga keo, e wha nga keti, e mau ana i nga mahi arorau mohio.Ko enei tatau ka waiho i te tohu nui noa iho i te wa e rehitatia ana nga korero katoa, na tona tepu pono.Ko nga mana whakahaere o tenei ahuatanga me nga tatau ki te waiho i nga waahanga tuatahi i roto i te waihanga huringa mamati, te aukati i nga mahi arorau matatini.Ma te hono rautaki ki a raatau, ko enei tatau e rite ana ki era atu o nga whakaaro arorau penei me te, kaore ranei.

I roto i te ao o nga punaha mamati, kaore hoki nga Kaia e whakanuia e te 74HC02 e whai waahi ana ki te whakawhanake i nga waahanga arorau.Ka taea e koe te whakauru i nga mahi matua me nga waahanga whakahaere i roto i nga taputapu raupaparorohiko.Na roto i nga huihuinga tika, ko enei keti te whakahaere i te keehi me te hono, he nui nga ahuatanga o nga tukanga rorohiko.Ka taea e koe te whakawhirinaki tonu ki o raatau kaha ki te whakaputa i te hoahoanga porowhita, whakarei ake i te whaikaha whakahaere me te kore e aro ki te punaha.
•Te maumahara me te rokiroki: Ko te tono whanui o te kore o nga keti ranei e kitea i roto i nga tuhinga me nga hangarau rokiroki.Ka rite ki nga waahanga matua i roto i te hanga i nga pūtau mahara, ka whakahaere i nga tikanga whakahaere raraunga i roto i nga mahara me nga mahara kore-kore.Ko ta raatau mahi he mea tino tika i nga mahi hou o te maharahara, kei te tautokohia e to raatau te kapinga raraunga nui-nui me nga whakaritenga mana iti.Ko enei ahunga whakamua e whakanui ana i te takoha o nga tatau ki te tipu o nga hangarau mahara hiko o ia ra.
Kaore hoki nga tatau i te 74HC02 tino kaha ki te kaha o te whirihoranga mamati.Ko te tono rangatira o enei kuwaha ka taea e te whakatutukitanga o nga kawa haumarutanga.Ko nga whirihoranga arorau, penei i te hunga e mahi ana i roto i nga taapiri whakamunatanga, whakaranu i enei keti ki te whakangungu i nga raraunga whai mana mai i te kore mana.Ko te mutunga, ko te kaha o nga keti, he mea nui ki te hanga i nga hoahoanga punaha haumaru e whai hua ana ki te pupuri i te pono o te raraunga me te tiaki i to muna.
Hei taapiri, ko te 74HC02 te awe mo te whakahaere tohu mana whakahaere i roto i nga punaha hikohiko.Ko nga tatau he mea nui ki te arahi i nga huarahi tohu, te whakahaere i te mana whakahaere mo te waa, me te whakatutuki i nga mahi i roto i nga miihini me nga kaituku.Ko tenei taumata o te mana whakahaere he kaha ki te whakarahi i te punaha punaha me te whakarite i te tukutahi i waenga i nga waahanga rereke i roto i te anga mamati.
Ko te aratohu hurihuri 74HC02 e mau ana i te waahanga nui i roto i te raupapa 7400, te akiaki i te whakaaro huritao i runga i ana whakaritenga mahi me nga whakamahinga e mohiotia ana.Ka whai wāhi nui te whakahaere i nga punaha e pa ana ki te mahi auaha me te hiahia ki te whakaoti i nga hiahia ki te whakaoti i nga hoahoa hiko auaha.

Ko te hiahia o te huringa i roto i tona punaha mana, whakahaere i roto i te wharangi VCC o 2V ki te 6v.Ko te whakaurunga penei ka whai waahi ki te whakauru i te whakauru ki tetahi maha o nga punaha, e tautoko ana i te maha o nga tono kaha.Ka mau ki te tima o te titi me te maia te whakarite kia mau tonu te whakahaere me te karo i nga ngoikoretanga kaore e hiahiatia.
E wha nga wehenga o nga tatau ranei, ka hiahiatia e te maramara 74hc02 te whakauru, te mahi hei waahanga mutunga mo te whakawhanake i nga waahanga arorangi nui ake.Ka taea e koe te whakamahi i enei tatau i te hoahoa arorau mamati.
Whakaputa i nga rohe o naianei, te hoe i te 4 ma ia ana te kuwaha i te wa e whakahaere ana i te 5V, anga atu ki nga rohe o te tono.Ko tenei kaupapa e akiaki ana i nga aromatawai whakarei hei aukati i nga putanga katoa, me te whakatutuki i te whakakotahitanga o te pono.Ka taea pea e koe te whakauru i nga tatau poaka i roto i nga waahanga, te whakahaere i nga waa ki te tiaki me te whakaroa i te mana o te IC.
E kore ano nga tatau e mahi i nga mea e anga ana ki te ao o te hikohiko mamati.Ma te whirihora i a ratau, ka taea e tetahi te hanga i tetahi mahi Boolean, e whakaatu ana i to raatau ngawari.Ka taea e koe te keri ki nga tono whaihua mo enei kuaha, penei i te hanga i nga tohu me nga oscillator, e whakaatu ana i te ahunga whakamua o te maramara hei whakatutuki i nga hiahia motuhake me nga mahi auaha.
Ko te huringa 74HC02 tuitui e whakaatu ana i te 14 pini me te whakauru e wha o nga keti, he mea whakarite ranei, e kii ana i te hoahoa pinout me te mahi tino pai me te mahi tino pai.

|
Pin No. |
Ingoa pin |
Tuhinga |
Whakaaturanga |
|
1 |
1Y |
Whakaputanga
|
Putanga mai i te tuatahi me te kuwaha ranei. |
|
2 |
1A |
Kōkuhu |
Whakauru ki te tuatahi me te kuwaha ranei. |
|
3 |
1b |
Kōkuhu |
Whakauru ki te tuatahi me te kuwaha ranei. |
|
4 |
2Y |
Whakaputanga |
Putanga mai i te tuarua o te kuwaha ranei. |
|
5 |
2a |
Kōkuhu |
Whakauru ki te tuarua me te kuwaha. |
|
6 |
2b |
Kōkuhu |
Whakauru ki te tuarua me te kuwaha. |
|
7 |
Tūtiro |
Kaha |
Hono ki te whenua. |
|
8 |
3na |
Kōkuhu |
Te whakauru ki te tuatoru me te kuwaha ranei. |
|
9 |
3B |
Kōkuhu |
Te whakauru ki te tuatoru me te kuwaha ranei. |
|
10 |
3Y |
Whakaputanga |
Putanga mai i te tuatoru o te kuwaha ranei. |
|
11 |
Mānua |
Kōkuhu |
Whakauru ki te tuawha tuawha ranei. |
|
12 |
4b |
Kōkuhu |
Whakauru ki te tuawha tuawha ranei. |
|
13 |
4o |
Whakaputanga |
Putanga mai i te tuawha tuawha ranei. |
|
Rongo 14 |
Mūno |
Kaha |
Te kaha o te mana pai.Tūhono ki te + 5V te mana. |





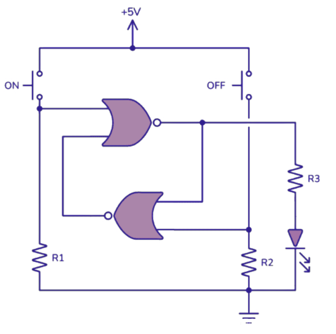
Ko te 74hc02 ic he waahanga pukenga e whakamahia nuitia ana i roto i nga kaupapa hiko ngawari engari nui.Ko tetahi tauira whaihua ko te hanga i tetahi SR (STET-REST), he waahanga ka taea e koe te whakahaere i te ara ma te whakamahi i nga tohu o IC.Ko tenei hoahoa e whakaatu ana i te mahi "Mahara" o te latch SR, i te wa e noho ana te LED i muri i te panui o te paatene tuatahi.

Ki te hanga i tenei ara, kohia nga mea e whai ake nei:
• 1 x 74hc02 ic: te waahanga nui, e whakarato ana i nga keti.
• 1 x LED (L1): Ka whakaatu i te kawanatanga putanga (i runga, ki waho ranei).
• 2 x 10 kω Nga Kaitohu (R1, R2): Te whakarite i nga taumata huringa mo te whakahaere i te waahi.
• 1 x 1 kω Comortor (R3): Ka tiakina te kaiarahi ma te aukati i te haere o te waa.
• 2 x Pushbuttons (S1, S2): Tukua koe ki te tarai i te ahua o te LED (hurihia ki runga, ki waho ranei).
Ko te 74hc02 IC e tuku ana i te maha o nga rereketanga, te pupuri i ona waahanga matua i te e whakaatu ana i nga rereketanga o te rereketanga o nga hiko.He maha nga whiringa matua ko:
• 74Hct02
• 74LS02
• 74lvc02
• 74AC02
• 74als02
• 74f02
• 74c02
|
Tohu |
Parapara |
Wāriu |
Aronui |
|
Mūno |
DC Whakaoto te ngaohiko (tohutoro ki te GND) |
- 0.5 ki te +7.0 |
K |
|
Uki |
DC Inputise Inputiranga (tohutoro ki te GND) |
- 0.5 ki a VCC + 0.5 |
K |
|
Pōuto |
Te Utu Utu DC (tohutoro ki te GND) |
- 0.5 ki a VCC + 0.5 |
K |
|
kutu |
DC Inputid Inputi, ia PIN |
± 20 |
na |
|
Iuto |
Te whakaputa i te waa, ia PIN |
± 25 |
na |
|
Icc |
DC Tukuna o naianei, VCC me Gnd Pins |
± 50 |
na |
|
PD |
Te wehenga o te mana i te hau tonu: |
||
|
- Pakihi hopi |
500 |
kupu muku |
|
|
- Pakihi TSSOP |
450 |
kupu muku |
|
|
Tāstg |
Te pāmahana rokiroki |
- 65 ki te +150 |
℃ |
|
Tl |
Te pāmahana matua, 1 mm mai i te keehi mo te 10 hēkona: |
||
|
- He kete, he putea ranei |
260 |
℃ |
|
Tohu |
Parapara |
Meneti |
Ātawhi |
Aronui |
|
Mūno |
DC Whakaoto te ngaohiko (tohutoro ki te GND) |
2 |
6 |
K |
|
VIN, VOUT |
Ko te huringa whakauru DC, te huringa putanga (tohutoro ki te GND) |
0 |
Mūno |
K |
|
TA |
Pāmahana whakahaere, momo mōkihi katoa |
-55 |
125 |
℃ |
|
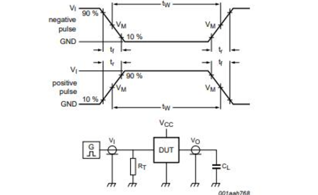
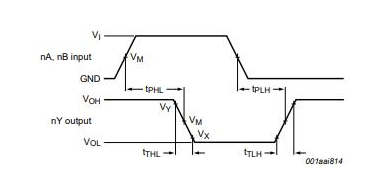
tr, tf |
Ko te pikinga whakauru me te wa hinga (74HC02 FardForms ahua) |
NS |
||
|
- vcc = 2.0 v |
0 |
1000 |
||
|
- vcc = 4.5 v |
0 |
500 |
||
|
- vcc = 6.0 v |
0 |
400 |

Tena koa tukuna mai he uiui, ka whakautu wawe taatau.
Ko te whakawa e whakakotahi ana i nga mahi a te roopu, he kuwaha ranei, he kaikiri ranei.Ka whakaputa i tetahi putanga pono i te wa he teka nga whakauru.Ko tenei ahuatanga e kaha ana mo te ngawari noa o nga waahanga arorau mamati, na te mea e whakarato ana i nga kaupapa me nga mahi whakahoahoa.Ko te whakamahi me nga tatau ka whakarei ake i te pono me te whai hua o nga momo tono ma te whakaiti i te matapae.
Ko te 74HC02 IC e whakahaerehia ana i roto i te waahanga huringa o te 2.7 v ki te 3.6 V. Ko te whānuitanga he painga ki te hiko hiko, te whakahohe i nga punaha mamati i te wa e pupuri ana i te kohi kaha.He mea nui tenei ahuatanga i roto i nga taputapu hiko-hiko ka taea te whakauru i nga whanau arorau rereke i roto i nga taiao miihini whakaranu.
E kore ano nga tatau e honoa, e whai hua ana, e pai ai te utu mo te whakaheke i nga utu mo te utu.Ko ta raatau hoahoa ngawari e whakahaere ana i te whanaketanga me te hurihuri, ka taea e koe te aro ki te whakapai ake i etahi atu waahanga o a raatau punaha.Ko te whakauru me nga tatau kei roto i nga hoahoa o te huringa ka taea te whakarite i te punaha, te kaha ki te whakapiki i te mau me te mahi.
Ko te whiriwhiri i waenga i a Nand Gates kei runga i nga hiahia motuhake penei i te tere, te kohi mana, te utu, me te uaua hoahoa hoahoa.Kaore ano hoki nga tatau e pai ake ana ki nga tono e hiahiatia ana kia tere te mahi me te whakamahi kaha.I tetahi atu taha, ko nga Gates he maamaa, ka taea e te utu ki te penapena me te ngawari o te hoahoa i roto i nga waahanga whakauru nui (VLSI) nga waahanga.Ko te whakatau tika me whakarite i runga i te aro mātai i enei mea e pa ana ki nga whakaritenga o te tono.
i te 2024/11/28
i te 2024/11/28
i te 8000/04/18 147757
i te 2000/04/18 111934
i te 1600/04/18 111349
i te 0400/04/18 83719
i te 1970/01/1 79508
i te 1970/01/1 66899
i te 1970/01/1 63014
i te 1970/01/1 63010
i te 1970/01/1 54081
i te 1970/01/1 52120