
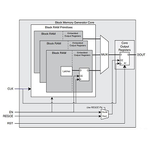
Aam Poraka (Bram) he waahanga nui i roto i nga momo FPGAS hou, ina koa i te raupapa SP3 o Xilinx.Ko te SP3 FPGA e whakarato ana i nga momo hipi e rua: Ahiahi ko te RAM tahi me te RAM tohatoha, i hangaia mo nga mahi whakahaere raraunga motuhake.I tukuna atu ki te 1.87 Mbit o te Poram Poraka, e whakamahia ana mo nga mahi penei i nga raraunga e mau ana, me te aukati i nga punaha mahi nui.Kei ia waahanga Ram RAM he 18 kbit te kaha me te tautoko i nga mahi-tauranga-rua.Koinei te tikanga kei roto i nga pahi 36-bit o te tuatahi mo te panui me te tuhi i nga mahi, te whakanui i te kaha.Ka taea e koe te whirihora i te mea kotahi-tauranga kotahi ki te 72-bit bandwidth ranei-tauranga rua me te hōhonu-36-bit me te tuku i te waatea mo nga matea whakauru raraunga.
Ka taea hoki te aukati i nga waeine RAM ka taea te uta ki te 104 waeine ka hono atu ki te whakamahi i te kaha mahara me te tautoko i nga mahi tukatuka uaua.Ma tenei waahanga e taea ai te hanga i nga punaha mahara arorangi me nga waahanga ritenga me nga whakawhitiwhiti korero.I roto i te mahi, ka aukati te Ram i nga mahi i roto i nga tono e hiahiatia ana kia uru tere te raraunga, penei i te tukatuka tohu matihiko (DSP).Ko tona kaha ki te mahi i nga mahi panui tere / tuhi tere ka pai ake te whakauru me te whakaiti i te koretake, ko nga mahi a te iwi ka whakarite kia pono te raraunga.Ko te hoahoa rua-tauranga me te kaha ki te aukati kia pai ai te whakatairanga i te RAM e kaha ana ki te hanga i nga hoahoanga Whakamaumahara pai.Ka rite ki te tono mo te tukatuka raraunga tere-tere ka tipu, te maarama me te riipene a te RAM e kaha ana ki te hoahoa o te punaha FPGA-a-rohe.
Ka hiahiatia e te RAM te whakamahinga tonu i roto i te waa kotahi, ko te tikanga ka iti ake te mahara ki te mea he iti ake te waahanga o te papatono ram, kaore i te waatea te waahanga kaore i whakamahia mo etahi atu kaupapa.Ka taea e tenei te hua kaore i te ngoikore me nga rauemi kua ururuatia, ina koa i roto i nga punaha me nga tono mahara hihiri ranei.He rereke, ka taea e te RAM tohatoha te ngawari ake ma te tuku i te tohatoha noa o te maharatanga noa, kia pai ai te whakamahi i nga whakaritenga, penei i te tukatuka raraunga.Ko enei rereketanga o te hoahoanga e whai kiko ana, me te RAM tohatoha he maha ake te kaha o te whakahaere rauemi, te whakaiti i te kaha o te whakahaere, me te whakapai ake i nga mahi.Te kōwhiri i waenga i te Poraka Poraka me te RAM tohatoha ka whakawhirinaki ki te tono motuhake, ka whakapau kaha ki te whakapau, te mahi, me te utu.
Tena koa tukuna mai he uiui, ka whakautu wawe taatau.
i te 2024/12/30
i te 2024/12/30
i te 8000/04/18 147778
i te 2000/04/18 112029
i te 1600/04/18 111351
i te 0400/04/18 83781
i te 1970/01/1 79579
i te 1970/01/1 66972
i te 1970/01/1 63107
i te 1970/01/1 63041
i te 1970/01/1 54097
i te 1970/01/1 52193