Te Epm7192SQC160-15 Ko te cpld-a-waenganui (taputapu arorau matatini) mai i te whanau Max 7000s i hangaia mo te mana arorau mamati pono i roto i nga punaha whakauru me nga punaha ahumahi.Ka tukuna e tenei maramara nga tau 192 macrocell me te 3,750 Gates torangapu, he nui te kaha ki te whakahaere i nga mahi arorau ngawari.Kei roto i te 124 i / o pine, ka rere i runga i te 5V supply, me te maha o nga tautoko i / O te tautoko ki nga punaha arorau e rua 3.3v me te 5V me te 5V.Ko tona papanga-a-roto i te punaha-a-punaha te tikanga ka taea e koe te whakahoki i te waa i roto i to huringa ma te whakamahi i te jtag, me te kore e hiahiatia nga waahanga taapiri, te maharatanga o waho ranei.Ma te tohu tere o te -15, ka tautokohia nga huringa karaka o te punaha ki te 76.9 MHz, e tuku ana i te mahi tere me te tere o nga tono mamati whanui.E mohiotia ana te whanau Max 7000s mo tana mahi totika, maharatanga eeprom, me te mahi ngaohiko ngawari.
Kei te titiro mo te EPM7192SQC160-15?Whakapā mai ki a maatau ki te tirotiro i nga taonga o naianei, te waa arataki, me te utu.

EPM7192SQC160-15 Tohu

Epm7192SQC160-15 Wahanga

Epm7192SQC160-15 Tauira 3D
192 macrocells: Kei roto i te taputapu 192 macrocell, e mahi ana hei mea matua matua.Ko enei macrocells ka taea te whirihora hei whakatinana i nga mahi arorau maha me te raupapa whakahiato e hiahiatia ana i roto i nga hoahoa mamati.
Tata ki te 3,750 Gates: Ka whakawhiwhia e ia te kaha arorau o te 3,750 nga tatau, e tika ana mo te arorau-a-ringa, ki nga miihini whenua, me te arorau ranei i roto i nga punaha whakauru.
I roto i te punaha-a-punaha ma te JTAG: Kei roto i te maharatanga o te EEPROM-tauira e taea ai te whakahou i te atanga jTAG paerewa, me te tautoko i te e rua i [me Ieee 1532 paerewa.
Te nuinga o te waa tae atu ki te 125 mhz: Ka taea e te arorau o roto te whakahaere i nga tere o te karaka tae atu ki te 125 mhz, e taea ai te tukatuka tere mo nga tono-tairongo.
Te wa whakaroa mo te 7.5 ns: Ko te maramara ka tuku i te wa iti o te waa mo te 7.5 nanosconds, ma te whakarite i te whakautu tohu tere mai i te whakauru ki te putanga.
Ka tautokohia e 5V te toha me te maha o nga Multivolt i / O: Ko te taputapu e rere ana i runga i te kohinga matua 5V me te tautoko i te maha o nga waahanga me nga taumata tohu e rua me te 3.3v mo te whakauru ngawari ki nga punaha whakauru.
Te reanga kua oti te whakarite me te whakaputawhera tuwhera-tuwhera: Ka taea e koe te whakahaere i nga reiti o te tohu tohu mo te whakaheke emi me te whiriwhiri i nga putanga tuwhera-tuwhera mo te wire-me te arorau ranei te neke neke ranei.
E ono nga putanga o te ao ka taea e nga tohu: Ko enei tohu mana whakahaere e tuku ana i nga hua, te whakakore ranei i nga putanga puta noa i nga peeke i / o nga peeke mo te whakahaere tika.
Flip-flip-flips-flips i Macrocells: Kei roto i ia macrocelll he putiputi-flop e tautoko ana i te tatūkē, te marama, te kore o te tangata takitahi, te whakarato i te ngawari ki te hoahoa arorau raupapa.
Aratau-iti: Kei roto i te taputapu tetahi waahanga whakaora-kaha ka tapahia te kaha mana o Macrocell i runga i te 50%, he painga mo nga tono hiko-pai.
Ko te tautoko a te rohe o JTAG-Scan : Pūrere me te 128 neke atu ranei macrocells, penei i tenei, whakauruhia nga waahanga whakamatautau-a-rohe e whai kiko ana mo te taatai me te whakamana i te poari-reanga.
Hetia te haumaru mo te tiaki hoahoa: Ko te maatauranga haumarutanga e whakarite ana ko te hoahoa o roto kaore e taea te panui, te kape ranei, te tiaki i nga rawa hinengaro.
PCI-hototahi i / o: Ko te hanganga I / O te hanga hei whakatau i nga whakaritenga hiko o te PCI, ka taea te hono atu ki nga punaha PCI-i runga i nga punaha a PCI.
Te whānuitanga o te pāmahana o te pāmahana 0 ° C ki te 70 ° C: Ko te Raarangi Paerewa-Raro-Paerewa e tika ana kia pai mo te nuinga o nga tono o roto me te whakahaere.

Ko tenei raarangi e whakaatu ana i te whakatakotoranga PIN mo te EPM7192SQC1C160-15 me nga taputapu ALTEra Max 7000s.Ko te maramara 160 pini i whakarite i nga taha e wha i te taha o te kete QFP tapawha.Ka tiimata te PIN 1 i te kokonga maui-maui me nga nama ka haere i te taha o te maramara.E 40 pine.Ko te ira iti i te taha maui-maui ki te tohu tohu 1, e awhina ana i te waahi tika.Ko te ingoa maramara i roto i te pokapū e whakaatu ana he mea hototahi ki etahi atu tauira i roto i te whanau kotahi.Ko tenei tahora he maha nga hononga I / o O / me te whai hua mo nga hoahoa arorau matatini.

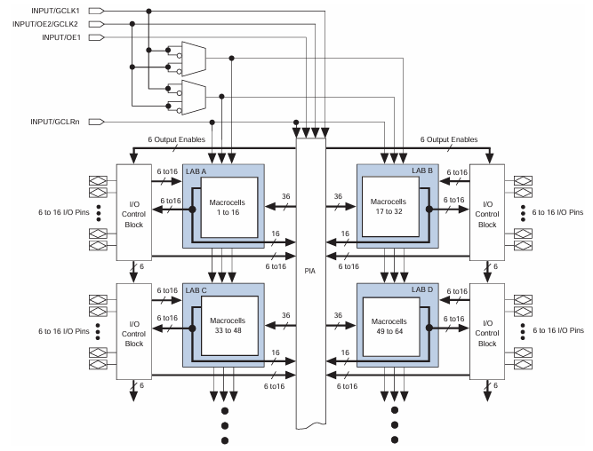
Ko tenei raarangi poraka e whakaatu ana i te hanganga o roto o te Max 7000s Cpld, tae atu ki te EPM7192SQC160-15.Ka wehea te maramara ki nga waahanga matua e wha e kiia ana ko te arorau a Logic Poraka (Lab a d).Kei ia Lab he 16 Macrocellls, ko nga waahanga arorau iti e whakamahia ana hei hanga i nga porowhita mamati.Ka noho tahi, ko enei tapanga te whakahaere i nga mahi arorau matatini.
I te pokapū ko te whakariterite i te interconnect profyconnect (Pia), e hono ana i nga taiwhanga katoa ka taea e ratou te tiri raraunga.Ko ia taiwhanga ka tukuna, ka whiwhi tohu i roto i te 36 nga awa, e tuku ana i te ara ngawari i waenga i nga poraka arorau.Huri noa i nga taha, kei / O / Or Crock poraka e hono ana i te 6 ki te 16 i / O nga titi ki ia taiwhanga, ka taea te hono atu ki etahi atu waahanga.
I te tihi, ko nga tohu mana o te ao e rite ana ki nga karaka me nga putanga ka taea te whakaatu.Ko enei tohu e awhina ana ki te whakahaere me pehea te neke o te raraunga i roto i te maramara ka ka kaha te whakaputa.Te nuinga, e whakaatu ana te hoahoa me pehea te whakahaere o te EPM7192SQC160-15 tona whakaaro me nga hononga hei tautoko i nga hoahoa mamati ritenga.
|
Tuhinga |
Parapara |
|
Kaimahitaonga |
Arā iatera |
|
Rārangitanga |
Max® 7000s |
|
Whiu |
Heri |
|
Wahanga Mana |
Neha kē |
|
Momo ProfictionMable |
I roto i te Papatonotanga Pūnaha |
|
Te roa o te TPD (1) Max |
15 NS |
|
Taonga ngaohiko - roto o roto |
4.75v ~ 5.25v |
|
Te maha o nga waahanga arorau / Poraka |
12 |
|
Tuhinga o mua |
192 |
|
Tuhinga o mua |
3750 |
|
Tuhinga o mua |
124 |
|
Pāmahana whakahaere |
0 ° C ~ 70 ° C (ta) |
|
Momo Momo |
Maunga Matapihi |
|
Paati / Take |
160-BQFP |
|
Ko te kete taputapu taputapu |
160-PQFP (28x28) |
|
Tau hua hua |
Epm7192 |
Whakaputa i te punaha pūnaha
He pai te EPM7192SQ160-15 mo te piriti i nga taputapu mamati rereke i roto i nga punaha whakauru.Ka taea te whakamahi ki te whakahaere i nga whakawhitiwhiti korero i waenga i nga microcontrort, me nga maramara maumahara ma te whakahaere i te waahi whakawhiti, te whakahaere pahi, me te kore e hiahia ki nga whakaaro arorau.
Miihini whenua me te arorau mana
Ki te tau 192 macrocell, ko te maramara he pai rawa atu mo te whakatinana i nga miihini whenua me te arorau mana.Kei te whakamahia noa i roto i nga mahi aunoa, nga kaiwhakahaere motuka, me nga punaha whakahaere i nga wa e whai mana ana, e taea ai te whakaputa korero.
Whakawhitiwhiti Whakawhitiwhiti Whakawhitiwhiti
Ka taea te whakamahere i tenei CPLD ki te waihanga, ki te whakamaori ranei i nga kawa korero penei i a Uart, Spi, I²c, me nga papa rangatū ritenga ranei.Ka taea e ia te whirihoranga ngawari me te whakarereketanga me te kore e huri i te taonga, ka whai hua ki te whakawhitiwhiti korero.
Ko te tohu Digital i mua i te tukatuka
He mihi ki tana tere arorau tere me te roa o te wa, ka taea e ia te whakahaere i nga mahi tukatuka tohu ngawari penei i te tātari, te kitenga o te tohu i mua i nga tohu o te kaitukatuka matua ranei.
Whakawhitiwhiti Whakawhitiwhiti me te Taumata Whakawhiti
Ko te Multivolt i / O te tautoko i nga tohu 3.3V me te 5V nga tohu.Ma tenei ka pai ake mo nga hoahoa kei roto i nga waahanga e whakahaere ana i nga taumata rereke, e tuku ana i te whakamaoratanga haumaru me te pai.
He tere tere me te whakahou i nga punaha
Ka taea e koe te whakamahi i tenei maramara i roto i nga punaha ka hiahiatia pea nga whakahoutanga arorau maha.Ko tana hanganga-a-papa-a-papa-a-rorohiko me te atanga papatono JTAG ka taea te tarai i te whakaaro i muri i te huihuinga o te poari.
Te whakamātautau o te Poari me nga Taatai
Ma te tautoko a rohe-karawhio ma te JTAG, ka whakamatautau i nga hononga i waenga i nga maramara i runga i te PCB me te kore e hiahia ki te hiahia.He whai hua tenei i te wahanga me te taatai i nga waahanga-a-mara mo te rapu i nga mahi hoia, i nga take ranei.
• Epm719260-20 (Altera)
Ko tenei taputapu mai i te raupapa o te 7000 me te tuku i nga rauemi arorau ano, 192 macrocell me 124 i / o titi i roto i te kete 160-pine.Ka whakahaerehia i te papa tere tere o te -20, ko te tikanga kua roa ke atu te waa (~ 20 NS), engari kei te whakatutuki tonu i nga hiahia o nga hoahoa kore-kore.He mea tika tenei mo nga tono kei reira te ahua o te arorau, engari ko te waa tere-tere ehara i te mea nui, kia pai ai te utu mo nga kaupapa utu.
• Epm7192SQI160-10N (Altera)
Ko tenei waahanga he arorau-hotera ki te EPM7192SQ160-15, e tuku ana i te maha o nga macrocells me IS.Heoi, ka whakamahia e ia te tohu tere -10, e tautoko ana i te mahinga tere me te pai ake o te waa (10 NS Whakatakotoranga Whakamatau).Ka tautokohia ano hoki te whānuitanga o te pāmahana mai i te -40 ° C ki te 85 ° C, he pai te whakakapi mo nga tono ahumahi me nga tono o waho ranei.He pai ake tenei i te wa e hiahiatia ana te tere me te kaha o te taiao.
• Epm7192SQC160-7 (Intel)
Hei rereketanga tere tere o te EPM7192SQ160-15, ka tukuna e te putanga -7 te mahinga tere i roto i te whanau, me te whakarite mo te 7.5 ns.Kei te mau tonu te whirihoranga PIN, nga tohu mana, me te whakakapi i te tirotiro mo te hunga e rapu tere tere ana me te kore e whakatika i te paparanga o te poari.Koinei te mea tino pai mo nga hoahoatanga-a-waa e hiahia ana ki te whakautu tohu tere i te wa e noho ana i roto i te papaahi hoahoa kotahi.
1. Whakauruhia te Aratau ISP
Ko te taahiraa tuatahi ko te neke i te taputapu ki te ISP (i roto i te punaha).Ka mahia tenei ma te atanga jTAG.Kotahi i roto i te aratau ISP, ko nga titi katoa i runga i te taputapu ka whakanohohia ki te aratau-a-ringa-a-ringa hei aukati i te wawaotanga arorau kaore i whakaarohia i te wa e whai kiko ana.Ko tenei timatanga i te nuinga o te wa e pa ana ki te 1 millisecond.
2. Tirohia te ID Pūrere
Ko te ID Silicon ahurei e whakauruhia ana ki te taputapu ki te whakaū i te tauira tika i mua i te tiimata o te papatono.Ka huri te punaha i roto i te tohutohu panui ka whakahoki mai i te ID ma te TDO (nga raraunga whakamatautau).Ka whakapumautia e tenei tirotiro ko te taputapu papatono e hono ana ki te CPLD tika me te karo i nga hapa penei i te tuhi i tetahi waahanga rereke.
3. Te whakakore moni
Ko te whakakore i te nuinga ka horoia nga raraunga rongoa i mua i te mahara o te EED.Ka whakarite tenei i te maramara kia whiwhi whirihoranga hou.Ko te kupu whakakore i te tiimata i te pehi e tata ana ki te 100 milliseconds, kia whakarite i nga pūtau katoa.
4. Te eeprom hōtaka
Ko nga raraunga whirihoranga hou e utaina ana ki te taputapu ma te whakawhiti i te wahitau me nga waahanga raraunga i roto i te tauranga JTAG.Ko ia pūtau mahara e tuhia ana e tetahi, me te purongo o te papatono i tukuna i muri i ia huringa tuhi angitu.Ka tautuhia e tenei tukanga te hanganga arorau e whakamahia ana te CPLD ina whakahaeretia.
5. Tirohia te EEPROM
I muri i te whakatakotoranga o te papatono, ka mahi te taputapu i te taahiraa.Ka uru atu tenei ki te panui i ia waahi whakamaharatanga kua whakaritea me te whakataurite i nga uara whakaputa ki nga raraunga e hiahiatia ana.Mena kua ngoikore te whakaotinga, me whakahoki tonu te mahi.Ka whakamanahia e tenei taahiraa te tuhi i te whirihoranga.
6. Puta i te aratau ISP
Ina oti te whakaotinga, kua tukuna he whakahau whakamutunga ki te puta i te aratau ISP.Ka whakahoutia e te taputapu tana i / o nga titi ka whakahou i nga mahi noa.Ko tenei whakawhitinga ano hoki e tata ana ki te 1 millisecond me te whakaoti i te huringa hōtaka-pūnaha.
• Te rahi o te tinana: 28mm × 28mm
• Te teitei o te kete: 3.4mm
• Pin Pin: 0.65mm
Ko te EPM7192SQC160-15 i hangaia i te tuatahi ALtera Corporation, he kamupene e mohiotia ana mo ona taputapu arorau matatau.I te tau 2015, i whakawhiwhia a Altera ki Intel Corporation, a ko te taputapu inaianei he waahanga o te roopu rongoā whakamaherehere a Intel i raro i te whanau Max 7000s CPLD.Kei te tautoko tonu te Intel ki te tautoko i nga hua Alteracy Off, ahakoa kua tohua te EPM7192SQC160-15 hei kuia i roto i nga tuhinga mana nui.Ahakoa tona ahua kua mutu, ko te ingoa o mua o te Intel mo te pono me te taonga tuku iho a Altera i roto i nga otinga arorau e kaha ana te whakarite me te waatea ma te hunga tohatoha tuarua.
Ko te EPM7192SQ160-15 he maramara whai hua me te ngawari mo te whakahaere i nga mahi mamati i nga punaha hiko.He nui te mana o te mana arorau mo nga mahi penei i te hanga whare me nga miihini whenua, nga tohu whakahaere, me te hono i nga taputapu rereke.He tautoko i nga taumata rereke rereke, mahi i nga tere tere, ka taea te whakahou i te jtag.Ko tana hoahoa a roto o roto e taea ai te rere maeneene te rere maeneene me nga huringa arorau ngawari.Ahakoa kua oti te whakakorehia inaianei, he mea tino pai mo nga kaupapa tawhito me te haere tonu ranei, ka taea te whakakapi ki nga maramara rite tere ake, te tautoko ranei i te pāmahana tere.
Tena koa tukuna mai he uiui, ka whakautu wawe taatau.
Ae, e tautoko ana te maramara i te papatono raupaparorohiko (ISP) ma te Atanga JTAG, na ka taea e koe te whakarite i te kaupapa JTAG i te wa e hokona ana i runga i te PCB, e tika ana kia whakahoutia te mahi.
Ka taea e koe te whakamahi i nga punaha a Alterar's II Soloft (putanga tawhito) ki te hanga hoahoa arorau, whakahiatohia te waehere, me te whakahaere i te kaupapa whakahaere a te JTAG-e pa ana.Ka tautokohia e te Quartus II nga taputapu 7000s e rite ana ki te EPM7192SQC160-15.
Kaore, kei a ia ano te maharatanga whirihoranga-a-roto-a-roto.Ko te whirihoranga arorau katoa kei te rongoa i roto i te maramara, na reira e hiahiatia ana te maharatanga o waho mo te penapena i nga whenua arorau, nga waahanga boot ranei.
Ko tana mahinga 5V pakari, multivolt i / o te tere, te tukatuka arorau tere, me te eepron-kore-kore-i-te-kore e tika ana mo nga punaha umanga e hiahiatia ana me nga mahi arorau mamati.
He mihi ki tana puumentivolt i / o Ka taea e te taputapu te hono ki nga taumata arorau e rua, e pai ana ki nga punaha tohu-tohu me te hono ki nga waahanga-iti-iti.
i te 2025/06/13
i te 2025/06/12
i te 8000/04/18 147776
i te 2000/04/18 112018
i te 1600/04/18 111351
i te 0400/04/18 83773
i te 1970/01/1 79571
i te 1970/01/1 66962
i te 1970/01/1 63103
i te 1970/01/1 63041
i te 1970/01/1 54097
i te 1970/01/1 52186