
Te Epm30644ATC44-10 Mai i nga raupapa 3000A o te Max® a Intel's e tohu ana i te taputapu arorau matatini kaha (CPLD) mo te whānuitanga o nga tono mamati.Ki te 64 Macrocells, kua whakatauhia tenei taputapu mo te whakautu tere me te waa whakaraerae nui o te 10 nanosconds, kia pai te mahi.Ka whakahaerehia i runga i te huringa tohatoha 3.3V i roto i te kete papaa 44-pine angiangi, e tika ana mo nga tono arumoni i roto i te whānuitanga o te 0 ° C ki te 70 ° C.Ko te waahanga waahanga EPM3064ATC44-10 e hono ana i tana hoahoa me tana mahi: Whakapuaki Mo nga raupapa Max®® o CPlds, 3064 e whakaatu ana i te tauira motuhake me 64 macrocells, He Mo te hangarau matatau 3.3v, T Mo te kete TQFP, a C44 Te whakaū i te tatauranga PIN me nga whakaritenga pāmahana.Te Offix-10 e tohu ana i tana karaehe tere tere me te roa o te roa.Ko tenei taputapu he otinga tino pai mo te whakauru i te SSI, MSI, me nga mahi arorau LSI, he hototahi ki te 100% TTL emulation.Ka tautokohia e ia te whakauru i nga waahanga rereke mai i nga waahanga rereke mai i te papa, i nga gals, me te 22v10 ki nga taputapu plli, he tino pukenga.E waatea ana i roto i nga whiringa taapiri penei i te plcc, PQFP, me TQFP, ko te Max® 3000A raupapa tuku i te ngawari o te tono puta noa i nga tono.
Mena kei te hiahia koe ki te whakahou i o punaha mamati me nga taputapu aro matapai me te pai, te haumi i roto i te EPM306444-10 i roto i te nuinga he nekehanga mohio.He whakataunga tera e whakarite kia kaha te mahi me te whai hua.

Epm3064ATC44-10 tapuwae

Epm3064ATC44-10 tauira 3D
• 64 Macrocells: Kei roto i tenei CPLD 64 nga waahanga arorau whiri whakamarama e kiia ana ko Macrocells.Ka taea e ia macrocell te whakariterite takitahi ki te mahi i nga mahi arorau matatini, ka taea te taputapu ki te hapai i te whānuitanga o nga mahi mamati me nga tukanga.
• Gates usales: Ko te taputapu e kii ana i te 1,250 nga tatau.Ko tenei inenga o te matatini e tohu ana i te nui o te whakauru arorau ka taea i roto i te CPLD, ka taea e ia te tautoko i nga waahanga mamati ngawari me te matatini.
• Te nuinga o te mahinga whakahaere: Ka taea e te EPM3064ATC44-10 te roa o te tau 222.2 MHz.Ko tenei momo tere teitei e pai ana ki te tere tere tere, kia pai ai mo nga tono e hiahiatia ana e nga waa whakautu me nga mahi raraunga tere-tere.
• Te wa whakaroa: Ma te iti o te whakaroanga iti o te iti noa o te 4.5 nanoseconds, tenei cpld e whakaiti ana i te wa e tukuna ana mai i te tuku mai ki te putanga, te whakarei ake i nga mahi me te whakautu i te punaha me te whakautu.
• Tautuhi Hoaho: Ka whakahaerehia i runga i te huringa tuku 3.3V, me te whānuitanga e taea ana mai i te 3.0v ki te 3.6v.Ko tenei huringa ngaohiko e whakarato ana i te waatea i roto i nga whakaritenga o te mana mana, te whakatutuki i te maha o nga punaha mamati.
• I / O Tuhinga: Kei roto i te taputapu 34 nga titi whakauru / whakaurua, tuku mo te honohono whanui me etahi atu waahanga o te punaha mamati.Ko enei titi ka taea te whakawhiti i te whakawhiti raraunga ki roto, i waho o te CPLD, te tautoko i te whakatipuranga whanui o nga mahi honohono.
• Momo Pakihi: I hangaia i roto i te 44-pine angiangi angiangi (TQFP), te EPM3064ATC44-10 e whai hua ana hei tono i nga tono kei te tau, me te kore e taupatupatu.
• Rangi o te pāmahana: I hoahoatia hei whakahaere i roto i tetahi momo pāmahana arumoni o te 00 ° C ki te 70 ° C.

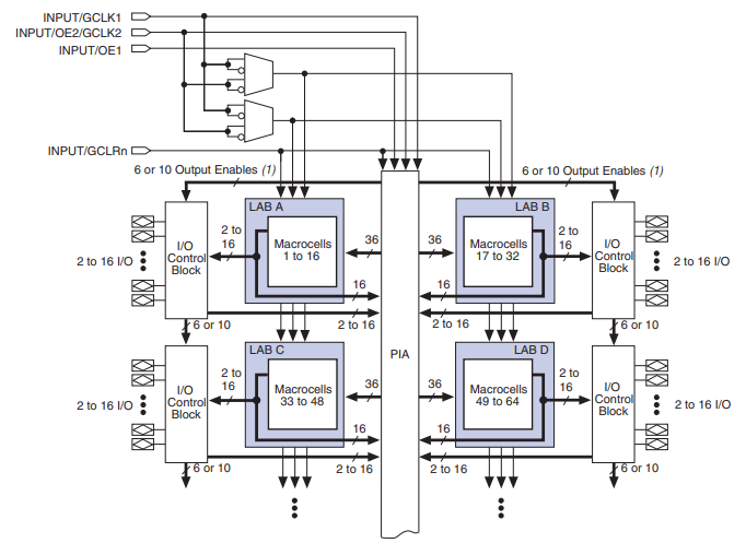
Ko te raarangi poraka mo te EPM3064ATC44-10 e whakaatu ana i tetahi whakaaturanga tirohanga o tona hoahoanga a-roto, e whakaatu ana i nga waahanga mahi me o raatau hononga.I te matua o te hoahoa he wha nga poraka poraka (Labs) i tapaina a, b, c, me te D, ia D, ia macrocells mo te 64 macrocells.Ko enei tapanga e hono ana ki te kaupapa honohono a-roto (Pia), e whakahaere ana i te huarahi o nga tohu i waenga i nga tapanga me nga poraka whakahaere.Ka whakapumautia e te Pia ko te whakauru, nga putanga, me te arorau o roto ka taea te whakawhiti korero me te ngawari.Kei te hono ano ia taiwhanga ki tana paanga ki te aukati i te poraka i / O, e 16 ki / O CINS.Ko enei poraka e whakahaere ana i te taunekeneke i waenga i nga tohu o waho me te arorau o roto, te tuku i nga waahanga penei i te mahi bidirectional me te putanga whai hua.Ko te hoahoa e whakaatu ana i nga tohu whakahaere penei i te Kamupene o te Ao (GCLK1 me GCLK2), me te Gclk2), me te OE2), me te OE2..

Ko te kauwhata e whakaatu ana i te kohi kaha o te waa (ICC) mo te maha o te waa mo te EPM3064ATC44-10 i raro i te huringa o te 3.3V i te pāmahana rūma.E rua nga tikanga whakahaere e tohuhia ana: Tere teitei me Mana iti.I te aratau tere tere, ko te kohi o naianei ka piki haere te rahi o te mahi whakahaere, ka tata ki te 50ma mo te iti o te 70ma i te 70Ma i te tau 182.2 mhz.Ko tenei aratau i hangaia mo nga tono e hiahiatia ana kia nui te mahinga me te tere tere o te tukatuka tere.Ko te tikanga, ko te aratau mana iti e whakaatu ana i nga kai o te waa o te waa, e tata ana ki te 20Ma i te tau 20Me i te 30Ma te pikinga ki te 125 mhz.Ko tenei aratau e arotau ana ki te mahi kaha-kaha, e tika ana mo te hoahoatanga i te whakaurutanga mana o raro mo te tere.
|
Tuhinga |
Parapara |
|
Kaimahitaonga |
Altera / Intel |
|
Rārangitanga |
Max® 3000A |
|
Whiu |
Heri |
|
Wahanga Mana |
Neha kē |
|
Momo ProfictionMable |
I roto i te Papatonotanga Pūnaha |
|
Te roa o te TPD (1) Max |
10 ns |
|
Taonga ngaohiko - roto o roto |
3v ~ 3.6v |
|
Te maha o nga waahanga arorau / Poraka |
4 |
|
Tuhinga o mua |
64 |
|
Tuhinga o mua |
1250 |
|
Tuhinga o mua |
34 |
|
Pāmahana whakahaere |
0 ° C ~ 70 ° C (ta) |
|
Momo Momo |
Maunga Matapihi |
|
Paati / Take |
44-TQFP |
|
Ko te kete taputapu taputapu |
44-TQFP (10x10) |
|
Tau hua hua |
Epm3064 |
1. Whakauruhia te ISP: Ko tenei waahanga tuatahi ka whakawhiti i te whakauru / putanga (I / O) Pins mai i te aratau kaiwhakamahi noa ki te aratau ISP.He mahi whakarite hei whakarite kia rite te taputapu mo te papatono, me tono kia 1 millisecond anake hei whakaoti.
2. Tirohia te ID: I mua i te tiimata i tetahi papatono, te whakaotinga ranei, kua tirohia te ID Silicon o te taputapu ki te whakaū i tona tuakiri me te whakarite i te hototahi ki nga whakahau papatono.He tere tonu tenei mahi, ka taea e koe te iti ake o te waahanga o te waa hotaka hotaka.
3. Te whakakore moni: Hei whakakore i nga raraunga o mua mai i te taputapu, ka mahia he whakakorekore.Ka uru atu tenei ki te tango i nga kupu whakakorehia ki roto i te taputapu me te tono i te Pulse 100-millisecond ki te whakakore i te EEPROM (nga maharatanga panui-a-rorohiko e taea ana te whakarite.Ma tenei taahiraa te whakarite i te taputapu mo nga raraunga hou.
4. Program: I tenei wa, ko nga raraunga hou ka whakamaherehia ki te taputapu.Ka uru atu tenei ki te uta i ia wahitau Eeprom me nga raraunga hou me te whakamahi i te pulfegramming ki te tuhi i nga raraunga ki roto i nga punaha EEPRO.Ko tenei mahi ka whakahuahia i te wahitau ma te wahie kia whakaritea katoa nga raraunga e whakaarohia ana ki te taputapu.
5. Tirohia: I muri i te papatono, ka whakatauhia nga raraunga a te taputapu kia pai ai te tuhituhi.Ka uru atu tenei ki te panui i nga raraunga mai i ia wahitau EEPROM me te whakataurite me nga raraunga e whakaarohia ana.Ma tenei mahi e whakarite te tika o te hotaka me te whakahoki ano mo ia wahitau.
6. Puta i ISP: Ko te whakawhitinga whakamutunga i te I / O CINS mai i te aratau ISP ki te aratau kaiwhakamahi.Ka rite ki te atamira ISP ENTP, he tere ano tenei mahi, e kii ana i te 1 millisecond anake.He tohu mo te whakatutukitanga o te kaupapa whakamahere, tuku i te taputapu ki te whakaara i nga mahi noa.
He pai tenei CPLD mo nga tono pūnaha whakauru i te mea e hiahiatia ana te arorau ritenga ki te whakapiri i nga mahi a Microcontrort.Ka taea e ia te mahi i nga mahi penei i te hono, te tukatuka tohu mana, me te whakahaere i nga taonga taputapu, hei whakapiki i nga kaha me te kaha o nga hoahoa whakauru.
I roto i te waahanga whakawhiti, ko te EPM3064ATC44-10 te mahi i roto i te whakahaere kawa, te whakahaere i te pono, me te whakahaere raraunga.Ko ona kaha tukatuka arorau e tere ana ki nga tono penei i te tukatuka tohu mamati, te hurihuri whatunga, me te hurihanga o te atanga, hei awhina i te rere o nga raraunga me te pono.
Ka whakamahia te taputapu i roto i nga whakamatautau me nga taputapu inenga e tika ana ki tana ahuatanga whakahou me te mahi tere.He kaha ki te whakahaere i nga mahi arorau matatini e hiahiatia ana i roto i nga punaha hoko raraunga, nga taputapu tohu, me nga taputapu tātari, te whakarato tika me te whakamahi i nga mahi hangarau.
Hei Kaiwhakahaere Momo Whaiaro (PLC), ko te EPM3064ATC44-10 e kitea ana i roto i nga momo miihini me te whakahaere i nga mana whakahaere.Ka tukuna e ia nga kaha arorau e tika ana ki te whakahaere miihini, te tohu tohu, me te mahi i nga arowhai haumaru, i te wa e whakahaere ana i raro i nga ahuatanga ahumahi me nga waahanga pāmahana.
I roto i nga hikohiko kaihoko, ka awhina tenei CPLD ki te taraiwa i nga whakaaro penei i nga punaha kaainga atamai, nga taputapu petipeti porangi, me nga taputapu puoro.Ka tautokohia e ia nga rongoā arorau matatini e whakarei ana i nga mahi o te taputapu, te whakapai ake i nga hononga, me te whakauru i te whakaurutanga o nga waahanga o muri mai i nga hua kaihoko.
Ki te whakaaro ki te hoko mai i te EPM3064ATC44-10, he maha nga waahanga hei whakaaro ma te whakarite kia tutuki i nga whakaritenga o to kaupapa.Ko te tuatahi me te mea nui, kia mohio koe kua ngaro tenei waahanga, ahakoa kei te tuku tonu taatau i nga taonga iti.Whakarite i nga whakaritenga hangarau kia tau ki o hiahia.Ko te EPM3064ATC44-10 Nga waahanga 64 macrocell, e whakahaere ana i te waa teitei o te 222.2 MHz, a kua hangaia mo te utu hiko 3.3V i roto i te kete 44-pin TQFP.Kei te hiahiatia te arotake i te Datasheet me nga tuhinga tuku kia tino mohio ki te whakauru me nga whakaritenga whakahaere o tenei waahanga.Kei te whakaaro ki te mana o mua o nga waahanga, ka arotake ano hoki i nga whiringa rereke e whakarato ana i nga mahinga rite me te kaha tautoko.He mea nui tenei mahi mo te pupuri i te roa me te tautoko o to kaupapa.
Ka taea e tenei taputapu te whakahaere i te tau roa rawa o te 222.2 MHz, e taea ai te tukatuka tere o nga raraunga me nga mahi.Ko te wa iti o te wa poto o te 4.5 nanoseconds e whakaiti ana i te waa e hiahiatia ana mo nga tohu e haere ana ma te taputapu, whakarei ake i te whakautu i te punaha me nga mahi i roto i nga tono-a-waa.
I hangaia mo te tino pai, ka whakahaerehia te EPM30641-10 i runga i te huringa tuku 3.3V, hei awhina i te whakaheke kaha o te punaha o te punaha.He painga tenei mo nga taputapu kawe me te pākahiko i te mea e hiahiatia ana te kaha o te mana.
Ko te ahua o te tohu o tenei CPLD e taea ai mo te whakaurutanga me nga whakahoutanga i roto i te waahanga hoahoa me te tautoko tonu i nga hiahia hangarau me te kore e whakaoti i nga taputapu hangarau.
Ki te 34 I / O CINS, e tautoko ana te EPM3064ATC44-10 ki te hono atu ki te hono me te whānuitanga o nga waahanga matihiko.He nui te ngawari ki nga punaha matatini e hiahia ana ki nga hononga i waenga i nga momo taputapu.
I hangaia me te pakari, te hoahoanga-kore-a-roto, ka mau tonu tenei CPLD i te pono me te mahinga o te hotaka me te whai waahi me nga tikanga whakahaere.
Ka taea e te EPM3064ATC44-10 te whakakakahu i nga momo whakaaro nui penei i te pals me nga kaareti, te whakaiti i te uaua o te punaha me te whakarei ake i te mahi.Ko tenei kaha e pai ana ki te whakahou i nga punaha o mua, ki te whakakotahi i nga mahi maha ranei ki te taputapu kotahi.
He pai mo nga tono arumoni, ka whakahaerehia tenei taputapu i roto i te whānuitanga o te pāmahana o te 0 ° C ki te 70 ° C.Ko tenei pakari e taea ai te tuku i roto i te maha o nga taiao, mai i nga Tautuhinga Tari ki nga waahi ahumahi, me te kore he kino.

Ko te tuhinga POP30644ATC44-10 te hoahoa Pin-waho e tohu ana i te whakaritenga tinana o nga titi mo te taputapu.Ka whakarato i nga korero mo nga mahi me nga tohu o ia pine i roto i te kete 44-pine.Kei te tapaina ia PIN me tana mahi kua tohua, penei i te I / O (Inputid / Putanga (VCC), he tohu (GNC), he tohu whakahaere motuhake ranei, he tck, e whakamahia ana mo te jTAGTe whakamahere me te tuku.Ka whakamahia e te raarangi tetahi tirohanga ki runga i te maramara, me nga tohu o te titi e tau ana ki te tautuhi i nga tuunga PIN e pa ana ki te kete tinana.
Kei roto i nga tohu PIN he maha i / O Pins, e tuku ana i te waatea mo te whakawhiti i te taputapu me etahi atu waahanga i roto i te waahi.Ko nga pine motuhake penei i te whakauru / GCCK me te whakauru / e whakaatu ana i to raatau mahi takirua ki te whakarato i nga tohu karaka, i te mahi ranei i nga titi whakauru.Ko enei pi munk he mea nui mo te aro ki te whakamahi i te taputapu i roto i nga tono arorau e whai kiko ana.Ko te hoahoa ano hoki e whakaatu ana i te mana me nga titi o te whenua i tohatohahia puta noa i te kete, ko te whakarite i te tuku mana pono me te pono.Ma te tohu kokonga e whakaatu ana i te titi 1, ka awhina te hoahoa ki te whakaputa tika i te maramara i te wa o te huihuinga, me te whakaiti i nga hapa.
I rongonui a Altera mo ana raina hua FPGA me CPLD, penei i te raupapa Max me Strax.Ko te EPM30644ATC44-10, waahanga o te raupapa Max 39A, ko tetahi o nga CPDs rongonui a Altera.Ko te Putanga-hoko, kua arotahi a Intel ki te hangarau FPGA, whakauruhia me nga kaituku xeon mo nga mahi i Ai me te tukatuka raraunga.Ko te raina FPGA o Intel inaianei kei roto i te raupapa Agilex me te Strax 10, te whakatutuki i nga hiahia i roto i te 5G me te kapua coluting.Kua whakakorea e Intel etahi o nga hua alterar Agratra penei i te EPM30644-10 hei waahanga whakawhiti ki nga hangarau hou.Kei te haere tonu a Intel ki te arahi i roto i te arorau, ki te whakanui i te whakatere AI me te whakahou i te whakahoahoa me nga mahi hou i Oneapi me nga kaari FPGA.
Ko te EPM3064ATC44-10 he whiringa pai mo te hanga, ki te whakapai ake ranei i nga taputapu mamati.He tere, he pai, ka hono atu ki etahi atu waahanga, ka whai hua mo nga tono hiko.Ko tenei aratohu e hipoki ana i ona ahuatanga matua, me pehea te whakamahi i nga waahanga rereke, me ona painga, e whakaatu ana me pehea te awhina i nga punaha hiko matatau me te pono.Ahakoa kei te whakahou i nga taputapu tawhito, ki te hanga i tetahi mea hou, ko te EPM3064ATC44-10 tetahi waahanga nui hei awhina i nga mahi katoa.
Tena koa tukuna mai he uiui, ka whakautu wawe taatau.
Ko te EPM3064ATC44-10 te mea i hangaia me te mana whakahaere kaha.Heoi, he pai ake te whakatinana i te whakahaere mana tika me nga miihini whakamarumaru i to hoahoa aratohu kia pai ake ai te kino o nga tikanga mana.
Ko te EPM30644ATC44-10, i te wa e whakahaerehia ana i roto i ona tikanga kua tohua, e tuku ana i te koiora whakahaere pono ki etahi atu cpld kounga teitei.Ka taea e te LifeSpan te whakawhānui i te whakahaere waikawa tika me te piri ki nga whakaritenga ngaohiko.
Ahakoa te EPM3064ATC44-1 e tuku ana i te mahi nui mo te maha o nga tauira, ka pai ake te kaha o nga tauira o nga tauira o te ao, me te tere tere, me te kohi kaha.
Kei roto i te EPM3064ATC44-10 nga waahanga haumarutanga e aukati ana i te uru kore mana me te whirihoranga, tae atu ki te huringa haumaru e whakakorehia ana, hei awhina i te taputapu mai i te raru.
I roto i te whakawhitiwhiti korero, ko te EPM3064ATC44-10 ki te whakahaere i te pono tohu me te tukatuka i nga raraunga tere, whakawhetai ki tana whakaroanga iti me te maha o te waa.Ko enei waahanga ka whakarite i te rereketanga o te tohu tohu me te whakahaere raraunga pakari i roto i nga huringa whatunga me te hurihanga o te waa.
i te 2025/02/6
i te 2025/02/5
i te 8000/04/19 147784
i te 2000/04/19 112076
i te 1600/04/19 111352
i te 0400/04/19 83835
i te 1970/01/1 79647
i te 1970/01/1 67017
i te 1970/01/1 63137
i te 1970/01/1 63067
i te 1970/01/1 54099
i te 1970/01/1 52229