
Te SS34 Ko te Schottky Diode e rongonui ana mo tana hoahoa, e whakaatu ana i te tere tere tere, iti te heke, me te kaha ki te hapai i te kaha whakamua.I te matua o tona hanganga ko te atanga whakarewa-a-tohunga i tukuna e tetahi mowhiti kaitiaki, i uru ki te tuunga miihini me te poise.Ko te whirihoranga waewae-piri-herea o te Diode e whakaiti ana i te aukati hiko me te whakatairanga i te whakahaeretanga waia, ki te whakatairanga i nga kaha o te waa, me te whakanui i te kaha mahi.Ko enei kounga e hanga ana i te SS34 Diode He whiringa pai mo te huringa tuarua, Whakaora i te whakamarumaru o te porangi, koreutu, me te whakamahi i nga kaitahuri DC / DC.
Ko te tikanga whakamiharo o te SS34 Diode ko tana tere tere tere ki te aukati i nga paerewa paerewa.Ko tenei ahuatanga tuuturu e whakaatu ana i te tino painga i roto i nga waahanga hurihuri-nui.Ka taea e koe te tango i nga korero kaore i te painga noa o te iti o te huringa whakamua, engari me pehea te huri i te tere ki nga putanga o te mana kei te kaha te whai waahi.
Hei whakauru rautaki ki te SS34 Diodo kia rite ki nga hiahia tono, he mea pai ki a ia nga tikanga whakahaere.Ka taea e koe te kite i te angitu rongonui e whakamahi ana i te diode i roto i nga ahuatanga e whakanuia ana te kaha me te kore e kaha.Ko te tauira whakaahua e whakamahia ana hei whakamahi i te tiaki porangi hurihuri whakamuri, e whakaatu ana i te kaha o te diode kia mau tonu te kino, te tiaki i nga waahanga hihiri.

|
PIN tau |
Ingoa pin |
Whakaaturanga |
|
Pin 1 |
Kāhona |
Ka taea e tenei pine te rere o te rere o naianei. |
|
Pin 2 |
Kaiaka |
Ko te rere o nga haerenga o tenei wa na roto i tenei PIN. |
|
Tohu |
Tautanga |
|
Tuhinga |
Power Schottky Barrier Dide |
|
Mutunga |
2 |
|
Nga momo paatete |
Mahi-214aa, smc do-214bab |
|
Kaimahitaonga |
Tararite |
|
Whakamua o naianei (mena) |
3na |
|
Whakahuri i te waa (IR) |
0.5MA |
|
Ngaohiko whakamua (vf) |
0.5v i te 3a |
|
Dc aukati i te ngaohiko (max) |
40v |
|
Te Whakaheke (Max) |
40v |
|
RMS ngaohiko (max) |
28v |
|
Whakahaua te maturuturu |
22V |
|
Ko te tihi o naianei |
100A |
|
Pāmahana whakahaere |
-65 ° C ki + 150 ° C |
|
Whakakai kaitiaki |
Whakamahia mo te tiakitanga nui |
|
Te Mana Mana |
Pāpaku |
|
Kakama |
Teitei |
|
Whakahaua te maturuturu |
Pāpaku |
|
Te kaha o te mate |
Teitei |
|
Tuhinga o mua |
100A |
|
Tuhinga o mua |
10,000v / μs |
• 1n5822
• SS33
• 1n5822
• SS32
• SS35
• 1n4733a
• 1n4148
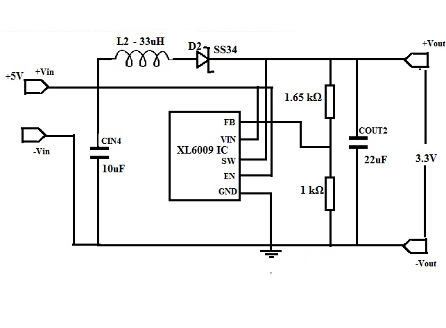
Ko nga taputapu hikohiko hou e rite ana ki nga kaitoi me nga waahanga whakaurunga i te nuinga o te wa i te 33V DC.Ko te whakauru i enei ki nga punaha ma te whakamahi i te kohinga 5V, teitei ake ranei te kaihuri, te miihini ranei ki te whakakotahi i te waatea.I konei, ka tirotirohia e matou te waihanga o te 5V ki te 3.3v DC-DC Whakahoahoa te whakahaere whakawhiti xl6009, hei whakapai ake i nga punaha aroturuki.
Hei hanga i tenei kaitahuri, me hiahia koe:
• XL6009 Whakawhitiwhiti Whakawhitiwhiti
• 33Uh Inductor
• SS34 Schottky Dodio
• Ka taea e te Kaihautū 22uf me te 10uf
• E rua nga kai-pitihana i te 1.65 Kω me te 1 kω mo te urupare urupare
Ko enei waahanga, i te wa i whakaritea kia rite ki te scheritic, whakarite kia pai te whakarereke i te huringa.


|
PIN tau |
Ingoa pin |
Whakaaturanga |
|
1 |
Tūtiro |
He putunga papa. |
|
2 |
En |
Whakahohe PIN: Ka iti, ka huri te taputapu;Ka tiketike,
Ka huri te taputapu. |
|
3 |
Sw |
Mana Whakawaa Pin Pin. |
|
4 |
Uki |
Tautuhi i te PIN whakarewa. |
|
5 |
Fb |
PIN urupare: Ka kitea te huringa whakaputa me te whakatika
na roto i te whatunga kaiwhakamaori o waho. |
Whakahoutia nga kaitahuri penei i te XL6009, i whakamahia i roto i tenei tautuhinga, he tomokanga manuhiri mo te hunga e uru ana ki te rohe hiko mana.Ko te ripa whakarewa a te kaitahuri e hono ana i te titi hurihuri, te poipoi i te tiimata whakahaere.Ka whakahaere a Xl6009 i te 5V ki te whānuitanga whakauru, ka huri i te 400 khz te roa, ka taea te tuku i nga putanga putanga ki te 4A.Ko te ataahua o tona hoahoa e whakareihia ana e te SS34 Schottky Diode, e whakarato ana i te pai me te whakautu tere, i ahu mai i nga ahuatanga taiao Schottky.Ko tenei diode e whakarite ana i te maturuturunga mai o te heke whakamua, te whakahaere i te waa tae noa ki te 3a me te maturuturu noa iho o te 0.5V.
Ko te urupare urupare, he mea hanga me nga whakaeke R5 me te R6, me kaha te whakahaere mo te mahi kaihuri.Ko te huringa putanga, i tohuhia hei vo, ka taea mai i te whārite VO = 1.25 (1 + R5 / R6).Ma te whakatika i te R6 i te 1 Kω, kua whakaritea te R5 ki te 1.65 Kω.Ko tenei whirihoranga tika e tautoko ana i te whakamarumaru wera me te pupuri i te kaha o te kaitango 94%, e whakaatu ana i te kowhiringa o te kowhiringa me te whakaputa i nga mahi pai i roto i nga mahi pai i roto i te DC-DC.
Ko nga Gidom Diode a Schottky Diode i te maioha ki nga hikohiko mo te kaha o te kaha me te kaha o te whakawhiti tere.I roto i nga ahuatanga nui-maha, ko enei ahuatanga ka whai waahi ki te whakaheke i te kaha o te mana, na reira e whakanui ana i nga mahi a te waahanga o te waahanga.Ko te ngawari o te whakatinanatanga ka awhina i te hoahoa aratohu.I tua atu, ko te pakari o te kaha o te diodio i te kaha o naianei e tuku ana i te tauhohenga e whakawhirinaki ana ki te rere o te papa ngaohiko.Ko enei waahanga e whai hua ana ki te waihanga i nga hoahoa taapiri, i whakaatuhia mai i nga tauira whaihua i roto i nga waahanga tuku hiko, kei hea te whai whakaaro.
Ko te kaha o te kaha o te SS34 Schottky e whakaatu ana i tona uara ki nga taiao e pa ana ki nga ngaru ohorere, penei i nga hiko hiko.Ko nga wheako e whakaatu ana ko te whakahaere tupapaku e kore e taea te whakawhānui i te roa o nga waahanga hiko, i muri mai ka whakahekehia nga utu tiaki me te whakapiki i te pono.Ka taea e koe te whakanui i te peheatanga o te whakatinana i nga tikanga tiaki a te Schottky ka taea e te Schottky Diodes te aukati i te kino o te huringa.
Ahakoa ona painga, ko te SS34 Schottky Diode kaore he wero.He take rongonui kua ara ake i te nui ake o te aukati o te waa me te aukati i raro i nga tikanga ngaohiko.I ahu mai tenei mai i te whakarewa-semiconductor Junction, ka taea e te whakaheke tika i roto i nga waahanga mo te ngaro o te kaha.Ko nga rongoā noa e arotahi ana ki te whakauru i nga waahanga taapiri, penei i nga whatunga tuuturu, mo te kore o te whakakorekore o te riihi.Ano, ko te Diode te nui o te huringa whakamuri e hiahia ana ki te kowhiringa-tono motuhake kia kore ai e huri i nga ahuatanga pakaru.
Ka taea e koe te kaitautoko mo te aromatawai tino o nga taiao tono ka whiriwhiri i te Diode Schottky, e rua nga pauna me nga taapiri.Ma te whakahāngai i ona ahuatanga me nga tono motuhake o te waahi, ka taea te whakapai ake i te wa e whakaitihia ana nga ngoikoretanga pea.Ko tenei matauranga maamaa e whakaatu ana i nga tohungatanga a te umanga a te iwi, kei reira te kowhiringa o nga waahanga rautaki e whai kiko ana ki te mahi i nga punaha whai hua me te whakawhirinaki.
Ko te SChottky Diodes he mahi hihiri ki te puta noa i nga momo hangarau.Ko enei waahanga e whakanui ana i te tiakitanga a tawhio noa ma te aukati i te kiko o te aukati me te whai hua ki te rere o naianei.Ko ta raatau whakaurunga whanui i roto i nga kaiwhaiwhai teitei-e whakaatu ana i to ratau hurihuri tere, he mihi ki a raatau maeneene whakamua me te tere tere.Ka tae mai ki te huringa tuarua, te tiakitanga o te poihau, me te koreutu, ko enei diodes e kaha ana ki te whakaheke i te kaha o te mate o te kaha, whakarei ake i nga hoahoa o te punaha-mohio.
SS34 Schottky Diodes e pupuri ana i te waahi nui i roto i te iti-anga-kaha i nga kaihuri me nga kaitahuri DC-DC.Ka whakaratohia e ratou nga whakawhitinga o te ngaohiko maeneene, kia pai ai te whaihua o te hurihanga mana.Ma te whakakapi i nga mahi silicon tuku iho i roto i te Buck / Whakanuia nga waahanga, ko Schottky Diobs e tuku painga whakamihi, penei i te iti o te maturuturunga iho o te huringa o te punaha.Ko enei kounga e tino koa ana mo nga hoahoa o te taputapu taapiri, kei hea te whakahaere i te whakaputanga wera me te whakaora i te kaha ki te whakaora i te kaha.
Ko te Schottky e aukati ana i te mahi i te mahinga o nga taputapu i roto i nga taputapu hiko hiko (sps), nga kaikorero, me te ao maama.Ko te kaha ki te hapai i nga waa nui i te wa e whakapiki ana i tetahi waahanga o te ngaohiko te whakarei ake i te arorangi o te taputapu me te kounga o te taputapu me nga horopaki ahumahi.Hei tauira, i roto i nga rongoā rama, e tautoko ana te Schottky i nga putanga marama me te whakapiki i te waiaro, te whakanui i a raatau mahi ki te pupuri i te ture me te roa o te waa-roa.
Tena koa tukuna mai he uiui, ka whakautu wawe taatau.
i te 2024/12/16
i te 2024/12/16
i te 8000/04/18 147776
i te 2000/04/18 112018
i te 1600/04/18 111351
i te 0400/04/18 83777
i te 1970/01/1 79571
i te 1970/01/1 66964
i te 1970/01/1 63104
i te 1970/01/1 63041
i te 1970/01/1 54097
i te 1970/01/1 52186