
Te PCF8575 Ko te mahi mamao kei / O te whanui, whakahohea te whakawhitiwhiti korero i waenga i nga microcontroller ma te kawa I2C.Te whakamahi i te SCl (Raina Karaka Serial) me te SDA (raina raraunga rangatū) mo te tuku raraunga, ka taea te whakarite i nga tohu taraiwa o naianei, kaore e hiahiatia he tohu tohu raraunga.I runga i te timatanga, i te katoa o te titi mo te ahua teitei, ka whakahohe i tetahi punaha o roto e hono ana ki a VCC.Ko tenei waahanga ehara i te raarangi noa nga mahinga engari ka whakaiti hoki i nga hiahia mo nga waahanga takoha, te whakarite i te PCF8575 he taonga nui mo nga tono hiko.
Ko tetahi o nga waahanga tuuturu o te PCF8575 ko tana tautoko mo nga punaha 3.3V me te 5V, kua tutuki ma te kaitahuri tuuturu.Ko enei whakararo i te hototahi me nga hoahoanga miihini kanorau, te tuku i a koe kia kaha me te haere noa i roto i te hoahoa punaha.Ko te kaha ki te mahi puta noa i nga paerewa ngaohiko rereke e whakakore ana i nga wero maha i roto i nga punaha maha, ka taea e koe te aro ki nga whakatinanatanga auaha me te kore awangawanga e pa ana ki te koretake o te taiao.
Ko te waahanga nui o te PCF8575 ko tana atanga I2C e hono ana, e whakarei ake ana te hono me te kore o te taputapu i roto i nga huinga uaua.Ki nga kaiwhaiwhai kaihoko, ka taea e koe te whakatika i te wahitau I2C mai i te turanga o te 0x20, ka taea te whakawhiti korero whai hua puta noa i nga taputapu maha.He whai hua tenei whakarei mo te karo i nga tautohetohe i roto i nga punaha whakatipu, he korero taipitopito na koe.Hei taapiri, ka taea te whakahaere i te taputapu ma te VDD, VCC ranei, te whakatutukitanga ki nga momo kaupapa arorau.Ma tenei ngawari e whakakotahi me nga punaha whakahaere i te 3.3V, 5V ranei, me whakarite te pumau me te whai mana ki nga tono kanorau.

|
Pine |
Tuhinga |
Whakaaturanga |
||
|
Ingoa |
DB, DBQ, DGV, DW, me PW |
Rup |
||
|
A0 |
21 |
Ng 18 |
Ahau |
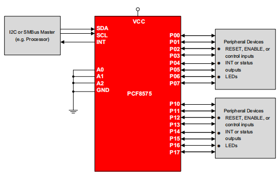
Wāhitau Whakauru 0. Tūhono tika ki te vcc te whenua ranei.
Kaore e hiahiatia ana nga kaihoroi totoka. |
|
A1 |
2 |
23 |
Ahau |
Wāhitau Whakauru 1. Tūhono tika ki te vcc te whenua ranei.
Kaore e hiahiatia ana nga kaihoroi totoka. |
|
Arahi |
3 |
24 |
Ahau |
Wāhitau Whakauru 2. Tūhono tika ki te vcc te whenua ranei.
Kaore e hiahiatia ana nga kaihoroi totoka. |
|
Iro |
1 |
22 |
O |
Putanga Whakauru.Tūhono ki te vcc na roto i te kume-ake
Whakapono. |
|
P00 |
4 |
1 |
Ko / O |
P-P-Pred Input / Putanga.Te hanganga hoahoa-toia. |
|
P01 |
5 |
2 |
Ko / O |
P-P-Pred Input / Putanga.Te hanganga hoahoa-toia. |
|
P02 |
6 |
3 |
Ko / O |
P-P-Pred Input / Putanga.Te hanganga hoahoa-toia. |
|
P03 |
7 |
4 |
Ko / O |
P-P-Pred Input / Putanga.Te hanganga hoahoa-toia. |
|
P04 |
8 |
5 |
Ko / O |
P-P-Pred Input / Putanga.Te hanganga hoahoa-toia. |
|
P05 |
9 |
6 |
Ko / O |
P-P-Pred Input / Putanga.Te hanganga hoahoa-toia. |
|
P06 |
10 |
7 |
Ko / O |
P-P-Pred Input / Putanga.Te hanganga hoahoa-toia. |
|
P07 |
11 |
8 |
Ko / O |
P-P-Pred Input / Putanga.Te hanganga hoahoa-toia. |
|
Tūtiro |
12 |
9 |
- |
Whenua |
|
P10 |
13 |
10 |
Ko / O |
P-P-Pred Input / Putanga.Te hanganga hoahoa-toia. |
|
P11 |
Rongo 14 |
11 |
Ko / O |
P-P-Pred Input / Putanga.Te hanganga hoahoa-toia. |
|
P12 |
15 |
12 |
Ko / O |
P-P-Pred Input / Putanga.Te hanganga hoahoa-toia. |
|
P13 |
16 |
13 |
Ko / O |
P-P-Pred Input / Putanga.Te hanganga hoahoa-toia. |
|
P14 |
17 |
Rongo 14 |
Ko / O |
P-P-Pred Input / Putanga.Te hanganga hoahoa-toia. |
|
P15 |
Ng 18 |
15 |
Ko / O |
P-P-Pred Input / Putanga.Te hanganga hoahoa-toia. |
|
P16 |
19 |
16 |
Ko / O
|
P-P-Pred Input / Putanga.Te hanganga hoahoa-toia. |
|
P17 |
20 |
17 |
Ko / O |
P-P-Pred Input / Putanga.Te hanganga hoahoa-toia. |
|
Wero |
22 |
19 |
Ahau |
Raina karaka rangatū.Tūhono ki te vcc na roto i te kume-ake
Whakapono. |
|
Sda |
23 |
20 |
Ko / O |
Raina Raraunga Raraunga.Tūhono ki te vcc na roto i te kume-ake
Whakapono. |
|
Mūno |
24 |
21 |
- |
Taha Taha |


|
Āhuatanga |
Whakaaturanga |
|
Te kai iti-o-waa |
10 μa Max |
|
I²C ki te Whakahoahoa-Port Exchange |
Tukua mo te whakawhanaketanga ngawari o / O Nga Pins na I²C Atanga. |
|
Whakatūwhera-tatau Whakawhiti Whakawhitiwhiti |
Ka whakahohe i te whakatipuranga rereke o waho mo
Microcontroller. |
|
Te hototahi Microcontroller |
Ko te hototahi ki te nuinga o nga microcontroller. |
|
Tere pahi i²c |
400-khz pahi tere i²c. |
|
Te Korero |
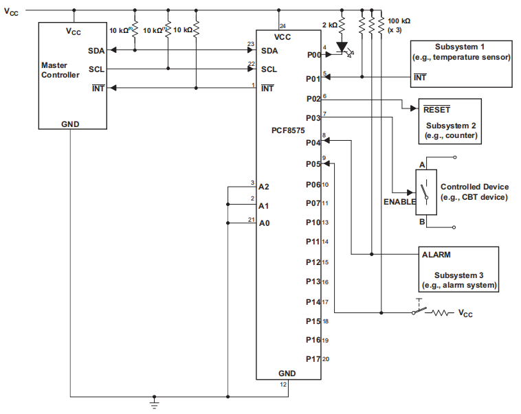
E tika ana kia toru nga papa o te tuururu taputapu, e taea ai
ki te waru nga taputapu. |
|
Putanga kua tohua |
Te kaha o te taraiwa o teianei mo te taraiwa taraiwa. |
|
Pūtaiao o naianei |
Ka whakawhiwhia ki te VCC mo te taraiwa i te nui o te taraiwa i te
Te Putanga. |
|
Te mahi-a-ringa |
Neke atu i te 100 ma ia per jesd 78, akomanga II. |
|
Ngaohiko mahi |
2.5 - 5.5v DC. |
|
Te mahi i naianei |
100 MA (MAX). |
|
Wāhitau I²C |
Wāhitau taunoa: 0x20, whakahoapihia ma te mahi i te A1 me te A2
Tapanga whiriwhiri. |
|
Nga titi e hiahiatia ana |
16 takitahi e whakaaetia ana. |
|
Whirihoranga PIN |
Ia pine condigeble hei whakauru, te putanga ranei;Ka tautokohia te whakauru
Hurihia. |
|
Whare Pukapuka a Arduino |
Ko te hototahi ki te Whare Pukapuka o Arduino: PCF8575. |
|
Puka tono |
He pai mo te Arduino Uno R3 me etahi atu Musus mo
Ko te whakahaere i nga hononga, nga koikoi, nga pihi, me nga arahi. |
|
Tiaki ESD |
E WHAKAARO ANA KI TE JESD 22: 2000-V Tauira-Tino Tangata (A114-a),
200-v tauira tauira (A115-a), Tauira-1000-V Tauira-Pūrere (C101). |
Kei roto i tenei teepu he whakaaturanga maamaa me te poto Ko nga whakaritenga hangarau me nga tohu mo nga taonga o Texas PCF8575pw.
|
Tuhinga |
Parapara |
|
Te mana koiora |
Hohe (Whakahoutia Whakamutunga: 5 nga ra i mua) |
|
Te wa nui o te wheketere |
6 wiki |
|
Momo Momo |
Maunga Matapihi |
|
Paati / Take |
24-tshop (0.173, 4.40 te whanui) |
|
Maunga Matapihi |
Āe |
|
Tuhinga o mua |
24 |
|
Taumaha |
89.49944MG |
|
Te maha o / OS |
16 |
|
Pāmahana whakahaere |
-40 ° C ~ 85 ° C |
|
Whiu |
Ngongo |
|
Waehere Jesd-609 |
e4 |
|
Waehere pbfree |
Āe |
|
Wahanga Mana |
Kakama |
|
Taumata Maha Kore (MSL) |
1 (mutunga kore) |
|
Tuhinga o mua |
24 |
|
Waehere Eccn |
Taringa- |
|
Whakamutu mutunga |
Nickel / Palladium / Gold (NI / PD / AU) |
|
Waehere HTS |
8542.39.00.01 |
|
Ngaohiko - toha |
4.5v ~ 5.5v |
|
Tūnga kāpene |
Takirua |
|
Puka Tono |
Wilm Wilk |
|
Pikitia te pāmahana (° C) |
260 |
|
Taha Taha |
3.3v |
|
Papamuri |
0.65mm |
|
Tau waahanga |
PCF8575 |
|
Takenga PIN |
24 |
|
Te maha o nga whakaputanga |
16 |
|
Momo Putanga |
Pana-kumea |
|
Te huringa tuku |
5.5V |
|
Nga taonga hiko |
3/5V |
|
Āati |
I2C, SMBus |
|
Number of Ports |
2 |
|
Tuhinga o mua |
16 |
|
Te huringa karaka |
400khz |
|
Tuku i te waa-max |
0.2ma |
|
Putanga Whakauru |
Āe |
|
Nāianei - putanga putanga / totohu |
10Ma / 25ma |
|
Ngakau |
Pata |
|
Tōroa |
1.2mm |
|
Roa |
7.8mm |
|
Whānui |
4.4mm |
|
Mātotoru |
1mmm |
|
Whakapiki te radiation |
Kāo |
|
Te mana o te rohs |
RoHS3 |
|
Ārahi |
Ārahi |




Ko te PCF8575, he pukenga I / O te whanui, ka awe i nga momo hangarau hangarau.Ko tana tono rereke ka puta mai i te whakawhitiwhiti korero, te rorohiko whaiaro, me tua atu, e whakaatu ana i tona matatau ki te whakahaere i nga hononga taapiri maha.
I roto i te waahanga whakawhiti, ko te pcf8575 ka whakarei ake i nga waahanga tātari ma te whakawhānui ake i nga kaha GPIO, te whakaputa i te mana whakahaere me te tino tika i roto i nga taiao tukatuka tohu tohu.Ko tana whakatikatika te mahi hei hoa pono mo koe ki te whakamahine i nga punaha, te whakarite i te honohono pumau me te whakahaere tika.
Ko tenei waahanga ka whakariterite i nga mahi whakawhiti i roto i te angaanga o te tūmau, te tuku hononga hurihuri e kaha ana mo nga tautuhinga nui.Ka whakawhiwhia e koe te ahorangi ki te arotau i nga hoahoa o te kaituku me te ngawari me te taatai, te whakauru i nga tono e whanake ana me nga whakarereketanga taputapu iti.
Ko te PCF8575 te mahi tautoko i roto i nga pouako whatunga ma te whakarahi i te papatono taputapu me te honohono.Ma te whakarite i te whanaketanga o nga pouara e arotahi ana ki te pakari me te taapiri, ka awhina i te waihanga i nga otinga whaihua hei whakahaere tika i nga whakawhitinga raraunga.
I roto i te ao o te roopu whaiaro, ko tenei i / O / Exander e tuku ana i a koe te ngawari ki te whakahou i nga taonga me te whakarei ake me te kore e tino kaha te aukati i nga rohe o te Pūnaha.Ka akiaki i te auaha ki te hoahoa taputapu, te whakatairanga i nga hangarau uru ki te maakete me te whai hua.
I roto i te maakete Kaihoko Hokohoko Tere, ka toro atu nga taputapu PCF8575 kaore he taumaha o nga whakatikatika matua.Ma tenei ahuatanga ka taea e nga kamupene te whakauru i nga kamupene-a-toi ki nga hoahoa taapiri, hei awhina i te noho whakataetae i roto i te umanga tipu tonu.
Ko te PCF8575 te mea nui i roto i te Ahumoana Ahumahi, te Whakatairanga i te Whakahaere Tino Maatau me te Aroturuki.Ma te tuku i te honohono kino, ka tautokohia e ia te whakahaere i nga mahi whai kiko, te whakarei ake i te kaha me te whakaiti i te heke ki nga tautuhinga hangahanga.
Mo nga whakaaro iti na Scarce Gpio, Ko te PCF8575 e whakaatu ana i te otinga hurihuri ma te whakarahi i nga tauranga, te whakapai ake i nga hononga kee.Ka whakawhiwhia e tenei ngawari ki to ruinga auaha ki te whakawhanake i nga otinga auaha i whakaritea ki nga hiahia o te kaiwhakamahi motuhake.

Ko nga taonga a Texas (ti), ka taea e te Texas te tuku i nga takoha a texas i roto i te umanga semiconductor, i roto i nga waahanga whakauru.Te ao rongonui mo tana wairua auaha, ko te TI he nui te awe o te ahunga whakamua i roto i nga wehenga i roto i nga wehenga me te tukatuka whakauru.Ka roa te waa, kua whakarahihia e te kamupene tona kohinga patene nui, ka mau ki te aroaro o te maakete, e whakaatu ana i tana taraiwa tonu mo te kairangi me te auaha.Ko nga huihuinga i roto i te maatauranga me te hangarau kua hangaia e te tohu huanga o te TI, tae atu ki nga taputapu penei i nga tatauranga, nga microcontroller, me nga mahi maha-matua.
Tena koa tukuna mai he uiui, ka whakautu wawe taatau.
i te 2024/11/22
i te 2024/11/22
i te 8000/04/17 147721
i te 2000/04/17 111792
i te 1600/04/17 111329
i te 0400/04/17 83653
i te 1970/01/1 79380
i te 1970/01/1 66810
i te 1970/01/1 62968
i te 1970/01/1 62866
i te 1970/01/1 54050
i te 1970/01/1 52032