
He Triac (TrioDe mo te hurihuri o naianei) he taputapu semiconductor i whakamahia hei whakahaere i te mana i te AC (i te wahanga o naianei) porowhita.Kaore i rite ki nga Mosfets, igbts ranei, e whakamahia ana i roto i nga punaha DC ka tuku i te rere o naianei anake, ka taea e te triac te whakahaere i nga waahanga e rua, he pai mo nga tono ac.E toru nga waahanga: Teihana matua 1 (MT1), te tauranga matua 2 (Mt2), me tetahi kuwaha.Ma te Gate ka tukuna te taputapu me te huringa pai, kino ranei, ka taea te whakawhiti tika ahakoa he aha te mahi ac.I roto, he mahinga triac penei i nga mahi trististors e rua e hono ana ki nga ahunga rereke, e whakaiti ana i te hiahia mo nga waahanga taapiri i roto i nga punaha whakahaere o Bidirectional.

Whakaahua 2. Tohu o Triac
Te tohu triac, ko te tiro i tana ahuatanga o te bidirectional.Kei roto i nga pere e whakaekehia ana i roto i te tohu, e tohu ana i nga waa e rere ana i nga taha e rua i waenga i te MT1 me Mt2.Ko te raina poutū e hono ana ki te tatau o te tatau, e whakaatu ana i tana mahi whakahaere.Ko tenei hoahoa taapiri me te whai hua e taea ai te whakamahi i nga Triacs ki nga tono maama, penei i nga papaa marama, nga punaha tere o te motuka, me etahi atu umanga whakawhiti.

Whakaahua 3. Te BT136 Triac
Ko te BT136 he tauira Triac rongonui e whakamahia ana i roto i te whare me nga mahi whakawhiti AMUSTIST.Kei roto i te kuwaha taihara, ko te tikanga ka taea te akiaki ki te waa iti rawa.Ma tenei ka pai ake te whakamahi me nga taputapu iti-kaha penei i te microcontroller me nga tuhinga arorau.Ka hangaia te BT136 ma te whakamahi i te hangarau whakariterite i te Mahere, e pai ake ana i te waa-roa me te kaha ki te turaki ki nga papaa ngaohiko.Ka taea e ia te whakahaere i roto i nga quadrant e wha nga quadrants katoa, na reira he pai te mahi ahakoa he rereke te tohu o te tatau.Ka tautokohia e tenei triac tetahi ngaohiko aukati tiketike, e tika ana mo nga punaha 230V AC.He iti ano hoki te pupuri i te waa, e awhina ana i te waa ka huri i raro i nga tikanga iti-uta.Ko enei waahanga ka whai hua ki te BT136 he whiringa totika mo nga tono penei i te mana tere, te rama maamaa, me te ture pāmahana i roto i nga punaha whakawera.
• Ko te whakaritenga o te kopae iti e tuku ana i te mana whakahaere ma te microcontroller me nga maramara arorau ranei.
• Te aukati i te aukati i te aukati ki te rapu i nga waahanga o te AC.
• Ko te iti o te pupuri i naianei e kaha ana te tohetohe i te wa iti.
• Ko te huringa wha-whaanui e whakarato ana i te waatea i roto i te hoahoa aratohu Gate.
• Ko te hoahoa o te Mahere Mahere te pai me te huringa hiko i roto i te waa.
• Ko nga kaimere marama e whakatika ana i te rama rama ma te whakahaere i te kaupapa.
• Ko nga Kaitohu Tere Kaitohu i roto i nga taputapu penei i nga kaiwhaiwhai tuanui me nga hau hau.
• Ko nga kaiwhakahaere whakawera whakawera i roto i nga taputapu penei i nga hiko hiko me nga wera wai.
• Nga punaha kaainga atamai e hono ana i nga microcontroller ki nga kawenga AC nui-nui.

Whakaahua 4. Te BT139 Triac
He kaha ake te BT139 i te Triac i hangaia mo te nui ake o nga tono o naianei.Ka taea e ia te hapai ki te 9A, ko te whakarite kia pai ake te taumaha AC penei i nga ahumahi ahumahi, nga punaha rama rama, me nga waeine whakawera.Pērā i te BT136, ka tautokohia e ia te kohanga bidirectional ka taea te toro i roto i nga waahanga e wha.He hoahoa tuuturu, ka taea te whai i nga maarama o te ngaohiko i kitea i nga taiao ahumahi.Na tenei ka tino pai te whiriwhiri mo nga tikanga tono.
• Te kaha o te waa (tae atu ki te 9a) mo te whakahaere i nga taumaha nui, i nga taumaha ranei
• Ka taea e te wha-wharangi te hoahoa tohu ngawari.
• Te aukati i te aukati i te aukati i nga tohu me nga tikanga rereke.
• Ko te tatau tika e rite ana ki nga tohu mana-hiko-iti.
• Ko te whakatikatika o te mahere mahere ka whakarite i te roa o te waa-roa me te waatea.
• Ko te kaiwhaiwhai ahumahi, te papu ranei e tere ana te whakahaere i te waahi ka tiimata te tiimata.
• Ko te ahua o te waahanga-whakahaere e whakahaere ana mo nga punaha rama rama arumoni.
• Te mana whakahaere o te tino ki nga punaha HVAC me nga oumu umanga.
• Nga punaha pūngao mohio me nga wa whai hua i roto i te miihini nui-tauine.
• Ko nga taputapu noho-mutunga nui rite ki nga miihini horoi me nga kaitohu hau.

Whakaahua 5. He hoahoa a Triac
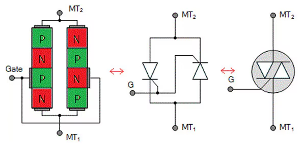
Ko nga Triacs (Triode mo te huri i te waa) he taputapu semiconductor i hangaia hei whakahaere i te mana o te AC.Ko te taputapu he mea nui e rua nga tohu (silicon e whakahaere ana i nga waahanga whakaraerae me te aukati i te tatau o te tatau, ka taea te whakahaere i nga taha e rua ka puta.I roto i te Whakaahua 5, ka kite tatou i te tohu o te triac me tana waahi rite ki te whakaatu e rua o nga tupeka i nga taha e rua i whakahokia mai e te kuaha noa.Kei te tapaina nga pitometanga hei hakihaki 1 (me te tauranga matua 1 ranei - Mt1), Anode 2 (or Mt2), me te kuwaha), me te kuwaha).Ka whakamahia te mutunga o te tatau ki te tarai i te tiimatanga ma te triac, he pai mo nga tono hurihuri ac.

Whakaahua 6. Te Hanga tinana o te Triac (taha maui), e rua nga taatai a Transtortor (waenganui), Triac tohu (matau)
Ko te hanganga o te triac, pera i te Whakaahua 6, kei roto i te waahanga matatini o te p me nga paparanga o nga papaa e rima nga rohe semiconductor.Ko enei ka taea e te Triac te whakahaere i tetahi huarahi, i runga i te tohu tohu.Ko te ahua o te pokapū i te Whakaahua 6 e tohu ana i te tauira a-paparanga, ko te ahua tika ko tana tohu tohu e whakamahia ana i nga hoahoa a tawhio noa.Ko te tohu o te kuaha e whakahaere ana i te mahi taapiri o nga Kaituku o roto, ka taea te rere o naianei i waenga i te MT1 me te MT2.Ko tenei momo bidirectionsal o te triacs e whai hua ai ki a raatau i roto i nga huringa mangere, te whakahaere tere motuka, me te ture whakawera kei hea te ahunga o naianei.
Ko te huringa o te waa (V-i) ka wehea te triac ki nga waahanga e wha, i runga i te kaupapa o te MT2 matua mo te MT1 tohu.He mea nui tenei waahanga ki te maarama me pehea te whanonga o te triac i raro i nga ahuatanga raru me te hiahia i te wa e hoahoa ana i nga waahanga e tika ana kia huri.

Whakaahua 7. Nga ahuatanga o te VS o naianei o te Triac
Tirohia te pihi V-i te tohu tohu i roto i te raarangi i runga ake nei, kei hea:
• Ko te tuaka whakapae e whakaatu ana i te ngaohiko puta noa i te MT1 me te Mt2.
• Ko te tuaka poutū e tohu ana i te waa na roto i te Triac.
• Ko nga haurua mauritau me te kino o ia toki e whakaatu ana i te kaha o te Triac ki te whakahaere i nga tohutohu e rua, e tika ana mo nga tono ac.
Ko tenei aratau whakahaere e kiia ana ko te tino aro me te whai kiko mo te tarai i te triac.I roto i te quadrant I, ko te waarangi matua 2 (Mt2) me te kuwaha e pai ana ki te tauranga matua 1 (MT1).I raro i enei ahuatanga, he ngawari te whakahohe i te triac.Na te mea nui i roto i tenei quadrant, ko tetahi keti iti noa e hiahiatia ana hei tarai i te tinihanga.Ma tenei quadrant He tino pai ki a au mo nga tono mana, ina koa ki te whakahaere i nga tikanga o te Gate ka taea te whakaiti i te uaua me te utu.
Ko te Triac tere tere te uru ki te "i runga i" te whakahaere whenua ranei i tenei aratau, ka taea te rere o naianei ki te rere i waenga i te MT2 me MT1.Ka rite ki taua mea, he maha nga wa e whakamahia ana e tenei quad i roto i nga waahanga whakawhiti AC whaihua me nga waahanga-whakahaere, penei i nga kaimere marama, he kaiwhakahaere tere motuka, me nga kaiwhakarato miihini.I roto i nga whakaaturanga whakairoiro o Triac nga ahuatanga whakamataku, ko te quadrant ka kitea e au i te waahanga tika o te pihi, kei te pai nga ahuatanga o te ngaohiko me nga tatau.
I tenei quadrant whakahaere, ko te tauranga matua 2 (MT2) i whakahaerehia i te waa pai mo te whakaute i te tauranga matua 1 (MT1), engari he kino te mutunga o te tatau ki te MT1.Ko tenei whirihoranga tonu ka taea e te taputapu penei i te SCR, he triac ranei kia kaha, engari he iti ake te aro ki te mahi i te quadrant I.
Ko te iti o te raru e tika ana na te mea e rere ana te kuwaha i te ahunga o te taha o te MT2 o naianei.Ko tenei kaupapa whakahē i waenga i te kuaha me te MT2 ka hua i te kaha o te kaihoahoa ki roto i te hanganga o te taputapu, e hiahia ana kia nui ake te keehi ki te whakatutuki.No reira, ka nui ake te kaha (i roto i nga tikanga o te taraiwa) e hiahiatia ana kia huri i te taputapu i tenei aratau.
Ko tenei ahuatanga o te mahinga e whakaahuahia ana i roto i te quadrant maui-maui o te pihi V-i te tohu tohu.Ahakoa te whakaheke i te kiko, he pai tonu te whakamahinga i roto i nga tono whaitake, ina koa i te huringa o te AC kei te kitea e rua nga ahuatanga.
I tenei rohe whakahaere, ko te tauranga matua 2 (Mt2) me te kuwaha e kino ana ki te tino rangatiratanga 1 (MT1).He rite te tikanga o tenei aratau ki te quadrant I, kei hea nga waahanga e rua, engari ka whakahaerehia i te tahatika ke.Ahakoa ko te taangata i roto i te quadrant III he paku iti iho i te quadrant I, kei te whakaarohia ano he tikanga mahi.Ko te kuaha he mea hou ki te whakaputa i te tinihanga, e mahi ana i te quadrant he whiringa pai mo nga tono e whakamahia ana nga tohu whakahaere-iti.
Ko te mahi a te III quadrant He pai ki nga punaha e mau ana i nga tohu whakauru kino, penei i te hunga e kitea ana i te waa o te hurihuri o naianei (AC) te whakahaere i te waa e rereke ana te ahua o nga tohu.Ko tenei aratau ko te whakairoiro i roto i te quadrant maui o te taha maui-wharangi o te whakaaturanga e wha-wharangi
Ahakoa tona tino whakaheke ki te quadrant I, ko te quadrant III te tuku i te whanonga pono me te whakautu i roto i te maha o nga tono hurihuri, i te mea e hiahiatia ana e nga mahi a-rua.
Ko tenei quadrant e tohu ana i tetahi o nga momo whakahaere whakahaere iti o te tyristor, he rite ki te quadrant II.I roto i tenei whirihoranga, he kino te ahua o te waa 2 (MT2) mo te kaupapa matua 1 (MT1), i te wa e whiwhi ana te kuwaha i te waa.Na tenei whakaritenga o te ao, ka hiahia te taputapu ki te whakatau i te tatau o te keehi ki nga momo taapiri e kitea ana i nga quadrants me III.
I runga i te V-I te tohu tohu o te IV kei raro i te waahanga-matau, kei reira te huringa o te ngaohiko ka tino tika te whakahaere.Ko te huihuinga i roto i tenei aratau ko te mea kaore i te tino pai, na te mea tino pai i roto i nga tikanga o te keehae me te whakamahi kaha.He maha te aukati i te whakamahi i tenei quadrant mo te raru i te mea e hiahiatia ana te kaha o te tika, te puku iti ranei.Heoi, ko te maarama ki tana whanonga he mea nui tonu mo te whakaatu tika i nga ture o te thristor me te whakarite mahi haumaru i raro i nga tikanga katoa.
|
Āhuatanga |
SCR (CILICON Whakahaere
Rorohiko) |
Triac (triode mo
Tuhinga o mua |
|
Whānau |
TAKI |
TAKI |
|
Te ahunga o te huihuinga |
Unidirectional (kotahi te aronga anake) |
Bidirectional (e rua nga tohutohu) |
|
Te tinihanga |
Kei te hiahia he puranga tatau pai |
Ka taea te tarai e te kuaha pai, kino ranei
mapu iaia |
|
Ko te waahanga whakamataku |
He maha nga wa e whakamahia ana e te UJT |
He maha nga wa e whakaatuhia ana e te diac |
|
Te pupuri i te whanonga o naianei |
Ka noho tonu kia tae noa ki te heke o te waa kei raro i te taumata pupuri |
Rite, engari i nga huarahi e rua |
|
Arotahi Tono |
Pai rawa mo te dc, te mana-kotahi ranei |
He pai mo te mana whakahaere (e rua nga tohutohu) |
|
Te mana whakahaere |
Ngaohiko tiketike me te kaha o naianei |
Ngaohiko ngawari me te whakahaere o naianei |
|
Te whakahaere waiariki |
Hiahia ki te totohu wera |
Ko te tikanga kia kotahi noa te horoinga wera |
|
Nga tikanga whakahaere |
Ka whakahaerehia i roto i te aratau kotahi |
Ka tautokohia e wha nga ahuatanga o te whakahaere |
|
V-I nga ahuatanga |
Ka whakahaerehia i roto i te quadrant kotahi |
Ka whakahaerehia i roto i nga quadrant e rua |
|
Whai tikanga |
He pono ake |
He iti ake te pono i te SCR |
|
Āhuatanga |
Tīkona |
Triac |
|
Hanganga |
Te taputapu e rua |
Te taputapu e toru-tau (MT1, Mt2, Gate) |
|
Tikanga Triggering |
Ka huri i te wa ka nui ake te waahanga o tetahi paepae (kaore
Turiti o waho) |
Ka taea te tarai ma te whakamahi i tetahi puranga tatau |
|
Tauranga kau |
Kaore he pou keti |
He pou tatau mo te tuukino |
|
Mana whakahaere |
Te aukati-whakahaere;Whakawhiti Whakawhitiwhiti |
Te kawa;taea te huri totika |
|
Te ngoikoretanga o te ao |
Te hautaotanga Bidirectional |
Te hautaotanga Bidirectional |
|
Te whakamahinga noa |
Whakamahia ki te tarai i nga triacs ki nga waahanga whakahaere |
Whakamahia ai mo te whakawhiti me te whakahaere i nga waahanga AC |
|
Tauira Tono |
Ko tetahi waahanga o nga maramara marama, ka tiimata te motuka (hei tohu
mo Triac) |
Te Wahanga Wahanga, te whakahaere tere o te motuka, nga mokamoka, he hurihuri ac |
|
Mahi i roto i te takirua |
Ka awhina i te whakarite kia maeneene, kia rite tonu te mahi triac |
Ko te waahanga whakawhiti / te whakahaere whakahaere, i puta mai i te diac i roto
etahi porowhita |
1. Te Huihuinga o te Bidirectional
Ko tetahi painga o te triac (triode mo te huri i naianei) ko tona kaha ki te whakahaere i nga huarahi e rua.Kaore i rite ki nga kaitoro paerewa (Ma te Whakatikatika Whakahaere Whakawhitiwhiti), ka taea noa e te Triac te whakahaere i te mana AC me te kore e hiahia ki te whakatika i nga rerenga korero.Ko tenei kaha bidirection e whai hua ana ki a raatau i nga tono whakawhiti AC.
2. Ko te Tohu Gate me nga tohu pai, kino ranei
Ka taea te akiaki i nga triacs ki roto i te kohanga ma te tono i te huringa pai, kino ranei ki te tatau o te tatau.Ma tenei waatea e taea ai te waatea i roto i te hoahoa waahi, i te mea kaore i te aukati te miihini i te kaupapa.He whai hua tenei i te wa e hoahoa ana i nga waahanga hei mahi tahi me nga haurua e rua o te whiu ac.
3. Whakahoahohia te hoahoa porowhita huri noa ki nga kaikorero takirua
Na te mea ka taea e te Triac kotahi te whakahaere i nga rerenga o roto i nga taha e rua, ka taea e ia te whakakapi i nga kaitohu e rua kua whakaritea i te anti-ritellel.Ma tenei ka whakaiti i te waahanga o te waahanga, e ngawari ana ki te papaaho, ka whakaiti i nga whakaritenga o te waahi, ka tapahia ki runga ake i nga waahanga ngoikore o te punaha.
4. Me tono kotahi noa te horoinga wera me te kotahi noa
Ma te whakamahi i te triac hei utu mo te kaiwhakaari e huri ana i te whakahaere waikawa me te tiaki.Mai i te mea kotahi noa te waahanga-wehe-wehe, kotahi te horoinga wera kotahi.Waihoki, ka taea te whakamahi i tetahi fuse kotahi hei tiaki, ngawari ki te hoahoa me te whakaheke i nga utu.
5. Whakapau me te utu-whai hua mo te iti ki te iti o nga tono mana
Kei te whakamahia whānuitia nga triac i roto i nga taputapu ahumahi me nga rama rama tae atu ki nga huringa mangere, nga whakahaere tere motuka, me nga kaiwhakarato whakamahana.He riterite, he waatea, he ngawari ki te whakauru ki nga waahanga, he pai ki a raatau mo nga tono e kore e tino aro ki te whakahaere.
1. Te whakaheke i te pono i roto i te tino mana, i te waahi whanui ranei
Ko te tikanga he iti ake te kaha o te triacs i te hunga e kaha ana i te wa e whakamahia ana i roto i nga taiao tuuturu, hiko hiko ranei.He kaha ake ta ratau ki te whakapae teka na te haruru o te hiko, ka whakawhāiti i te whakamahinga i nga tono ahumahi kei hea nga tikanga.
2. Whanui ki te DV / DT (te tere o te huringa o te ngaohiko)
He nui ake te aro atu ki nga Triac ki nga huringa tere i roto i te ngaohiko, e kiia ana ko DV / DT.Ko te tere ohorere i roto i te ngaohiko ka taea te aukati i te taputapu hei whakaeke, ahakoa kaore he tohu tohu.Ki te whakapae i tenei, ka hiahiatia etahi atu waahanga Sunubber, ka taea te whakararu i te hoahoa.
3. Te whakaheke i te ngaohiko me nga whakataunga o naianei ka whakatauritea
Ahakoa e tika ana mo nga kaihoko kaihoko me nga tono ahumahi, he iti ake te kaha o te whakahaere i nga waa me nga kaha o te ao.Mo nga punaha hiko-nui, otira ko nga mea e whakahaere ana i nga puia teitei, ko te hunga Scrs te tikanga e pai ana te whiringa.
4. Ka taea e te maaramatanga o te quadrant te arahi ki te aukati
Ka taea te tarai i nga "quadrant" i runga i te kaupapa o te tohu o te tatau me nga waahanga matua.Ko etahi o nga quadrant he nui ake te aro atu i etahi atu, a ki te kore e tika ana mo te hoahoa, ka taea e tenei te aukati i te keehi, i te mahi kore ranei.Me ata whakaaro koe ki nga tikanga o te kuwaha hei whakarite i nga mahi pono.
Ko nga Triac he waahanga hiko e whakamahia ana hei whakahaere i te rere o te AC (te huri i te waa) hiko.Ka kitea i roto i nga taputapu maha e tika ana kia huri, kia whakatika ranei te mana.Anei etahi tono noa:
Ka whai wāhi te triacs ki nga waahanga maamaa marama ma te whakarei ake i te waahanga o te huringa AC.Ma te whakahaere i te tohu i roto i ia huringa AC i te wa e huri ana te triac, ka whakapau kaha te kaha o te toenga o te ngao.Ko tenei tikanga, e kiia ana ko te mana o te waahanga-koki, ka whakaiti i te mana toharite i tukuna, ka whakaheke i te maama me te kore e raru.He riterite te triacs, he pai hoki, e pai ana ki a raatau mo te whakauru ki nga riipene taiepa me nga rama rama.Hei taapiri, he pai te mahi a nga mokamoka Triac i runga i nga taumaha o te aukati penei i nga topuku kore.Heoi, ko nga papaa Triac hou kua hangaia hei whakahaere i nga hangarau rama rama hou, tae atu ki etahi o nga hapa me nga Cfls.
I roto i nga taputapu whare penei i nga kaiwhaiwhai o te whare, ko nga kaiwhaiwhai horoi, me etahi punaha rerenga, ka whakamahia te triacs hei whakahaere i te tere motuka.Ma te whakatikatika i te koki haangai o te huringa AC, ka whakahaere i te nui o te ngaohiko e eke ana ki te motuka putea, e huri ana i te tere.E whakarato ana tenei i te mana maeneene, haere tonu hei utu mo nga taumata tere.He pai ake te whakahaere i nga kaiwhakatere Triac-i runga i te Triac me te tere ake i nga tikanga miihini tawhito.Ka whakaaetia hoki e ratou nga hoahoa taapiri me te kore e neke.Ma tenei ka whai waahi te tohu pai mo te kaha o te kaha o te kaihoroi-kaha i roto i nga tuunga noho me nga kaainga arumoni.
Kei te whakamahia whānuitia nga triacs i roto i nga wera hiko, oumu, me te whakamahi i nga taputapu taputapu hei whakahaere i nga taumata pāmahana.Ko te Triac he whakawhiti, ka huri i te waahanga whakawera i runga i te waa tere ki te pupuri i te pāmahana tonu.Ko tenei huringa tere tere e whakahaerehia ana e te thermostat, he microstat ranei, ko wai te maataki o te aroturuki ma te whakamahi i te pāmahana.Na te mea kaore nga waahanga e neke haere ana i nga waahanga, he pono ake, he roa hoki i nga waahanga miihini.Ka whakaaetia hoki e ratou te whakahaere tika, te awhina i te whakaiti i te whakapau kaha.I roto i te Outhchen Ovens, nga kaihoroi ruuma, me nga kaimoana wai, ka awhina nga punaha whakahaere Triac-i runga i te kaha o te mahi me te pai o te kaha o te kaha.
I roto i nga tono kaainga atamai, ka taea e Triac te whakakore i nga taputapu o te ngaohiko-nui ma te whakamahi i nga tohu mana-iti.Hei tauira, ka taea e te huringa marama te whakamahi i te thermostat maamaa ki te huri i tetahi taputapu 230VC ac i runga i nga whakahau, i nga tohu taiao ranei.Ka whakaaetia e nga Triac nga microcontroller me nga kaupapa ahokore ki te whakahaere i nga taputapu penei i nga rama, nga kaiwhaiwhai, me nga kaihoroi, kaore e hiahia ana i nga waahanga taapiri.Ka arahi tenei ki nga taputapu kaainga tino pai me te pai.Ko te mahinga humarie, te kohi kaha, me te pono o te Triac ka tino pai ki a raatau mo te whakauru ki nga punaha kaainga atamai e whakahaerehia ana e nga Apps, nga kaiawhina reo ranei.
I nga taiao ahumahi, he mea nui nga triacs mo te whakahaere miihini me nga punaha motuka-peia.E whakamahia ana ki te whakariterite i te mana o te mana ki nga motuka hiko, papu, me nga kaimono ma te whakatika i te koki waahanga o te ngaohiko AC.Ka awhina tenei ki te whakahaere tere, ki te taatai, me te kaha o te kaha o te kaha.Kei te whakamahia hoki nga triacs i roto i te totoka totoka ki te whakawhiti i nga taumaha taumaha kaore he kakahu miihini, he pono ake mo te mahi haere tonu.Ka whai hua enei tono mai i nga kaha tere tere o te Triacs ', ko nga matea tiaki iti, me te hoahoa whakapiri.I roto i te whakangao me te tukatuka tipu, ka uru nga triac ki te whakakore, te whakaheke utu, me te pai ake o te whakahaere mo nga punaha hiko.
E rua nga tauira Triac e whakamahia ana ko te BT136 me BT139.Ko te BT136 e tika ana mo te iti o nga tono mana, ki te 4 AMPS, me te whakamahi tonu i nga whakaaro o te whare penei i nga dimmers, nga kaiwhakaari, me nga Kaitohu-kore.Ko te BT139, i runga i tetahi atu, ka tautokohia nga taumaha teitei ake ki te 16 AMPS ka pai ake te whakamahi mo te whakamahi ahumahi me te nui o te whakamahi i te whare nui ranei.Ko nga tauira e rua e takirua ana me nga microcontroller, optoisolators ranei kia taea ai te huri me te wehe mai i te kaiwhakahaere whakahaere.
He iti nga taputapu iti engari ko nga taputapu kaha e awhina ana ki te whakahaere hiko i te hiko o te ra.He nui ratou mo te hurihuri i nga mea kei runga, ka huri ranei i te kaha o te mana e whiwhi ana, penei i te maama he maama ranei.Na te mea kei te mahi ratou i nga taha e rua, ka penapena ratou i te waahi me te whakaheke i te maha o nga waahanga e hiahiatia ana i te waahi.Kei te kitea nga triacs i roto i nga whare me nga wheketere, a he maha nga wa e whakahaerehia ana e te rorohiko iti ano he microcontrort.Kua whakamāramahia e tenei aratohu he pehea te mahi a nga haria, he aha nga mea e mahia ana, me pehea te whakamahi, me te waahi e tino whai hua ana.Ma tenei mohiotanga, ka rite koe ki te whiriwhiri me te whakamahi i te Triac tika mo o kaupapa, i nga hua ranei.
Tena koa tukuna mai he uiui, ka whakautu wawe taatau.
I hangaia he triac hei mahi me te AC (kaore i te waa), kaore i te DC.Ka taea e ia te whakahaere i roto i nga ahunga e rua, e rite ana ki te pehea e huri ai i te kaupapa o te kaupapa.He rereke, kaore e pai te mahi a te triac me te DC no te mea kua hurihia e te mana o te tatau, kaore e taea te huri kia kore ai te mana o te waa.
Hei whakamahi i te triac hei AC Swit, Hono i roto i te raupapa me te kawenga AC (ano he rama, he motuka ranei).Te tono i te kume kaha ki te tatau ma te whakamahi i te aratohu mana, ka huri i te triac ki te tuku i te waa ki te rere.Ka noho tonu te triac i te waa hawhe-huringa ka whakaweto aunoa i te wa e haere ana te AC i te kore.Mo te mana whakahaere, penei i te huri i runga i te koki waahanga motuhake, ka taea e koe te whakamahi i te papaa, i te huringa microcontroller ranei i te waa o te tatau.
Kaore, ko te triac ehara i te mea hangai.He taapapa, ano he diode, piriti ranei, ka hurihia te AC ki te DC ma te tuku i te waa ki te rere noa.Ko te Triac he huringa bidirectional, e whakahaere ana i te mana ki nga waahanga AC engari kaore e rereke te AC ki DC.Engari ki te whakatikatika i te waa, ka hurihia e ia i runga i nga tohu motuhake ranei i te whiu AC.
Ko te Triac he taputapu totoka-a-whenua, i te wa e hurihuri ana he huringa hiko.Ka huri te triac ACO ki te hiko, kia ata noho, kia tere.He taapiri ake, kaore he waahanga neke, a ka taea te tarai e nga tohu-iti-iti.Ka whakamahia e te taatai he hononga tinana me te taha tinana ki te whakatuwhera, ki te kati ranei i te waahi.Ka pai te paato i te tangi ka taea te huri i te AC me te DC ka kaha ake, engari he ngoikore, ka ngenge i te waa.Whakamahia he trial mo te tere, horihori, me te roa o te AC AC, me te taapiri i te wa e hiahia ana koe ki te whakawhiti i nga waahanga motuhake me te whakawhiti i nga AC me te DC.
Ko te Triac e whakahaere ana i te tere motuka AC ma te whakaroa i te kaupapa haangai i roto i ia huringa hawhe-huringa.Ko tenei tikanga e kiia ana ko te mana o te koki wa.Ma te huri i te triac i muri mai i ia huringa, ka iti ake te mana ki te motuka, ka whakaheke i tana tere.Ko te waa e whakahaerehia ana e tetahi aratohu o te Gate Stigger, he maha tonu me te diac, i te microcontroller ranei.Ka whakamahia tenei tikanga i roto i nga Moutere o te ao, penei i nga kaiwhaiwhai, whakaranu, akoako ranei.
Hei whakamatautau i tetahi triac me te hitori, ka hono tuatahi mai i tetahi waahanga porowhita me te whakanoho i to papatohu ki te aukati iti (OHM).A tuu i te tauira pango i runga i te MT1 me te whero i runga i te MT2 - kaore he panui.Na ka hono atu i tetahi arai 1kω i waenga i te kuaha me te MT1, ka paato i te kuaha me te tohu whero i te wa e pupuri ana i te pango me te whero i runga i te MT2;Mena kei te mahi te Triac, ka puta te mita inaianei.Whakakahoretia nga tohu i runga i te MT1 me te Mt2 me te whakahoki ano i te puranga o te kuwaha, me whakahaere.Kia tangohia te tohu o te kuaha, ka maturuturu te kaha, me hoki te panui ki te whakaeke nui.Ka whakaūngia e tenei nga huringa triac ka mau tika.Mo nga hua tika ake, ka taea te whakamahi i te whakamatautau ora me te paatene pana.
i te 2025/04/21
i te 2025/04/18
i te 8000/04/18 147757
i te 2000/04/18 111934
i te 1600/04/18 111349
i te 0400/04/18 83719
i te 1970/01/1 79508
i te 1970/01/1 66900
i te 1970/01/1 63017
i te 1970/01/1 63010
i te 1970/01/1 54081
i te 1970/01/1 52120