

|
OP16 Pin No |
Essop10 pin no |
QFN16 Pin No |
Ingoa pin |
Momo Pin |
Whakaahuatanga Pin |
|
16 |
4 |
3 |
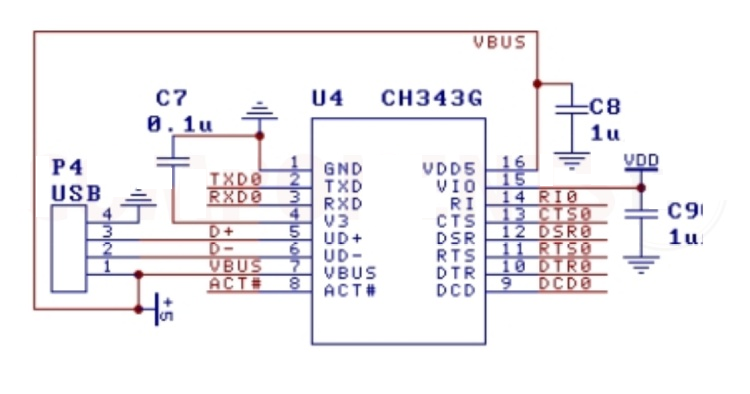
Vdd5 |
Kaha |
Ko te mana toha i te whakaurunga o te mana whakahaere
me tono he kaiwhakawa mo waho |
|
15 |
7 |
1 |
Rikori |
Kaha |
Ko te whakauru hiko o te Port Port e hiahia ana ki te whakakii i waho
kaiwhakapae |
|
1 |
3,0 |
2,0 |
Tūtiro |
Kaha |
Whenua |
|
4 |
10 |
6 |
V3 |
Kaha |
Te whakaputa mana whakahaere o roto;Ko te whakaurunga mana o te USB me te USB
Tūhono ki te VDD5 i te VDD5 <3.6V, hono ki te Kaitautoko Depacting i te wa
VDD5> 3.6V |
|
5 |
1 |
7 |
UD + |
USB |
Tūhono ki te tohu USB D + tika, kaore he kaiwhakaora o waho |
|
6 |
2 |
8 |
UD- |
USB |
Tūhono ki te USB D- tohu tika, kaore he kaiwhakaora o waho |
|
7 |
Kāore tētahi |
9 |
Vbus |
I roto |
Te whakauru i nga kitenga a VBUS o te pahi USB, whakauruhia
Te toenga-heke |
|
2 |
8 |
4 |
Txd |
Haere kē |
Whakawhitihia te putanga raraunga hakinakina, he tiketike te ahua o te whenua
tairanga |
|
3 |
9 |
5 |
Rxd |
I roto |
Whiwhi i te whakauru raraunga Whakahoahoa, toia whakakotahi
tautia |
|
13 |
15 |
Cts |
I roto |
Ko te tohu whakaurunga o te pouwhanga e whakaatu ana ki te tuku, ki te ngoikore |
|
|
6 |
Cts or dtr |
Whakauru taunoa, hurihuri ki te whakaputa aunoa |
Ko te taunoa he tohu whakaurunga pouwhanga, te maarama ki te tuku, kia iti te heke.
I te wa e tautuhi ana te rorohiko rorohiko DTR ki te whai mana, ka huri aunoa ki te pouwhanga
tohu tohu, kua rite te korenga o nga raraunga, ka ngoikore |
||
|
12 |
Kāore tētahi |
Rongo 14 |
Tīoātau |
I roto |
Ko te tohu whakaurunga a te pouwhanga, te whakarite i nga raraunga, ka ngoikore |
|
Rongo 14 |
Kāore tētahi |
16 |
Rini |
I roto |
Ko te tohu whakaurunga a te pouwhanga, te tohu mowhiti, kaha |
|
9 |
Kāore tētahi |
11 |
DcD |
I roto |
Tohu Whakauru Tauhokohoko, Ka kitea e te Kaihoko Raraunga, he ngoikore |
|
10 |
Kāore tētahi |
12 |
Dtr / tnow |
Haere kē |
Tohu tohu tohu, kua rite te korenga raraunga, he iti te heke.Mehemea
Ka kitea te kaihoroi o waho-a-waho i te wa o te mana-i runga i, huri ki te
Te tohu mana mo te tauranga rangatū e tuku ana i te ahunga whakamua, kaha kaha |
|
11 |
5 |
13 |
RTS |
Haere kē |
Tohu Putanga Aratau, tono kia tukuna, kia ngoikore |
|
8 |
Kāore tētahi |
10 |
Ture # |
Haere kē |
Ko te whirihoranga USB kua oti te whakaputa a te kawanatanga, he iti te heke.Mehemea
Ka kitea he kai-a-waho-a-waho i te wa o te mana-i runga i, whakawhiti ki
Te tikanga o te Baud Whakawhitiwhiti Whakawhitiwhiti.Ka taea hoki e te punaha te whakamahi i tenei aratau |
|
Āhuatanga |
Whakaaturanga |
|
I / o te tuku mana motuhake |
Ka tautokohia e 5V, 3.3V, 2.5V, me te 1.8v te mana hiko. |
|
Tautuhi whakauru me te karaka |
Te mana whakauru-i runga i te Tautuhi me te 12mhz karaka;Kaore he waahanga o waho
e hiahiatia ana te karaihe. |
|
Eegram tuitui |
Whirihorahia te maramara maramara, pid, uara o te uara, kaihoko
me nga aho korero mo te hua, me etahi atu |
|
ID ahurei |
Kei roto i te maramara tetahi ID motuhake motuhake (rangatū usb
Nama). |
|
Te hototahi USB |
Atanga Pūrere USB Tere-Tere-Tere, he hototahi ki te USB 2.0. |
|
Hanga-i roto i te firmware |
EMULEFTES CARLA Atanga UART mo te whakahou i te taketake
Tuhinga o mua, te taapiri ranei i etahi atu UARSS ma te USB. |
|
Hoto Tono |
Tino rite ki nga tono rangatū taketake
Ki te kore he whakarereketanga. |
|
Tautoko taraiwa |
Ka tautokohia te OS me te taraiwa CDC i hangaia, he maha ranei
Te taraiwa VCP VCP tere-tere kaore he whakaurunga. |
|
Atanga UARTIA Atanga Serial |
Tauhokohoko Hardware -Plex
whakawhiti-tango i nga kaieke;Ka tautokohia nga reiti Baud o te whakawhitiwhiti korero mai i te 50bps ki
6Mbps. |
|
Te Whakakoretanga o te Bad Dynamic |
Ka tautuhi aunoa me te whakatikatika ki nga reiti Bauud noa
i raro iho ranei i te 115200bps. |
|
Nga Raraunga me nga Kōwhiringa Pari
|
Ka tautokohia te 5, 6, 7, e 8 ranei nga raraunga raraunga;Ka tautokohia nga mea rereke, ahakoa,
wāhi, tohu, kaore he taangata. |
|
Ko nga tohu atanga o te pouwhanga |
Tautoko RTS, DTR, DCD, RI, DSR, me nga tohu CTS. |
|
Te whakahaere rere |
Ka tautokohia te CTS me te RTS Pūmārō Aunoa te whakahaere aunoa. |
|
Te Tautoko Hauora-Taha |
Kei roto ko te tuku i te mana Tnow mo te Whakawhiti RS485. |
|
Tautoko RS232 |
Ka tautokohia te atanga RS232 na roto i te ngaohiko o waho
Tuhinga o mua. |
|
Kōwhiringa Tukunga Mana |
Ka tautokohia te Port 5V me te 3.3V te mana hiko. |
|
Painga me te hanganga ture |
Rohs-e whai kiko ana, e waatea ana i te SOP-16, essop-10, me te QFN16
Pakihi Koreutu-kore. |
Ch343 Ko te waahanga kaha i roto i te ao o te hikohiko, i hangaia e te WCH.CN, e whakaatu ana i te whakatapu i te kore e mau ki te pupuri i nga paerewa tiketike i roto i ona mahinga whakaputa.Ko tenei huarahi hangai i hangaia he ahuatanga ahurei e poipoihia ana, na te mea e poipoia ana nga raru e puta ana i te wa e hangaia ana e nga kaihanga maha, penei i te koretake o te kounga.I roto i te hikohiko, ko te ahua mohio me te whakawhirinaki o nga waahanga penei i enei e poipoi ana i te taiao mo te whakahoutanga.
Na te katoa o te mahinga i pangia e tetahi hinonga, ka whakatinana i te punaha whakahaere kounga kounga ka kaha ake te tika.Kei te whai waahi a WS.CN ki te tono rautaki aroturuki me te whakarei ake hei whakarite i nga waahanga ch343 e hono ana ki nga paerewa pakari i whakapumautia mo te umanga.Ko tenei huarahi arotahi e arahi ana ki te whakaheke i nga hapa, te whakaatu i nga painga o te whakahaere kounga whakakotahi.I roto i nga ahuatanga e puta ana i nga umanga maha e whakaputa ana i nga taonga maha, kaore i te kounga te kounga, kaore i te kitea puta noa i nga waahanga rereke.

|
Pūhera |
PIN PIN (MM) |
PIN PIN (MIL) |
Nga waahanga tohu |
|
SOP16 |
1.27mm |
50mil |
Ch343g |
|
Essop10 |
1.00mm |
39I |
Ch343k |
|
QFN16-3X3 |
0.5mm |
19.7mil |
Ch343p |
I te wa e tuhura ana i nga whakakapinga mo te aratohu whakawhiti ch343, e waatea ana nga whiringa whakarite ki te whakatutuki i nga matea whakawhitiwhiti rereke.Ko ia huringa e kawe ana i ona ahuatanga motuhake me nga painga, me tono kia tupato ki te maarama ki nga whakaritenga kaupapa motuhake.
• Ch340
• Ma112as16
• FT230X
• CP2102
• pl2303341
• Ch9102
• McP2200
• CP2110
• FT232

I roto i te porowhita ch343 angamaheni, ko te hononga totika o nga raina USB ki te D + me te D- ka taea e nga pine maeneene nga tukanga korero maeneene.Ko te kaha o tenei tahora e pa ana ki te whakahaere i te tohu rereketanga, me whakarite te tuku raraunga pai ake.Hei whakapumau i te tiimata, ka whakaarohia te whakaaro motuhake ki te whakaheke i te wawaotanga hiko i roto i nga tikanga whai hua penei i te whakangungu me te papaa, e mau tonu ana ki o kare.
Ko te Kaitautoko te kaupapa nui ki te whakarite i te rere maeneene i te wa e pakaru ana nga taumata haruru.Ko enei waahanga e mahi ana hei rahui hiko, e whakarato ana i te pumau ki te heke mai i nga tikanga utaina.Na roto i te whakarereke i nga huringa ohorere i roto i te ngaohiko, kaore i te arai i nga waahanga porowhita engari he nui rawa te whai waahi ki te mahi o te ch343 chipset CH343.Ko te whiriwhiri i nga Kaitautoko e rite ana ki nga paearu whakahaere e whakaatu ana i te pauna maeneene me te tirohanga kia haumi koe i te waa hoahoa.
Ko te whakawhitiwhiti korero i waenga i te ch343 chipset me tetahi microcontroller e whakahaeretia ana i roto i nga raina TX me te RX, te tohu tika i te hononga-TX ki te rx me te waahi.Ko tetahi pohehe ka arahi ki nga raraunga kua kino me nga pakaru o te whakawhitiwhiti korero.Ko te tatari i tenei ma te whakaū i nga hononga i te wa o te waahanga hoahoa ka taea te whakaiti i nga mahi raru a meake nei.Hei taapiri, ka taea pea e nga tatūnga microcontroller rereke nga whirihoranga ahurei, e whakaatu ana i te hiahia kia ngawari, kia tupato hoki ki te hoahoa.
Ka tiimata ma te tirotiro i nga hononga katoa e pa ana ki o ch343 USB-ki-kaiwhakamahi-kaiwhakamahi.Me kaha nga hononga me te tika kia rite ki nga huinga kaore e tika ana ki te whakawhitiwhiti korero.Hei taapiri, whakamana ko nga taumata huringa tohu e hono ana ki nga taputapu honohono, na te taupatupatu i nga taumata o te raru ka pakaru nga tohu me te rere whakawhiti korero.
Keri ki te ahua tinana o te taura USB, e whai kiko ana ki te kounga whakawhiti raraunga.Tirohia te tirotiro mo nga kakahu, i te kino ranei, i te mea ka taea e nga taura whakaraerae te arahi ki nga hononga pohehe e ngoikore ana i nga mahi a te taputapu.
Me whakarite kia whakaatu te tautuhi i te reanga o te peepi i nga mea tika e hiahiatia ana e te ch343 me te taputapu hono hono.Ko nga whirihoranga reiti a te Bauud i te nuinga o te wa ka warewarehia, engari he maha nga take whakawhiti raraunga me te tini o nga whakawhitiwhiti korero.
I te wa e pa ana ki nga raru honohono, ka puta ake te whakamatautau i te Oropback hei huarahi nui.Ma te hono atu i nga TX me RX i runga i te CH343, ka taea e koe te aromatawai i te huarahi whakawhiti raraunga o roto.Ko tenei mahinga tātaritanga tika ka wehe i nga ngoikoretanga o te ch343 i te wa e puta ana nga hapa o te tuku.
Mena ka kore te rorohiko e mohio ki te taputapu, Whakaū kua pai te whakauru i nga taraiwa hou.Tirohia te Kaiwhakahaere Pūrere mo etahi karere hapa, ka arahi pea ki nga tautohetohe taraiwa, he aukati whakawhitiwhiti ranei nga taputapu.Ko tenei tikanga he maha nga raru e huna ana i nga raru huna e aukati ana i te Whakaaetanga Pūrere, te kawe mai i te whakataunga tere ki te take i te ringa.
Te whakarite rautaki i te tauranga USB e tata ana ki te huringa ch343 whakauruhia hei whakarite kia pai te tuku tohu.Ko tenei whakatakotoranga whakaaro i whakaarohia te roa o te raina raraunga, te aukati i te ngoikore o te ngoikore me nga raru o-waho.Ko te tikanga o te raina raraunga tika, ko te whakamatautau, ko te whakatika i nga huarahi kaore e tika ana ki te whakauru i te whakamaarama, ki te whakakore ranei i te taiao tohu.Ko te piri ki nga mahi umanga e whakanuia ana ko te hanga i nga huarahi maamaa, kaore ano kia angitu hei angitu i roto i te hoahoa hiko.
Ko te whakahaere i te maha o nga Vias i roto i te hoahoa PCB e whai waahi ana ki te tiaki i te pono o te tohu tohu me te tika i te tika.Kei ia ma te kawe i te tupono ki te whakauru i nga whakaroanga iti me te whakaataata, ka taea te aukati i te whakawhitiwhiti korero tere-tere.Ko te pupuri i tetahi nama iti e whakarei ake i te pono, ko te whakaaro nui ko nga huarahi taatai e whai kiko ana ki te whakamarama me te pono whakahaere.
Ko te whakanohonga o nga Kaiwhakarato Tātari e tata ana ki nga titi kaha o te ch343 ka awhina i nga rereketanga o nga momo ngaohiko me te whakakaha i te tuku hiko.Ko enei Kaitatau e mahi ana i tetahi mahi nui hei aukati i nga huringa kawenga tere, e whakatairanga ana i te mahinga taputapu rite tonu.Ko tenei tikanga e pai ana ki te tono whanui, e tautokohia ana e nga kitenga he iti noa nga nekehanga o te nekehanga o te taputapu.
Ko te whakarite i nga waahanga i roto i te ahua whakahiato me te whakarite ka taea e te aukati i te wawaotanga o te electromagnetic i te tautoko i te pono tino tika.Te whakaheke i te tawhiti i waenga i nga waahanga ka whakaiti i nga tupono o te whakawhitiwhiti korero me te wawaotanga.Ko tenei tikanga e whakamanahia ana ko te mahi hihiri mo te tiaki i te hononga o nga waahanga hiko-tere teitei.
Ko te maramara ch343 ka whai hua ki nga kaupapa o Microcontrortler, e tuku ana i nga huringa whakawhitiwhiti korero e ngawari ana ki nga taunekeneke i waenga i nga taputapu.Ko tana pukenga i roto i te hono me nga microcontrols kanorau ka whakahaere i te whanaketanga o te putanga, hei whakapiki i nga waahanga whakaraerae me nga waahanga taapiri puta noa i nga momo tono.Na te pai ake o te whakawhiti raraunga me te whakarite kia rite ki nga rauemi raupaparorohiko noa, ka whakanuihia e te maramara te tere me te tino kaha o nga mahi a Microcontrowors.I roto i te tono whaihua, ka taea e koe te whakamahi i tenei kaha ki te whakahiato i nga waa o te kaupapa, he pai te whai hua ki nga tautuhinga tuuturu-tere ka whakaritea te ahunga whakamua.
I te mate whiu me te raru, ka puta ake te ch343 hei otinga matawhānui.Ko tana atanga kaha ka whakaaetia i te tātaritanga hohonu me te whakatau i nga take pūnaha hiko me te kore e taapiri i nga raru kaore e hiahiatia.Ko te whakahoahoa a te maramara puta noa i te maha o nga kawa debuging e whakaatu ana i tana whainga whanui, kia pai ai koe ki te tohu me te whakatutuki i nga raru.Ko nga wheako i roto i te mara e tohu ana ko tenei whakaurutanga he tino tika te punaha o te pūnaha bolsters, na te mea ka kitea e koe nga hapa me te arotau i nga punaha me te tino nui.
I roto i nga tuhinga whakahaere ahumahi, ko te maramara CH343 ka whakahaere i nga raina whakawhitiwhiti korero, matua mo te whakahaere me te whakarereke i nga tukanga whakahiato.Ko tona kaha i roto i nga tikanga kino, ka takirua me te kaha ki te hapai i nga reiti whakawhiti raraunga nui, ka waiho hei whiringa pai mo nga tautuhinga ahumahi.Ko te whakauru i tenei maramara ki nga papaa ahumahi ka taea e nga whakarei ake i nga whakarei ake i te kaha whakahaere me te pohehe.Ka taea e koe te mahi pinepine i tenei maramara hei whakarite i te pakari o te punaha me te tino mahi, te whakanui i tona kaha ki te whakapiki ake i nga ahuatanga o te mahi.
I roto i te waahanga o te hikohiko DIY, kua kaha te hunga CH343 Chip i tino whai kiko na te whakauru.Ka taea e koe te whakanui i tona waatea me te whai waahi, ka whai mana ki a raatau ki te huri i nga kaupapa ki nga prototypes mau me te ngawari.Ma te whakanoho i te whakatipuranga whanui o nga taputapu peripheral, ka taea e koe te torotoro haere me te hau ki te tautoko i te ch343 te tautoko i nga hiahia hangarau o a raatau kaupapa.Ka akiaki tenei uru ki te torotoro haere me te maatauranga, kei hea nga ringaringa-kore me nga whakaaro e pa ana ki te ao.
Kei hea nga punaha o naianei ki te hangarau tuku iho, ko te ch343 te nuinga o te waa, e taea ai te whakawhitiwhiti korero ngoikore me nga taputapu tawhito.Ko tenei whakariterite e whakarite ana i te whakamahi tonu o enei taputapu, he waahanga nui mo koe i runga i nga waahanga kua tuhia.Ma te pupuri tonu i te haere tonu, ka taea e nga umanga te aukati i nga whakahoutanga utu nui, na reira e roa ai te mahi o nga punaha o mua.Ma tenei ngawari e whakamanahia nga umanga ki te tango i nga uara mai i o raatau mahi whakangao i te wa e kore e taea te whakauru i nga otinga hou.
Ko nga kawa whakawhitiwhiti korero me te whai hua e hiahiatia ana i roto i te automation me te karetao, me te maramara ch343 ka tuku i te otinga whakahirahira.Ko tana whakahaere raraunga Adpt e tautoko ana i nga tohu Aunoa me nga tono a te Agile.Ko tenei taumahi e tautoko ana i te whakawhanaketanga o te matatini, tino nui rawa atu o nga taiao.Ko te takoha a te maramara ki taua punaha e whakaatu ana i tana mahi ki te whakawhiti i te heke mai o te autoko, kei hea te whakauru whai hua me nga waahanga.

Tena koa tukuna mai he uiui, ka whakautu wawe taatau.
i te 2024/12/19
i te 2024/12/19
i te 8000/04/19 147782
i te 2000/04/19 112062
i te 1600/04/19 111352
i te 0400/04/19 83819
i te 1970/01/1 79639
i te 1970/01/1 66999
i te 1970/01/1 63124
i te 1970/01/1 63062
i te 1970/01/1 54097
i te 1970/01/1 52215