

|
Ingoa pin |
Pin No. |
Tuhinga |
Whakaaturanga |
|
Vdd |
16 |
Kaha |
Hoatu te ngaohiko (+3 ki + 15v) |
|
Tūtiro |
8 |
Kaha |
Whenua (0v) |
|
D0-D7 |
1, 4, 5, 6, 7, 13, 14, 15 |
Kōkuhu |
PANUNTLEL DATA TUATAHI |
|
Q5, Q6, Q7 |
2, 3, 12 |
Whakaputanga |
Nga Putanga Buffed mai i nga waahanga e toru whakamutunga |
|
Pe |
9 |
Kōkuhu |
Whakahohe Whakahohe |
|
Cp |
10 |
Kōkuhu |
Karaka karaka ki te tukutahi i te whakauru |
|
Ks |
11 |
Kōkuhu |
Pin Whakauru Serial |
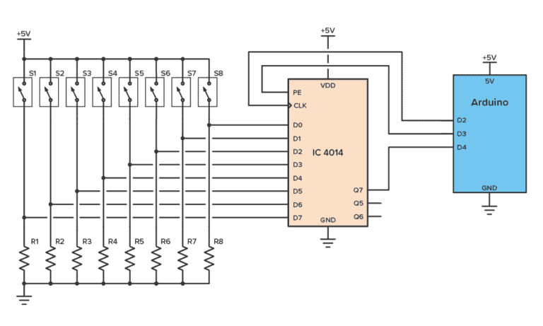
Ki te whakauru ki te whakamahi i te 4014 ic, ka tiimata me te hono atu ki te VDD ki to tauranga pai me to GND ki te tauranga kino.Ka whakahaerehia tenei ICC i roto i te whānuitanga o te 3V ki te 15V, heoi, ka neke atu nga tauira motuhake ki te 20v.He pai te whakaaro ki te tirotiro i te datasheet mo nga taipitopito hiko, te taapiri i te hototahi ki to tatauranga ahurei.Ko te whānuitanga o te kohinga i tohua e awe ana i te pono o te taputapu o te taputapu, me te mahi pumau.
Te kōkiri i te konae raraunga whakarara ma te huri i te whakaraerae (pe) PIN ki te ahua teitei.Tūhono tō whakaurunga raraunga i tohua puta noa i nga titi raraunga rite i tohua D0 ki D7.Ko te tohu o te tohu tohu e pa ana ki te PIN PIN e mau ana i nga raraunga e whakaarohia ana ki te rehita.Ko nga whakaata a-waahanga whakarite e whakatakoto ana i tetahi roopu i runga i te mahinga pai-whakarite, kei hea nga tūranga me te tukutahi he mea tino nui.
Ka tiimata nga raraunga ka huri i te titi i te titi pe ki te ahua iti.Kei ia pikitanga o te Pulse Pulse ka huri i nga raraunga.I roto i tenei aratau, ko te titi DS te mahi mo te whakauru raraunga rangatū, ka whakahaere i te tukatuka raraunga ngawari.Ko tenei mahi ka tino whai hua i te wa e tika ana te whakawhitinga raraunga, me whakarite te whakahaere me te whakariterite o nga tohu mamati.

Te CD4014 Ko te Rehita Shift he taputapu whaitake mo te panui i nga whenua tae atu ki te waru ki te waru o nga pika e whakamahi ana i nga titi tokotoru e toru, penei me te Arduino.Ma tenei ka pai ake mo nga kaupapa kei te waatea te PIN PIN, i te wa e pai ana te whakanui i te kaha whakauru me te kore e hiahia mo te taonga taapiri.Ko nga mahi a te huringa ma te hopu i nga whenua o nga huringa honohono katoa me te tuku i tenei raraunga ki te microcontroller kotahi te wa i te wa kotahi.Ko te CD4014 te whakamahi i te faafariutanga-ki-rangatū, ka taea e koe te aro turuki i nga huringa maha i te wa e pupuri ana i te waea ngawari me te whakakotahi.
Hei whakaturia, hono atu i te D3 PIN a Arduino ki te CD4014 Whakahohe (PE) Pin, D2 ki te karaka (CLK) PIN, me te D4 ki te PIN.Ka whakahohehia e te D3 te tawhiti ki te hopu i nga whenua whakawhiti, ka tukuna e D2 nga karaka karaka ki te whakawhiti i nga whenua ki te putanga, me te D4 te panui i nga raraunga.Ko ia pulse karaka e huri ana i te ahua whakawhiti e whai ake nei ki te PIN putanga, ka tukuna e te Arduino te panui e waru katoa e huri ana i te wa kotahi.He pai tenei huarahi, ka penapena i nga waahi me nga rauemi.Ma te whakamahi i te CD4014, ka taea e koe te whakahaere i nga whakauru maha me te iti, te whakamahi i to hoahoa, ka whakaitihia to hoahoa, ka whakaiti i te uaua o te tuhi.He otinga tuuturu me te pono mo nga kaupapa e hiahia ana ki te aro turuki i nga rohe whakawhiti.
• NTE4014
• MC14014
• HCF4014
• Hef4014
• Cd4014be
• 74hc165
• 74hc166
• 74HC198
Nga Kaipupuri Pūhiko Cylindrical.pdf
Tena koa tukuna mai he uiui, ka whakautu wawe taatau.
i te 2024/12/9
i te 2024/12/8
i te 8000/04/18 147757
i te 2000/04/18 111931
i te 1600/04/18 111349
i te 0400/04/18 83719
i te 1970/01/1 79508
i te 1970/01/1 66885
i te 1970/01/1 63010
i te 1970/01/1 62981
i te 1970/01/1 54081
i te 1970/01/1 52108