
Te BF245 Ko te mea nui i whakamahia mo nga hainatanga i roto i te vHF, nga roopu UHF, me nga ngoikoretanga oro.Ma te nui o nga hua me te iti o nga ahuatanga o te haruru, ka kaha te whakanui i nga tohu iti i te wa e ngoikore ana te haruru.
Ko te raupapa, tae atu ki te BF245, BF245A, BF245b, me te BF245c, e whakaatu ana i nga ahuatanga hiko motuhake, ko te nuinga kei roto i te ngaohiko o te arawhata me te ngaohiko kore-tatau-tatau.Ko enei rereketanga ka whakatutuki i nga tono motuhake, te tuku i nga pukenga ki te arotau i nga hoahoa huri noa mo nga hiahia tohu tohu rereke.He mea whakamiharo i roto i nga roopu VHF me UHF he mea whakamiharo na te kaha o te whakahaere me te whakanui i te maarama o te uaua, te whakanui i te tohu tohu me te kaha, mo nga punaha korero.
I roto i nga tono a-waho, ka kaha te BF245 ma te tiaki i te pono tohu me te whakaiti i te wehewehe, i whakamahia i roto i nga taputapu oro-pono.Ko tona kaha ki te tātari i te haruru i te whakaputa horoi horoi.Ka whakaritea ki nga kaiwhakaari ano, ko te toenga o te BF245 i waenga i te nui o te hua me te iti o te haruru e tino pai ana.Ka taea e koe te pai ake i tenei waahanga mo tona kaha me te pono ki te tono taiao.

|
Pine |
Tohu |
Whakaaturanga |
|
1 |
pē |
Kēti |
|
2 |
s |
Mātāpuna |
|
3 |
pāt |
Waikeri |



|
Āhuatanga |
Tautanga |
|
Momo Pakihi |
Ki te 92 |
|
Momo Transistor |
N Channel Jfet |
|
Whakaheke-Puika |
30v (teitei) |
|
Ngaohiko-gate ngaohiko |
30v (teitei) |
|
Whakakahoretanga Gate |
-30v (teitei) |
|
Ko te tatau tonu o te waa |
25Ma (teitei) |
|
Ngaohiko-pūtake |
-0.5v ki -0v |
|
Te wehenga mana |
300mw (teitei) |
|
Rokiroki me te pāmahana whakahaere |
-55 ° C ki + 150 ° C |
|
Te Matapihi & Whiwhi |
Heke iti me te nui |
|
Te mahinga tere |
Tae atu ki te 700 mhz |
|
Whakawhanui me te Whakawhitiwhiti |
Āe |
Anei te tepu tohu hangarau mo te semiconductor BF245B Jfet.
|
Tuhinga |
Parapara |
|
Te mana koiora |
Neha kē |
|
Nga tuku whakamutunga |
Whakahoutia Whakamutunga: 1 wiki i mua |
|
Maunga |
Na roto i te kohao |
|
Paati / Take |
Ki te 226-3, ki te 92-3 (ki te-226aa) |
|
Tuhinga o mua |
3 |
|
Taumaha |
200 mg |
|
Te huringa pakaru / v |
-30 v |
|
Te maha o nga waahanga |
1 |
|
Whiu |
Mōmona |
|
Whakaputaina |
2009 |
|
Waehere Jesd-609 |
e0 |
|
Waehere pbfree |
Kāo |
|
Wahanga Mana |
Neha kē |
|
Taumata Maha Kore (MSL) |
1 (mutunga kore) |
|
Tuhinga o mua |
3 |
|
Waehere Eccn |
Taringa- |
|
Whakamutu mutunga |
TIN / LACE (SN / PB) |
|
Te pāmahana whakahaere a Max |
150 ° C |
|
Min whakahaere pāmahana |
-55 ° C |
|
Waehere HTS |
8541.21.00.75 |
|
Ngaohiko - tohu DC |
30 v |
|
Whakatauranga o naianei (AMPS) |
100 ma |
|
Te wehenga mana Max |
350 mw |
|
Tūnga kāpene |
Raro |
|
Pikitia te pāmahana (° C) |
240 |
|
Tae i te waehere tautukunga |
E kore e aro |
|
Te whakatauranga o naianei |
10 ma |
|
Te wa @ Taka Whakaora i te Ope-Max (s) |
30 |
|
Tau waahanga |
BF245 |
|
Takenga PIN |
3 |
|
Te tohu tohu tohu |
Ehara i te tohu |
|
Whirihoranga Huarahi |
Kotahi |
|
Aratau Whakahaere |
Aratau Whakakore |
|
Te wehenga mana |
350 mw |
|
Tono Tono |
Tīwerawera |
|
Whakanohia ki te ngaohiko puna (VDSS) |
15 v |
|
Momo Transistor |
N-Channel Jfet |
|
Te tatau tonu o te waa (ID) |
15 ma |
|
Ko te tatau ki te putake puna (VGS) |
-30 v |
|
Whakawhitihia te-a-roto (abs) (ID) |
0.1 a |
|
Tapahia ki te putake pakaha |
30 v |
|
Hangarau Hangarau |
Komititanga |
|
Te roopu utu nui rawa atu |
Ultra tino nui b |
|
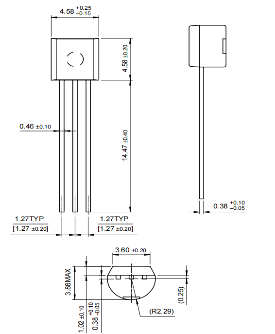
Tōroa |
4.58 mm |
|
Roa |
4.58 mm |
|
Whānui |
3.86 mm |
|
Te mana o te rohs |
Kore-rohs tutuki |
|
Ārahi |
Ārahi
|
• BF245c
• 2N5457
• 2sk117
• Mpf102
• 2N5458
• BF244A
• BF256A
• J113
• 2N3819
• 2N4416
• 2N5638
• 2sk162
Ka kitea e te BF245 te whakamahi i te VHF (tino kaha) me te UHF (Ultra tino nui) nga tohu.Ko enei poka noa ka whai waahi ki te whakawhitiwhiti korero a te reo irirangi, me nga pouaka whakaataata, me nga taputapu ahokore, e tono ana kia mau tonu te maarama.Ka taea e koe te torotoro ki roto i nga hononga honohono hei whakarei ake i te mahi, te whakaaroaro i nga wero penei i te tohu tohu me te whakahaere haruru.He rite tonu tenei whai ki te whai oranga aronganui ki te whakatutuki i te hiranga hangarau.
Ko tenei kaiwhakaari e whai waahi ana ki te waihanga RF Oscillator, e whakaputa ana i nga tohu pumau me te tino tika.Ko tana ahuatanga nui o te haruru e whakanui ana i te kounga o nga tohu putanga, he mea e tino manakohia ana e te kaihoroi korero me nga porowhita.Ka taea e koe te haumi i te kaha aronganui me te hinengaro ki te whakaiti i te rereketanga o te harmonic i te wa e pupuri ana i te pumau, ki te tuhi i nga wheako o nga ringaringa ki te whakatika i nga tohu porowhita.
I te rohe o te Audio, te BF245 e whakarato ana i te tautoko tika mo nga tohu oro-kore-mana.Ko tana mahi i roto i nga waahanga orite e whakarite ana i te huringa iti, te mea e tika ana mo nga punaha oro-pono.Ko te Toi o te Whakaaetanga Mana Whakahaere me te Mahi Ko te mahi tika, ka taea e koe te pai ki te whakapai ake i te wheako whakarongo, e whakamarama ana i nga tohungatanga tika.
Mo te tukatuka tohu-iti, he maha nga wa e kitea ana i roto i nga taonga whakaari me te inenga, ka whakaatu te BF245 i tona utu.Ko te whakahaere i nga tohu ngoikore e pai ake ai te whakarite i te pono o te raraunga.Ko te mahi ki tenei kaiwhakaari i roto i nga mara penei i te tirotiro taiao me te miihini koiora hei whakatutuki i nga waahanga ki te whakatutuki i nga matea tika, he pai ki te whakahoahoa hinengaro.
Ko te BF245 ka whakarei ake i nga waahanga sensor ma te whakakaha i nga tohu ngoikore mai i nga tohu rereke.Ahakoa i te pāmahana, te pēhanga, te makuku ranei te makuku, ka whakaratohia e tenei kaiwhakamaori te whakarite, te whakariterite i te whakamaarama raraunga pūero.Ka taea e koe te rapu ki te whakamahine i nga waahanga sensor, e aro ana ki te whakaiti i nga whakautu urupare me te whakarei ake i nga ahuatanga o te BF245.

I te semiconductor te mahi a te waahanga semiconductor me te whānuitanga o nga hua.Ka whakawhiwhia e te kamupene te mana me te mana whakahaere, me nga taputapu taatai me nga taputapu taapiri, me nga tono a-ringa, me nga tono mana.I runga i te semiconductor e whakahaere ana i te whatunga whanui i Amerika Te Tai Tokerau, Europe, me Ahia Moananui a Kiwa.Kei te haere tonu te kamupene ki te taone nui o Phoenix, Arizona, he hub e uru ana ki tana wairua auaha.
Nga Kaipupuri Pūhiko Cylindrical.pdf
Tena koa tukuna mai he uiui, ka whakautu wawe taatau.
i te 2024/10/29
i te 2024/10/29
i te 8000/04/18 147757
i te 2000/04/18 111931
i te 1600/04/18 111349
i te 0400/04/18 83719
i te 1970/01/1 79508
i te 1970/01/1 66884
i te 1970/01/1 63010
i te 1970/01/1 62980
i te 1970/01/1 54081
i te 1970/01/1 52108